L7L|nt “I2 LT8471
TECHNOLOGY
 
 
 
 
 
 
 
 
 
 
%%3
may 4»
 
 
~||-
—||—
 
 
L7 LJUW 1
LT8471
1
8471fd
For more information www.linear.com/8471
Typical applicaTion 
FeaTures DescripTion
Dual Multitopology  
DC/DC Converters with 2A 
Switches and Synchronization
The LT
®
8471 is a dual PWM DC/DC converter containing 
two internal 2A, 50V switches and an additional 500mA 
switch to facilitate step-down and inverting conversion. 
Each 2A channel can be independently configured as a 
buck, boost, SEPIC, flyback or inverting converter. Ca-
pable of generating positive and negative outputs from a 
single input rail, the LT8471 is ideal for many local power 
supply designs. 
The LT8471 has an adjustable oscillator, set by a resistor 
placed from the RT pin to ground. Additionally, the LT8471 
can be synchronized to an external clock. The free running 
or synchronized switching frequency range of the part can 
be set between 100kHz and 2MHz. 
Additional features such as frequency foldback, soft-start, 
and power good are integrated. The LT8471 is available in 
20-lead TSSOP and 28-Lead (4mm × 5mm) QFN packages.
6V to 32V to ±5V, Dual DC/DC Converter  Efficiency and Power Loss 
Load from VOUT1 to VOUT2
applicaTions
n Dual 2A and One 500mA, 50V Internal Power 
Switch Channels
n 2A Primary Channels Can Be Buck, Boost, SEPIC, 
ZETA, Flyback or Inverting DC/DC Converter
n 500mA Skyhook Channel Efficiently Generates 
Boosted Input Voltage
n Wide Input Voltage Range of 2.6V to 50V
n UVLO and OVLO Programmable on OV/UV Pin
n  Soft-Start Programmable for Each Channel
n  Fixed Frequency PWM (Set by RT Pin or 
Synchronized to External Clock)
n  Anti-Phase Switching Reduces Input Ripple
n 20-Lead TSSOP and 28-Lead QFN Packages
n  Dual Rail Power for Signal Chain.
n  Buck/Buck, Buck/Boost, Boost/Boost, Boost/Invert, 
Invert/Invert, Buck/Invert L, LT, LTC , LT M, Linear Technology and the Linear logo are registered trademarks of Linear 
Technology Corporation. All other trademarks are the property of their respective owners.
RTSYNC
LT8471
8471 TA01a
SHOUT 
VIN2
VIN1
SS2
C3
C1
C2
SS1
OV/UV
E1
FB2
E2
GND
FB1
VOUT1 
5V
1.5A
VOUT2 
–5V
0.65A
47µF
×2
10µH
15µH
1µF
2.2µF 2.2µF
0.1µF 187k
2.2µF
PG1
PG2
59k
316k
316k
59k
1µF
47µF
×2
0.1µF
6V TO 32V
10µH
100k
100k
475k
POWER LOSS
0
20
40
60
80
10
30
50
70
90
LOAD CURRENT (A)
EFFICIENCY (%)
POWER LOSS (W)
0
1
3
2
4
8471 F10b
00.2 0.4 0.6 0.8 1.0
EFFICIENCY
6V
18V
32V
VCC =
LT8471
 
 
 
 
 
 
 
3333333333
 
 
 
 
 
EEEEEEEEEE
 
 
 
LT8471
2
8471fd
For more information www.linear.com/8471
absoluTe MaxiMuM raTings
VIN1, VIN2 Voltages ..................................... –0.3V to 50V
C1, C2 Voltages .......................................... –0.4V to 50V
E1, E2 Voltages ........................................... –60V to 50V
VC1 to VE1 and VC2 to VE2 Voltages ............ –0.4V to 60V
VIN1 to VE1 and VIN2 to VE2 Voltages 
Low Side Configurations (Note 6) .......... –0.4V to 40V
 High Side Configurations (Note 6) ......... –0.4V to 60V
VIN1 to VC1 and VIN2 to VC2 Voltages
 High Side Configurations (Note 6) ......... –0.4V to 40V
C3 Voltage ................................................. –0.4V to 50V
RT Voltage ................................................... –0.3V to 5V
SYNC Voltage ............................................ –0.3V to 5.5V
(Note 1)
pin conFiguraTion
FE PACKAGE
20-LEAD PLASTIC TSSOP
1
2
3
4
5
6
7
8
9
10
TOP VIEW
20
19
18
17
16
15
14
13
12
11
C1
E1
VIN1
PG1
FB1
OV/UV
RT
SS1
SYNC
GND
C2
E2
VIN2
PG2
FB2
SS2
SHOUT
C3
GND
GND
21
GND
θJA = 38°C/W 
EXPOSED PAD (PIN 21) IS GND, MUST BE SOLDERED TO PCB
9 10
TOP VIEW
UFD PACKAGE
28-LEAD (4mm × 5mm) PLASTIC QFN
11 12 13
28 27 26 25 24
14
23
6
5
4
3
2
1
E1
VIN1
PG1
FB1
OV/UV
RT
SS1
SYNC
E2
VIN2
PG2
FB2
SS2
SHOUT
C3
NC
NC
NC
C1
C2
NC
NC
GND
GND
GND
GND
GND
GND
7
17
18
19
20
21
22
16
815
29
GND
θJA = 44°C/W, θJC = 8°C/W 
EXPOSED PAD (PIN 29) IS GND, MUST BE SOLDERED TO PCB
SS1, SS2 ................................................... –0.3V to 2.5V
FB1, FB2 Voltages ..................................... –2.5V to 2.5V
PG1, PG2 Voltages ..................................... –0.3V to 50V
OV/UV Voltage ............................................. –0.3V to 5V
SHOUT Voltage  ......................................... –0.3V to 50V
Operating Junction Temperature Range
 LT8471E (Notes 2, 5) ......................... –40°C to 125°C
 LT8471I (Notes 2, 5) .......................... –40°C to 125°C
 LT8471H (Notes 2, 5) .........................–40°C to 150°C
Storage Temperature Range .................. –65°C to 150°C
Lead Temperature (Soldering, 10 sec)
 FE Package .......................................................300°C
LT847 1
 
 
 
LT8471
3
8471fd
For more information www.linear.com/8471
orDer inForMaTion
LEAD FREE FINISH TAPE AND REEL PART MARKING* PACKAGE DESCRIPTION TEMPERATURE RANGE
LT8471EFE#PBF LT8471EFE#TRPBF  LT8471FE 20-Lead Plastic TSSOP –40°C to 125°C
LT8471IFE#PBF LT8471IFE#TRPBF  LT8471FE 20-Lead Plastic TSSOP –40°C to 125°C
LT8471HFE#PBF LT8471HFE#TRPBF  LT8471FE 20-Lead Plastic TSSOP –40°C to 150°C
LT8471EUFD#PBF LT8471EUFD#TRPBF 8471 28-LEAD (4mm × 5mm) Plastic QFN –40°C to 125°C
LT8471IUFD#PBF LT8471IUFD#TRPBF 8471 28-LEAD (4mm × 5mm) Plastic QFN –40°C to 125°C
Consult LTC Marketing for parts specified with wider operating temperature ranges. *The temperature grade is identified by a label on the shipping container.
Consult LTC Marketing for information on nonstandard lead based finish parts.
For more information on lead free part marking, go to: http://www.linear.com/leadfree/  
For more information on tape and reel specifications, go to: http://www.linear.com/tapeandreel/
elecTrical characTerisTics
PARAMETER CONDITIONS MIN TYP MAX UNITS
Input Voltage (VIN1, VIN2)l2.6 50 V
Quiescent Current (VIN1, Skyhook Disabled) VOV/UV = 1.3V, Not Switching 2.2 3.3 mA
Quiescent Current (VIN1, Skyhook Enabled) VOV/UV = 1.3V, C3 = 5V, Not Switching 2.4 4 mA
Quiescent Current (VIN2) VOV/UV = 1.3V, Not Switching 29 42 µA
Quiescent Current in Shutdown (VIN1 + VIN2) VOV/UV = 0V 0.01 1 μA
Positive Feedback Voltage (FB1, FB2) l773 789 805 mV
Negative Feedback Voltage  
(FB1, FB2) (LT8471E,I) 
(LT8471H)
l 
l
–806 
–806 –788 
–788 –770 
–767 mV 
mV
Feedback Pin Bias Current (FB1, FB2) VFB = Positive Feedback Voltage, Current Out of Pin 
VFB = Negative Feedback Voltage  
–100 30 
0200 
100 nA 
nA
Error Amp Transconductances Primary Channels, ∆I = 2μA 70 μmhos
Error Amp Voltage Gains Primary Channels 95 V/V
Reference Line Regulation 2.6V ≤ VIN1 ≤ 50V 0.008 0.05 %/V
Switching Frequency, fOSC RT = 46.4k 
RT = 732k
l 
l
1.55 
100 1.8 
117 2.05 
135 MHz 
kHz
Switching Frequency in Foldback All Channels. Compared to Normal fOSC 1/8 Ratio
Switching Frequency Range Synchronizing l100 2000 kHz
SYNC High Level for Sync l1.3 V
SYNC Low Level for Sync l0.4 V
SYNC Clock Pulse Duty Cycle VSYNC = 0V to 2V 35 65 %
Recommended Minimum SYNC Ratio fSYNC/fOSC ¾ Ratio
Switching Phase Between Primary Channels RT = 46.4k  
RT = 732k 170 
170 200 
200 Deg 
Deg
Skyhook Boost Voltage VSHOUT – VC2, Skyhook Enabled 3.0 4.25 5.4 V
Minimum Switch Off-Time Primary Channels (Note 7) 
Skyhook Channel (Note 7) 170 
100 ns 
ns
Minimum Switch On-Time Primary Channels(Note 7) 
Skyhook Channel (Note 7) 220 
30 ns 
ns
  The l denotes the specifications which apply over the full operating 
temperature range, otherwise specifications are at TA = 25°C. VIN1 = VIN2 = 5V, unless otherwise noted (Note 2).
LT8471
 
 
 
 
 
 
 
 
 
 
 
 
 
 
 
 
 
 
 
 
 
 
 
 
 
 
LT8471
4
8471fd
For more information www.linear.com/8471
PARAMETER CONDITIONS MIN TYP MAX UNITS
Switch Current Limit (Primary Channels) Minimum Duty Cycle (Note 3) 
Maximum Duty Cycle (Notes 3, 4)
l 
l
2.1 
1.35 2.55 
1.8 3.2 
2.5 A 
A
Switch Current Limit (Skyhook) (Note 3) l400 500 600 mA
Primary Switches VCESAT IC1 or IC2 = 1.5A 300 mV
Skyhook Switch VCESAT IC3 = 250mA 250 mV
C1, C2 Leakage Current VC1 = VC2 = 12V, VE1 = VE2 = 0V, VOV/UV = 0V, 
Current into Pin 0.01 1 μA
C3 Leakage Current  VC3 = 12V, VOV/UV = 0V 0.01 1 μA
E1, E2 Leakage Current VOV/UV = 0V, Current Out of Pin  
VC1 = VC2 = 20V, VE1 = VE2 = 5V 
VC1 = VC2 = 5V, VE1 = VE2 = –10V
0.01 
0.01
1 
1
µA 
µA
Schottky Reverse Leakage VREVERSE = 12V 
VREVERSE = 50V 0.01 
0.02 1 
2µA 
µA
Schottky Forward Voltage IDIODE = 100mA 650 mV
Start-Up Characteristics
Soft-Start Charge Current VSS1, VSS2 = 50mV, Current Flows Out of  
SS1, SS2 Pins
l5.5 8.5 11.5 µA
OV/UV Current for OVLO Current into OV/UV Pin. VOV/UV Internally Clamped 
to 1.37V, Current Rising
l76 80 84 µA
OV/UV Pin Bias Current VOV/UV =1V 0.01 0.5 µA
OV/UV Minimum Input Voltage High Active Mode, OV/UV Rising  
Active Mode, OV/UV Falling
l 
l
1.165 
1.13 1.215 
1.18 1.265 
1.22 V 
V
OV/UV Input Voltage Low Shutdown Mode l0.3 V
FB Pin Threshold for Power Good  
(Positive Output Voltage) FB Rising  
FB Falling
l 
l
715 
708 740 
730 765 
752 mV 
mV
FB Pin Threshold for Power Good  
(Negative Output Voltage) FB Falling  
FB Rising
l 
l
–766 
–755 –736 
–727 –706 
–699 mV 
mV
PG1, PG2 Voltage Output Low VFB = 0.6V, IPG = 250μA 0.32 0.6 V
PG1, PG2 Leakage VPG1, VPG2 = 12V, PG Driver Off 0.01 1 µA
Note 1: Stresses beyond those listed under Absolute Maximum Ratings 
may cause permanent damage to the device. Exposure to any Absolute 
Maximum Rating condition for extended periods may affect device 
reliability and lifetime.
Note 2: The LT8471E is guaranteed to meet performance specifications from 
0°C to 125°C junction temperature. Specifications over the –40°C to 125°C 
operating junction temperature range are assured by design, characterization 
and correlation with statistical process controls. The LT8471I is guaranteed 
over the full –40°C to 125°C. The LT8471H is guaranteed over the full –40°C 
to 150°C operating junction temperature range. Operating lifetime is derated 
at junction temperatures greater than 125°C.
elecTrical characTerisTics
  The l denotes the specifications which apply over the full operating 
temperature range, otherwise specifications are at TA = 25°C. VIN1 = VIN2 = 5V, unless otherwise noted (Note 2).
Note 3: Current limit guaranteed by design and/or correlation to static test.
Note 4: Current Limit measured at equivalent switching frequency of 1MHz.
Note 5: This IC includes overtemperature protection that is intended 
to protect the device during momentary overload conditions. Junction 
temperature will exceed 150°C when overtemperature protection is active. 
Continuous operation above the specified maximum operating junction 
temperature may impair device reliability.
Note 6: Low side and high side configurations are discussed in the Switch 
Configurations and the Skyhook Regulator section. 
Note 7: Minimum switch on-time, off-time is guaranteed by design.
LT847 1
 
 
 
 
 
 
 
 
 
 
 
 
 
 
 
 
 
 
 
 
 
 
 
 
 
 
 
 
 
 
 
 
 
 
 
 
 
 
 
 
 
 
 
 
 
 
 
 
 
 
 
 
 
 
 
 
 
 
 
 
 
 
 
 
 
 
 
 
 
 
 
 
 
 
 
 
 
 
 
 
 
 
 
 
 
 
 
 
 
 
 
m,
 
 
[ \
 
 
 
 
 
 
 
 
 
 
 
 
 
 
 
 
 
 
 
 
 
 
 
 
 
 
 
 
 
L7 HEW 5
LT8471
5
8471fd
For more information www.linear.com/8471
Typical perForMance characTerisTics
Switch Current Limit  
at Minimum Duty Cycle
Skyhook Current Limit 
vs Temperature Feedback Voltages
Oscillator Frequency
Switching Frequency  
During Soft-Start Internal UVLO for VIN1 and VIN2
Primary Switch Current Limit  
at 500kHz CH1, CH2 Switch VCESAT Skyhook Switch VCESAT
TA = 25°C, unless otherwise specified.
DUTY CYCLE (%)
0
SWITCH CURRENT LIMIT (A)
2.0
2.5
3.0
1.5
1.0
40 80
20 60 100
0.5
0
3.5
8471 G01 SWITCH CURRENT (A)
0
SWITCH VCESAT (V)
0.4
0.5
0.3
0.2
1 2
0.5 1.5 2.5
0.1
0
0.6
8471 G02 SWITCH CURRENT (A)
0
0
SWITCH VCESAT (V)
0.1
0.2
0.3
0.4
0.5
0.1 0.2 0.3 0.4 0.5 0.6
8471 G03
0
1.0
2.0
3.0
0.5
1.5
2.5
–50 110
–30 –10 10 30 50 70 90 130 150
TEMPERATURE (°C)
SWTICH CURRENT LIMIT (A)
8471 G04
–50 110
–30 –10 10 30 50 70 90 130 150
TEMPERATURE (°C)
0
SWITCH CURRENT LIMIT (A)
0.3
0.5
0.8
1.0
8471 G05
755
765
785
805
775
795
–50 –25 0 25 50 75 100 125 150
TEMPERATURE (°C)
FB VOLTAGE (mV)
–755
–765
–785
–805
–775
–795
8471 G06
+ FB 
– FB 
TEMPERATURE (°C)
–55
FREQUENCY (MHz)
1.0
1.2
0.8
0.6
–15 5 45
–35 25 65 105
85 125
0.4
0
0.2
8471 G07
RT = 732k
RT = 84.5k
FB VOLTAGE (V)
NORMALIZED OSCILLATOR FREQUENCY (fSW/fNOM)
0
0.25
0.50
0.75
1.00
–0.8 –0.4 0 0.4 0.8
8471 G08
2.0
2.1
2.3
2.5
2.2
2.4
–50 110
–30 –10 10 30 50 70 90 130 150
TEMPERATURE (°C)
SUPPLY VOLTAGE (V)
8471 G09
VIN1
VIN2
LT847 1
 
 
 
 
’/
 
 
 
 
 
 
 
 
 
 
 
 
 
 
 
 
 
 
 
 
 
 
 
 
 
 
 
 
 
L i
 
 
 
 
 
 
 
 
 
 
 
 
 
 
 
 
 
 
 
 
 
 
 
 
 
 
 
 
 
 
 
 
 
 
 
 
 
 
 
 
 
 
 
 
 
 
 
 
 
 
‘\\
 
 
 
 
 
 
 
 
 
 
 
 
 
 
 
 
 
 
 
 
 
 
 
 
 
 
 
6 L7LJCU§QB
LT8471
6
8471fd
For more information www.linear.com/8471
Typical perForMance characTerisTics
SHOUT-C2 Regulation Voltage 
vs Temperature SHOUT-C2 Voltage vs SS1
Minimum Switch On-Time/ 
Switch Off-Time
Skyhook Diode Forward Voltage
PG Threshold vs Temperature  
(FB Falling)
OV/UV Pin Current OV/UV Overvoltage Threshold OV/UV Undervoltage Threshold
TA = 25°C, unless otherwise specified.
0 4
0.5 1 1.5 2 2.5 3 3.5 4.5 5
OV/UV VOLTAGE (V)
0
CURRENT INTO PIN (mA)
1
2
3
4
5
8471 G10
–40°C
27°C
125°C 75
77
79
81
83
85
76
78
80
82
84
–50 110
–30 –10 10 30 50 70 90 130 150
TEMPERATURE (°C)
OV/UV PIN CURRENT (µA)
8471 G11
–50 110
–30 –10 10 30 50 70 90 130 150
TEMPERATURE (°C)
1.10
OV/UV VOLTAGE (V)
1.15
1.20
1.25
1.30
8471 G12
–50 110
–30 –10 10 30 50 70 90 130 150
TEMPERATURE (°C)
0
SHOUT-C2 VOLTAGE (V)
1
2
3
4
5
8471 G13
MINIMUM VIN2-C2 VOLTAGE NEEDED
TO OPERATE HIGH SIDE SWITCHES
REGULATION VOLTAGE
SS1 VOLTAGE (V)
0
SHOUT- C2 VOLTAGE (V)
4
3
2
1 2
0.5 1.5 2.5
1
0
5
8471 G14
–55°C
25°C
125°C
150°C 100
200
250
400
150
300
350
05 10 15 20 25 30 35 40
VIN (V)
SWITCH ON-TIME/SWITCH OFF-TIME (ns)
8471 G15
MINIMUM ON-TIME
MINIMUM OFF-TIME
SKYHOOK DIODE CURRENT (mA)
0
0
SKYHOOK DIODE VF (V)
0.2
0.4
0.6
0.8
1.0
100 200 300 400 500
8471 G16
–55°C
25°C
125°C
150°C 90
91
93
95
92
94
–50 110
–30 –10 10 30 50 70 90 130 150
TEMPERATURE (°C)
THRESHOLD (%)
8471 G17
+ FB 
– FB 
LT847 1
 
LT8471
7
8471fd
For more information www.linear.com/8471
pin FuncTions
C1, C2 (Pins 1, 20): Collector Pins. These are the collec-
tors of the primary internal NPN power switches. If either 
pin is tied to a DC voltage, it must be locally bypassed; if 
either pin is a switching pin, minimize trace area connected 
to the pin to minimize EMI. When the Skyhook channel is 
used, the C2 pin must be tied to the input voltage of the 
Skyhook channel.
C3 (Pin 13): Skyhook Collector Pin. This is the collector of 
the internal NPN power switch for the Skyhook channel. 
If the Skyhook channel is used, minimize the metal trace 
area connected to this pin to minimize EMI. If the Skyhook 
channel is not used, tie the C3 pin to GND.
E1, E2 (Pins 2, 19): Emitter Pins. These are the emit-
ters of the primary internal NPN power switches. Unless 
grounded, minimize trace area connected to these pins 
to minimize EMI. 
FB1, FB2 (Pins 5, 16): Feedback Pins for Primary Chan-
nels. Connect a resistor divider between VOUT, FB and 
GND to set the output voltage. 
GND (Pins 10, 11,12, Exposed Pad 21): Ground. All of the 
ground pins must be soldered directly to the local ground 
plane. The exposed pad metal of the package provides both 
electrical contact to ground and good thermal contact to 
the printed circuit board.
OV/UV (Pin 6): Overvoltage/Undervoltage Pin. Tie to 1.215V 
(typical) or more to enable the device; ground to shut down. 
Configurable as a UVLO and OVLO by connecting to an 
external resistor divider. See the Applications Information 
section for more information. 
PG1, PG2 (Pins 4, 17): Power Good Pins. Connect pull-up 
resistors to these pins. These open-drain output pins are 
pulled low when their respective output voltages are more 
than 7.5% below their target output voltages (as set by 
the external feedback resistors). When the output voltage 
is above 92.5% of the target voltage, the respective PG 
pin driver turns off, allowing the PG voltage to rise and 
indicate that the regulated output voltage is good. 
RT (Pin 7): Timing Resistor Pin. Adjusts the switching 
frequency. Place a resistor from this pin to ground to set 
the frequency to a fixed free-running level. Do not float 
this pin. 
SHOUT (Pin 14): Skyhook Output Voltage Pin. This is the 
cathode of the internal Schottky diode and the output of 
the Skyhook boost converter.
SS1, SS2 (Pins 8, 15): Soft Start Pins. Place a soft-start 
capacitor on each pin. Upon start-up, the SS pins will be 
charged by (nominally) 250k resistors to about 2.15V.
SYNC (Pin 9): To synchronize the switching frequency 
to an outside clock, simply drive this pin with a clock. 
The high voltage level of the clock needs to exceed 1.3V, 
and the low level should be less than 0.4V. Drive this pin 
to less than 0.4V to revert to the internal free running 
clock. See the Applications Information section for more 
information. 
VIN1 (Pin 3): Input Supply Pin 1. This is the power supply 
pin for primary channel 1 and the Skyhook channel. This 
pin also provides power to additional circuitry common 
to all channels. VIN1 must be greater than 2.6V for any 
channel to operate. VIN1 must be locally bypassed.
VIN2 (Pin 18): Input Supply Pin 2. This is the power supply 
pin for primary channel 2 and must be greater than 2.6V 
when channel 2 is in use. VIN2 must be locally bypassed. 
LT8471
 
 
 
 
 
 
 
 
 
 
 
 
 
 
 
 
 
 
 
 
 
 
 
 
 
 
 
 
 
 
 
 
 
 
 
 
 
 
 
 
 
 
 
 
 
 
 
 
 
 
 
 
 
 
 
 
 
 
 
 
 
 
 
 
 
 
 
 
 
 
 
 
 
 
 
||__I|
 
 
 
 
 
 
 
 
 
E 4 ' E] +
. 4—1 J
13%- a E}
E 91
EH? '<1 _1="" g="" a="" b="" %="" gm?="" in="" ,="" ‘fi="" $p7c="" e="" —»="" *="" |="" e]="" 2="" il—="" me]="" 3="" 1:="" ¢="" #="" i="" 5&6="" —=""> _ 4:0: RRRRRRR _ é
 
 
 
 
 
 
 
 
 
 
 
 
 
nnnnnnnnnn
 
 
 
 
 
 
 
||__I|
 
 
 
 
 
 
 
 
 
 
 
 
 
 
 
 
 
 
 
 
 
 
 
 
 
 
 
 
 
L7LJCUEN2
1>LT8471
8
8471fd
For more information www.linear.com/8471
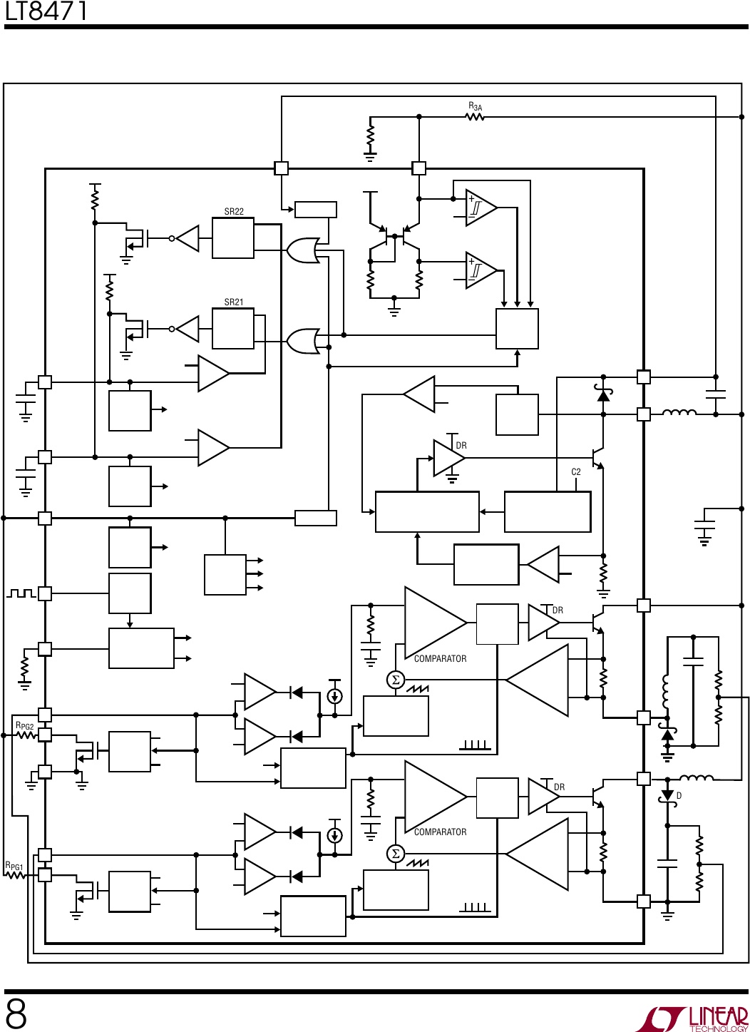
block DiagraM
8471 BD
250k
R
Q
S
SR22
2.15V
2.15V
UVLO
OV/UVVIN2
UVLO
C2
SHOUT
250k
R
Q
S
SR21
SOFT-
START
SOFT-
START
VC1 0.5V
DRIVER
50mV
INTERNAL
SUPPLY
REG
SYNC
BLOCK
VOLTAGE
REFS
2.15V
0.73V
–0.727V
VC2
ADJUSTABLE
OSCILLATOR
FREQUENCY
FOLDBACK
RAMP
GENERATOR
OSC
OSC
–0.788V
0.789V
COMPARATOR
COMPARATOR
1.215V
+
–
+
–
+
–
+
–
+
–
+
–
SKYHOOK
DISABLE
+
–
Q3
Q2
C1
D1
L2
D2
DRIVER
Q1
DRIVER
C2
L1
CSS1
R3A
50mV
0.789V
0.789V
–0.788V
VC1
VC2
CSS2
RT
RPG2
VIN2
VOUT2
OV/UV
LOGIC
PEAK
DETECT
Q3 SWITCH CONTROL
AND COMPENSATION SHOUT-C2
VOLTAGE COMPARE
+
–
+
–
+
–
40mV 80mΩ
RSENSE2
RSENSE1
VOUT1
R2B
R2A
R1B
R1A
0.5V
1.215V
1.37V
R3B
DSH
VIN1
RT
FB2
PG2
GND
 SYNC
 VIN1
SS2
SS1
OSC
PGOOD
DET.
PGOOD
DET.
0.73V
–0.727V FREQUENCY
FOLDBACK
–0.788V
FB1
PG1
OSC
CURRENT LIMIT 
CONTROLLER
–
+
–
+
–
+
–
+
R Q
S
SR12
C3
C3
C2
E2
A42
A32
RAMP
GENERATOR
VIN1
R Q
S
SR11  
C1
E1
A41
A31
CVCC
VCC
L3
A43
RPG1
LT847 1
 
LT8471
9
8471fd
For more information www.linear.com/8471
operaTion
The LT8471 consists of two primary channels, each with 
a 2A power switch. One Skyhook channel is also avail-
able with a 500mA power switch to support the primary 
channels when performing step-down conversions. The 
maximum voltage between VIN1 and E1 (or VIN2 and E2) is 
40V when E1 (or E2) is grounded. This is the case for boost, 
SEPIC, flyback and dual-inductor inverting topologies. The 
maximum allowed voltage between VIN1 and E1 (or VIN2 
and E2) is 60V when E1 (or E2) is allowed to toggle, such 
as in buck, ZETA and single-inductor inverting topologies.
Primary Channels
The two primary channels, 1 and 2, can be independently 
configured as boost, buck, SEPIC, ZETA, flyback or invert-
ing DC/DC converters to adapt into various applications. 
Both channels use a constant-frequency, current mode 
control scheme to provide line and load regulation (refer 
to the Block Diagram). The channel 1 clock is in phase 
with the internal oscillator or the SYNC pin if it is toggling. 
In order to reduce transient switching spikes, the clock 
for channel 2 is approximately 180° out-of-phase with 
the channel 1 clock.
At the start of each clock phase, an SR latch (SR11/SR12 
in the Block Diagram) is set, turning on the internal power 
switch (Q1/Q2 in the Block Diagram) for the respective 
channel. An amplifier (A41/A42 in the Block Diagram) and 
a comparator (A31/A32 in the Block Diagram) monitor the 
current flowing through the internal power switch, turning 
the switch off when the current reaches a level determined 
by the voltage at VC1/VC2. An error amplifier measures 
the output voltage through an external resistor divider tied 
to the FB1/FB2 pin and servos the VC1/VC2 voltage. If 
the error amplifier’s output (VC1/VC2) increases, more 
current is delivered  to  the output; if  it decreases, less 
current is delivered. An internal clamp on the VC1/VC2 
voltage provides current limit.
Both of the primary channels contain a power good com-
parator which trips when the corresponding FB pin voltage 
is at 92.5% of its regulated value. The PG1 and PG2 outputs 
are driven by open-drain N-channel MOSFET devices that 
are off when the respective output is in regulation, allow-
ing external resistors to pull the PG1/PG2 pins high. The 
PG1 and PG2 pin states are only valid when the respective 
channel is enabled and VIN1 is above 2.6V.
Skyhook Channel
When either channel is configured as a buck, ZETA or 
single-inductor  inverting  converter,  the  respective  VIN 
pin(s) must be boosted above the input voltage, VCC. The 
boosted supply provides base current to the appropriate 
Q1 and/or Q2 NPN power switch. The Skyhook channel 
provides this boosted voltage to the SHOUT pin which 
must also be connected to VIN2 and/or VIN1 as needed. 
The Skyhook is  a  constant-frequency,  voltage mode 
boost converter including a Schottky diode integrated on 
chip. The Skyhook output, SHOUT, is regulated to a fixed 
voltage (4.25V typical) above the C2 pin which must be 
connected to a DC voltage (typically VCC). If the Skyhook is 
not needed it can be disabled by tying the C3 pin to GND. 
This also reduces the current draw from VIN1. Refer to 
the Applications Information section for more information 
about the proper use of the Skyhook channel.
The Skyhook operates as follows: An error amplifier mea-
sures the output voltage (SHOUT) through the SHOUT-C2 
voltage comparator and servos an internal control volt-
age. The control voltage determines the on-time of the 
Q3 power switch for each cycle, and thus, the amount of 
current being delivered to SHOUT. Loop compensation 
is integrated in the chip. Comparator A43 monitors the 
current in the power switch Q3 in order to detect over 
current conditions. If current in excess of 500mA (typ) is 
detected, switch Q3 is immediately turned off.
Start-Up Operation
Several functions are provided to enable a clean start-up 
for the LT8471.
• First, the OV/UV pin voltage is monitored by an inter-
nal voltage reference to give a precise turn-on voltage 
range. An external resistor (or resistor divider) can be 
connected from the input power supply to the OV/UV 
pin to provide a user-programmable undervoltage and 
overvoltage lockout function.
• Second, the soft-start circuitry provides for a gradual 
ramp-up of the switch current for the primary channels 
LT8471
‘IO
 
LT8471
10
8471fd
For more information www.linear.com/8471
Input Supply Requirements
VIN1 is the main power supply of the LT8471. It powers 
channel 1, the Skyhook channel and most of the internal 
control and bias circuits for both channels. It must be 
powered up to enable any channel of the LT8471. VIN2 
is the power supply for channel 2, and only needs to be 
powered up when channel 2 is used. When VIN2 is not 
powered up, channel 2 will shut down.
Switch Configurations and the Skyhook Regulator
The primary channel NPN power switches can be connected 
in low side or high side configurations. A low side connec-
tion is when the power switch is on the lower voltage side 
of the inductor while the switch is on. The boost, SEPIC, 
flyback and dual-inductor inverting configurations use low 
side power switches. Conversely, a high side connection is 
when the power switch is on the higher voltage side of the 
inductor when it is on. The buck, ZETA and single-inductor 
inverting configurations use high side power switches. 
Channels 1 and 2 can be configured for high side or low 
side switching and do not need to be configured in the 
same way as the other.
applicaTions inForMaTion
operaTion
In the low side configurations, the E pin is typically tied 
to ground and the respective C pin toggles. VIN for the 
respective channel must operate in a range of 2.6V to 40V.
High side configurations require that the C pin be tied to a 
positive DC voltage supply and the respective E pin toggles. 
The channel’s VIN pin should be at least 2.2V (typical) higher 
than the respective C pin to provide adequate drive to the 
base of the NPN power switch. When configured with a 
high side switch, the channel’s VIN can operate up to 50V 
above ground, 60V above the respective E pin voltage, and 
40V above the respective C pin voltage.
The Skyhook boost regulator is available to provide ad-
ditional VIN voltage when it is needed to support high side 
switch  topologies.  When  enabled,  the  Skyhook  output 
voltage (SHOUT) is  regulated  to 4.25V (typical)  above 
the C2 pin voltage. Figure 1 shows an example where the 
application input voltage is 6V to 32V. The Skyhook boost 
converter regulates SHOUT, VIN1 and VIN2 to 10.25V to 
36.25V insuring that the VIN1 and VIN2 pins are typically 
4.25V above the C1 and C2 pins. More information about 
the Skyhook regulator is available in later sections.
and a gradual ramp-up of duty cycle for the Skyhook 
channel. When the part is brought out of shutdown, the 
external SS capacitors are first discharged (providing 
protection against OV/UV pin glitches and slow ramp-
ing). Next, internal 250k resistors pull the SS pins up 
to ~2.15V. By connecting an external capacitor to each 
of the SS pins, the voltage ramp rates on the pins can 
be set. Typical values for the soft-start capacitor range 
from 100nF to 1μF.
• Finally, the primary channels’ switching frequency is 
folded back by 2, 4, or 8 times when the correspond-
ing  FB  pin  voltage  is below  certain  thresholds (see 
the Typical Performance Characteristics section). This 
feature reduces the minimum duty cycle that the part 
can achieve, thus allowing better control of the switch 
current during start-up. The slope compensation func-
tion is disabled during foldback to increase the available 
current that can be delivered to the output.
Thermal Shutdown Operation
Not shown in the Block Diagram is the thermal shutdown 
circuit. If the temperature of the part exceeds approximately 
164°C, the SR21 and SR22 latches are set. A full soft-start 
cycle will then be initiated after the temperature drops 
below  approximately 162.5°C.  The  thermal  shutdown 
circuit protects the power switches as well as the external 
components connected to the LT8471.
LT847 1
85.5
@
L7 LJUW 1 1
LT8471
11
8471fd
For more information www.linear.com/8471
Internal Undervoltage Lockouts
The LT8471 monitors VIN1 and VIN2 supply voltages in case 
either drops below a minimum operating level (typically 
about 2.35V and 2.25V, respectively).
When VIN1 is detected low, all power switches are de-
activated, and while sufficient VIN1 voltage persists, the 
soft-start capacitors for both SS1 and SS2 are discharged. 
After VIN1 is detected high, the channel 1 power switch is 
re-enabled and SS1 begins charging.
When VIN2 is detected low, the channel 2 power switch is 
deactivated, and while sufficient VIN1 voltage persists, the 
soft-start capacitor for SS2 is discharged. After both VIN1 
and VIN2 are detected high, the channel 2 power switch is 
re-enabled and SS2 begins charging.
Oscillator
The internal free-running oscillator can set the operating 
frequency of the LT8471. When the SYNC pin is driven low 
(< 0.4V), the frequency of operation is set by a resistor 
from RT to ground. An internally trimmed timing capacitor 
resides inside the IC. The oscillator frequency is calculated 
using the following formula:
fOSC =
85.5
R
T
+1
where fOSC is in MHz and RT is in kΩ. Conversely, RT 
(in kΩ) can be calculated from the desired frequency (in 
MHz) using:
RT=
85.5
fOSC
– 1
Clock Synchronization
The operating frequency of the LT8471 can be synchro-
nized to an external clock source. To synchronize to the 
external source, simply provide a digital clock signal into 
the SYNC pin. The LT8471 will operate at the SYNC clock 
frequency. The LT8471  will revert  to  the internal  free-
running oscillator clock after SYNC is driven low for a few 
free-running clock cycles.
Driving SYNC high for an extended period of time effectively 
stops the operating clock and prevents latches SR11 and 
SR12 from becoming set (see the Block Diagram). As a 
result, the switching operation of the LT8471 stops, and 
all the power switches are turned off.
The duty cycle of the SYNC signal must be between 35% 
and 65% for proper operation. Also, the frequency of the 
SYNC signal must meet the following two criteria:
1. SYNC may not toggle outside the frequency range of 
100kHz to 2MHz unless it is set low to enable the free-
running oscillator.
2. The SYNC frequency can always be higher than the 
free-running oscillator frequency, fOSC, but should not 
be less than 25% below fOSC.
Operating Frequency Selection
There are several considerations in selecting the operat-
ing frequency of the converter. The first is staying clear 
of sensitive frequency bands, which cannot tolerate any 
spectral noise. For example, in products incorporating RF 
communications, the 455kHz IF frequency is sensitive to 
any noise, therefore switching above 600kHz is desired. 
Some communications have sensitivity to 1.1MHz, and in 
that case, a 1.5MHz switching converter frequency may be 
employed. The second consideration is the physical size 
of the converter. As the operating frequency goes up, the 
inductor and filter capacitors go down in value and size. 
The trade-off is efficiency, since the switching losses due to 
NPN base charge (see the Power and Thermal Calculation 
section), Schottky diode charge, and other capacitive loss 
terms increase proportionally with frequency.
Soft-Start
The  LT8471  contains  soft-start  circuitry  to  limit  peak 
switch currents during start-up. High start-up current is 
inherent in switching regulators since the feedback loop 
is saturated due to VOUT being far from its final value. The 
regulator tries to charge the output capacitor as quickly as 
possible, which results in large peak currents.
The start-up current can be limited by connecting external 
capacitors (typically 100nF to 1μF) to the SS1 and SS2 pins. 
The capacitors are slowly charged to ~2.15V by internal 
applicaTions inForMaTion
LT8471
 
 
 
 
 
 
12
 
LT8471
12
8471fd
For more information www.linear.com/8471
applicaTions inForMaTion
250k resistors after the part is activated. SS1 pin voltages 
below ~0.8V reduce the duty cycle of the Skyhook channel, 
and below ~1.4V reduce the current limit of channel 1. 
SS2  voltages  below ~1.4V  reduce  the  current  limit  of 
channel 2. Thus, the gradual ramping of the SS voltages 
also gradually increases the current limits of the primary 
channels and the duty cycle of the Skyhook channel. This, 
in turn, allows the output capacitors for each channel to 
charge gradually toward its final value while limiting the 
start-up currents. 
In the event of a shutdown (OV/UV pin), internal undervolt-
age lockout (UVLO) or a thermal lockout, the soft-start 
capacitors are automatically discharged to <50mV before 
charging resumes, assuring that the soft-starting occurs 
after every reactivation of the chip.
Shutdown
The OV/UV pin is used to enable and disable the chip. When 
configured properly, the OV/UV pin can serve as both an 
undervoltage and an overvoltage detector as discussed 
further in the next section. When the OV/UV voltage is 
below 1.215V (typ) switching activity is disabled as shown 
in Figure 1 (lockout state). When OV/UV is below 300mV, 
quiescent current becomes very low and the part is com-
pletely in shutdown. Voltages between 1.215V and 1.37V 
enable the part (ACTIVE state) for normal operation. The 
OV/UV pin is internally clamped to approximately 1.37V 
and should always be connected through a resistor to 
limit the current. If the OV/UV pin current exceeds 80μA 
(typ), switching is disabled and the part enters the lock-
out state. See the OV/UV pin current graph in the Typical 
Performance Characteristics section.
When in the lockout state, the power switches are disabled 
and the SR21 and SR22 latches are set. This causes the 
soft-start capacitors to discharge until active operation 
is enabled. Although the power switches are  disabled, 
the lockout state does not necessarily reduce quiescent 
current until the OV/UV voltage is near or below the shut-
down threshold.
Due to the 1.37V clamping circuit, OV/UV should always 
be connected through a resistor to limit the current. If 
the over and undervoltage functions are not used, the 
OV/UV pin can be driven digitally through a current 
limiting resistor.
Figure 2 shows how to configure an overvoltage lockout 
(OVLO)  and/or undervoltage lockout (UVLO)  for the 
Figure 1. Chip States vs OV/UV Voltage Figure 2. Configurable OVLO and UVLO
LOCKOUT/
ACTIVE
75µA/
80µA
COVLO
CUVLO
8471 F02
OV/UV
1.18V
1.37V
LT8471
R3A
VIN1
R3B
(OPTIONAL) –
+
–
+
LOCKOUT
(POWER SWITCHES OFF,
SS CAPACITORS DISCHARGED)
LOCKOUT
(POWER SWITCHES OFF,
SS CAPACITORS DISCHARGED)
SHUTDOWN
(LOW QUIESCENT CURRENT)
OV/UV
SINKS > 80µA
OV/UV (V)
ACTIVE (NORMAL OPERATION)
1.37V
1.215V
0.3V
0.0V
8471 F01
LT847 1
 
RSA R35
RaA R33
RaA R33
RaA R33
VOVLO VUVLo
Vovm
Vovm 7 1
 
L7HEJWEGR 1 3
LT8471
13
8471fd
For more information www.linear.com/8471
LT8471. Comparator CUVLO detects undervoltage condi-
tions by comparing the OV/UV pin to typical thresholds 
of 1.215V (rising) and 1.18V (falling). The COVLO  com-
parator detects over voltage conditions by comparing the 
OV/UV pin current to typical thresholds of 80μA (rising) 
and 75μA (falling).
Possible reasons to use the UVLO and/or OVLO functions 
are as follows: A switching regulator draws constant power 
from the source, so source current increases as source 
voltage drops. This looks like a negative resistance load 
to the source and can cause the source to current-limit 
or latch up under low source voltage conditions. UVLO 
prevents the regulator from operating at source voltages 
where these problems might occur. The OVLO function 
is used to stop the switching regulator(s) in cases where 
the input supply voltage overshoots higher than desired.
As an example, VIN1 overvoltage and undervoltage thresh-
olds can be set independently by properly choosing R3A 
and R3B.  Use  the  following  formulas  to  determine  the 
resistor values:
R3A =VOVLO+
80µA
⎛
⎝
⎜
⎞
⎠
⎟–1.37 •VUVLO–
1.18 •80µA
⎛
⎝
⎜⎞
⎠
⎟
R3B =1.18
VUVLO–– 1.18
⎛
⎝
⎜
⎞
⎠
⎟•R3A
where:
  VOVLO+ is the desired rising OVLO threshold
  VUVLO– is the desired falling UVLO threshold
After R3A and R3B have been selected, the UVLO and OVLO 
rising and falling thresholds can be determined using:
VOVLO+=1.37 •R3A +R3B
R3B
⎛
⎝
⎜
⎞
⎠
⎟+80µA •R3A
VOVLO–=1.37 •R3A +R3B
R3B
⎛
⎝
⎜
⎞
⎠
⎟+75µA •R3A
VUVLO+=1.215 •R3A +R3B
R3B
⎛
⎝
⎜
⎞
⎠
⎟
VUVLO–=1.18 •R3A +R3B
R3B
⎛
⎝
⎜
⎞
⎠
⎟
where:
VOVLO+ and  VOVLO– are the rising and falling OVLO  
thresholds, respectively.
VUVLO+ and  VUVLO– are the rising and falling UVLO  
thresholds, respectively.
There are a few limitations in selecting the OVLO and UVLO 
threshold voltages. 
1. The UVLO threshold must be at least 2.6V so that it’s 
higher than the minimum operating voltage the input 
supply. If the UVLO function is not needed, R3B can be 
omitted and R3A can be calculated using:
R3A =VOVLO+– 1.37V
80µA
⎛
⎝
⎜
⎞
⎠
⎟
2. The following relationship must be satisfied:
V
OVLO+
VUVLO–>1.37
1.18 =1.16
1
As the ratio of VOVLO to VUVLO gets closer to 1.161, the 
required resistances for R3A and  R3B  become smaller, 
thus increasing the operating current.
applicaTions inForMaTion
LT847 1
Vom
fl 1.37'5V
 
LT8471
14
8471fd
For more information www.linear.com/8471
The following example shows how to select R3A and R3B 
to disable the LT8471 for VIN1 voltages  below 5V  and 
above 15V. 
First, check that the ratio of the OVLO to the UVLO thresh-
old is greater than 1.161. Here, the ratio is 15V/5V = 3V, 
which satisfies the second rule just mentioned.
Next, calculate:
R3A =
15V
80µA –
1.37 •5V
1.18 •80µA =114.9k
Choose R3A to be a standard value resistance of 118k. 
Next, calculate:
R3B =
1.18V
5V – 1.18V
⎛
⎝
⎜⎞
⎠
⎟•118k =36.5k
Choose R3B to be a standard value resistance of 36.5k.
After selecting the standard value resistors for R3A and 
R3B,  calculate  the  final  thresholds  using  the  formulas 
previously provided.
VOVLO+=1.37 •
118k
+
36.5k
36.5k
⎛
⎝
⎜⎞
⎠
⎟+80µA •118k
=15.24V
VOVLO–=1.37 •118k +36.5k
36.5k
⎛
⎝
⎜⎞
⎠
⎟+75µA •118k
=14.65V
VUVLO+=1.215 •118k +36.5k
36.5k
⎛
⎝
⎜⎞
⎠
⎟=5.14V
VUVLO–=1.18 •118k +36.5k
36.5k
⎛
⎝
⎜⎞
⎠
⎟=4.99V
Setting the Output Voltage (Primary Channels)
The output voltage is programmed with a resistor divider 
between the output and the FB pin. Choose 1% or better 
resistors according to:
RA=RB•VOUT
VFB
– 1
⎛
⎝
⎜
⎞
⎠
⎟
where  VFB  is  the  feedback  voltage (0.789V  typical  for 
positive VOUT and –0.788V for negative VOUT). Reference 
designators are as shown in the Block Diagram. 
For example, for VOUT = 10V, choose R1B = 10k, then 
choose: 
 
R1A =10k •
10V
0.789V – 1
⎛
⎝
⎜⎞
⎠
⎟115k
Start-Up Sequencing
Connecting one primary channel's PG pin to the other 
channel's SS pin is an easy way to sequence the start-up 
order of the outputs. For example, in most applications, 
connecting PG1 to SS2 will make the channel 1 output 
come up before the channel 2 output during the start-up. 
Because  the  skyhook  channel  does  soft-start  with  the 
SS1 pin (see more details in the Soft-Start section), the 
following guidelines need to be applied if both power-up 
sequencing and the skyhook channel are used:
1. Connect PG1 directly to SS2 to make channel 1's output 
come up first (see Figure 12). 
2. Connect a 147k resistor between PG2 and SS1 to make 
channel 2's output come up first. 
An example using a 147k resistor connected between PG2 
and SS1 is shown in Figure 9a. In this application, chan-
nel 1 is configured as a boost converter, and channel 2 is 
configured as a buck converter. The buck converter has 
to start up first as its output is connected to the input of 
the boost converter.
applicaTions inForMaTion
LT847 1
 
VOUT’VCC VD
Vom VD
‘VOUTI
IVOUT‘
 
VD Vom
VD VOUT
 
L7HEJWEGR 1 5
LT8471
15
8471fd
For more information www.linear.com/8471
Power Switch Duty Cycle (Primary Channels)
In order to maintain loop stability and deliver adequate 
current to the load, the internal power switches (Q1 and 
Q2 in the Block Diagram) cannot remain on for 100% of 
each clock cycle. The maximum allowable duty cycle is 
given by:
DCMAX =
T
P
–MIN
(OFF)TIME
TP
⎛
⎝
⎜
⎞
⎠
⎟•100%
where TP is the clock period and MIN(OFF)TIME is typically 
170ns (refer to the Electrical Characteristics section).
The application should be designed so that the steady state 
duty cycle does not exceed DCMAX. Duty cycle equations 
for several common topologies are given below, where VD 
is the diode forward voltage drop and VCESAT is typically 
300mV at 1.5A.
DCBOOST ≅
V
OUT
– V
CC +
V
D
VOUT +VD– VCESAT
DCBUCK ≅VOUT +VD
VCC +VD– VCESAT
DC1L _INV ≅VOUT +VD
VCC +VD– VCESAT +VOUT
DC2L _INV ≅VOUT +VD
VCC +VD– VCESAT +VOUT
DCSEPIC ≅VD+VOUT
VCC +VOUT +VD– VCESAT
DCZETA ≅VD+VOUT
VCC +VOUT +VD– VCESAT
where VCC is the positive input voltage to the DC/DC con-
verter. See the Typical Applications section for examples.
The LT8471 can be used in configurations where the duty 
cycle is higher than DCMAX, but it must be operated in the 
discontinuous conduction mode so that the effective duty 
cycle is reduced.
Inductor Selection (Primary Channels)
General Guidelines: The high frequency operation of 
the LT8471 allows for the use of small surface mount 
inductors.  For high efficiency,  choose inductors with 
high frequency core material, such as ferrite, to reduce 
core losses.  To improve efficiency,  choose inductors 
with more volume for a given inductance. The inductor 
should have low DCR (copper wire resistance) to reduce 
I2R losses, and must be able to handle the peak inductor 
current without saturating. Note that in some applications, 
the current handling requirements of the inductor can be 
lower, such as in the SEPIC topology, where each inductor 
only carries a fraction of the total switch current. Molded 
chokes or chip inductors usually do not have enough 
core area to support peak inductor currents in the 2A to 
3A range. To minimize radiated noise, use a toroidal or 
shielded inductor. Note that the inductance of shielded 
core types will drop more as current increases, and will 
saturate more easily. See Table 1 for a list of inductor 
manufacturers. Thorough lab evaluation is recommended 
to verify that the following guidelines properly suit the 
final application. 
Table 1. Inductor Manufacturers
VENDOR PART NUMBER WEB
Coilcraft MSS1038, MSS7341 and 
LPS4018 www.coilcraft.com
Coiltronics DR, LD and CD Series www.coiltronics.com
Sumida CDRH105R Series www.sumida.com
Würth Elektronik WE-LHMI and WE-TPC Series www.we-online.com
Minimum Inductance: Although there can be a trade-
off with efficiency,  it is often desirable to minimize 
board space by choosing smaller inductors.  When 
choosing an inductor, there are two conditions that 
limit the minimum inductance; (1) providing adequate 
load current, and (2) avoiding subharmonic oscillation. 
Choose an inductance that is high enough to meet both 
of these requirements.
applicaTions inForMaTion
LT847 1
 
DC - vCC
VouT 'om
Vac VOUT
Vom IOUT
Vac
Vow lam
Vcc
IVOUT‘ IOUT
Vcc
‘Vom‘ 'om
V00
‘Vourl IOUT
 
16
L7LJCUEN2
LT8471
16
8471fd
For more information www.linear.com/8471
Adequate Load Current: Small value inductors result in 
increased ripple currents and thus, due to the limited peak 
switch current, decrease the average current that can be 
provided to a load (IOUT). In order to provide adequate 
load current, L should be at least:
LBOOST >
DC •V
CC
2•f•ILIM –VOUT •IOUT
VCC •η
⎛
⎝
⎜
⎞
⎠
⎟
LBUCK >DC •(VCC – VOUT )
2•f•ILIM −VOUT •IOUT
VCC •η
⎛
⎝
⎜
⎞
⎠
⎟
LSEPIC >DC •VCC
2•f•ILIM –VOUT •IOUT
VCC •η– IOUT
⎛
⎝
⎜
⎞
⎠
⎟
L1L _INV >DC •VCC
2•f•ILIM –VOUT •IOUT
VCC •η
⎛
⎝
⎜
⎞
⎠
⎟
L2L _INV >DC •VCC
2•f•ILIM −VOUT •IOUT
VCC •η– IOUT
⎛
⎝
⎜
⎞
⎠
⎟
LZETA >DC •VCC
2•f•ILIM −VOUT •IOUT
VCC •η– IOUT
⎛
⎝
⎜
⎞
⎠
⎟
where:
L = L1||L2 for dual uncoupled inductor topologies.
L = L1 = L2 for dual-coupled inductor topologies.
DC = Switch duty cycle in steady state.
ILIM = Switch current limit, typically about 2.3A at 50% 
duty cycle (see the Typical Performance Characteristics 
section).
η = Power conversion efficiency (typically 88% for boost, 
75% for dual inductor, 85% for buck and 80% for 1L 
inverting topologies at high currents).
VCC = Positive input voltage to the DC/DC converter. See 
the Typical Applications section for examples.
f = Switching frequency.
Negative values of L indicate that the output load current 
IOUT  exceeds  the  switch  current  limit  capability  of  the 
LT8471.
Avoiding Subharmonic Oscillations: The LT8471’s internal 
slope compensation circuit will prevent subharmonic oscil-
lations that can occur when the duty cycle is greater than 
50%, provided that the inductance exceeds a minimum 
value. In applications that operate with duty cycles greater 
than 50%, the inductance must be at least:
LBOOST >
V
CC
•(2 •DC – 1)
(1– DC) •f
LSEPIC >VCC •(2 •DC – 1)
(1– DC) •f
L2L _INV >VCC •(2 •DC – 1)
(1– DC) •f
LBUCK >VCC •(2 •DC – 1)
f
L1L _INV >VCC •(2 •DC – 1)
(1– DC) •f
LZETA >VCC •(2 •DC – 1)
(1– DC) •f
where:
L = L1||L2 for dual uncoupled inductor topologies.
L = L1 = L2 for dual-coupled inductor topologies.
DC = Switch duty cycle in steady state.
VCC = Positive input voltage to the DC/DC converter. See 
the Typical Applications section for examples.
f = Switching frequency.
applicaTions inForMaTion
LT847 1
 
Vac VCESAT
‘VOUT IOUT‘ Vac
Vcc VCESAT ‘VOUT IOUT‘ Vac
Vcc VCESAT
‘VOUT IOUTI Vac
Vow VD
‘VOUT IOUTI Vac
(‘VOUT‘ VD
‘VOUT IOUTI Vcc
(‘VOUT‘ VD
VC E SAT
VC E SAT
VCESAT
VCESAT
VCESAT
 
L7 LJUW
17
LT8471
17
8471fd
For more information www.linear.com/8471
Maximum Inductance: Excessive inductance can reduce 
current ripple to levels that are difficult for the current 
comparator (A3 in the Block Diagram) to easily distinguish, 
thus causing duty cycle jitter and/or poor regulation. The 
maximum inductance can be calculated using:
LMAX =
V
CC −
V
CESAT
IMIN(RIPPLE) •f•DC
  for inverting, boost, ZETA and SEPIC topologies, or:
LMAX =
(1
−
DC)•V
CC −
V
CESAT
IMIN(RIPPLE) •f•DC
  for the buck topology.
where:
LMAX = L1||L2 for dual uncoupled inductor topologies.
LMAX = L1 = L2 for dual-coupled inductor topologies.
I(MIN)RIPPLE is typically 120mA.
DC = Switch duty cycle in steady state.
VCC = Positive input voltage to the DC/DC converter. See 
the Typical Applications section for examples.
f = Switching frequency.
Maximum Current Rating: Finally, the inductor(s) must 
be rated to handle the peak operating current to prevent 
inductor saturation resulting in efficiency loss. In steady 
state, the peak input inductor current (continuous conduc-
tion mode only) is given by:
I
L _PEAK =VOUT •IOUT
VCC •η+(VCC −VCESAT )•DC
2•L•f(BOOST)
I
L _PEAK =VOUT •IOUT
VCC •η+(VCC −VCESAT )•DC
2•L•f(1L_INV)
I
L _PEAK =IOUT +(VCC – VCESAT)•DC •(1−DC)
2•L•f(BUCK)
I
L1_PEAK =VOUT •IOUT
VCC •η+(VCC −VCESAT )•DC
2•L1•f(SEPIC)
I
L2_PEAK =IOUT +(VOUT +VD)•(1−DC)
2•L2 •f(SEPIC)
I
L1_PEAK =VOUT •IOUT
VCC •η+(VCC −VCESAT )•DC
2•L1•f(2L_INV)
I
L2_PEAK =IOUT +( VOUT +VD)•(1−DC)
2•L2 •f(2L_INV)
I
L1_PEAK =VOUT •IOUT
VCC •η+(VCC −VCESAT )•DC
2•L1•f(ZETA)
I
L2_PEAK =IOUT +( VOUT – VD)•(1−DC)
2•L
2
•f(ZETA)
Note that the inductor current can be higher during load 
transients. It can also be higher during start-up if inad-
equate soft-start capacitance is used.
applicaTions inForMaTion
LT8471
 
 
 
 
 
 
 
 
 
LT8471
18
8471fd
For more information www.linear.com/8471
Capacitor Selection (Primary Channels)
Low ESR (equivalent series resistance) capacitors should 
be used at the output to minimize the output ripple voltage. 
Multilayer ceramic capacitors are an excellent choice, as 
they have an extremely low ESR and are available in very 
small packages. X5R or X7R dielectrics are preferred, as 
these materials retain their capacitance over wider voltage 
and temperature ranges. A 4.7μF to 20μF output capaci-
tor is sufficient for most applications, but systems with 
very low output currents may need only a 1μF or 2.2μF 
output capacitor. Always use a capacitor with a sufficient 
voltage rating. Many capacitors rated at 2.2μF to 20μF, 
particularly 0805 or 0603 case sizes, have greatly reduced 
capacitance at the desired output voltage. Solid tantalum 
or OS-CON capacitors can be used, but they will occupy 
more board area than ceramic ones and will have higher 
ESR with greater output ripple.
Low ESR capacitors should also be used as the input de-
coupling capacitors, which should be placed as closely as 
possible to the LT8471. Ceramic capacitors make a good 
choice for this purpose. A 2.2μF to 4.7μF input capacitor 
is sufficient for most applications. 
Table 2 shows a list of several ceramic capacitor manufac-
turers. Consult the manufacturers for detailed information 
on their entire selection of ceramic capacitors. 
Table 2. Ceramic Capacitor Manufacturers    
VENDOR WEB
Kemet www.kemet.com
Murata www.murata.com
Taiyo-Yuden www.t-yuden.com
TDK www.tdk.com
Compensation Theory (Primary Channels)
Like  all  other  current  mode  switching  regulators,  the 
primary channels of LT8471 need to be compensated for 
stable and efficient operation. For each primary channel, 
two feedback loops are used—a fast current loop which 
does  not  require  compensation,  and  a  slower  voltage 
loop which does. In order to reduce the PCB footprint, the 
voltage loop compensation network is integrated inside 
the LT8471. Therefore, only the inductor and the output 
capacitor  are  available  for  adjusting  the  loop  stability. 
Standard bode plot analysis can be used to analyze and 
adjust the voltage feedback loop.
As with any feedback loop, identifying the gain and phase 
contribution of the various elements in the loop is critical. 
Figure 3 shows the key equivalent elements of a boost/
buck/inverting converter. Because of the fast current con-
trol loop, the power stage of the IC, inductor and diode 
have been replaced by a combination of the equivalent 
transconductance amplifier gmp and the current controlled 
current source (which converts IVIN to η • VIN • IVIN/VOUT  
for boost converters, IVIN to η • VIN • DC/VOUT for buck  
and  single  inductor  inverting  converters).  gmp  acts  as 
a current source where the peak input current, IVIN, is 
proportional to the VC voltage. η is the efficiency of the 
switching regulator, and is typically about 88%.
Note that the maximum output currents of gmp and gma 
are finite. The limits for gmp are in the Electrical Character-
istics section (switch current limit), and gma is nominally 
limited to about ±5μA.
applicaTions inForMaTion
Figure 3. Boost/Buck/Inverting Converter Equivalent Model
–
+
–
+
gma
RCRO
BOOST:
BUCK AND SINGLE
INDUCTOR INVERTING:
RB
CC: COMPENSATION CAPACITOR
COUT: OUTPUT CAPACITOR
CPL: PHASE LEAD CAPACITOR
gma: TRANSCONDUCTANCE AMPLIFIER INSIDE IC
gmp: POWER STAGE TRANSCONDUCTANCE AMPLIFIER
RC: COMPENSATION RESISTOR
RL: OUTPUT RESISTANCE DEFINED AS VOUT DIVIDED BY ILOAD(MAX)
RO: OUTPUT RESISTANCE OF gma
RA, RB: FEEDBACK RESISTOR DIVIDER NETWORK
RESR: OUTPUT CAPACITOR ESR
8471 F03
RA
COUT
CPL
RL
RESR
IVIN
VOUT
VC
CC
CF
gmp
REFERENCE
FB
• IVIN
η • VIN
VOUT
η • VIN • IVIN • DC
VOUT
LT847 1
 
 
 
 
DC Gain:
VIN R_
RB
RB
RA'RB
VIN
\ \ 1 Cic
Ra RC-RO
RL
7W
‘VOUT‘ VIN 2°“'DC°L
 
L7HEJWEGR 1 9
LT8471
19
8471fd
For more information www.linear.com/8471
From Figure 3, the DC gain, poles and zeros can be cal-
culated as follows:
DC Gain:
Boost Converters:
ADC =(gma •RO)•gmp •η•VIN
VOUT
•RL
2
⎛
⎝
⎜
⎞
⎠
⎟
•RB
RA+RB
Buck Converters:
ADC =(gma •RO)•gmp •(η•RL)•RB
RA+RB
Single Inductor Inverting Converters:
ADC =(gma •RO)•gmp •η•VIN
VIN +2•VOUT
•RL
⎛
⎝
⎜
⎞
⎠
⎟
•RB
RA+RB
Output Pole:
Boost Converters: P1=2
2•π•RL•COUT
Buck Converters: P1=1
2•π•RL•COUT
Single Inductor Inverting Converters:
P1=2•VOUT +VIN
2•π•RL•COUT •VIN +VOUT
( )
Error Amp Pole: P2 =
1
2•π•RO•CC
Error Amp Zero: Z1=1
2•π•RC•CC
ESR Zero:  Z2 =1
2•π•RESR •COUT
High Frequency Pole: P3> fS
3
Phase Lead Zero: Z4 =1
2•π•RA•CPL
Phase Lead Pole: P4 =1
2•π•CPL •RA•RB
RA+RB
Error Amp Filter Pole:
P5 =1
2•π•RC•RO
RC+RO
•CF
,CF<CC
10
RHP Zero:
Boost Converters: Z3 =(1−DC)2•RL
2•π•L
Buck Converters: Z3 = ∞
Single Inductor Inverting Converters:
 Z3 =(1−DC)2•RL
2•π•DC •L
applicaTions inForMaTion
LT847 1
 
 
 
 
 
 
 
 
 
 
 
20 L7ELUEN2
LT8471
20
8471fd
For more information www.linear.com/8471
Figure 4. Bode Plot for Example Buck Converter
FREQUENCY (Hz)
40
GAIN (dB)
80
120
10 10k 100k 1M
–20
0
100 1k
140
60
100
20
–225
PHASE (dB)
–135
–45
–360
–315
0
–180
–90
–270
8471 F04
GAIN
PHASE
70° AT
20kHz
Using the primary channel 1 in Figure 11a as an example, 
Table 3 shows the parameters used to generate the bode 
plot shown in Figure 4.
The previous discussion is  a  good start for  narrowing 
down the range of component values so that the overall 
design meets the stability requirements. To obtain good 
stability margin and transient response, some fine tuning 
of the external components, i.e., the inductor and output 
capacitor may be necessary.
Diode Selection (Primary Channels)
Schottky diodes, with their low forward-voltage drops and 
fast switching speeds, are recommended for use with the 
LT8471. Each of the primary channels need an external 
diode as the second switch. The diode conducts current 
only during the switch off-time. The average forward cur-
rent in normal operation can be calculated from:
  ID(AVG) = IOUT •(1–DC)
where IOUT is the output load current, and DC is the switch 
duty cycle in steady state. 
Choose a diode rated to handle at least ID(AVG). Diodes 
with higher current rating should be selected to handle 
increased current during start-up, load transient and/or 
output short. Choose a Schottky diode with low parasitic 
capacitance to reduce reverse current spikes through the 
power switch of the LT8471. In addition, when operating at 
high ambient temperatures and with high reverse voltages 
across the Schottky, choose diodes with lower reverse leak-
age current to avoid excessive heating in the diode. Table 
4 lists several Schottky diodes and their manufacturers.
Table 4. Diode Vendors
PARAMETER
VR  
(V)
IAVE  
(A)
VF AT 1A 
(mV)
VF AT 2A 
(mV)
Diodes, Inc. 
B120 
B130 
B220 
B230 
DFLS260L 
20 
30 
20 
30 
60
1 
1 
2 
2 
2
500 
500 
410
500 
500 
620
Microsemi 
UPS140  
40  
1 
450
Fairchild 
SS16  
60  
1 
700
International Rectifier 
10BQ030 
20BQ030 
30 
30
1 
2
420  
470 
470
applicaTions inForMaTion
In Figure 4, the phase is –110° when the gain reaches 0dB, 
giving a phase margin of 70°. The crossover frequency 
is 20kHz.
Table 3. Bode Plot Parameters
PARAMETER VALUE UNITS COMMENT
RL  3.3 Ω Application Specific
COUT  94 μF Application Specific
RESR  1 mΩ Application Specific
RO1.35 MΩ Not Adjustable
CC  1 nF Not Adjustable
CF10 pF Not Adjustable
CPL 0 pF Optional/Adjustable
RC  155 kΩ Not Adjustable
RA319 kΩ Adjustable
RB59 kΩ Adjustable
VOUT 5 V Application Specific
VIN 12 V Application Specific
gma 70 μmho Not Adjustable
gmp 7.3 mho Not Adjustable
L  10 μH Application Specific
fS0.45 MHz Adjustable
LT847 1
Vcc (loun DC1 Iomz D02
L7 LJUW 2 1
LT8471
21
8471fd
For more information www.linear.com/8471
Skyhook Configuration Requirements
The Skyhook provides the boosted VIN voltage required 
for channels operating in the high side configuration. High 
side channels have their respective C pin tied to a posi-
tive DC voltage supply (usually VCC) while the respective 
E pin toggles. The channel’s VIN pin should be at least 
2.2V (typical) higher than the respective C pin to provide 
adequate base drive for the NPN power switch. Internal 
circuits monitor the voltage difference between VIN1 and 
E1 (and VIN2  and E2).  If the  voltage  difference is  less 
than 2.2V (typical), the power switch will be turned off 
immediately for that clock cycle. Increasing voltage dif-
ference between VIN and the respective C pin increases 
power loss and reduces efficiency. VIN must not be more 
than 40V higher than the respective C pin for high side 
configurations. If use of Skyhook channel is not desired, 
then the boosted VIN voltage can instead be provided by 
an external power supply or by the output of the opposite 
channel if the voltage is high enough.
The Skyhook output (SHOUT) is regulated to ~4.25V above 
the C2 pin voltage and can be connected to the appropriate 
VIN pin(s) as shown in the Typical Applications section. 
When in use, the Skyhook can only be configured as a 
boost converter (i.e., as in Figure 1a). Also, since SHOUT 
is  regulated  to ~4.25V  above C2,  the  C2  pin  must  be 
connected to a DC voltage (usually VCC) and must not be 
toggling. Because of this requirement, if channel 2 is used 
while the Skyhook is operating, channel 2 must be in the 
high side configuration such as buck or single-inductor 
inverting. If not being used, the Skyhook channel can be 
disabled by connecting the C3 pin to ground. When the 
Skyhook channel is disabled VIN1 current is reduced.
Capacitor and Diode Selection (Skyhook)
A low ESR capacitor should be used at the Skyhook output 
to minimize voltage ripple. Ceramic capacitors make a 
good choice for this (see the discussion in the Capacitor 
Selection (Primary Channels) section). The capacitor value 
can  affect  stability.  Read  the  upcoming  Compensation 
(Skyhook) section for more information.
For  the  best  noise  performance,  the  Skyhook  output 
capacitor should be connected from SHOUT to GND, and 
the capacitors should be placed close to the pins (VIN1 
or VIN2) that SHOUT is shorted to. The Skyhook output 
capacitor can also be connected from SHOUT to the C2 
pin (usually VCC), as shown in Figure 9a. By doing this, the 
output voltage of the Skyhook, or the boosted base drive 
voltage for the  primary channels will have better tracking 
with the supply voltage of the channel. In addition, the 
voltage across the capacitor is lower, thus reducing the 
size and required voltage rating of the capacitor. 
The Skyhook has a Schottky diode built on-chip. Nev-
ertheless, an external Schottky diode can be connected 
from C3 to SHOUT to improve performance when load 
currents are high. The diode choice can be made based 
on the discussion in the Diode Selection (Primary Chan-
nels) section. The output current (IOUT) for the Skyhook 
channel can be estimated as:
IOUT ≅
(V
CC +
4.25V)•(I
OUT1
•DC
1+
I
OUT2
•DC
2
)
β•VCC •η
where:
VCC = Input voltage of the Skyhook.
IOUT1 = Average output current of channel 1 if VIN1 is 
connected to SHOUT (0 otherwise).
IOUT2 = Average output current of  channel 1 if  VIN2 is 
connected to SHOUT (0 otherwise).
DC1 = Duty cycle of channel 1 in steady state.
DC2 = Duty cycle of channel 2 in steady state.
η = Power conversion efficiency of the Skyhook (typically 
87%).
β = Channel 1/channel 2 power switch beta (typically 35)
applicaTions inForMaTion
LT847 1
 
4.25v vDSH
(low Iomz
2
i 1 Vcc‘to
L
DCSH Vac
Vcc (low 'omz
 
22 L7ELUEN2
LT8471
22
8471fd
For more information www.linear.com/8471
Inductor Selection (Skyhook)
The general guidelines are the same as the ones for pri-
mary channels, and can be found in the previous section.
Minimum Inductance: There are three conditions that limit 
the minimum inductance for the Skyhook boost converter: 
1. Provide adequate load current; 
2. Avoid excessive power switch current overshoot; 
3. Maintain good loop stability (see the subsequent Com-
pensation (Skyhook) section). 
Choose an inductance that satisfies the minimum require-
ments for  all  three  criteria.  At  least 20% of  additional 
margin is recommended for the inductance.
Adequate Load Current: Starting by assuming the Skyhook 
operates in  discontinuous  mode (DCM),  the  minimum 
inductance (LDCM(MIN)) to provide adequate load current is:
LDCM(MIN) >
(I
OUT1
•DC1
+
I
OUT2
•DC2)•4.25V •2
35 •η•f•I
LIM
2
Next, verify if the Skyhook will actually operate in DCM 
with the following inequality:
ILIM •LDCM(MIN) •f•1
VCC
+1
4.25V
⎛
⎝
⎜
⎞
⎠
⎟<
1
If this inequality is true, then the Skyhook will operate in 
DCM, and IDCM(MIN) is the minimum inductance needed 
to provide adequate load current. Otherwise, the Skyhook 
will operate in continuous mode (CCM) when providing 
maximum  load  current,  and  the  minimum  inductance 
(LCCM(MIN)) needed is:
L
CCM(MIN) >
DCSH •VCC
2•f•ILIM –(VCC +4.25V) •(IOUT1 •DC1+IOUT2 •DC2)
35 •VCC •η
⎛
⎝
⎜
⎞
⎠
⎟
where: 
DCSH = Skyhook duty cycle in steady state:
DCSH ≅
4.25V
+
V
DSH
VC2 +4.25V +VDSH
VDSH = Skyhook  diode  forward  voltage  drop (see  the 
Electrical Characteristics section).
VCC= Input voltage of the Skyhook.
ILIM = Skyhook switch fault current limit, typically 500mA.
IOUT1 = Average output current of channel 1 if VIN1 is 
connected to SHOUT (0 otherwise).
IOUT2 = Average output current of  channel 2 if  VIN2 is 
connected to SHOUT (0 otherwise).
DC1 = Duty cycle of channel 1 in steady state.
DC2 = Duty cycle of channel 2 in steady state.
η = Power conversion efficiency of Skyhook (typically 87%).
f = Switching frequency.
Skyhook Power Switch Current Overshoot: In order to 
avoid excessive current overshoot in the Skyhook power 
switch, LOS(MIN) should be:
LOS(MIN) >
V
CC
•t
D
I
OS
where:
VCC = Input voltage of the Skyhook.
tD = Skyhook fault current limit comparator delay (typi-
cally 50ns).
IOS = The amount of overshoot current that can be toler-
ated (typically 100mA).
Current Rating: The maximum switch current limit for 
the Skyhook is 500mA. Choose an inductor that has a 
saturation current of 500mA or higher to avoid saturating 
the inductor.
applicaTions inForMaTion
LT847 1
 
 
 
 
 
 
 
 
Vum ’ VIN VD m
m 12V+045V7021V
VDUT"0UT 12V-0,67A
Vw mas-5v
Vw"w'DC 5V'185A-DEDB
as ea
 
 
 
 
 
 
 
L7 LJUW
23
LT8471
23
8471fd
For more information www.linear.com/8471
Table 5. LT8471 Power Dissipation
DEFINITION OF VARIABLES EQUATIONS DESIGN EXAMPLE VALUE
DC = Switch Duty Cycle
DC =
V
OUT
– V
IN +
V
D
V
OUT
+V
D
– V
CESAT
DC =
12V – 5V
+
0.45V
12V +0.45V – 0.21V
DC = 60.9%
IIN = Average Switch Current
η = Power Conversion Efficiency 
(typically 88% at high currents)
I
IN =
V
OUT
•I
OUT
η•V
IN
IIN =
12V •0.67A
0.88 •5V
IIN = 1.85A
PSWDC = Switch I2R Loss (DC)
RSW = Switch Resistance  
(typically 200mΩ)
PSWDC = DC•IIN2•RSW PSWDC=0.609•(1.85A)2•200mΩ PSWDC = 417mW
PSWAC = Switch Dynamic  
Loss (AC) PSWAC = 13ns•IIN•VOUT•fOSC PSWAC = (13ns)•1.85A•12V•(1MHz) PSWAC = 289mW
PBDC = Base Drive Loss (DC)
P
BDC =
V
IN
•I
IN
•DC
38
P
BDC =
5V •1.85A •0.609
38
PBDC = 148mW
PINP = Input Power Loss PINP = 2.5mA•VIN PINP = 2.5mA•5V PINP = 12.5mW
PTOTAL = (PSWDC + PSWAC + PBDC)•2+PINP PTOTAL=(0.417+0.289+0.148)•2+0.0125 PTOTAL = 1.72W
Compensation (Skyhook)
Like the primary channels, the Skyhook is internally com-
pensated, and the loop stability is adjusted through the 
inductor and the output capacitor. In most applications, 
a 15μH  Skyhook  inductor  such  as  Würth 744025150.
and a 0.47μF Skyhook output capacitor (C3 in the Block 
Diagram) will give good stability. For high input voltage 
applications,  more  inductance  is  typically  required  to 
reduce the current overshoot.
A good technique to compensate the Skyhook regulator 
is to start with a 15μH Skyhook inductor and a 0.47μF 
output capacitor (C3 in the Block Diagram), and use the 
subsequent list to make additional adjustments if needed.
More output capacitance (C3 in the Block Diagram) can 
help with:
• Reducing the SHOUT overshoot and undershoot during 
primary channel(s) load steps.
Less output capacitance (C3 in the Block Diagram) can 
help with:
• Improving loop stability.
• Reducing peak inductor current during start-up. 
More Skyhook inductance can help with:
• Reducing peak inductor current.
Less Skyhook inductance can help with:
• Improving loop stability when the SHOUT current load is 
consistently high (i.e., the primary channel(s) powered 
by SHOUT is switching every cycle). 
Adding a resistor between SHOUT and C2, to introduce a 
few mA of constant load, can help with:
• Improving the loop stability, SHOUT undershoot and 
overshoot when the SHOUT current load is consistently 
very  light (i.e.,  the  primary  channel(s)  powered  by 
SHOUT is not switching every cycle).
Thermal Considerations
For  the  LT8471  to  deliver  its  full  output  power,  it  is 
imperative that a good thermal path be provided to dis-
sipate the heat generated within the package. This can be 
accomplished by taking advantage of the thermal pad on 
the underside of the IC. It is recommended that multiple 
vias in the printed circuit board be used to conduct heat 
away from the IC and into a copper plane with as much 
area as possible.
applicaTions inForMaTion
LT8471
LT8471
24
8471fd
For more information www.linear.com/8471
Power and Thermal Calculations
Power dissipation in the LT8471 chip comes from four 
primary sources:  switch  I2R  losses,  switch dynamic 
losses,  NPN  base  drive  DC  losses,  and  miscellaneous 
input current losses. These formulas assume continuous 
mode operation, so they should not be used for calculating 
thermal losses or efficiency in discontinuous mode or at 
light load currents.
The following example calculates the power dissipation 
in the LT8471 for a particular boost application on both 
CH1 and CH2 (VIN = 5V, VOUT = 12V, IOUT = 0.67A, fOSC 
= 1MHz, VD = 0.45V, VCESAT = 0.21V).
To calculate die junction temperature, use the appropriate 
thermal resistance number and add in worst-case ambient 
temperature:
  TJ = TA + θJA•PTOTAL
where TJ = Die Junction Temperature, TA = Ambient Tem-
perature, PTOTAL is the final result from the calculations 
shown in Table 5, and θJA is the thermal resistance from 
the silicon junction to the ambient air.
The θJA value is 38°C/W for the 20-lead TSSOP package 
and 44°C/W for the 28-lead (4mm × 5mm) QFN package. In 
practice, lower θJA values can be realized if board layout is 
performed with appropriate grounding (accounting for heat 
sinking properties of the board) and other considerations 
listed in the Layout Guidelines section. 
Thermal Lockout
A fault condition occurs when the die temperature exceeds 
164°C (see Operation Section), and the part goes into 
thermal lockout. The fault condition ceases when the die 
temperature drops by ~1.5°C (nominal).
VIN Ramp Rate
While initially powering a switching converter application, 
the VIN ramp rate should be limited. High VIN ramp rates can 
cause excessive inrush currents in the passive components 
of the converter. This can lead to current and/or voltage 
overstress and may damage the passive components or 
the chip. Ramp rates less than 500mV/μs, depending on 
component parameters, will generally prevent these issues. 
Also, be careful to avoid hot-plugging. Hot-plugging occurs 
when an active voltage supply is “instantly” connected or 
switched to the input of the converter. Hot-plugging results 
in very fast input ramp rates and is not recommended. 
Finally, for more information, refer to Linear application 
note AN88, which discusses voltage overstress that can 
occur when an inductive source impedance is hot-plugged 
to an input pin bypassed by ceramic capacitors.
Layout Guidelines
As with all high frequency switchers, when considering 
layout, care must be taken to achieve optimal electrical, 
thermal and noise performance. One will not get advertised 
performance with a careless layout. To prevent noise, both 
radiated and conducted, the high speed switching current 
paths must be kept as short as possible. For each channel, 
the high speed switching current flows in a loop through 
the following components: 
• Boost: NPN power switch (C-E pins), external Schottky 
diode and output capacitor
• Buck: NPN power switch (C-E pins), external Schottky 
diode and input capacitor
• 1L Inverting: NPN power switch (C-E pins), external 
Schottky diode, input capacitor and output capacitor
The area inside the loop formed by these components 
should be kept as small as possible. This is implemented 
in the suggested layouts shown in Figure 5, Figure 6 and 
Figure 7. Shortening the loop will also reduce the para-
sitic trace inductance. As the NPN switch turns off, the 
parasitic inductance can produce a flyback spike across 
the LT8471 switch. When operating at higher currents 
and  output voltages,  with poor layout,  the spike can 
generate voltages across the switch that may exceed its 
absolute maximum rating. A ground plane should also 
be used under the switcher circuitry to prevent interplane 
coupling and overall noise. However, there should be 
no ground plane under the planes that are connected to 
applicaTions inForMaTion
L7Lé£k§l§g
LT847 1
 
25
LT8471
25
8471fd
For more information www.linear.com/8471
Figure 5. Suggested Component Placement for a Buck and Single-Inductor Inverting Converter (TSSOP Package)
applicaTions inForMaTion
8471 F05
1L INV
CHANNEL 2
BUCK
CHANNEL 1
GND
D1
L1
L2
L3
SHOUT
C3
D2
VOUT2
VCC
CVCC
VOUT1
CVOUT1 CVOUT2
CVIN1 CVIN2
CVCC
CVCC
C1
E1
VIN1
C2
E2
VIN2
21
1
2
3
4
5
6
7
8
9
10
20
19
18
17
16
15
14
13
12
11
VIAS TO GROUND PLANE REQUIRED 
TO IMPROVE THERMAL PERFORMANCE
VIAS TO VIN1 
VIAS TO VCC
SKYHOOK
the switching pins to keep the stray capacitance on the 
switching pins small.
Board layout also has a significant effect on thermal re-
sistance. The exposed package ground pad is the copper 
plate that runs under the LT8471 die. This is a good thermal 
path for conducting heat out of the package. Soldering the 
pad onto the board reduces die temperature and increases 
the  power  capability  of  the  LT8471.  Provide  as  much 
copper area as possible around this pad. Adding multiple 
feedthroughs around the pad to the ground plane will also 
help. Figure 5, Figure 6, Figure 7 and Figure 8 show the 
recommended component placement for various DC/DC 
converter topologies.
LT847 1
 
26 Lmim
LT8471
26
8471fd
For more information www.linear.com/8471
Figure 6. Suggested Component Placement for a SEPIC and Boost Converter (TSSOP Package)
applicaTions inForMaTion
8471 F06
BOOST
CHANNEL 2
SEPIC
CHANNEL 1
L1
C1
L3
SHOUT
C3
D2
VOUT2
VOUT1
CVOUT1
D1
CVOUT2
CVIN1
CVIN2
CVCC
L2
C1
E1
VIN1
C2
E2
VIN2
21
1
2
3
4
5
6
7
8
9
10
20
19
18
17
16
15
14
13
12
11
VIAS TO GROUND PLANE REQUIRED 
TO IMPROVE THERMAL PERFORMANCE
VIAS TO VIN1 
VIAS TO VCC
VCC
GND
L7Lé£k§l§g
LT847 1
 
27
LT8471
27
8471fd
For more information www.linear.com/8471
applicaTions inForMaTion
Figure 7. Suggested Component Placement for a Boost and Dual-Inductor Inverting Converter (TSSOP Package)
8471 F07
2L INV
CHANNEL 2
BOOST
CHANNEL 1
D1
L1 L2
SHOUT
C3
C1
VOUT2
VOUT1
CVOUT2
CVIN1 CVIN2
CVCC
C1
E1
VIN1
C2
E2
VIN2
21
1
2
3
4
5
6
7
8
9
10
20
19
18
17
16
15
14
13
12
11
L3
D2
VIAS TO GROUND PLANE REQUIRED 
TO IMPROVE THERMAL PERFORMANCE
VIAS TO VIN1 
VIAS TO VCC
GND
VCC
 
LT8471
28
8471fd
For more information www.linear.com/8471
Figure 8. Suggested Component Placement for a Buck and Single-Inductor Inverting Converter (QFN Package)
applicaTions inForMaTion
8471 F08
IL INV 
CHANNEL 2
SKYHOOK
BUCK
CHANNEL 1
C1 C2
C3
E2
L2
D2
VIN1 VIN2
CVOUT2
CVCC
CVCC
CVCC
E1
D1
SHOUT
VCC GND
910 11 12 13
28 27 26 25 24
14
23
6
5
4
3
2
1
7
17
18
19
20
21
22
16
815
CVOUT1
CVIN1 CVIN2
VOUT1 VOUT2
L1
L3
VIAS TO GROUND PLANE REQUIRED 
TO IMPROVE THERMAL PERFORMANCE
VIAS TO VIN1 
VIAS TO VCC
29
LT847 1
 
 
H l—
 
«H |-
 
 
LL; 3
 
 
 
 
 
 
 
 
 
 
 
 
 
 
 
 
 
 
 
 
 
 
L7 LJUW
 
 
$ 2f
F"
I
”‘7
 
 
g
29
LT8471
29
8471fd
For more information www.linear.com/8471
Typical applicaTions
Figure 9a. Wide Input Range Buck Converter with 3.3V Output and Boost Converter with 18V Output at 400kHz
Figure 9b. Start-Up Waveforms Figure 9c. Load Step on VOUT1 from 40mA to 135mA to 40mA
IL2
500mA/DIV
IL1
500mA/DIV
VOUT1
5V/DIV
VOUT2
2V/DIV
8471 F09b
5ms/DIV
IL2
500mA/DIV
IL1
500mA/DIV
VOUT2
100mV/DIV
AC-COUPLED
VOUT1
500mV/DIV
AC-COUPLED
8471 F09c
500µs/DIV
RTSYNC
LT8471
8471 F09a
SHOUT 
VIN2
VIN1
SS1
C3
SS2
OV/UV
E1
C2
FB2
E2
GND
C1
FB1
VOUT1 
18V
150mA
VOUT2 
3.3V
0.8A
C2
22µF
×5
D1
C3
1µF
C4
2.2µF
C5
2.2µF
0.1µF 215k
PG2
PG1
27.4k
604k
100k
31.6k
C1
22µF
×4
VCC
5.3V TO 28V C6
2.2µF
D2
L2
15µH
100k
147k
L1
33µH
0.1µF
280k
432k
L3
15µH
C1: 25V, X7R, 1206
C2, C3, C6: 10V, X7R, 1206
C4: 50V, X7R, 1206
C5: 50V, X7R, 1206
D1: MICROSEMI UPS140
L1: SUMIDA CDRH105RNP-330NC
L2: COILCRAFT MSS1038-153
L3: WÜRTH 744025150
LT847 1
 
 
 
 
 
 
 
 
 
 
 
 
 
 
 
 
 
 
 
 
 
 
 
 
 
 
 
 
 
 
 
 
 
 
 
 
 
 
 
 
 
 
 
 
 
 
 
 
 
 
 
 
 
1'“
:E05 f :Z-é-
E D %
i r LT
J T $ __
‘v
/ w\\\
\
 
 
 
 
 
 
 
 
 
LT8471
30
8471fd
For more information www.linear.com/8471
Typical applicaTions
Figure 10a. Tracking* ±12V Supplies from 6V to 36V Input at 800kHz
Figure 10b. Efficiency and Power Loss 
(VCC = 18V, Load from VOUT1 to VOUT2)
Figure 10c. 12V and –12V Outputs vs Load Current 
(VCC = 18V, Load from VOUT1 to VOUT2)
Figure 10d. Load Step Between VOUT1 and VOUT2 from 150mA to 780mA to 150mA (VCC = 18V)
0
20
60
100
40
80
LOAD CURRENT (A)
EFFICIENCY (%)
POWER LOSS (W)
0
1
3
5
2
4
8471 F10b
00.2 0.4 0.6 0.8 1.0
EFFICIENCY 
POWER LOSS
LOAD CURRENT (A)
VOUT1 (V)
VOUT2 (V)
–12.10
–12.14
–12.22
–12.30
–12.18
–12.26
12.00
12.04
12.12
12.20
12.08
12.16
8471 F10c
00.2 0.4 0.6 0.8 1.0
VOUT1 = 12V 
VOUT2 = –12V 
8471 F10d
2.2ms/DIV
IL2
1A/DIV
IL1
1A/DIV
VOUT2
500mV/DIV
AC-COUPLED
VOUT1
500mV/DIV
AC-COUPLED
RTSYNC
LT8471
8471 F10a
SHOUT 
VIN2
VIN1
SS2
C3
SS1
OV/UV
E1
C2
FB2
E2
GND
C1
FB1
VOUT1 
12V 1.1A (VCC = 36V)
1.02A (VCC = 27V)
0.92A (VCC = 18V)
0.7A (VCC = 10V)
0.4A (VCC = 6V)
1.1A (VCC = 36V)
1.02A (VCC = 27V)
0.92A (VCC = 18V)
0.7A (VCC = 10V)
0.4A (VCC = 6V)
C1: 25V, X7R, 1206
C2, C3: 10V, X7R, 1206
C4, C5, C8: 50V, X7R, 1206
C6: 100V, X7R, 1206
C7: 6.3V, X7R, 0603
D1: DIODES INC SBR3U100LP-7
D2: MICROSEMI UPS140
L1: COOPER BUSSMANN DRQ74-150-R
L2: COILCRAFT MSS1038-123
L3: WÜRTH 744025 150
VOUT2 
–12V
C2
22µF
×2
C3
1µF
L1A, 15µH
D2
L2
12µH
L1B
15µH
L3
15µH
C8
2.2µF
C4
2.2µF
C5
2.2µF
0.1µF 107k
0.1µF
453k
VCC
6V TO 36V
PG1 PG2
232k
20k
287k
287k
20k
C1
22µF
×2
C6
1µF D1
•
•
C7
47nF
*OUTPUTS DO NOT TRACK DURING START-UP
LT847 1
 
 
L7 LJUW 3 1
LT8471
31
8471fd
For more information www.linear.com/8471
Typical applicaTions
Figure 11a. Wide Input Range Converter with ±5V Output Voltages at 450kHz
Figure 11c. Start-Up/Dropout Performance
VCC Is Ramped from 0V Up to 6V and Then Back 
Down to 0V. Channel 1 Output Voltage Is Loaded 
by a 100Ω Resistor
VCC Is Ramped from 0V Up to 6V and Then Back 
Down to 0V. Channel 1 Output Voltage Is Loaded 
by a 5Ω Resistor
Figure 11d. Start-Up/Dropout Performance
Figure 11b. Efficiency and Power Loss (Load from VOUT1 to VOUT2)
8471 F11c
100ms/DIV
1V/DIV
VCC
VOUT1
8471 F11d
100ms/DIV
1V/DIV
VCC
VOUT1
RTSYNC
LT8471
8471 F11a
SHOUT 
VIN2
VIN1
SS2
C3
SS1
OV/UV
E1
C2
FB2
E2
GND
C1
FB1 VOUT1 
5V 1.6A (VCC = 6V)
1.5A (VCC = 18V)
1.5A (VCC = 32V)
0.65A (VCC = 6V)
0.95A (VCC = 18V)
1.05A (VCC = 32V)
C1, C2: 10V, X7R, 1210
C3, C4, C5, C6, C7: 50V, X7R, 1206
D1, D2: DIODES INC SBR3U100LP-7
L1: WÜRTH 74437346 100
L2: WÜRTH 74437346 100
L3: WÜRTH 744025 150
VOUT2 
–5V
C2
47µF
×2
D2
L2
10µH
L3
15µH
C6
1µF
C4
2.2µF
C7
2.2µF
C5
2.2µF
0.1µF 187k
0.1µF
PG1
PG2
59k
316k
316k
59k
C3
1µF
C1
47µF
×2
VCC
6V TO 32V
D1
L1
10µH
100k
100k
475k
POWER LOSS
0
20
40
60
80
10
30
50
70
90
LOAD CURRENT (A)
EFFICIENCY (%)
POWER LOSS (W)
0
1
3
2
4
8471 F11b
00.2 0.4 0.6 0.8 1.0
EFFICIENCY
6V
18V
32V
VCC =
LT8471
 
 
 
 
 
 
 
1—,M
_L ,r‘
I—E J
'l— —:
—M— _L
—w»— T
 
 
 
 
 
 
 
 
”H—I’T
 
 
 
 
 
 
L7 LINE/“2
LT8471
32
8471fd
For more information www.linear.com/8471
Typical applicaTions
Figure 12. Boost Converter with 24V Output and Buck Converter with 5V Output at 550kHz
RTSYNC
LT8471
8471 F12
SHOUT 
VIN2
VIN1
SS1
C3
SS2
OV/UV
E1
C2
FB2
E2
GND
C1
FB1
VOUT1 
24V 0.5A (VCC = 12V)
0.75A (VCC = 16V)
C1, C4: 35V, X7R, 1206
C2: 10V, X7R, 1206
C3, C5: 25V, X7R, 1206
D1, D2: MICROSEMI UPS140
L1, L2: WÜRTH 74437346082
VOUT2 
5V
1.25A
C2
22µF
×2
D1
C4
2.2µF
C3
2.2µF
C5
2.2µF
0.1µF 154k
0.1µF
PG2
PG1
15k
442k
80.6k
15k
C1
10µF
×3
VCC
12V TO 18V
D2
L2
8.2µH
100k
255k
L1
8.2µH
LT847 1
 
 
i <7 eoureeu‘="" freq="" (2527="" mm="" ’7ijjijijiiiiiiiiiiiieiii="" j1="" 5+3?)="" 4‘="" [="" flflflflflflflfl="" l="" \="" 9"“="" 1i="" ,7’nnnnnnq1qmnil="" ,,,,,="" 4="" 4="" e="" j="" hhhhhhhhhh="" pm="" ‘="" (my,="" my="" '="" 7="" ‘="" a="" ‘="" m="" 7="" ‘="" [0035="" ,="" dun)="" ~="">
‘ (an;
 
Ea
065
m4 ‘9 M
Ma? [WWW
(UEI777L7HB)
 
L7 LJUW 3 3
7>LT8471
33
8471fd
For more information www.linear.com/8471
package DescripTion
Please refer to http://www.linear.com/designtools/packaging/ for the most recent package drawings.
FE20 (CB)  TSSOP REV J 1012
0.09 – 0.20
(.0035 – .0079)
0° – 8°
0.25
REF
RECOMMENDED SOLDER PAD LAYOUT
0.50 – 0.75
(.020 – .030)
  4.30 – 4.50*
(.169 – .177)
1 3 4 5678 9 10
111214 13
  6.40 – 6.60*
(.252 – .260)
3.86
(.152)
2.74
(.108)
20 1918 17 16 15
1.20
(.047)
MAX
0.05 – 0.15
(.002 – .006)
0.65
(.0256)
BSC 0.195 – 0.30
(.0077 – .0118)
TYP
2
2.74
(.108)
0.45 ±0.05
0.65 BSC
4.50 ±0.10
6.60 ±0.10
1.05 ±0.10
3.86
(.152)
MILLIMETERS
(INCHES) *DIMENSIONS DO NOT INCLUDE MOLD FLASH. MOLD FLASH 
  SHALL NOT EXCEED 0.150mm (.006") PER SIDE
NOTE:
1. CONTROLLING DIMENSION: MILLIMETERS
2. DIMENSIONS ARE IN
3. DRAWING NOT TO SCALE
SEE NOTE 4
4. RECOMMENDED MINIMUM PCB METAL SIZE
    FOR EXPOSED PAD ATTACHMENT
6.40
(.252)
BSC
FE Package
20-Lead Plastic TSSOP (4.4mm)
(Reference LTC DWG # 05-08-1663 Rev J)
Exposed Pad Variation CB
LT8471
CECE:
 
L7LJCUEN2
 
 
 
 
 
\ 333:
 
 
 
 
 
 
4 EEmEEmf
 
 
_\
¥ * E
1Dqu H
Efl \ xxxxxxx ,
nu
inn.
HT;
:0 ,,,,,,,
 
 
 
 
 
 
 
 
ffiBElfhflfiBfi
 
 
 
 
 
7%
III
ESL, W,
[b
EEI
7 \
 
 
 
 
1
34
LT8471
34
8471fd
For more information www.linear.com/8471
package DescripTion
Please refer to http://www.linear.com/designtools/packaging/ for the most recent package drawings.
4.00 ±0.10
(2  SIDES)
2.50 REF
5.00 ±0.10
(2  SIDES)
NOTE:
1. DRAWING PROPOSED TO BE MADE A JEDEC PACKAGE OUTLINE MO-220 VARIATION (WXXX-X).
2. DRAWING NOT TO SCALE
3. ALL DIMENSIONS ARE IN MILLIMETERS
4. DIMENSIONS OF EXPOSED PAD ON BOTTOM OF PACKAGE DO NOT INCLUDE 
    MOLD FLASH. MOLD FLASH, IF PRESENT, SHALL NOT EXCEED 0.15mm ON ANY SIDE
5. EXPOSED PAD SHALL BE SOLDER PLATED
6. SHADED AREA IS ONLY A REFERENCE FOR PIN 1 LOCATION
    ON THE TOP AND BOTTOM OF PACKAGE
PIN 1
TOP MARK
(NOTE 6)
0.40 ±0.10
27 28
1
2
BOTTOM VIEW—EXPOSED PAD
3.50 REF
0.75 ±0.05 R = 0.115
TYP
R = 0.05
TYP
PIN 1 NOTCH
R = 0.20 OR 0.35
× 45° CHAMFER
0.25 ±0.05
0.50 BSC
0.200 REF
0.00 – 0.05
(UFD28) QFN 0506 REV B
RECOMMENDED SOLDER PAD PITCH AND DIMENSIONS
APPLY SOLDER MASK TO AREAS THAT ARE NOT SOLDERED
0.70 ±0.05
0.25 ±0.05
0.50 BSC
2.50 REF
3.50 REF
4.10 ±0.05
5.50 ±0.05
2.65 ±0.05
3.10 ±0.05
4.50 ±0.05
PACKAGE OUTLINE
2.65 ±0.10
3.65 ±0.10
3.65 ±0.05
UFD Package
28-Lead Plastic QFN (4mm × 5mm)
(Reference LTC DWG # 05-08-1712 Rev B)
LT847 1
 
 
 
 
 
 
 
 
 
L7 LJUW
35
LT8471
35
8471fd
For more information www.linear.com/8471
Information furnished  by  Linear  Technology Corporation  is  believed  to  be  accurate  and  reliable.  
However, no responsibility is assumed for its use. Linear Technology Corporation makes no representa-
tion that the interconnection of its circuits as described herein will not infringe on existing patent rights.
revision hisTory
REV DATE DESCRIPTION PAGE NUMBER
A 06/14 Clarified Applications Information 
Clarified Typical Applications 14 
28, 29, 30, 31, 34
B 08/14 Clarified Operation Paragraph
Clarified Applications Information 2nd Paragraph
Clarified Typical Application
9
10
34
C 05/15 Added H-Grade Option 2, 3, 4
D 09/15 Added QFN Package Option
Added Zeta Configuration in Skyhook Channel Description
Clarified Voltages to 1.4V 
Clarified Figure to 9A on Start-Up Sequencing Description
Clarified Figure to 11A on Start-Up Sequencing Description
Clarified Figure to 9A on Capacitor and Diode Selection Description
Added QFN θJA
Clarified Figure 5 (for TSSOP Package) added Reference to Figure 8
Clarified Figure 5 (for TSSOP Package)
Clarified Figure 5 (for TSSOP Package)
Added Figure 8
Relabeled Figures to 9A, 9B, 9C
Relabeled Figures to 10A, 10B, 10C, 10D
Relabeled Figures to 11A, 11B, 11C, 11D
Relabeled Figures to 12
Added QFN Package Drawing
Relocated TSSOP Package Drawing
Was Page 34-Now Page 36
1, 2
9
12
14
20
21
24
25
26
27
28
29
30
31
32
34
33
36
LT847 1
 
 
 
 
 
 
 
 
 
 
 
 
 
 
 
 
 
 
 
 
 
 
 
 
 
 
 
 
 
 
 
 
 
 
 
36 L7ELUEN2
LT8471
36
8471fd
For more information www.linear.com/8471
Linear Technology  Corporation
1630 McCarthy Blvd., Milpitas, CA 95035-7417
(408) 432-1900 
● FAX: (408) 434-0507  ● 
 www.linear.com/8471
 LINEAR TECHNOLOGY CORPORATION 2014
LT 0915 REV D • PRINTED IN USA
relaTeD parTs
Typical applicaTion
PART NUMBER DESCRIPTION COMMENTS
LT8610/LT8611 42V, 2.5A, 96% Efficiency, 2.2MHz Synchronous Micropower 
Step-Down DC/DC Converter with IQ = 2.5µA and Input/
Output Current Limit/Monitor (LT8611 Only)
VIN: 3.4V to 42V, VOUT(MIN) = 0.985V, IQ = 2.5µA, ISD <1µA,  
MSOP-16E and 3mm × 5mm QFN-24 Packages
LT8610A/
LT8610AB 42V, 3.5A, 96% Efficiency, 2.2MHz Synchronous Micropower 
Step-Down DC/DC Converter with IQ = 2.5µA VIN: 3.4V to 42V, VOUT(MIN) = 0.985V, IQ = 2.5µA, ISD <1µA,  
MSOP-16E and 3mm × 5mm QFN-24 Package
LT8582 40V, Dual 3A, 2.5MHz High Efficiency Boost Converter VIN: 2.5V to 22V, 40VMAX, VOUT(MAX) = ±40V, IQ = 2.8µA, ISD <1µA, 
7mm × 4mm DFN-24 Package
LT3581 40V, 3.3A, 2.5MHz High Efficiency Boost Converter VIN: 2.5V to 22V, 40VMAX, VOUT(MAX) = ±40V, IQ = 1mA, ISD <1µA, 
4mm × 3mm DFN-14 and MSOP-16E Packages
LT8582 40V, Dual 3A Boost, Inverter, SEPIC, 2.5MHz High Efficiency 
Boost Converter VIN: 2.5V to 22V, 40VMAX, VOUT(MAX) = ±40V, IQ = 2.1mA,  
ISD <1µA, 7mm × 4mm DFN-24 Package
LT3579/LT3579-1 40V, 3.3A Boost, Inverter, SEPIC, 2.5MHz High Efficiency 
Boost Converter VIN: 2.5V to 22V, 40VMAX, VOUT(MAX) = ±40V, IQ = 1mA, ISD <1µA, 
4mm × 5mm QFN-20 and TSSOP-20E Packages
LT3471 40V Dual 1.3A Boost, Inverter, 1.2MHz High Efficiency  
Boost Converter VIN: 2.4V to 16V, 40VMAX, VOUT(MAX) = ±40V, IQ = 2.4mA,  
ISD <1µA, 3mm × 3mm DFN Package
0
20
40
60
80
10
30
50
70
90
LOAD CURRENT (A)
EFFICIENCY (%)
POWER LOSS (W)
0
1
3
2
4
8471 TA02b
00.2 0.4 0.6 0.8 1.0
EFFICIENCY 
POWER LOSS
RTSYNC
LT8471
8471 TA02a
SHOUT 
VIN2
VIN1
SS2
C3
SS1
OV/UV
E1
C2
FB2
E2
GND
C1
FB1
VOUT1, –5V
0.55A (VCC = 4V)
0.95A (VCC = 12V)
1.05A (VCC = 24V)
0.55A (VCC = 4V)
0.95A (VCC = 12V)
1.05A (VCC = 24V)
C1, C2: 10V, X7R, 1210
C3, C4, C5, C7: 35V, X7R, 1206
C6, C8: 50V, X7R, 1206
D1, D2: MICROSEMI UPS140
L1, L2: COOPER BUSSMANN DRQ74-100-R
L3: WÜRTH 744025 150
VOUT2, 5V
C2
47µF
×3
C8
1µF
L1A, 10µH
L2A
10µH
L3
15µH
C4
2.2µF
C7
2.2µF
C5
2.2µF
0.1µF 169k
0.1µF
280k
VCC
4V TO
25V
PG1 PG2
100k 100k
182k
15k
80.6k
80.6k
15k
C3
1µF C1
47µF
×3
C6
1µF
D1
•
L2B, 10µH
•
L1B
10µH
•
•D2
500kHz ZETA and 2L Inverting Converters Generates  
±5V Outputs with Low Output Ripple
Efficiency and Power Loss  
VCC = 12V, with Load Current  
from VOUT2 to VOUT1
Output Voltage Ripple in CCM, VCC = 10V
IL2
500mA/DIV
IL1
500mA/DIV
VOUT1
20mV/DIV
AC-COUPLED
VOUT2
20mV/DIV
AC-COUPLED
8471 TA02c
1µs/DIV
Products related to this Datasheet
IC REG MULT CONFG ADJ DL 20TSSOP
        
    IC REG MULT CONFG ADJ DL 20TSSOP
        
    IC REG MULT CONFG ADJ DL 20TSSOP
        
    IC REG MULT CONFG ADJ DL 20TSSOP
        
    IC REG MULTI CONFG ADJ DL 28QFN
        
    IC REG MULT CONFG ADJ DL 20TSSOP
        
    IC REG MULT CONFG ADJ DL 20TSSOP
        
    IC REG MULTI CONFG ADJ DL 28QFN
        
    BOARD EVAL FOR LT8471EFE
        
    IC REG MULT CONFG ADJ DL 20TSSOP
        
    IC REG MULT CONFG ADJ DL 20TSSOP
        
    IC REG MULTI CONFG ADJ DL 28QFN
        
    IC REG MULTI CONFG ADJ DL 28QFN
        
    IC REG MULT CONFG ADJ DL 20TSSOP
        
    IC REG MULT CONFG ADJ DL 20TSSOP