XC6901 Series Datasheet by Torex Semiconductor Ltd
View All Related Products | Download PDF Datasheet TOIREX
 
 
 
 
 
 
TOIREX
 
 
 
 
 
 
 
 
 
 
1/28 
XC6901 Series 
200mA Negative Voltage Regulator with ON/OFF Control
ETR03043-007
   CL:1.0μF
GND 
-VIN 
CE 
-VOUT
NC 
SOT  - 25
( 
TOP VIEW ) 
CIN 
: 
1 
. 
0 
μF 
( 
ceramic 
) 
(ceramic)
■GENERAL DESCRIPTION 
The XC6901 Series is a negative voltage CMOS regulator which includes a reference voltage source, error amplifier, driver 
transistor, current limiter and phase compensator.   
The CE function enables the circuit to be in stand-by mode by inputting low level signal. In the stand-by mode, the electric 
charge at the output capacitor (CL) will be discharged via the internal auto-discharge switch and as a result the -VOUT pin 
quickly returns to the VSS level. 
The over current protection circuit will operate when the output current reaches limit current. The thermal shutdown circuit will 
operate when the junction temperature reaches limit temperature. 
■APPLICATIONS 
●Negative power supplies 
●Modules (Wireless LAN, Digital still cameras, etc) 
●Digital still cameras 
●Mobile devices / terminals 
■FEATURES
Maximum Output Current : 200mA 
Input Voltage Range : -2.4V ~-12.4V(VCE=3.6V) 
Output Voltage Range :  -0.9V~-12.0V 
Accuracy  : ±1.5%(VOUT<‐2.0V) 
±0.03V(VOUT≧‐2.0V) 
Temperature Stability  :  TYP. ±50ppm/℃ 
CE High Level Voltage  : 
+1.2V~+3.6V,(Active High) 
Dropout Voltage : 400mV@IOUT=100mA  
Low Power Consumption
: 100μA MAX. 
Stand-by Current  : Less than 0.1μA 
Protection Circuits  : 
Current Limit 350mA TYP,
Foldback 
Overheat Protection T
TSB
=150
℃
Output Capacitor  :  Ceramic Capacitor Compatible 
Built-in Function  : 
C
L
 High-Speed Discharge
Operating Ambient Temperature
: -40℃~+85℃ 
Packages  :  SOT-25, SOT-89-5, USP-6C 
Environmentally Friendly 
: EU RoHS Compliant, Pb Free 
■TYPICAL APPLICATION CIRCUIT 
XC6901x501
-5.8
-5.6
-5.4
-5.2
-5.0
-4.8
-4.6
Time(100μs/div)
Output Voltage: V
OUT 
[V]
0
50
100
150
200
250
300
Output Current: I
OUT 
[mA]
Output Current
Output Voltage
1mA
100mA
I
OUT
 =1⇔100mA,tr=tf=5μs,Ta=25℃,V
CE
=1.5V
V
IN
=-6V,C
IN
=1μF(ceramic),C
L
=1μF(ceramic
)
■TYPICAL PERFORMANCE
CHARACTERISTICS 
 *Vout
 
 
 
(was: I:
Nos] I:
0E4: E
 
I rvout
ZNC
 
 
 
 
 
 
 
 
 
 
 
 
USPAGC
(BOTTOM VIEW)
 
El
GND
lzl
’VIN
801125
(TOP VIEW)
 
 
 
 
"’E" W
. LI 3
W *VIM C_E
SOTi89-5
(TOP VIEW)
*Vout
 
 
 
(was: I:
Nos] I:
0E4: E
 
I rvout
ZNC
 
 
 
 
 
 
 
 
 
 
 
 
USPAGC
(BOTTOM VIEW)
 
El
GND
lzl
’VIN
801125
(TOP VIEW)
 
 
 
 
"’E" W
. LI 3
W *VIM C_E
SOTi89-5
(TOP VIEW)
 
 
 
2/28 
XC6901
 Series
■PIN CONFIGURATION 
■PIN ASSIGNMENT 
PIN NUMBER 
USP-6C  SOT-25  SOT-89-5 
PIN NAME FUNCTIONS 
1 5  5  -VOUT Negative Output 
2,5 4  1  NC  No Connection 
3 2  2  -VIN  Negative Supply Input 
4 3  3  CE ON/OFF Control 
6 1  4  GND  Ground 
■FUNCTION CHART 
 XC6901 Series D type 
PIN NAME   SIGNAL    STATUS  
L Stand-by 
H Active 
CE 
OPEN Stand-by 
* The dissipation pad for the USP-6C package should be solder-plated in recommended mount pattern and metal masking to enhance 
mounting strength and heat release. If the pad needs to be connected to other pins, it should be connected to the -VIN (No. 3) pin.     
 W
 
 
 
 
 
 
 
 
 
 
 
 
 
 
 
TOIREX
W
 
 
 
 
 
 
 
 
 
 
 
 
 
 
 
TOIREX
 
3/28 
XC6901
Series
■PRODUCT CLASSIFICATION 
●Ordering Information 
XC6901①②③④⑤⑥-⑦(*1)  ON/OFF Control Voltage Regulator (CE Active High) 
DESIGNATOR  ITEM  SYMBOL  DESCRIPTION 
①  Type
(*2)
 D  CE Pull-down resistor   
CL Auto-discharge 
②③ 
Output Voltage 
09~C0 
-0.9V~-12V 
e.g. -0.9V→②=0,  ③=9, -12V→②=C, ③=0 
A:10, B:11, C:12 
1  0.10V Increments 
e.g. -1.2V→②=1, ③=2, ④=1 
④  Output Type 
B  0.05V Increments for -0.95V~-4.95V 
e.g. -1.25V→②=1, ③=2, ④=B 
ER-G  USP-6C (3,000/Reel) 
MR-G  SOT-25 (3,000/Reel) 
⑤⑥-⑦  Packages 
(Order Unit) 
PR-G  SOT-89-5 (1,000/Reel) 
(*1) The “-G” suffix denotes Halogen and Antimony free as well as being fully EU RoHS compliant. 
(*2) For the type without CL auto-discharge, please contact your local Torex sales office or representative. 
■STANDARD VOLTAGE 
 ●Examples for standard voltage 
PACKAGES VOUT 
(V)   USP-6C  SOT-25  SOT-89-5 
-1.2V XC6901D121ER-G XC6901D121MR-G XC6901D121PR-G
-2.5V XC6901D251ER-G XC6901D251MR-G XC6901D251PR-G
-2.6V XC6901D261ER-G XC6901D261MR-G XC6901D261PR-G
-3.0V XC6901D301ER-G XC6901D301MR-G XC6901D301PR-G
-3.3V XC6901D331ER-G XC6901D331MR-G XC6901D331PR-G
-4.0V XC6901D401ER-G XC6901D401MR-G XC6901D401PR-G
-4.5V XC6901D451ER-G XC6901D451MR-G XC6901D451PR-G
-5.0V XC6901D501ER-G XC6901D501MR-G XC6901D501PR-G
-6.0V XC6901D601ER-G XC6901D601MR-G XC6901D601PR-G
-12.0V XC6901DC01ER-G XC6901DC01MR-G XC6901DC01PR-G
 
 
 
4/28 
XC6901
 Series
■ABSOLUTE MAXIMUM RATINGS 
PARAMETER  SYMBOL  RATINGS  UNITS   
Input Voltage  VIN GND-18+VCE ~ GND+0.3 V    
Output Current  IOUT 500(*1)  mA    
Output Voltage  VOUT -VIN-0.3  ~ GND+0.3  V    
CE Input Voltage  VCE GND-0.3 ~ V
IN+18  V    
120 
USP-6C  1000 (PCB mounted)(*2)   
250 
SOT-25  600 (PCB mounted)(*2)   
500 
Power 
Dissipation 
SOT-89-5 
Pd 
1300 (PCB mounted)(*2) 
mW 
Operating Ambient Temperature 
Topr -40~+85  ℃    
Storage Temperature  Tstg  -55~+125  ℃    
GND=0V, Ta=25℃ 
(*1): Please use within the range of IOUT≦Pd/( VOUT - VIN)  
(*2) The power dissipation figure shown is PCB mounted and is for reference only. Please refer to page 24~26 for details. 
 a...“
Lmz
 
 
 
 
 
 
 
 
 
TOIREX
 
 
 
 
a...“
Lmz
 
 
 
 
 
 
 
 
 
TOIREX
5/28 
XC6901
Series
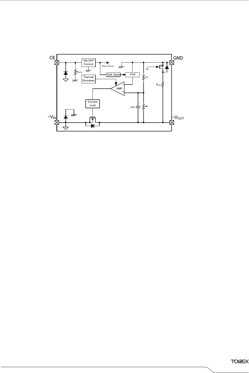
■BLOCK DIAGRAM 
XC6901 Series D type 
*Diodes inside the circuit are an ESD protection diode and a parasitic diode. 
 
 
 
6/28 
XC6901
 Series
■ELECTRICAL CHARACTERISTICS 
●XC6901 Series   
PARAMETER  SYMBOL  CONDITIONS  MIN.  TYP. MAX.  UNITS CIRCUIT
VOUT(T)<-2.0V  ×1.015 ×0.985 
Output Voltage  VOUT(E)
 (*2) I
OUT=20mA 
VOUT(T)≧-2.0V  -0.030 
V
OUT(T)
(*1)
+0.030 
V  ① 
V
IN
=V
OUT(T)
-2.0V 
VOUT(T)≦-2.4V 
Maximum Output 
Current(*4) IOUTMAX 
VIN=-4.4V  VOUT(T)>-2.4V 
200 -  - mA  ① 
V
IN
=V
OUT(T)
-1.0V 
VOUT(T)≦-3.0V 
VIN=-4.0V  VOUT(T)>-3.0V 
Load Regulation  ∆VOUT 
1mA≦IOUT≦100mA 
- 20 60 mV 
① 
Dropout Voltage  Vdif(*3) I
OUT=20mA - E-1(*5) mV 
① 
Supply Current  IBIAS V
IN=-14.5V, VCE=1.5V, IOUT=0mA - 100 200 
μA ① 
Stand-by Current  ISTB V
IN=-14.5V, VCE=0V, IOUT=0mA - 0.01 0.1  
μA ① 
-14.5V
~
V
OUT(T)
-1V 
VOUT(T)≦-1.4V 
-14.5V
~
-2.4V 
VOUT(T)>-1.4V 
Input Line 
Regulation 
∆V
OUT
/ 
(∆V
IN
・
V
OUT
)
IOUT=20mA 
- 0.01 0.20  %/V ① 
Input Voltage  VIN   -16+VCE - -2.4 V  ① 
Output Voltage 
Temperature 
Characteristics 
∆V
OUT
/ 
(∆Topr
・
V
OUT)
IOUT=20mA 
-40℃≦Topr≦85℃ - ±50 - 
ppm/℃① 
Power Supply 
Rejection Ratio  PSRR  VIN={VOUT(T)-1.0}+0.5Vp-pAC, IOUT=20mA, 
f=1kHz  - 45 - 
dB  ② 
V
IN
=V
OUT(T)
-2.0V 
VOUT(T)≦-2.4V 
Limit Current  ILIM 
VIN=-4.4V  VOUT(T)>-2.4V 
210 300  -  mA  ① 
Short-Circuit Current  ISHORT V
IN=VOUT(T)-2.0V Short -VOUT to GND level -  80  -  mA  ① 
Detect Thermal 
Shutdown 
Temperature 
TTSD  IC Junction temperature  -  150  -  ℃  ① 
Release Thermal 
Shutdown 
Temperature 
TTSR  IC Junction temperature  -  125  -  ℃  ① 
Hysteresis Width  THYS T
TSD-TTSR - 25 - 
℃  ① 
CE "H" Level Voltage 
VCEH   1.2 - 3.6 V 
① 
CE "L" Level Voltage 
VCEL   GND - 0.4 V 
① 
CE "H" Level 
Current  ICEH VIN=-12.4V, 
VCE=3.6V  XC6901D Series  1.8  4  7    μA ① 
CE "L" Level Current 
ICEL V
CE=GND -0.1 - 0.1 
μA  ① 
CL Discharge 
Resistor  RDCHG V
IN=-8V,VOUT=-2V,VCE=GND 0.7 1.2 1.8 kΩ ① 
VOUT(T)>-4.0V  0.15 0.4 1.2 ms  ③ 
Soft Start Time  tSS 
RL=3kΩ,Rise Time 
CE="H" to   
95% of VOUT(E) VOUT(T)≦-4.0V  0.3 0.7 2 ms  ③ 
GND=0V,Ta=25℃
NOTE: Unless otherwise stated regarding input voltage conditions VCE=1.5V、GND=0V、VIN=VOUT(T)-1.0V or -2.4V the one which bigger 
absolute value. 
*1) VOUT(T): Nominal output voltage   
*2) VOUT(E): Effective output voltage (see the voltage chart) 
(ie. The output voltage when “VOUT(T)-1.0V” or “-2.4V”is provided at the VIN pin while maintaining a certain IOUT value. 
*3)Vdif=-{VIN1- VOUT1} 
   VIN1 is the input voltage when VOUT1 appears at the VOUT pin while input voltage is gradually increased 
V
OUT1
 is the voltage equal to 98% of the normal output voltage when amply stabilized V
OUT (T) 
-1.0V or -2.4V (the bigger absolute value one ) are input at 
the V
IN
 pin. 
*4) The maximum current may not be able to flow when thermal shutdown operates, it depends on power dissipation. 
*5) E-1: Refer to dropout voltage chart. 
 TOIREX
 
TOIREX
 
7/28 
XC6901
Series
■ELECTRICAL CHARACTERISTICS(Continued) 
Dropout Voltage Chart (VOUT(T)=-0.9V~-5V) 
E-1  E-1  E-1 
DROPOUT VOLTAGE  DROPOUT VOLTAGE DROPOUT VOLTAGE 
NOMINAL 
OUTPUT 
VOLTAGE  Vdif (mV) 
NOMINAL 
OUTPUT 
VOLTAGE  Vdif (mV) 
NOMINAL
OUTPUT
VOLTAGE Vdif (mV) 
VOUT(T) TYP.  MAX.  VOUT(T) TYP.  MAX.  VOUT(T) TYP.  MAX. 
-0.90 800 1500 -2.85 116  157 -4.80  80  115 
-0.95 750 1450 -2.90 114  155 -4.85  80  115 
-1.00 700 1400 -2.95 112  153 -4.90  79  115 
-1.05 650 1350 -3.00 110  151 -4.95  79  115 
-1.10 600 1300 -3.05 109  150 -5.00  78  114 
-1.15 550 1250 -3.10 108  148     
-1.20 500 1200 -3.15 107  147     
-1.25 450 1150 -3.20 105  145     
-1.30 400 1100 -3.25 104  144     
-1.35 350 1050 -3.30 102  142     
-1.40 300 1000 -3.35 102  141     
-1.45 270  950 -3.40 101  140     
-1.50 230  900 -3.45 101  139     
-1.55 220  850 -3.50 100  137     
-1.60 210  800 -3.55  99  136     
-1.65 205  750 -3.60  98  135     
-1.70 200  700 -3.65  97  134     
-1.75 195  650 -3.70  95  133     
-1.80 190  600 -3.75  95  132     
-1.85 183  550 -3.80  94  131     
-1.90 176  500 -3.85  94  130     
-1.95 171  450 -3.90  93  129     
-2.00 165  400 -3.95  92  128     
-2.05 161  350 -4.00  91  127     
-2.10 156  300 -4.05  90  126     
-2.15 152  250 -4.10  89  125     
-2.20 148  200 -4.15  89  125     
-2.25 144  187 -4.20  88  124     
-2.30 140  185 -4.25  87  123     
-2.35 138  183 -4.30  86  122     
-2.40 135  181 -4.35  86  122     
-2.45 132  178 -4.40  85  121     
-2.50 129  174 -4.45  85  120     
-2.55 127  172 -4.50  84  119     
-2.60 125  169 -4.55  83  119     
-2.65 123  166 -4.60  82  119     
-2.70 121  163 -4.65  82  118     
-2.75 119  161 -4.70  82  117     
-2.80 117  159 -4.75  81  116     
 
 
 
8/28 
XC6901
 Series
■ELECTRICAL CHARACTERISTICS(Continued) 
Dropout Voltage Chart (VOUT(T)=-5.1V~-12V) 
E-1  E-1 
DROPOUT VOLTAGE  DROPOUT VOLTAGE
NOMINAL 
OUTPUT 
VOLTAGE  Vdif(mV) 
NOMINAL 
OUTPUT 
VOLTAGE  Vdif(mV) 
VOUT(T) TYP.  MAX.  VOUT(T) TYP.  MAX. 
-5.1 77 113 -9.0 58  93 
-5.2 77 112 -9.1 58  92 
-5.3 76 111 -9.2 58  92 
-5.4 75 110 -9.3 57  92 
-5.5 74 110 -9.4 57  91 
-5.6 73 109 -9.5 56  91 
-5.7 73 108 -9.6 56  91 
-5.8 72 107 -9.7 56  91 
-5.9 71 106 -9.8 55  90 
-6.0 70 105 -9.9 55  90 
-6.1 70 105 -10.0 54  90 
-6.2 69 104 -10.1 54  90 
-6.3 69 104 -10.2 54  89 
-6.4 68 103 -10.3 54  89 
-6.5 67 102 -10.4 54  89 
-6.6 66 102 -10.5 53  88 
-6.7 66 101 -10.6 53  88 
-6.8 65 101 -10.7 53  88 
-6.9 65 100 -10.8 53  88 
-7.0 65 100 -10.9 53  88 
-7.1  64  99 -11.0 52  88 
-7.2  64  99 -11.1 53  88 
-7.3  63  98 -11.2 52  87 
-7.4  63  98 -11.3 51  87 
-7.5  62  98 -11.4 51  87 
-7.6  62  98 -11.5 50  87 
-7.7  62  97 -11.6 50  87 
-7.8  61  96 -11.7 50  87 
-7.9  61  96 -11.8 50  87 
-8.0  60  96 -11.9 50  87 
-8.1  60  96 -12.0 50  87 
-8.2 60  95      
-8.3 60  95      
-8.4 60  94      
-8.5 59  94      
-8.6 59  94      
-8.7 59  94      
-8.8 59  93      
-8.9 59  93      
 ’VOUT
 
 
 
 
 
 
 
 
 
 
 
 
 
TOIREX
 
 
 
 
 
 
 
 
 
 
 
 
 
 
 
 
 
 
 
 
’VOUT
 
 
 
 
 
 
 
 
 
 
 
 
 
TOIREX
9/28 
XC6901
Series
■TEST CIRCUITS 
1) CIRCUIT① 
2) CIRCUIT② 
3) CIRCUIT③ 
-V
OUT
CE
-VIN
GND
V
A
-VIN
A
SW1 V
V
IOUT
SW2
VCE
VOUT1
A
CIN=1μF(ceramic)
CL=1μF
(ceramic)
 'VI
5
cE'H'
Wu M...
 
 
 
Current
Lm
 
 
Va w<1w vammsv="" ,="" ,="" ,="" ,="" ,="" mum="" my="" my="">1w>
'VI
5
cE'H'
Wu M...
 
 
 
Current
Lm
 
 
Va w<1w vammsv="" ,="" ,="" ,="" ,="" ,="" mum="" my="" my="">1w>10/28 
XC6901
 Series
■OPERATIONAL EXPLANATION   
<Soft Start Function> 
Figure1:Soft Start Time and Inrush Current 
<Current Limit, Short-Circuit Protection> 
  The XC6901 series’ fold-back circuit operates as an output current limiter and a short protection circuit for the output pin.   When the 
output current reaches the current limit level, output voltage drops with the decrease of the output current.    There are no parasitic diode 
between the –VOUT pin and GND pin. The minimized short-circuit current is maintained even if the –VOUT pin voltage is pulled up toward 
positive. 
<Thermal Shutdown> 
The XC6901 Series has an internal thermal Shutdown(TSD) circuit for protection against overheating. 
When the junction temperature reaches the detection temperature, the driver transistor is forcibly turned off. When the junction 
temperature falls to the release temperature with the driver transistor still in the off state, the driver transistor turns on (automatic 
recovery) and restarts regulator operation. 
<CE Pin> 
The XC6901 Series is able to shut down the regulator circuit using the CE pin signal.    CE pin can be controlled with positive voltage due 
to P-channel transistor source input (Gate is grounded). A current flow of a few micro amperes. The regulator is turned on when CE input 
voltage is positive, the regulator is turned off when CE input is GND. 
  When CE pin is open, IC is turned OFF, due to the built-in Pull-down resistor.    When the IC is turned OFF with low input voltage to the 
CE pin,-VOUT pin voltage goes into GND level by R1,R2 and CL discharge resistance(RDCHG). 
The voltage divided by resisters R1 and R2 is compared with the internal reference voltage based on ground by the 
error amplifier. The driver transistor tied to the –VIN pin is then driven by the subsequent output signal. The output 
voltage at the –VOUT pin is controlled and stabilized by a system of negative feedback. 
XC6901 Series includes soft-start circuit. During power start-up, the inrush current from -VIN pin to VOUT pin to 
charge CL capacitor can be reduced and it makes the VIN stable. Soft-start time (tSS) is optimized internally. 
 TOIREX
 
 
 
 
 
 
 
 
 
TOIREX
11/28 
XC6901
Series
■OPERATIONAL EXPLANATION(Continued) 
OUTPUT VOLTAGE RANGE  INPUT CAPACITOR  OUTPUT CAPACITOR 
VOUT(T)  CIN  CL 
-0.9V~-12V  1.0μF~ 1.0μF~100μF 
<CL High Speed Discharge> 
The XC6901D type is capable of high-speed discharge of the charge that collects on the output capacitor (CL below). This is 
accomplished by the P-channel MOSFET and CL discharge resistance connected between the -VOUT and GND pins in the block 
diagram, and takes place when the L-level signal (IC internal circuit shutdown signal) of the CE pin is input so that it could avoids 
malfunction.  
The CL discharge time is determined by this CL discharge resistance and CL. Letting the time constant of the CL discharge 
resistance RDCHG and CL be  τ  (τ  = C × R), the output voltage after discharge by the P-channel MOSFET can be obtained from 
the CR discharge equation below.    Please be noted that RDCHG various with supply voltage and VDS(drain-source voltage) since it 
consists of P-channel MOSFET.   
       t = τln(VOUT(E) / V) 
V:Output voltage during discharge 
VOUT(E):Output voltage 
t:Discharge time 
τ:CL auto-discharge resistance RDCHG × CL Output capacitor value CL 
<Low ESR Capacitor> 
With the XC6901 series, a stable output voltage is achievable even if used with low ESR capacitors, as a phase compensation 
circuit is built-in.    The output capacitor (CL) should be connected as close to -VOUT pin and GND pin to obtain stable phase 
compensation. Values required for the phase compensation are as the table below.   
For a stable power input, please connect an input capacitor (CIN) near power supply.    In order to ensure the stable phase 
compensation while avoiding run-out of values, please use the capacitor (CIN, CL) which does not depend on bias or 
temperature too much. The table below shows recommended values of CIN, CL for all environment conditions. 
CHART 1:Recommended Values of CIN, CL (MIN.)

12/28 
XC6901
 Series
■NOTE ON USE 
1) For temporary, transitional voltage drop or voltage rising phenomenon. 
The IC is liable to malfunction should the ratings be exceeded. 
2) Where wiring impedance is high, operations may become unstable due to noise and/or phase lag depending on output 
current. Please enforce wiring –VIN and GND. 
3) Please wire the CIN and CL as close to the IC as possible. 
4) Capacitances of these capacitors (CIN, CL) are decreased by the influences of bias voltage and ambient temperature. 
Care shall be taken for capacitor selection to ensure stability of phase compensation from the point of ESR influence. 
5) Torex places an importance on improving our products and its reliability. However, by any possibility, we would 
request user fail-safe design and post-aging treatment on system or equipment. 
 
 
 
 
 
 
 
 
 
 
 
 
 
 
 
 
 
 
 
 
 
 
 
 
 
 
13/28 
XC6901
Series
■TYPICAL PERFORMANCE CHARACTERISTICS 
XC6901x331
-4.0
-3.5
-3.0
-2.5
-2.0
-1.5
-1.0
-0.5
0.0
0 50 100 150 200 250 300 350 400 450
Output Current: I
OUT 
[mA]
Output Voltage: V
OUT 
[V]
Ta=-40℃
Ta=25℃
Ta=85℃
V
IN
 = -5.3V,V
CE
=1.5V
C
IN
 = 1.0μF (cer amic),  C
L
 = 1. 0μF (cer amic
)
XC6901x331
-4.0
-3.5
-3.0
-2.5
-2.0
-1.5
-1.0
-0.5
0.0
0 50 100 150 200 250 300 350 400 450
Output Current: I
OUT 
[mA]
Output Voltage: V
OUT  
[V]
VIN=-4.3V
VIN=-5.3V
VIN=-6.3V
Ta=25℃,V
CE
=1.5V
C
IN
 = 1. 0μF (cer amic), C
L 
= 1.0μF (ceramic
)
XC6901x501
-6.0
-5.0
-4.0
-3.0
-2.0
-1.0
0.0
0 50 100 150 200 250 300 350 400 450
Output Current: I
OUT 
[mA]
Output Voltage: V
OUT 
[V]
Ta=-40℃
Ta=25℃
Ta=85℃
V
IN
 = -7.0V,V
CE
=1.5V
C
IN
 = 1.0μF (cerami c),  C
L
 = 1. 0μF (cer amic
)
XC6901x501
-6.0
-5.0
-4.0
-3.0
-2.0
-1.0
0.0
0 50 100 150 200 250 300 350 400 450
Output Current: I
OUT 
[mA]
Output Voltage: V
OUT 
[V]
VIN=-6V
VIN=-7V
VIN=-8V
Ta=25℃,V
CE
=1.5V
C
IN
 = 1. 0μF (cer amic), C
L 
= 1.0μF (ceramic
)
XC6901xC01
-14.0
-12.0
-10.0
-8.0
-6.0
-4.0
-2.0
0.0
0 50 100 150 200 250 300 350 400 450
Output Current: I
OUT 
[mA]
Output Voltage: V
OUT 
[V]
Ta=-40℃
Ta=25℃
Ta=85℃
V
IN
 = -14V,V
CE
=1.5V
C
IN
 = 1.0μF (cer amic),  C
L
 = 1. 0μF (cerami c
)
XC6901xC01
-14.0
-12.0
-10.0
-8.0
-6.0
-4.0
-2.0
0.0
0 50 100 150 200 250 300 350 400 450
Output Current: I
OUT 
[mA]
Output Voltage: V
OUT 
[V]
VIN=-14V
VIN=-14.5V
Ta=25℃,V
CE
=1.5V
C
IN
 = 1.0μF (cerami c),  C
L 
= 1.0μF (ceramic
)
(1) Output Voltage vs. Output Current 
 
 
 
 
 
 
 
 
 
 
 
 
 
 
 
 
 
 
 
 
 
 
 
 
 
 
 
 
 
 
 
14/28 
XC6901
 Series
■TYPICAL PERFORMANCE CHARACTERISTICS (Continued) 
(2) Output Voltage vs. Input Voltage   
XC6901x331
-4.0
-3.5
-3.0
-2.5
-2.0
-1.5
-1.0
-0.5
0.0
-15.0-12.0-9.0-6.0-3.00.0
Input Voltage: V
IN 
[V]
Output Voltage: V
OUT 
[V]
Ta=-40℃
Ta=25℃
Ta=85℃
IOUT=20mA,VCE=1.5V
CIN = 1.0μF (ceramic), CL = 1.0μF (ceramic
)
XC6901x501
-6.0
-5.0
-4.0
-3.0
-2.0
-1.0
0.0
-15.0-12.0-9.0-6.0-3.00.0
Input Voltage: V
IN 
[V]
Output Voltage: V
OUT 
[V]
Ta=-40℃
Ta=25℃
Ta=85℃
IOUT=20mA,VCE =1.5
V
CIN = 1.0μF (ceramic),  CL = 1.0μF (ceramic
)
XC6901xC01
-14.0
-12.0
-10.0
-8.0
-6.0
-4.0
-2.0
0.0
-15.0-12.0-9.0-6.0-3.00.0
Input Voltage: V
IN 
[V]
Output Voltage: V
OUT 
[V]
Ta=-40℃
Ta=25℃
Ta=85℃
IOUT=20mA,VCE =1.5V
CIN = 1. 0μF (ceramic), CL = 1.0μF (ceramic
)
XC6901xC01
-14.0
-12.0
-10.0
-8.0
-6.0
-4.0
-2.0
0.0
-15.0-12.0-9.0-6.0-3.00.0
Input Voltage: V
IN 
[V]
Output Voltage: V
OUT 
[V]
IOUT=1mA
IOUT=20mA
IOUT=100mA
Ta=25℃,VCE=1.5
V
CIN = 1.0μF (ceramic),  CL = 1.0μF (ceramic
)
XC6901x331
-4.0
-3.5
-3.0
-2.5
-2.0
-1.5
-1.0
-0.5
0.0
-15.0-12.0-9.0-6.0-3.00.0
Input Voltage: V
IN 
[V]
Output Voltage: V
OUT 
[V]
IOUT=1mA
IOUT=20mA
IOUT=50mA
Ta=25℃,VCE=1.5V
CIN = 1.0μF (ceramic),  CL = 1.0μF (ceramic
)
XC6901x501
-6.0
-5.0
-4.0
-3.0
-2.0
-1.0
0.0
-15.0-12.0-9.0-6.0-3.00.0
Input Voltage: V
IN 
[V]
Output Voltage: V
OUT 
[V]
IOUT=1mA
IOUT=20mA
IOUT=100mA
Ta=25℃,VCE =1.5V
CIN = 1. 0μF (ceramic), CL = 1.0μF (ceramic
)
 TOIREX
 
TOIREX
 
15/28 
XC6901
Series
■TYPICAL PERFORMANCE CHARACTERISTICS (Continued) 
(3) Dropout Voltage vs. Output Current   
XC6901x331
0
200
400
600
800
1000
1200
1400
1600
1800
2000
0 50 100 150 200
Output Current: I
OUT 
[mA]
Dropout Voltage: Vdif [mV]
Ta=-40℃
Ta=25℃
Ta=85℃
V
CE
=1.5V
C
IN
 = 1.0μF (cerami c),  C
L
= 1.0μF (ceramic
)
XC6901x501
0
200
400
600
800
1000
1200
1400
1600
1800
2000
0 50 100 150 200
Output Current: I
OUT 
[mA]
Dropout Voltage: Vdif [mV]
Ta=-40℃
Ta=25℃
Ta=85℃
V
CE
=1.5V
C
IN
 = 1. 0μF (cer a mic),  C
L 
= 1.0μF (ceramic
)
XC6901xC01
0
200
400
600
800
1000
1200
1400
1600
1800
2000
0 50 100 150 200
Output Current: I
OUT 
[mA]
Dropout Voltage: Vdif [mV]
Ta=-40℃
Ta=25℃
Ta=85℃
V
CE
=1.5V
C
IN
 = 1.0μF (cerami c),  C
L 
= 1.0μF (ceramic
)
XC6901x331
-160
-140
-120
-100
-80
-60
-40
-20
0
-15.0-12.0-9.0-6.0-3.00.0
Input Voltage: V
IN 
[V]
Supply Current: I
SS 
[μA]
Ta=-40℃
Ta=25℃
Ta=85℃
XC6901x501
-160
-140
-120
-100
-80
-60
-40
-20
0
-15.0-12.0-9.0-6.0-3.00.0
Input Voltage: V
IN 
[V]
Supply Current: I
SS 
[μA]
Ta=-40℃
Ta=25℃
Ta=85℃
V
CE
=1.5V
(4) Supply Current vs. Input Voltage   
 
 
 
 
 
 
 
 
 
 
 
 
 
 
 
 
 
 
 
 
 
 
 
 
 
 
 
 
 
 
 
 
 
 
16/28 
XC6901
 Series
■TYPICAL PERFORMANCE CHARACTERISTICS (Continued) 
(4) Supply Current vs. Input Voltage (Continued) 
XC6901xC01
-160
-140
-120
-100
-80
-60
-40
-20
0
-15.0-12.0-9.0-6.0-3.00.0
Input Voltage: V
IN 
[V]
Supply Current: I
SS
 [μA]
Ta=-40℃
Ta=25℃
Ta=85℃
V
CE
=1.5V
XC6901x331
-3.33
-3.32
-3.31
-3.30
-3.29
-3.28
-3.27
-50 -25 0 25 50 75 100
Ambient Temperature: Ta [℃]
Output Voltage: V
OUT
 [V]
V
IN
 =-4. 3V, I
OUT
=20mA,V
CE
=1.5V
C
IN
=1μF(ceramic),C
L
=1μF(ceramic
)
XC6901x501
-5.05
-5.03
-5.00
-4.98
-4.95
-50 -25 0 25 50 75 100
Ambient Temperature: Ta [℃]
Output Voltage: V
OUT
 [V]
V
IN
 =-6. 0V, I
OUT
=20mA,V
CE
=1.5V
C
IN
=1μF(ceramic),C
L
=1μF(ceramic
)
XC6901xC01
-12.12
-12.08
-12.04
-12.00
-11.96
-11.92
-11.88
-50 -25 0 25 50 75 100
Ambient Temperature: Ta [℃]
Output Voltage: V
OUT
 [V]
V
IN
 =-13V,I
OUT
=20mA,V
CE
=1.5V
C
IN
=1μF(ceramic),C
L
=1μF(ceramic
)
(5) Output Voltage vs. Ambient Temperature 
 TOIi'EX
 
 
 
 
 
 
 
 
 
 
TOIi'EX
17/28 
XC6901
Series
■TYPICAL PERFORMANCE CHARACTERISTICS (Continued) 
(6) CE Pin Threshold Voltage vs Ambient Temperature   
XC6901 Series
0.70
0.75
0.80
0.85
0.90
0.95
-50 -25 0 25 50 75 100
Ambient Temperature: Ta [℃]
CE Threshold Voltage: V
CE
 [V]
CE"H"
CE"L"
VIN =-14.5V
XC6901 Series
0.7
1.2
1.7
2.2
2.7
3.2
3.7
4.2
4.7
-50 -25 0 25 50 75 100
Ambient Temperature: Ta [℃]
CE Input Current: I
CE 
[uA]
A/B TYPE
C/D TYPE
VIN =-12.4V, VCE=3.6V
XC6901 Series,Type C/D
(With CE Pull-down)
0.0
0.5
1.0
1.5
2.0
2.5
3.0
3.5
4.0
4.5
5.0
0.00.61.21.82.43.03.6
CE Voltage: V
CE 
[V]
CE Input Current: I
CE 
[μA]
Ta=-40℃
Ta=25℃
Ta=85℃
VIN =-12.4V
XC6901 Series,Type A/B
(Without CE Pull-down)
0.0
0.5
1.0
1.5
2.0
2.5
3.0
3.5
4.0
4.5
5.0
0.00.61.21.82.4 3.03.6
CE Voltage: V
CE 
[V]
CE Input Current: I
CE 
[μA]
Ta=-40℃
Ta=25℃
Ta=85℃
VIN =-12.4V
(7) CE Input Current vs CE Voltage
(8) CE Input Current vs Ambient Temperature 
 
 
 
18/28 
XC6901
 Series
■TYPICAL PERFORMANCE CHARACTERISTICS (Continued) 
(9) Input Rising Response Time 
XC6901x331
-10.0
-9.0
-8.0
-7.0
-6.0
-5.0
-4.0
-3.0
-2.0
-1.0
0.0
Time(200μs/div)
Output Voltage: V
OUT 
[V]
-5.0
-4.5
-4.0
-3.5
-3.0
-2.5
-2.0
-1.5
-1.0
-0.5
0.0
Input Voltage: V
IN 
[V]
Input Voltage
Output Voltage
V
IN
=0⇒-4.3V,tr=5μs,Ta=25℃
V
CE
=1.5V,I
OUT
=20mA,C
L
=1μF(ceramic
)
XC6901x501
-14.0
-12.0
-10.0
-8.0
-6.0
-4.0
-2.0
0.0
Time(200μs/div)
Output Voltage: V
OUT 
[V]
-7.0
-6.0
-5.0
-4.0
-3.0
-2.0
-1.0
0.0
Input Voltage: V
IN 
[V]
Output Voltage
Input Voltage
V
IN
=0⇒-6.0V,tr=5μs,Ta=25℃
V
CE
=1.5V,I
OUT
=20mA,C
L
=1μF(ceramic
)
XC6901xC01
-30.0
-24.0
-18.0
-12.0
-6.0
0.0
Time(200μs/div)
Output Voltage: V
OUT 
[V]
-15.0
-12.0
-9.0
-6.0
-3.0
0.0
Input Voltage: V
IN 
[V]
Output Voltage
V
IN
=0⇒-13V,tr=5μs,Ta=25℃
V
CE
=1.5V,I
OUT
=20mA,C
L
=1μF(ceramic
)
Input Voltage
XC6901x331
-4.0
-3.0
-2.0
-1.0
0.0
1.0
2.0
Time(200μs/div)
CE Voltage: V
CE 
[V]
Output Voltage: V
OUT 
[V]
Output Voltage
CE Voltage
V
IN
=-4.3V,I
OUT
=20mA,Ta=25℃
V
CE
=0⇒1.5V,tr=5μs,C
L
=1μF(ceramic
)
XC6901x501
-6.0
-5.0
-4.0
-3.0
-2.0
-1.0
0.0
1.0
2.0
Time(200μs/div)
CE Voltage: V
CE 
[V]
Output Voltage: V
OUT 
[V]
V
IN
=-6.0V,I
OUT
=20mA,Ta=25℃
V
CE
=0⇒1.5V,tr=5μs,C
L
=1μF(ceramic
)
Output Voltage
CE Vol tage
(10) CE Rising Response Time 
 TOIREX
 
 
TOIREX
 
19/28 
XC6901
Series
■TYPICAL PERFORMANCE CHARACTERISTICS (Continued) 
(10) CE Rising Response Time (Continued) 
XC6901xC01
-14.0
-12.0
-10.0
-8.0
-6.0
-4.0
-2.0
0.0
2.0
4.0
Time(200μs/div)
CE Voltage: V
CE 
[V]
Output Voltage: V
OUT 
[V]
V
IN
=-13V,I
OUT
=20mA,Ta=25℃
V
CE
=0⇒1.5V,tr=5μs,C
L
=1μF(ceramic
)
Output Voltage
CE Voltage
XC6901x331
-3.60
-3.55
-3.50
-3.45
-3.40
-3.35
-3.30
-3.25
-3.20
Time(100μs/div)
Output Voltage: VOUT 
[V]
-8.0
-7.0
-6.0
-5.0
-4.0
-3.0
-2.0
-1.0
0.0
Input Voltage: VIN 
[V]
Output Voltage
Input Voltage
V
IN
 =-4.3V⇔-5.3V,tr=tf=5μs,Ta=25℃,V
CE
=1.5V
I
OUT
=20mA,C
L
=1μF(ceramic
)
XC6901x501
-5.30
-5.25
-5.20
-5.15
-5.10
-5.05
-5.00
-4.95
-4.90
Time(100μs/div)
Output Voltage: V
OUT 
[V]
-7.5
-7.0
-6.5
-6.0
-5.5
-5.0
-4.5
-4.0
-3.5
Input Voltage: V
IN 
[V]
Output Voltage
Input Voltage
V
IN 
=-6V⇔-7V,tr=tf=5μs,Ta=25℃,V
CE
=1.5V
I
OUT
=20mA,C
L
=1μF(ceramic
)
XC6901xC01
-12.25
-12.20
-12.15
-12.10
-12.05
-12.00
-11.95
-11.90
Time(100μs/div)
Output Voltage: VOUT 
[V]
-14.5
-14.0
-13.5
-13.0
-12.5
-12.0
-11.5
-11.0
Input Voltage: VIN 
[V]
Output Voltage
Input Voltage
V
IN
 =-13V⇔-14V,tr=tf=5μs,Ta=25℃,V
CE
=1.5V
I
OUT
=20mA,C
L
=1μF(ceramic
)
(11) Input Transient Response 
 
 
 
 
 
 
 
 
 
 
 
 
 
 
 
 
 
 
 
 
 
 
 
 
 
20/28 
XC6901
 Series
■TYPICAL PERFORMANCE CHARACTERISTICS (Continued) 
(12) Load Transient Response 
XC6901x331
-4.5
-4.2
-3.9
-3.6
-3.3
-3.0
-2.7
Time(100μs/div)
Output Voltage: V
OUT 
[V]
0
50
100
150
200
250
300
Output Current: I
OUT 
[mA]
Output Voltage
Output Current
1mA
100mA
I
OUT
 =1⇔100mA,tr=tf=5μs,Ta=25℃,V
CE
=1.5V
V
IN
=-4.3V,C
IN
=1μF(ceramic), C
L
=1μF(ceramic
)
XC6901x501
-5.8
-5.6
-5.4
-5.2
-5.0
-4.8
-4.6
Time(100μs/div)
Output Voltage: V
OUT 
[V]
0
50
100
150
200
250
300
Output Current: I
OUT 
[mA]
Output Current
Output Voltage
1mA
100mA
I
OUT
 =1⇔100mA,tr=tf=5μs,Ta=25℃,V
CE
=1.5V
V
IN
=-6V,C
IN
=1μF(ceramic),C
L
=1μF(ceramic
)
XC6901xC01
-12.8
-12.6
-12.4
-12.2
-12.0
-11.8
-11.6
Time(200μs/div)
Output Voltage: V
OUT 
[V]
0
50
100
150
200
250
300
Output Current: I
OUT 
[mA]
Output Voltage
Output Current
1mA
100mA
I
OUT
 =1⇔100mA,tr=tf=5μs,Ta=25℃,V
CE
=1.5V
V
IN
=-13V,C
IN
=1μF(ceramic), C
L
=1μF(ceramic
)
XC6901x331
0
10
20
30
40
50
60
70
10 100 1k 10k 100k
Ripple Frequency: f  [Hz]
Ripple Rejection Rate: RR [dB]
Iout=1mA
Iout=20mA
Ta=25℃,V
IN
=-4.3V+0.5V
p- pA
C
V
CE
=1.5V,C
L
=1μF(ceramic
)
XC6901x501
0
10
20
30
40
50
60
70
10 100 1k 10k 100k
Ripple Frequency: f  [Hz]
Ripple Rejection Rate: RR [dB]
Iout=1mA
Iout=20mA
Ta=25℃,V
IN
=-6V+0.5V
p- pA
C
V
CE
=1.5V,C
L
=1μF(ceramic
)
(13) Ripple Rejection Rate 
 TOIREX
 
 
 
 
 
 
 
 
 
 
TOIREX
21/28 
XC6901
Series
■TYPICAL PERFORMANCE CHARACTERISTICS (Continued)
(13) Ripple Rejection Rate (Continued) 
XC6901xC01
0
10
20
30
40
50
60
10 100 1k 10k 100k
Ripple Frequency: f  [Hz]
Ripple Rejection Rate: RR [dB]
Iout=1mA
Iout=20mA
Ta=25℃,V
IN
=-13V+0.5V
p- pA
C
V
CE
=1.5V,C
L
=1μF(ceramic
)
 UH
 
 
 
 
 
 
 
 
 
 
3 “a
m
 
 
 
xxxxx
 
 
 
 
 
 
 
 
 
 
 
 
:5
 
 
 
 
 
D D D“;,
 
 
 
«
 
 
 
 
 
 
 
 
 
 
 
 
 
 
 
 
 
 
 
 
 
 
 
 
 
 
 
UH
 
 
 
 
 
 
 
 
 
 
3 “a
m
 
 
 
xxxxx
 
 
 
 
 
 
 
 
 
 
 
 
:5
 
 
 
 
 
D D D“;,
 
 
 
«
22/28 
XC6901
 Series
■PACKAGING INFORMATION
Φ1.0
1.6 +0.15
-0.2
4.5±0.1
0.42±0.06 0.42±0.060.47±0.06
8° 8°
1.5±0.1 1.5±0.1
0.4 +0.03
-0.02
0.4 +0.03
-0.02
123
4
5
0.42±0.06 0.42±0.06 0.42±0.06
2
●USP-6C  ●SOT-25 
●SOT-89-5 
 ————— _/
 
1.0
 
 
 
 
 
 
 
 
\
/
i 0.95 3 0.95 i
2.3
 
0. 35
 
 
 
 
 
 
 
 
 
 
 
 
 
 
 
 
 
 
 
 
 
 
 
 
 
 
 
 
 
 
 
 
    
 
1.5 440.7%03'“ .
 
 
 
 
 
 
 
 
 
 
 
 
TOIREX
 
 
 
 
 
 
 
 
 
 
 
 
 
 
 
 
 
 
————— _/
 
1.0
 
 
 
 
 
 
 
 
\
/
i 0.95 3 0.95 i
2.3
 
0. 35
 
 
 
 
 
 
 
 
 
 
 
 
 
 
 
 
 
 
 
 
 
 
 
 
 
 
 
 
 
 
 
 
    
 
1.5 440.7%03'“ .
 
 
 
 
 
 
 
 
 
 
 
 
TOIREX
23/28 
XC6901
Series
●USP-6C Reference Pattern Layout      ●USP-6C Reference Metal Mask Design 
0.225
2.4
0.50.5
0.25
1.8
2
34
5
6
1
0.45
1.0
0.05
0.05
0.45
0.250.25
●SOT-25 Reference Pattern Layout                                               ●SOT-89-5 Reference Pattern Layout 
■PACKAGING INFORMATION 
(
Continued
)
2.0
1.5 1.5
1.0 0.7
 SOT-25 Power D Ration
4o_0
SOT-25 Power D Ration
4o_0
 
 
 
 
 
 
 
 
 
 
 
 
 
 
 
 
 
 
 
 
 
 
24/28 
XC6901
 Series
● SOT-25 Power Dissipation 
      Board Mount (Tj max = 125℃) 
Ambient Temperature(℃) Power Dissipation Pd(mW)Thermal Resistance (℃/W) 
25 600 
85 240 
166.67 
■PACKAGING INFORMATION (Continued)
Power dissipation data for the SOT-25 is shown in this page.   
The value of power dissipation varies with the mount board conditions. 
Please use this data as one of reference data taken in the described condition. 
1.  Measurement Condition (Reference data) 
Condition:  Mount on a board 
Ambient: Natural convection 
Soldering:  Lead (Pb) free   
Board:  Dimensions 40 x 40 mm (1600 mm2 in one side)   
  Copper (Cu) traces occupy 50% of the board area 
In top and back faces 
Package heat-sink is tied to the copper traces 
(Board of SOT-26 is used.)   
    Material:  Glass Epoxy (FR-4) 
    Thickness:  1.6 mm 
    Through-hole: 4 x 0.8 Diameter 
Evaluation Board (Unit: mm) 
2.  Power Dissipation vs. Ambient temperature  
Pd-Ta特性グラフ
0
100
200
300
400
500
600
700
25 45 65 85 105 125
周辺温度Ta(℃)
許容損失Pd(mW)
Pd vs. Ta 
Ambient Temperature Ta (℃)
Power Dissipation Pd (mW) 
 SOT-896 Power D Ration
 
40.0
 
 
 
 
 
 
 
 
 
 
 
 
 
 
 
 
TOIREX
SOT-896 Power D Ration
 
40.0
 
 
 
 
 
 
 
 
 
 
 
 
 
 
 
 
TOIREX
 
25/28 
XC6901
Series
● SOT-89-5 Power Dissipation 
          Board Mount (Tj max = 125℃) 
Ambient Temperature(℃) Power Dissipation Pd(mW)Thermal Resistance (℃/W) 
25 1300 
85 520 
76.92 
■PACKAGING INFORMATION (Continued)
Power dissipation data for the SOT-89-5 is shown in this page.   
The value of power dissipation varies with the mount board conditions. 
Please use this data as one of reference data taken in the described condition. 
2.  Measurement Condition (Reference data) 
Condition:  Mount on a board 
Ambient: Natural convection 
Soldering:  Lead (Pb) free   
Board:  Dimensions 40 x 40 mm (1600 mm2 in one side)   
  Copper (Cu) traces occupy 50% of the board area 
In top and back faces 
Package heat-sink is tied to the copper traces 
    Material:  Glass Epoxy (FR-4) 
    Thickness:  1.6 mm 
    Through-hole: 5 x 0.8 Diameter 
Evaluation Board (Unit: mm) 
2.  Power Dissipation vs. Ambient temperature  
Pd-Ta特性グラフ
0
200
400
600
800
1000
1200
1400
25 45 65 85 105 125
周辺温度Ta(℃)
許容損失Pd(mW)
Pd vs. Ta 
Ambient Temperature Ta (℃)
て
Power Dissipation Pd (mW) 
 ode
 
40.0
 
 
 
28.9
ode
 
40.0
 
 
 
28.9
 
 
 
 
 
 
 
 
 
 
 
 
 
 
 
 
 
 
 
 
 
 
 
 
 
 
 
 
 
 
 
 
 
 
 
 
26/28 
XC6901
 Series
● USP-6C Power Dissipation 
          Board Mount (Tj max = 125℃) 
Ambient Temperature(℃) Power Dissipation Pd(mW)Thermal Resistance (℃/W) 
25 1000 
85 400 
100.00 
■PACKAGING INFORMATION (Continued)
Power dissipation data for the USP-6C is shown in this page.   
The value of power dissipation varies with the mount board conditions. 
Please use this data as one of reference data taken in the described condition. 
3.  Measurement Condition (Reference data) 
Condition:  Mount on a board 
Ambient: Natural convection 
Soldering:  Lead (Pb) free   
Board:  Dimensions 40 x 40 mm (1600 mm2 in one side)   
  Copper (Cu) traces occupy 50% of the board area 
In top and back faces 
Package heat-sink is tied to the copper traces 
    Material:  Glass Epoxy (FR-4) 
    Thickness:  1.6 mm 
    Through-hole: 4 x 0.8 Diameter 
Evaluation Board (Unit: mm) 
2.  Power Dissipation vs. Ambient temperature  
て
Pd-Ta特性グラフ
0
200
400
600
800
1000
1200
25 45 65 85 105 125
周辺温度Ta(℃)
許容損失Pd(mW)
Pd vs. Ta 
Ambient Temperature Ta (℃)
Power Dissipation Pd (mW) 
 MARK PRODUCT SERTES
F XCESO!“"“-G
OUTPUT
MARK VOLTAGE (V) TYPE PRODUCT SERIES
R ~03 N ~30 X06901D091"-G N XC6901D381“-G
S -3.8 N -6,8 D X06901D391"-G N XC6901D681“-G
T -6.8 N ~90 X06901D691"-G N XC6901D981“-G
U ~93 N 42.0 XCEBD1D991“-G N XC6901DC01"-G
MARK OUTFUTVOLTAGE (v) MARK OUTPUT VOLTAGE (v7 MARK OUTFUTVOLTAGE (v7
0 -09 (59 ~59 ~90 A 49 40 -79 409 N ~29 ~50 -BB 419
1 40 40 ~70 400 E -20 -50 -80 -110 P ~30 450 -90 420
2 41 -41 ~71 401 C -21 -51 -B1 -111 R ~31 ~61 -91
3 42 -42 ~72 402 D -22 -52 -B2 -112 S ~32 452 -92
4 43 43 ~73 403 E -23 -53 -B3 413 7 ~33 453 -93
5 44 -44 ~74 404 F -24 -54 -B4 414 U ~34 454 -94
6 45 -45 ~75 405 H -25 -55 -85 415 V ~35 455 -95
7 46 46 ~76 406 K -26 -56 -86
B 47 -47 ~77 407 L -27 -57 -B7
9 4B 43 ~73 408 M -28 -50 -BS
 
 
 
 
 
 
 
 
 
 
 
 
 
 
 
 
 
TOIREX
 
 
 
 
 
 
 
 
 
 
 
 
 
 
 
 
 
 
 
 
 
 
 
 
 
 
 
 
 
 
 
 
 
 
 
 
 
 
 
 
 
 
 
 
 
 
 
 
 
 
 
 
 
 
 
 
 
MARK PRODUCT SERTES
F XCESO!“"“-G
OUTPUT
MARK VOLTAGE (V) TYPE PRODUCT SERIES
R ~03 N ~30 X06901D091"-G N XC6901D381“-G
S -3.8 N -6,8 D X06901D391"-G N XC6901D681“-G
T -6.8 N ~90 X06901D691"-G N XC6901D981“-G
U ~93 N 42.0 XCEBD1D991“-G N XC6901DC01"-G
MARK OUTFUTVOLTAGE (v) MARK OUTPUT VOLTAGE (v7 MARK OUTFUTVOLTAGE (v7
0 -09 (59 ~59 ~90 A 49 40 -79 409 N ~29 ~50 -BB 419
1 40 40 ~70 400 E -20 -50 -80 -110 P ~30 450 -90 420
2 41 -41 ~71 401 C -21 -51 -B1 -111 R ~31 ~61 -91
3 42 -42 ~72 402 D -22 -52 -B2 -112 S ~32 452 -92
4 43 43 ~73 403 E -23 -53 -B3 413 7 ~33 453 -93
5 44 -44 ~74 404 F -24 -54 -B4 414 U ~34 454 -94
6 45 -45 ~75 405 H -25 -55 -85 415 V ~35 455 -95
7 46 46 ~76 406 K -26 -56 -86
B 47 -47 ~77 407 L -27 -57 -B7
9 4B 43 ~73 408 M -28 -50 -BS
 
 
 
 
 
 
 
 
 
 
 
 
 
 
 
 
 
TOIREX
27/28 
XC6901
Series
MARK  PRODUCT SERIES 
F XC6901******-G 
MARK 
OUTPUT 
VOLTAGE (V)
 TYPE  PRODUCT SERIES 
R -0.9 ~ -3.8  XC6901D091**-G ~ XC6901D381**-G 
S -3.9 ~ -6.8  XC6901D391**-G ~ XC6901D681**-G 
T -6.9 ~ -9.8  XC6901D691**-G ~ XC6901D981**-G 
U -9.9 ~ -12.0 
D 
XC6901D991**-G  ~ XC6901DC01**-G 
MARK  OUTPUT VOLTAGE
(
V
)
 MARK  OUTPUT VOLTAGE
(
V
)
 MARK  OUTPUT VOLTAGE
(
V
)
0
-0.9 
-3.9 
-6.9 
-9.9 
A
-1.9  -4.9  -7.9  -10.9  N
-2.9 
-5.9 
-8.9  -11.9 
1
-1.0 
-4.0 
-7.0 
-10.0 
B
-2.0  -5.0  -8.0  -11.0  P
-3.0 
-6.0 
-9.0  -12.0 
2
-1.1 
-4.1 
-7.1 
-10.1 
C
-2.1  -5.1  -8.1  -11.1  R
-3.1 
-6.1 
-9.1  -
3
-1.2 
-4.2 
-7.2 
-10.2 
D
-2.2  -5.2  -8.2  -11.2  S
-3.2 
-6.2 
-9.2  -
4
-1.3 
-4.3 
-7.3 
-10.3 
E
-2.3  -5.3  -8.3  -11.3  T
-3.3 
-6.3 
-9.3  -
5
-1.4 
-4.4 
-7.4 
-10.4 
F
-2.4  -5.4  -8.4  -11.4  U
-3.4 
-6.4 
-9.4  -
6
-1.5 
-4.5 
-7.5 
-10.5 
H
-2.5  -5.5  -8.5  -11.5  V
-3.5 
-6.5 
-9.5  -
7
-1.6 
-4.6 
-7.6 
-10.6 
K
-2.6  -5.6  -8.6  -11.6  X
-3.6 
-6.6 
-9.6  -
8
-1.7 
-4.7 
-7.7 
-10.7 
L
-2.7  -5.7  -8.7  -11.7  Y
-3.7 
-6.7 
-9.7  -
9
-1.8 
-4.8 
-7.8 
-10.8 
M
-2.8  -5.8  -8.8  -11.8  Z
-3.8 
-6.8 
-9.8  -
■MARKING RULE
123
54
① ② ③ ④ ⑤
SOT89-5
52
4
12
3
⑤
③①
④
②
④ ⑤
② ③①
1
2
3
6
5
4
USP-6C
SOT-25(Under dot) 
①  represents product series 
②  represents output voltage range and product types 
③  represents output voltage 
④,⑤  represents production lot number   
01~09, 0A~0Z, 11~9Z, A1~A9, AA~AZ, B1~ZZ repeated 
          (G,I,J,O,Q,W excluded) 
   *No character inversion used. 
※A dot is marked below the mark of  ① 
 TOREX SEMICONDUCTOR LTD.
 
 
TOREX SEMICONDUCTOR LTD.
 
 
 
28/28 
XC6901
 Series
1.  The products and product specifications contained herein are subject to change without 
notice to improve performance characteristics.  Consult us, or our representatives 
before use, to confirm that the information in this datasheet is up to date. 
2.  We assume no responsibility for any infringement of patents, patent rights, or other 
rights arising from the use of any information and circuitry in this datasheet. 
3.  Please ensure suitable shipping controls (including fail-safe designs and aging 
protection) are in force for equipment employing products listed in this datasheet. 
4.  The products in this datasheet are not developed, designed, or approved for use with 
such equipment whose failure of malfunction can be reasonably expected to directly 
endanger the life of, or cause significant injury to, the user. 
(e.g. Atomic energy; aerospace; transport; combustion and associated safety 
equipment thereof.) 
5.  Please use the products listed in this datasheet within the specified ranges. 
Should you wish to use the products under conditions exceeding the specifications, 
please consult us or our representatives. 
6.  We assume no responsibility for damage or loss due to abnormal use. 
7.  All rights reserved. No part of this datasheet may be copied or reproduced without the 
prior permission of TOREX SEMICONDUCTOR LTD. 
Products related to this Datasheet
IC REG LINEAR -5V 200MA SOT25-5
        
    IC REG LINEAR -5V 200MA SOT25-5
        
    IC REG LINEAR -3V 200MA 6USPC
        
    IC REG LINEAR -5V 200MA SOT25-5
        
    200MA NEGATIVE VOLTAGE REGULATOR
        
    200MA NEGATIVE VOLTAGE REGULATOR
        
    200MA NEGATIVE VOLTAGE REGULATOR
        
    200MA NEGATIVE VOLTAGE REGULATOR
        
    200MA NEGATIVE VOLTAGE REGULATOR
        
    200MA NEGATIVE VOLTAGE REGULATOR
        
    200MA NEGATIVE VOLTAGE REGULATOR
        
    200MA NEGATIVE VOLTAGE REGULATOR
        
    200MA NEGATIVE VOLTAGE REGULATOR
        
    200MA NEGATIVE VOLTAGE REGULATOR
        
    200MA NEGATIVE VOLTAGE REGULATOR
        
    200MA NEGATIVE VOLTAGE REGULATOR
        
    200MA NEGATIVE VOLTAGE REGULATOR
        
    200MA NEGATIVE VOLTAGE REGULATOR
        
    200MA NEGATIVE VOLTAGE REGULATOR
        
    200MA NEGATIVE VOLTAGE REGULATOR
        
    200MA NEGATIVE VOLTAGE REGULATOR
        
    200MA NEGATIVE VOLTAGE REGULATOR
        
    200MA NEGATIVE VOLTAGE REGULATOR
        
    200MA NEGATIVE VOLTAGE REGULATOR
        
    200MA NEGATIVE VOLTAGE REGULATOR
        
    200MA NEGATIVE VOLTAGE REGULATOR
        
    200MA NEGATIVE VOLTAGE REGULATOR
        
    200MA NEGATIVE VOLTAGE REGULATOR
        
    200MA NEGATIVE VOLTAGE REGULATOR
        
    200MA NEGATIVE VOLTAGE REGULATOR