TMC220x, TMC222x Datasheet by Trinamic Motion Control GmbH
View All Related Products | Download PDF Datasheet
TMC220812 & TMC2224 family Datasheet
 
 
  
mczznx 3
mczzzx ;
TRINAMIC
NOTION CONTROL
POWER DRIVER FOR STEPPER MOTORS       INTEGRATED CIRCUITS 
TRINAMIC Motion Control GmbH & Co. KG   
Hamburg, Germany 
TMC2208/2 & TMC2224 family Datasheet 
FEATURES AND BENEFITS 
2-phase stepper motors up to 2A coil current (peak) 
STEP/DIR  Interface  with  2,  4,  8,  16  or  32  microstep  pin 
setting 
Smooth Running 256 microsteps by MicroPlyer™ interpolation  
StealthChop2™ silent motor operation 
SpreadCycle™ highly dynamic motor control chopper 
Low RDSon LS 280mΩ & HS 290mΩ (typ. at 25°C) 
Voltage Range 4.75… 36V DC 
Automatic Standby current reduction (option) 
Internal Sense Resistor option (no sense resistors required) 
Passive Braking and Freewheeling 
Single Wire UART & OTP for advanced configuration options 
Integrated Pulse Generator for standalone motion 
Full Protection & Diagnostics 
Choice of QFN and wettable QFN packages for best fit 
APPLICATIONS 
Compatible Design Upgrade 
3D Printers 
Printers, POS 
Office and home automation 
Textile, Sewing Machines 
CCTV, Security 
ATM, Cash recycler 
HVAC 
DESCRIPTION 
The  TMC2202,  TMC2208  and  TMC2224  are 
ultra-silent  motor  driver  ICs  for  two-phase 
stepper motors. Their pinning is compatible 
to  a  number  of  legacy  drivers.  TRINAMICs 
sophisticated  StealthChop2  chopper 
ensures  noiseless  operation,  maximum 
efficiency  and  best  motor  torque.    Its  fast 
current  regulation  and  optional 
combination  with  SpreadCycle  allow  for 
highly  dynamic  motion.  Integrated  power-
MOSFETs  handle  motor  current  up  to  1.4A 
RMS.  Protection  and  diagnostic  features 
support  robust  and  reliable  operation.  A 
simple  to  use  UART  interface  opens  up 
more  tuning  and  control  options. 
Application specific tuning can be stored to 
OTP  memory.  Industries’  most  advanced 
STEP/DIR  stepper  motor  driver  family 
upgrades  designs  to  noiseless  and  most 
precise  operation  for  cost-effective  and 
highly competitive solutions. 
TMC2202,  TMC2208, TMC2224  Step/Dir  Drivers for Two-Phase Bipolar  Stepper Motors  up to 2A  peak  - 
StealthChop™ for Quiet Movement - UART Interface Option.  
BLOCK DIAGRAM 
 
 
 
 
 
 
 
 
 
 
 
 
 
 
 
 
 
 
 
TMC220X, TMC2224 DATASHEET (Rev. 1.09 / 2019-JUL-17)        2 
www.trinamic.com 
APPLICATION EXAMPLES: SIMPLE SOLUTIONS – HIGHLY EFFECTIVE 
The  TMC22xx  family  scores  with  power  density,  integrated  power  MOSFETs,  smooth  and  quiet 
operation,  and  a  congenial  simplicity.  The  TMC22xx  covers  a  wide  spectrum  of  applications  from 
battery systems to embedded  applications  with up to  2A motor current  per coil. TRINAMICs unique 
chopper modes SpreadCycle and StealthChop2 optimize drive performance. StealthChop reduces motor 
noise  to  the  point  of  silence  at  low  velocities.  Standby  current  reduction  keeps  costs  for  power 
dissipation and cooling down. Extensive support enables rapid design cycles and fast time-to-market 
with competitive products.  
STANDALONE REPLACEMENT FOR LEGACY STEPPER DRIVER
S/D N
S
0A+
0A-
0B+
TMC22xx
0B-
ERROR, INDEX
S/D N
S
0A+
0A-
0B+
TMC22xx
0B-
UART
CPU
High-Level 
Interface
UART INTERFACE FOR FULL DIAGNOSTICS AND CONTROL
Sense Resistors may be omitted
TMC2208-EVAL EVALUATION BOARD
ORDER CODES 
Order code 
PN 
Description 
Size [mm2] 
TMC2208-LA 
00-0150 
StealthChop driver; QFN28 (RoHS) 
5 x 5 
TMC2224-LA 
00-0154 
StealthChop driver; QFN28 (RoHS) 
5 x 5 
TMC2202-WA 
00-0159 
StealthChop driver; wettable edge QFN32 (RoHS) 
5 x 5 
TMC2208-EVAL 
40-0182 
Evaluation board for TMC2208 stepper motor driver 
85 x 55 
TMC2224-EVAL 
40-0183 
Evaluation board for TMC2224 stepper motor driver 
85 x 55 
ESELSBRÜCKE 
40-0098 
Connector board fitting to V1.3 and future 22xx-EVAL 
61 x 38 
LANDUNGSBRÜCKE 
40-0167 
Baseboard  for  TMC2208-EVAL  and  further  evaluation 
boards 
85 x 55 
In  this  example,  configuration  is  hard 
wired via pins. Software based motion 
control  generates  STEP  and  DIR 
(direction)  signals,  INDEX  and  ERROR 
signals report back status information.  
A CPU operates the driver via step and 
direction signals. It accesses diagnostic 
information  and  configures  the 
TMC22xx  via  the  UART  interface.  The 
CPU  manages  motion  control  and  the 
TMC22xx  drives  the  motor  and  smoo-
thens and optimizes drive performance.  
The  TMC22xx-EVAL  is  part  of 
TRINAMICs  universal  evaluation  board 
system  which  provides  a  convenient 
handling of the hardware as well as a 
user-friendly  software  tool  for 
evaluation.  The  TMC22xx  evaluation 
board  system  consists  of  three  parts: 
LANDUNGSBRÜCKE  (base  board), 
ESELSBRÜCKE  (connector  board  with 
test points), and TMC22xx-EVAL. 

TMC220X, TMC2224 DATASHEET (Rev. 1.09 / 2019-JUL-17)        3 
www.trinamic.com 
Table of Contents 
1 PRINCIPLES OF OPERATION ......................... 4 
1.1 KEY CONCEPTS ................................................ 5 
1.2 CONTROL INTERFACES ..................................... 6 
1.3 MOVING AND CONTROLLING THE MOTOR ........ 6 
1.4 STEALTHCHOP2 & SPREADCYCLE DRIVER ....... 6 
1.5 PRECISE CLOCK GENERATOR AND CLK INPUT... 7 
1.6 AUTOMATIC STANDSTILL POWER DOWN......... 7 
1.7 INDEX OUTPUT ................................................ 7 
2 PIN ASSIGNMENTS ........................................... 8 
2.1 PACKAGE OUTLINE TMC2208 ........................ 8 
2.2 SIGNAL DESCRIPTIONS TMC2208 .................. 8 
2.3 PACKAGE OUTLINE TMC2202 ........................ 9 
2.4 SIGNAL DESCRIPTIONS TMC2202 .................. 9 
2.5 PACKAGE OUTLINE TMC2224 ...................... 10 
2.6 SIGNAL DESCRIPTIONS TMC2224 ................ 11 
3 SAMPLE CIRCUITS .......................................... 12 
3.1 STANDARD APPLICATION CIRCUIT ................ 12 
3.2 INTERNAL RDSON SENSING .......................... 12 
3.3 5V ONLY SUPPLY .......................................... 13 
3.4 CONFIGURATION PINS .................................. 14 
3.5 HIGH MOTOR CURRENT ................................. 14 
3.6 DRIVER PROTECTION AND EME CIRCUITRY ... 15 
4 UART SINGLE WIRE INTERFACE ................ 16 
4.1 DATAGRAM STRUCTURE ................................. 16 
4.2 CRC CALCULATION ....................................... 18 
4.3 UART SIGNALS ............................................ 18 
4.4 ADDRESSING MULTIPLE SLAVES .................... 19 
5 REGISTER MAP ................................................. 20 
5.1 GENERAL REGISTERS ..................................... 21 
5.2 VELOCITY DEPENDENT CONTROL ................... 26 
5.3 SEQUENCER REGISTERS ................................. 27 
5.4 CHOPPER CONTROL REGISTERS ..................... 28 
6 STEALTHCHOP™ .............................................. 34 
6.1 AUTOMATIC TUNING ..................................... 34 
6.2 STEALTHCHOP OPTIONS ................................ 37 
6.3 STEALTHCHOP CURRENT REGULATOR ............. 37 
6.4 VELOCITY BASED SCALING ............................ 39 
6.5 COMBINING STEALTHCHOP AND SPREADCYCLE . 
   ..................................................................... 41 
6.6 FLAGS IN STEALTHCHOP ............................... 42 
6.7 FREEWHEELING AND PASSIVE BRAKING ........ 43 
7 SPREADCYCLE CHOPPER ............................... 45 
7.1 SPREADCYCLE SETTINGS ............................... 46 
8 SELECTING SENSE RESISTORS .................... 49 
9 MOTOR CURRENT CONTROL ........................ 50 
9.1 ANALOG CURRENT SCALING VREF ............... 51 
10 INTERNAL SENSE RESISTORS ..................... 53 
11 STEP/DIR INTERFACE .................................... 55 
11.1 TIMING ......................................................... 55 
11.2 CHANGING RESOLUTION ............................... 56 
11.3 MICROPLYER STEP INTERPOLATOR AND STAND 
STILL DETECTION ....................................................... 57 
11.4 INDEX OUTPUT ............................................. 58 
12 INTERNAL STEP PULSE GENERATOR ......... 59 
13 DRIVER DIAGNOSTIC FLAGS ...................... 60 
13.1 TEMPERATURE MEASUREMENT ....................... 60 
13.2 SHORT PROTECTION ...................................... 60 
13.3 OPEN LOAD DIAGNOSTICS ........................... 61 
13.4 DIAGNOSTIC OUTPUT ................................... 61 
14 QUICK CONFIGURATION GUIDE ................ 62 
15 EXTERNAL RESET ............................................. 65 
16 CLOCK OSCILLATOR AND INPUT ............... 65 
17 ABSOLUTE MAXIMUM RATINGS ................. 66 
18 ELECTRICAL CHARACTERISTICS ................. 66 
18.1 OPERATIONAL RANGE ................................... 66 
18.2 DC AND TIMING CHARACTERISTICS .............. 67 
18.3 THERMAL CHARACTERISTICS.......................... 71 
19 LAYOUT CONSIDERATIONS ......................... 72 
19.1 EXPOSED DIE PAD ........................................ 72 
19.2 WIRING GND .............................................. 72 
19.3 SUPPLY FILTERING ........................................ 72 
19.4 LAYOUT EXAMPLE TMC2208 ........................ 73 
20 PACKAGE MECHANICAL DATA .................... 74 
20.1 DIMENSIONAL DRAWINGS QFN28 ............... 74 
20.2 DIMENSIONAL DRAWINGS QFN32-WA ....... 76 
20.3 PACKAGE CODES ........................................... 77 
21 TABLE OF FIGURES ......................................... 78 
22 REVISION HISTORY ....................................... 79 
23 REFERENCES ...................................................... 79 
 
 
 
TMC220X, TMC2224 DATASHEET (Rev. 1.09 / 2019-JUL-17)        4 
www.trinamic.com 
1 Principles of Operation 
The TMC22xx family of stepper drivers is intended as a drop-in upgrade for existing low cost stepper 
driver  applications.  Its  silent  drive  technology  StealthChop  enables  non-bugging  motion  control  for 
home and office applications. A highly efficient power stage enables high current from a tiny package. 
The TMC22xx  requires just  a few control pins on its tiny package. They allow selection of the most 
important setting: the desired microstep resolution. A choice of 2, 4, 8, 16 or 32 microsteps adapts the 
driver to the capabilities  of the  motion controller. Some  package options also allow  chopper  mode 
selection by pin. 
Even  at  low  microstepping  rate,  the  TMC22xx  offers  a  number  of  unique  enhancements  over 
comparable products: TRINAMICs sophisticated StealthChop2 chopper plus the microstep enhancement 
MicroPlyer  ensure  noiseless  operation,  maximum  efficiency  and  best  motor  torque.  Its  fast  current 
regulation  and  optional  combination  with  SpreadCycle  allow  for  highly  dynamic  motion.  Protection 
and  diagnostic  features  support  robust  and  reliable  operation.  A  simple-to-use  8  bit  UART  interface 
opens up more tuning and control options. Application specific tuning can be stored to on-chip OTP 
memory. Industries’ most advanced step & direction stepper motor driver family upgrades designs to 
noiseless and most precise operation for cost-effective and highly competitive solutions. 
22n
50V
100n 
16V
ENN
GND
DIE PAD
microPlyer
Full Bridge A
Full Bridge B
+VM
VS
stepper
motor
N
S
OA1
OA2
OB1
OB2
Driver
100n
BRB
100µF
CPI
CPO
BRA RSA
Use low inductivity SMD 
type, e.g. 1206, 0.5W for 
RSA and RSB
RSB
100n
VCP
VREF
opt. driver enable
stealthChop2
spreadCycle
Integrated 
Rsense
IREF
256 Microstep 
Sequencer
Stand Still 
Current 
Reduction
2.2µ
6.3V
5VOUT
Analog current 
scaling or leave 
open
Low ESR type
Place near IC with 
short path to die pad
Connect directly 
to GND plane
Connect directly 
to GND plane
VCC_IO
TMC22xx
Step&Dir input 5V Voltage 
regulator charge pump
CLK_IN
opt. ext. clock
10-16MHz
3.3V or 5V
I/O voltage 100n
Analog Scaling
VREF
Programmable 
Diagnostic 
Outputs
Configuration 
Interface
MS1
MS2
SPREAD
INDEX
DIAG
Configuration 
(GND or VCC_IO)
Index pulse
Driver error
PDN/UART B. Dwersteg, © 
TRINAMIC 2016
Trimmed 
CLK oscillator/
selector
UART interface 
+ Register Block
Configuration 
Memory (OTP)
(not with TMC2202)
(only TMC222x)
optional UART interface
IREF
Step Pulse 
Generator
STEP
DIR
Step and Direction 
motion control
Figure 1.1 TMC22xx basic application block diagram  
THREE MODES OF OPERATION: 
OPTION 1: Standalone STEP/DIR Driver (Legacy Mode) 
A  CPU  (µC)  generates  step  &  direction  signals  synchronized  to  additional  motors  and  other 
components within the system. The TMC22xx operates the motor as commanded by the configuration 
pins and STEP/DIR signals. Motor run current either is fixed, or set by the CPU using the analog input 
VREF. The  pin  PDN_UART selects  automatic  standstill  current reduction. Feedback  from  the  driver to 
the CPU is granted by the INDEX and DIAG output signals. Enable or disable the motor using the ENN 
pin.  
 
0 +3
UART & OTP
 
 
 
{2%
 
 
 
UART
 
TMC220X, TMC2224 DATASHEET (Rev. 1.09 / 2019-JUL-17)        5 
www.trinamic.com 
OPTION 2: Standalone STEP/DIR Driver with OTP pre-configuration 
Additional options enabled by pre-programming OTP memory (label UART & OTP):  
+ Tuning of the chopper to the application for application tailored performance 
+ Cost reduction by switching the driver to internal sense resistor mode 
+ Adapting the automatic power down level and timing for best application efficiency 
S/D N
S
0A+
0A-
0B+
TMC22xx
0B-
ERROR, INDEX
CPU
High-Level 
Interface
TXD only or bit 
bang UART
Other drivers External pre-
programming
Figure 1.2 Stand-alone driver with pre-configuration 
To  enable  the  additional  options,  either  one-time  program  the  driver’s  OTP  memory,  or  store 
configuration in the CPU and transfer it to the on-chip registers following each power-up. Operation 
uses the same signals as Option 1. Programming does not need to be done within the application - it 
can be executed during testing of the PCB! Alternatively, use bit-banging by CPU firmware to configure 
the driver. Multiple drivers can be programmed at the same time using a single TXD line. 
OPTION 3: STEP/DIR Driver with Full Diagnostics and Control  
Similar to Option 2, but pin PDN_UART is connected to the CPU UART interface.  
Additional options (label UART): 
+ Detailed diagnostics and thermal management 
+ Passive braking and freewheeling for flexible, lowest power stop modes 
+ More options for microstep resolution setting (fullstep to 256 microstep) 
+ Software controlled motor current setting and more chopper options 
This  mode  allows  replacing  all  control  lines  like  ENN,  DIAG,  INDEX,  MS1,  MS2,  and  analog  current 
setting VREF by a single interface line. This way, only three signals are required for full control: STEP, 
DIR  and  PDN_UART.  Even  motion  without  external  STEP  pulses  is  provided  by  an  internal 
programmable  step  pulse  generator:  Just  set  the  desired  motor  velocity.  However,  no  ramping  is 
provided by the TMC22xx. Access to multiple driver ICs is possible using an analog multiplexer IC. 
1.1 Key Concepts 
The TMC22xx implements advanced features which are exclusive to TRINAMIC products. These features 
contribute toward greater precision, greater energy efficiency, higher reliability, smoother motion, and 
cooler operation in many stepper motor applications. 
StealthChop2™ No-noise,  high-precision  chopper  algorithm  for  inaudible  motion  and  inaudible 
standstill  of  the  motor.  Allows  faster  motor  acceleration  and  deceleration  than 
StealthChop™ and extends StealthChop to low stand still motor currents. 
SpreadCycle™ High-precision  cycle-by-cycle  current  control  algorithm  for  highest  dynamic 
movements. 
MicroPlyer™  Microstep  interpolator  for  obtaining  full  256  microstep  smoothness  with  lower 
resolution step inputs starting from fullstep 
In addition to these performance enhancements, TRINAMIC motor drivers  offer safeguards to detect 
and  protect  against  shorted  outputs,  output  open-circuit,  overtemperature,  and  undervoltage 
conditions for enhancing safety and recovery from equipment malfunctions. 
UART
UART OTP

TMC220X, TMC2224 DATASHEET (Rev. 1.09 / 2019-JUL-17)        6 
www.trinamic.com 
1.2 Control Interfaces 
The TMC22xx supports both, discrete control lines for basic mode selection and a UART based single 
wire  interface  with  CRC  checking.  The  UART  interface  automatically  becomes  enabled  when  correct 
UART data is sent. When using UART, the pin selection may be disabled by control bits. 
1.2.1 UART Interface 
The single wire interface allows unidirectional operation (for parameter setting only), or bi-directional 
operation for full control and diagnostics.  It can be driven by any standard microcontroller UART or 
even  by  bit  banging  in  software.  Baud  rates  from  9600  Baud  to  500k  Baud  or  even  higher  (when 
using  an  external  clock)  may  be  used.  No  baud  rate  configuration  is  required,  as  the  TMC22xx 
automatically  adapts  to  the  masters’  baud  rate.  The  frame  format  is  identical  to  the  intelligent 
TRINAMIC  controller  &  driver  ICs  TMC5130  and  TMC5072.  A  CRC  checksum  allows  data  transmission 
over longer distance. For fixed initialization sequences, store the data including CRC into the µC, thus 
consuming  only  a  few  100  bytes  of  code  for  a  full  initialization.  CRC  may  be  ignored  during  read 
access, if not desired.  This  makes CRC use an optional feature! The IC has a fixed address. Multiple 
drivers can be programmed in parallel by tying together all interface pins, in case no read access is 
required. An optional addressing can be provided by analog multiplexers, like 74HC4066.  
From  a  software  point  of  view  the  TMC22xx  is  a  peripheral  with  a  number  of  control  and  status 
registers. Most of them can either be written only or are read only. Some of the registers allow both, 
read and write access. In case read-modify-write access is desired for a write only register, a shadow 
register can be realized in master software. 
1.3 Moving and Controlling the Motor 
1.3.1 STEP/DIR Interface 
The motor is controlled by a step and direction input. Active edges on the STEP input can be rising 
edges or both rising and falling edges as controlled by a special mode bit (DEDGE). Using both edges 
cuts the toggle rate of the STEP signal in half, which is useful for communication over slow interfaces 
such as optically isolated interfaces. The state sampled from the DIR input upon an active STEP edge 
determines  whether  to  step  forward  or  back.  Each step  can  be  a  fullstep  or  a  microstep,  in  which 
there are 2, 4, 8, 16, 32, 64, 128, or 256 microsteps per fullstep. A step impulse with a low state on 
DIR increases the microstep counter and a high state decreases the counter by an amount controlled 
by the microstep resolution. An internal table translates the counter value into the sine and cosine 
values which control the motor current for microstepping. 
1.3.2 Internal Step Pulse Generator 
Some applications do not require a precisely co-ordinate motion – the motor just is required to move 
for a certain time and at a certain velocity. The TMC22xx comes with an internal pulse generator for 
these applications: Just provide the velocity via UART interface to move the motor. The velocity sign 
automatically controls the direction of the motion. However, the pulse generator does not integrate a 
ramping function. Motion at higher velocities will require ramping up and ramping down the velocity 
value via software.  
STEP/DIR mode and internal pulse generator mode can be mixed in an application! 
1.4 StealthChop2 & SpreadCycle Driver  
StealthChop is a voltage chopper based principle. It especially guarantees that the motor is absolutely 
quiet  in  standstill  and  in  slow  motion,  except  for  noise  generated  by  ball  bearings.  Unlike  other 
voltage mode choppers, StealthChop2 does not require any configuration. It automatically learns the 
best settings during the first motion after power up and further optimizes the settings in subsequent 
motions. An initial homing sequence is sufficient for learning. Optionally, initial learning parameters 
can be stored to OTP. StealthChop2 allows high motor dynamics, by reacting at once to a change of 
motor velocity.  
UART
UART
 
CURRENT
 
 
 
 
 
TMC220X, TMC2224 DATASHEET (Rev. 1.09 / 2019-JUL-17)        7 
www.trinamic.com 
For  highest  velocity  applications,  SpreadCycle  is  an  option  to  StealthChop2.  It  can  be  enabled  via 
input  pin  (TMC222x)  or  via  UART  and  OTP.  StealthChop2  and  SpreadCycle  may  even  be  used  in  a 
combined configuration for the best of both worlds: StealthChop2 for no-noise stand still, silent and 
smooth performance, SpreadCycle  at higher velocity for  high dynamics and  highest  peak velocity  at 
low vibration.  
SpreadCycle  is  an  advanced  cycle-by-cycle  chopper  mode.  It  offers  smooth  operation  and  good 
resonance  dampening  over  a  wide  range  of  speed  and  load.  The  SpreadCycle  chopper  scheme 
automatically integrates and tunes fast decay cycles to guarantee smooth zero crossing performance. 
Benefits of using StealthChop2: 
- Significantly improved microstepping with low cost motors 
- Motor runs smooth and quiet 
- Absolutely no standby noise 
- Reduced mechanical resonance yields improved torque 
1.5 Precise clock generator and CLK input 
The TMC22xx provides  a factory trimmed internal clock generator for precise  chopper  frequency  and 
performance. However, an optional external clock input is available for cases, where quartz precision 
is  desired,  or  where  a  lower  or  higher  frequency  is  required.  For  safety,  the  clock  input  features 
timeout detection, and switches back to internal clock upon fail of the external source.  
1.6 Automatic Standstill Power Down 
An  automatic  current  reduction  drastically  reduces  application  power  dissipation  and  cooling 
requirements. Per default, the stand still current reduction is enabled by pulling PDN_UART input  to 
GND. It reduces standstill power dissipation to less than 33% by going to slightly more than half of 
the run current.  
Modify  stand  still  current,  delay  time  and  decay  via  UART,  or  pre-programmed  via  internal  OTP. 
Automatic freewheeling and passive motor braking are provided as an option for stand still. Passive 
braking  reduces  motor  standstill  power  consumption  to  zero,  while  still  providing  effective 
dampening and braking! 
t
CURRENT
TPOWERDOWN
power down 
delay time
RMS motor current trace with pin PDN=0
IHOLD
IRUN
IHOLDDELAY
power down 
ramp time
STEP
Figure 1.3 Automatic Motor Current Power Down 
1.7 Index Output 
The  index  output  gives  one  pulse  per  electrical  rotation,  i.e.  one  pulse  per  each  four  fullsteps.  It 
shows the internal sequencer microstep 0 position (MSTEP near 0). This is the power on position. In 
combination with a mechanical home switch, a more precise homing is enabled. 
 
EEEEEEE
 
0
3:33:33
 
 
 
 
 
 
 
 
 
 
 
 
 
 
 
 
 
 
 
 
 
 
 
 
TMC220X, TMC2224 DATASHEET (Rev. 1.09 / 2019-JUL-17)        8 
www.trinamic.com 
2 Pin Assignments 
The TMC22xx family comes in a number of package variants in order to fit different footprints. Please 
check for availability.  
2.1 Package Outline TMC2208 
OB2
ENN
GND
CPO
-
OB1
BRA
CLK
INDEX
MS2
DIAG
STEP
VREF
GND
DIR
-
OA2
CPI
VCP
PDN_UART
MS1
5VOUT
OA1
-
BRB
VS
VS
VCC_IO
1234567
21201918171615
22232425262728
141312111098
TMC2208
QFN28
Pad=GND
© B. Dwersteg, 
TRINAMIC
Figure 2.1 TMC2208 Pinning Top View – type: QFN28, 5x5mm², 0.5mm pitch 
2.2 Signal Descriptions TMC2208 
Pin 
Number 
Type 
Function 
OB2 
1 
Motor coil B output 2 
ENN 
2 
DI 
Enable not input. The power stage becomes switched off (all motor 
outputs floating) when this pin becomes driven to a high level. 
GND 
3, 18 
GND. Connect to GND plane near pin. 
CPO 
4 
Charge pump capacitor output. 
CPI 
5 
Charge pump capacitor input. Tie to CPO using 22nF 50V capacitor. 
VCP 
6 
Charge pump voltage. Tie to VS using 100nF capacitor. 
N.C.  
7, 20, 
25 
Unused pin, leave open or connect to GND for compatibility to future 
versions. 
5VOUT 
8 
Output  of  internal  5V  regulator.  Attach  2.2µF  to  4.7µF  ceramic 
capacitor  to  GND  near  to  pin  for  best  performance.  Provide  the 
shortest possible loop to the GND pad. 
MS1 
9 
DI (pd) 
Microstep resolution configuration (internal pull-down resistors) 
MS2, MS1: 00: 1/8, 01: 1/2, 10: 1/4 11: 1/16 
MS2 
10 
DI (pd) 
DIAG 
11 
DO 
Diagnostic output. Hi level upon driver error. Reset by ENN=high. 
INDEX 
12 
DO 
Configurable index output. Provides index pulse. 
CLK 
13 
DI 
CLK input.  Tie to GND  using  short  wire for internal  clock  or supply 
external clock. 
PDN_UART 
14 
DIO 
Power  down  not  control  input  (low  =  automatic  standstill  current 
reduction).  
Optional  UART  Input/Output. Power down  function  can be disabled 
in UART mode. 
VCC_IO 
15 
3.3V to 5V IO supply voltage for all digital pins. 
 
 
 
 
 
 
 
 
 
 
 
 
 
 
 
 
 
 
UUUUUUUU
 
EEEEEEEE
 
Hflflflflflflfl
0
33333333
 
 
 
 
 
 
 
 
 
 
 
 
 
TMC220X, TMC2224 DATASHEET (Rev. 1.09 / 2019-JUL-17)        9 
www.trinamic.com 
Pin 
Number 
Type 
Function 
STEP 
16 
DI 
STEP input  
VREF 
17 
AI 
Analog reference voltage for current scaling or reference current for 
use of internal sense resistors (optional mode) 
DIR 
19 
DI (pd) 
DIR input (internal pull-down resistor) 
VS 
22, 28 
Motor  supply  voltage.  Provide  filtering  capacity  near  pin  with 
shortest possible loop to GND pad. 
OA2 
21 
Motor coil A output 2 
BRA 
23 
Sense resistor connection for coil A. Place sense resistor to GND near 
pin. Tie to GND when using internal sense resistor. 
OA1 
24 
Motor coil A output 1 
OB1 
26 
Motor coil B output 1 
BRB 
27 
Sense resistor connection for coil B. Place sense resistor to GND near 
pin. Tie to GND when using internal sense resistor. 
Exposed  
die pad 
- 
Connect  the  exposed  die  pad  to  a  GND  plane.  Provide  as  many  as 
possible vias for heat transfer to GND plane. Serves as GND pin for 
power drivers and analogue circuitry. 
2.3 Package Outline TMC2202 
CPO
OB1
OA1
CLK
DIAG
MS1
MS2
GND
DIR
-
VS
-
OA2
ENN
GND
PDN_UART
5VOUT
VCP
-
-
-
BRB
-
VREF
1234567
24232221201918
26272829303132
1514131211109
TMC2202
QFN32
Pad=GND
8
OB2
-
VS
-
17
© B. Dwersteg, 
TRINAMIC
CPI STEP
VCC_IO
16
BRA
25
Figure 2.2 TMC2202 Pinning Top View – type: QFN32, 5x5mm², 0.5mm pitch 
2.4 Signal Descriptions TMC2202 
Pin 
Number 
Type 
Function 
OB2 
1 
Motor coil B output 2 
N.C.  
2, 4, 21, 
23, 26, 
28, 29, 
31 
Unused  pin,  leave  open  to  provide  for  higher  creeping  voltage 
distances. 
VS 
3, 22 
Motor  supply  voltage.  Provide  filtering  capacity  near  pin  with 
shortest possible loop to GND pad. 
ENN 
5 
DI 
Enable not input. The power stage becomes switched off (all motor 
outputs floating) when this pin becomes driven to a high level. 
 
 
EEEEEEE
 
 
 
 
0
3333333
 
 
 
 
 
 
 
 
 
 
 
 
 
 
 
 
 
 
 
 
 
 
 
 
 
TMC220X, TMC2224 DATASHEET (Rev. 1.09 / 2019-JUL-17)       10 
www.trinamic.com 
Pin 
Number 
Type 
Function 
GND 
6, 19 
GND. Connect to GND plane near pin. 
CPO 
7 
Charge pump capacitor output. 
CPI 
8 
Charge pump capacitor input. Tie to CPO using 22nF 50V capacitor. 
VCP 
9 
Charge pump voltage. Tie to VS using 100nF capacitor. 
5VOUT 
10 
Output  of  internal  5V  regulator.  Attach  2.2µF  to  4.7µF  ceramic 
capacitor  to  GND  near  to  pin  for  best  performance.  Provide  the 
shortest possible loop to the GND pad. 
MS1 
11 
DI (pd) 
Microstep resolution configuration (internal pull-down resistors) 
MS2, MS1: 00: 1/8, 01: 1/2, 10: 1/4 11: 1/16 
MS2 
12 
DI (pd) 
DIAG 
13 
DO 
Diagnostic output. Hi level upon driver error. Reset by ENN=high. 
CLK 
14 
DI 
CLK input.  Tie to GND  using  short wire for internal  clock or supply 
external clock. 
PDN_UART 
15 
DIO 
Power  down  not  control  input  (low  =  automatic  standstill  current 
reduction).  
Optional  UART  Input/Output. Power down  function  can be disabled 
in UART mode. 
VCC_IO 
16 
3.3V to 5V IO supply voltage for all digital pins. 
STEP 
17 
DI 
STEP input  
VREF 
18 
AI 
Analog reference voltage for current scaling or reference current for 
use of internal sense resistors (optional mode) 
DIR 
20 
DI (pd) 
DIR input (internal pull-down resistor) 
OA2 
24 
Motor coil A output 2 
BRA 
25 
Sense resistor connection for coil A. Place sense resistor to GND near 
pin. Tie to GND when using internal sense resistor. 
OA1 
27 
Motor coil A output 1 
OB1 
30 
Motor coil B output 1 
BRB 
32 
Sense resistor connection for coil B. Place sense resistor to GND near 
pin. Tie to GND when using internal sense resistor. 
Exposed  
die pad 
- 
Connect  the  exposed  die  pad  to  a  GND  plane.  Provide  as  many  as 
possible vias for heat transfer to GND plane. Serves as GND pin for 
power drivers and analogue circuitry. 
2.5 Package Outline TMC2224 
MS2
INDEX
GND
CPO
VS
-
DIR
OB2
BRB
OA1
OB1
TEST
GND
5VOUT
VCC_IO
PDN_UART
DIAG
CPI
VCP
VS
BRA
OA2
ENN
STEP
CLK
MS1
SPREAD
VREF
1 2 3 4 5 6 7
21201918171615
22232425262728
141312111098
TMC2224
QFN28
Pad=GND
© B. Dwersteg, 
TRINAMIC
Figure 2.3 TMC2224 Pinning Top View – type: QFN28, 5x5mm², 0.5mm pitch 

TMC220X, TMC2224 DATASHEET (Rev. 1.09 / 2019-JUL-17)       11 
www.trinamic.com 
2.6 Signal Descriptions TMC2224 
Pin 
Number 
Type 
Function 
MS1 
28 
DI (pd) 
Microstep resolution configuration (internal pull-down resistors) 
MS2, MS1: 00: 1/4, 01: 1/8, 10: 1/16, 11: 1/32 
MS2 
1 
DI (pd) 
INDEX 
2 
DO 
Configurable index output. Provides index pulse. 
GND 
3, 17 
GND. Connect to GND plane near pin. 
CPO 
4 
Charge pump capacitor output. 
CPI 
5 
Charge pump capacitor input. Tie to CPO using 22nF 50V capacitor. 
VCP 
6 
Charge pump voltage. Tie to VS using 100nF capacitor. 
VS 
7, 14 
Motor  supply  voltage.  Provide  filtering  capacity  near  pin  with 
shortest possible loop to GND pad. 
OA2 
8 
Motor coil A output 2 
BRA 
9 
Sense resistor connection for coil A. Place sense resistor to GND near 
pin. Tie to GND when using internal sense resistor. 
OA1 
10 
Motor coil A output 1 
OB1 
11 
Motor coil B output 1 
BRB 
12 
Sense resistor connection for coil B. Place sense resistor to GND near 
pin. Tie to GND when using internal sense resistor. 
OB2 
13 
Motor coil B output 2 
VREF 
15 
AI 
Analog reference voltage for current scaling or reference current for 
use of internal sense resistors (optional mode) 
TEST 
16 
Connect to GND. May alternatively be left open or connected to VREF. 
5VOUT 
18 
Output  of  internal  5V  regulator.  Attach  2.2µF  to  4.7µF  ceramic 
capacitor  to  GND  near  to  pin  for  best  performance.  Provide  the 
shortest possible loop to the GND pad. 
VCC_IO 
19 
3.3V to 5V IO supply voltage for all digital pins. 
PDN_UART 
20 
DIO 
(pd) 
Power  down  not  control  input  (low  =  automatic  standstill  current 
reduction). (internal pull-down resistor) 
Optional  UART  Input/Output. Power down  function  can be disabled 
in UART mode. 
DIAG 
21 
DO 
Diagnostic output. Hi level upon driver error. Reset by ENN=high. 
SPREAD 
22 
DI (pd) 
Chopper mode selection: Low=StealthChop, High=SpreadCycle 
DIR 
23 
DI (pd) 
DIR input (internal pull-down resistor) 
ENN 
24 
DI 
Enable not input. The power stage becomes switched off (all motor 
outputs floating) when this pin becomes driven to a high level. 
STEP 
25 
DI (pd) 
STEP input (internal pull-down resistor) 
N.C.  
26 
Unused pin, leave open or connect to GND for compatibility to future 
versions. 
CLK 
27 
DI 
CLK input.  Tie to GND  using  short wire for internal  clock or supply 
external clock. 
Exposed  
die pad 
- 
Connect  the  exposed  die  pad  to  a  GND  plane.  Provide  as  many  as 
possible vias for heat transfer to GND plane. Serves as GND pin for 
power drivers and analogue circuitry. 
 
 
 
 
 
 
 
 
 
TMC220X, TMC2224 DATASHEET (Rev. 1.09 / 2019-JUL-17)       12 
www.trinamic.com 
3 Sample Circuits 
The sample  circuits  show  the  connection  of  external  components  in  different  operation  and  supply 
modes. The connection of the bus interface and further digital signals is left out for clarity. 
3.1 Standard Application Circuit 
22n
50V
100n 
16V
ENN
GND
DIE PAD
microPlyer
Full Bridge A
Full Bridge B
+VM
VS
stepper
motor
N
S
OA1
OA2
OB1
OB2
Driver
100n
BRB
100µF
CPI
CPO
BRA RSA
Use low inductivity SMD 
type, e.g. 1206, 0.5W for 
RSA and RSB
RSB
100n
VCP
VREF
opt. driver enable
stealthChop2
spreadCycle
Integrated 
Rsense
IREF
256 Microstep 
Sequencer
Stand Still 
Current 
Reduction
2.2µ
6.3V
5VOUT
Analog current 
scaling or leave 
open
Low ESR type
Place near IC with 
short path to die pad
Connect directly 
to GND plane
Connect directly 
to GND plane
VCC_IO
TMC22xx
Step&Dir input 5V Voltage 
regulator charge pump
CLK_IN
opt. ext. clock
10-16MHz
3.3V or 5V
I/O voltage 100n
Analog Scaling
VREF
Programmable 
Diagnostic 
Outputs
Configuration 
Interface
MS1
MS2
SPREAD
INDEX
DIAG
Configuration 
(GND or VCC_IO)
Index pulse
Driver error
PDN/UART B. Dwersteg, © 
TRINAMIC 2016
Trimmed 
CLK oscillator/
selector
UART interface 
+ Register Block
Configuration 
Memory (OTP)
(not with TMC2202)
(only TMC222x)
optional UART interface
IREF
Step Pulse 
Generator
STEP
DIR
Step and Direction 
motion control
Figure 3.1 Standard application circuit 
The standard application circuit uses a  minimum set of additional components. Two sense resistors 
set the motor coil current. See chapter 8 to choose the right sense resistors. Use low ESR capacitors 
for filtering the power supply. The capacitors need to cope with the current ripple cause by chopper 
operation.  A  minimum  capacity  of  100µF  near  the  driver  is  recommended  for  best  performance. 
Current  ripple  in  the  supply  capacitors  also  depends  on  the  power  supply  internal  resistance  and 
cable length. VCC_IO can be supplied from 5VOUT, or from an external source, e.g. a 3.3V regulator.  
Basic layout hints 
Place sense resistors and all filter capacitors as close as possible to the related IC pins. Use a solid 
common GND for all GND connections, also for sense resistor GND. Connect 5VOUT filtering capacitor 
directly to 5VOUT and the die pad. See layout hints for more details. Low ESR electrolytic capacitors 
are recommended for VS filtering.  
3.2 Internal RDSon Sensing 
For  cost  critical  or  space  limited  applications,  sense  resistors  can  be  omitted.  For  internal  current 
sensing, a reference current set by a tiny external resistor programs the output current. For calculation 
of the reference resistor, refer chapter 9.1. 
Attention 
Be sure to switch the IC to RDSon mode, before enabling drivers: Set otp_internalRsense = 1. 
 
 
 
 
 
 
 
TMC220X, TMC2224 DATASHEET (Rev. 1.09 / 2019-JUL-17)       13 
www.trinamic.com 
VCC_IO
TMC22xx
Step&Dir input 5V Voltage 
regulator charge pump
22n
50V
100n 
16V
CLK_IN
ENN
GND
DIE PAD
opt. ext. clock
10-16MHz
3.3V or 5V
I/O voltage 100n
microPlyer
Full Bridge A
Full Bridge B
+VM
VS
stepper
motor
N
S
OA1
OA2
OB1
OB2
Driver
100n
BRB
100µF
CPI
CPO
BRA
100n
VCP
Analog Scaling
VREF
VREF
opt. driver enable
Programmable 
Diagnostic 
Outputs
Configuration 
Interface
MS1
MS2
SPREAD
INDEX
DIAG
Configuration 
(GND/open or VCC_IO)
Index pulse
Driver error
PDN/UART B. Dwersteg, © 
TRINAMIC 2016
Trimmed 
CLK oscillator/
selector
UART interface 
+ Register Block
Configuration 
Memory (OTP)
(not with TMC2202)
(only TMC222x)
stealthChop2
spreadCycle
Integrated 
Rsense
IREF
IREF
256 Microstep 
Sequencer
Step Pulse 
Generator Stand Still 
Current 
Reduction
STEP
DIR
2.2µ
6.3V
5VOUT
Step and Direction 
motion control
RREF
Attention: 
Start with ENN=high!
Set GCONF.1 or OTP0.6 
prior to enabling the driver! 
Low ESR type
Connect directly 
to GND plane
Connect directly 
to GND plane
Place near IC with 
short path to die pad
optional UART interface
Figure 3.2 Application circuit using RDSon based sensing 
3.3 5V Only Supply 
22n
50V
100n 
16V
ENN
GND
DIE PAD
microPlyer
Full Bridge A
Full Bridge B
4.7-5.4V
VS
stepper
motor
N
S
OA1
OA2
OB1
OB2
Driver
100n
BRB
100µF
CPI
CPO
BRA RSA
RSB
100n
VCP
VREF
opt. driver enable
stealthChop2
spreadCycle
Integrated 
Rsense
IREF
256 Microstep 
Sequencer
Stand Still 
Current 
Reduction
10µ
6.3V
5VOUT
10R
Use low inductivity SMD 
type, e.g. 1206, 0.5W for 
RSA and RSB
Low ESR type
Place near IC with 
short path to die pad
Connect directly 
to GND plane
Connect directly 
to GND plane
VCC_IO
TMC22xx
Step&Dir input 5V Voltage 
regulator charge pump
CLK_IN
opt. ext. clock
10-16MHz
3.3V or 5V
I/O voltage 100n
Analog Scaling
VREF
Programmable 
Diagnostic 
Outputs
Configuration 
Interface
MS1
MS2
SPREAD
INDEX
DIAG
Configuration 
(GND/open or VCC_IO)
Index pulse
Driver error
PDN/UART B. Dwersteg, © 
TRINAMIC 2016
Trimmed 
CLK oscillator/
selector
UART interface 
+ Register Block
Configuration 
Memory (OTP)
(not with TMC2202)
(only TMC222x)
IREF
Step Pulse 
Generator
STEP
DIR
Step and Direction 
motion control
Optional – bridges the 
internal 5V reference
optional UART interface
Figure 3.3 5V only operation 
While  the  standard  application  circuit  is  limited  to  roughly  5.2 V  lower  supply  voltage,  a  5 V  only 
application lets the IC run from a 5 V +/-5% supply. In this application, linear regulator drop must be 

TMC220X, TMC2224 DATASHEET (Rev. 1.09 / 2019-JUL-17)       14 
www.trinamic.com 
minimized.  Therefore,  the  internal  5V  regulator  is  filtered  with  a  higher  capacitance.  An  optional 
resistor bridges the internal 5V regulator by connecting 5VOUT to the external power supply. This RC 
filter keeps chopper ripple away from 5VOUT. With this resistor, the external supply is the reference 
for the absolute motor current and must not exceed 5.5V. 
3.4 Configuration Pins 
The  TMC22xx  family  members  provide  three  or  four  configuration  pins  depending  on  the  package 
option. These pins allow quick configuration for standalone operation. Several additional options can 
be set by OTP programming. In UART mode, the configuration pins can be disabled in order to set a 
different configuration via registers.  
PDN_UART: CONFIGURATION OF STANDSTILL POWER DOWN 
PDN_UART 
Current Setting 
GND 
Enable automatic power down in standstill periods 
VCC_IO 
Disable  
UART interface 
When  using  the  UART  interface,  the  configuration  pin  should  be  disabled  via 
GCONF.pdn_disable = 1. Program IHOLD as desired for standstill periods. 
OPTIONS FOR TMC220X DEVICES, ONLY:  
MS1/MS2: CONFIGURATION OF MICROSTEP RESOLUTION FOR STEP INPUT (TMC220X) 
MS2 
MS1 
Microstep Setting  
GND 
GND 
8 microsteps 
GND 
VCC_IO 
2 microsteps (half step) 
VCC_IO 
GND 
4 microsteps (quarter step) 
VCC_IO 
VCC_IO 
16 microsteps 
OPTIONS FOR TMC222X DEVICES, ONLY:  
SPREAD (ONLY WITH TMC222X): SELECTION OF CHOPPER MODE 
SPREAD 
Chopper Setting 
GND or  
Pin open / not 
available 
StealthChop  is  selected.  Automatic  switching  to  SpreadCycle  in  dependence  of 
the step frequency can be programmed via OTP. 
VCC_IO 
SpreadCycle operation. 
MS1/MS2: CONFIGURATION OF MICROSTEP RESOLUTION FOR STEP INPUT (TMC222X) 
MS2 
MS1 
Microstep Setting  
GND 
GND 
4 microsteps (quarter step) 
GND 
VCC_IO 
8 microsteps 
VCC_IO 
GND 
16 microsteps 
VCC_IO 
VCC_IO 
32 microsteps 
3.5 High Motor Current 
When  operating  at  a  high  motor  current,  the  driver  power  dissipation  due  to  MOSFET  switch  on-
resistance significantly heats up the driver. This power dissipation will significantly heat up the PCB 
cooling infrastructure, if operated at an increased duty cycle. This in turn leads to a further increase of 
driver  temperature.  An  increase  of  temperature  by  about  100°C  increases  MOSFET  resistance  by 
roughly  50%.  This  is  a  typical  behavior  of  MOSFET  switches.  Therefore,  under  high  duty  cycle,  high 
load  conditions,  thermal  characteristics  have  to  be  carefully  taken  into  account,  especially  when 
increased  environment  temperatures  are  to  be  supported.  Refer  the  thermal  characteristics  and  the 
layout  hints  for  more  information.  As  a  thumb  rule,  thermal  properties  of  the  PCB  design  become 
 
 
 
 
 
 
 
 
 
 
 
 
 
 
 
TMC220X, TMC2224 DATASHEET (Rev. 1.09 / 2019-JUL-17)       15 
www.trinamic.com 
critical for the tiny QFN 5mm x 5mm package at or above 1A RMS motor current for increased periods 
of time. Keep in mind that resistive power dissipation raises with the square of the motor current. On 
the other hand, this means that a small reduction of motor current significantly saves heat dissipation 
and energy.  
Pay special attention to good thermal properties of your PCB layout, when going for 1A RMS current 
or more.   
An effect which might be perceived at medium motor velocities and motor sine wave peak currents 
above roughly 1.4A peak is  a slight  sine distortion of the current wave  when  using  SpreadCycle.  It 
results  from  an  increasing  negative  impact  of  parasitic  internal  diode  conduction,  which  in  turn 
negatively influences the duration of the fast decay cycle of the SpreadCycle chopper. This is, because 
the  current  measurement  does  not  see  the  full  coil  current  during  this  phase  of  the  sine  wave, 
because an increasing part of the current flows directly from the power MOSFETs’ drain to GND and 
does not flow through the sense resistor. This effect with most motors does not negatively influence 
the smoothness of operation, as it does not impact the critical current zero transition. The effect does 
not occur with StealthChop. 
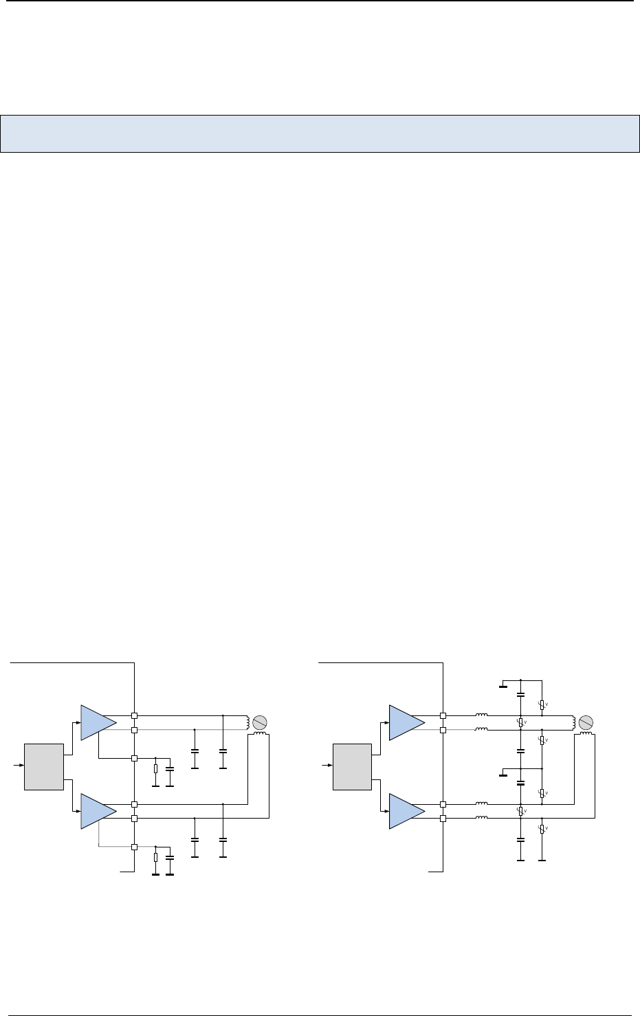
3.6 Driver Protection and EME Circuitry 
Some  applications  have  to  cope  with  ESD  events  caused  by  motor  operation  or  external  influence. 
Despite ESD circuitry within the driver chips, ESD events occurring during operation can cause a reset 
or even a destruction of the motor driver, depending on their energy. Especially plastic housings and 
belt drive systems tend to cause ESD events of several kV. It is best practice to avoid ESD events by 
attaching all conductive parts, especially the motors themselves to PCB ground, or to apply electrically 
conductive plastic parts. In addition, the driver can be protected up to a certain degree against ESD 
events or live plugging / pulling the motor, which also causes high voltages and high currents into 
the motor connector terminals. A simple scheme uses capacitors at the driver outputs to reduce the 
dV/dt  caused  by  ESD  events.  Larger  capacitors will  bring  more  benefit  concerning  ESD  suppression, 
but cause additional current flow in each chopper cycle, and thus increase driver power dissipation, 
especially  at  high  supply  voltages.  The  values  shown  are  example  values  –  they  may  be  varied 
between 100pF and 1nF. The capacitors also dampen high frequency noise injected from digital parts 
of the application PCB circuitry and thus reduce electromagnetic emission. A more elaborate scheme 
uses LC filters to de-couple the driver outputs from the motor connector. Varistors in between of the 
coil terminals eliminate coil overvoltage caused by live plugging. Optionally protect all outputs by a 
varistor to GND against ESD voltage. 
Full Bridge A
Full Bridge B
stepper
motor
N
S
OA1
OA2
OB1
OB2
Driver
470pF
100V
470pF
100V
470pF
100V
470pF
100V
Full Bridge A
Full Bridge B
stepper
motor
N
S
OA1
OA2
OB1
OB2
Driver
470pF
100V
470pF
100V
50Ohm @ 
100MHz
50Ohm @ 
100MHz
50Ohm @ 
100MHz
50Ohm @ 
100MHz
V1
V2
Fit varistors to supply voltage 
rating. SMD inductivities 
conduct full motor coil 
current.
470pF
100V
470pF
100V
Varistors V1 and V2 protect 
against inductive motor coil 
overvoltage. 
V1A, V1B, V2A, V2B: 
Optional position for varistors 
in case of heavy ESD events.
BRB
RSA
BRA
100nF
16V
RSB 100nF
16V
V1A
V1B
V2A
V2B
Figure 3.4 Simple ESD enhancement and more elaborate motor output protection 
 
 
 
TMC220X, TMC2224 DATASHEET (Rev. 1.09 / 2019-JUL-17)       16 
www.trinamic.com 
4 UART Single Wire Interface 
The UART single wire interface allows control of the TMC22xx with any microcontroller UART. It shares 
transmit and  receive line  like  an  RS485  based  interface.  Data  transmission is  secured using  a  cyclic 
redundancy check, so that increased interface distances (e.g. over cables between two PCBs) can be 
bridged  without  danger  of  wrong  or  missed  commands  even  in  the  event  of  electro-magnetic 
disturbance. The automatic baud rate detection makes this interface easy to use. 
4.1 Datagram Structure 
4.1.1 Write Access 
UART WRITE ACCESS DATAGRAM STRUCTURE 
each byte is LSB…MSB, highest byte transmitted first 
0 … 63 
sync + reserved 
8 bit slave 
address 
RW + 7 bit 
register addr. 
32 bit data 
CRC 
0…7 
8…15 
16…23 
24…55 
56…63 
1 
0 
1 
0 
Reserved (don’t cares 
but included in CRC) 
SLAVEADDR=0 
register 
address 
1 
data bytes 3, 2, 1, 0 
(high to low byte) 
CRC 
0 
1 
2 
3 
4 
5 
6 
7 
8 
… 
15 
16 
… 
23 
24 
… 
55 
56 
… 
63 
A sync nibble precedes each transmission  to and  from the TMC22xx  and is  embedded  into the  first 
transmitted  byte,  followed  by  an  addressing  byte  (0  for  TMC22xx).  Each  transmission  allows  a 
synchronization of the internal baud rate divider to the master clock. The actual baud rate is adapted 
and  variations  of  the  internal  clock  frequency  are  compensated.  Thus,  the  baud  rate  can  be  freely 
chosen  within  the  valid  range.  Each  transmitted  byte  starts  with  a  start  bit  (logic  0,  low  level  on 
SWIOP)  and  ends  with  a  stop  bit  (logic  1,  high  level  on  SWIOP).  The  bit  time  is  calculated  by 
measuring the time from the beginning of start bit (1 to 0 transition) to the end of the sync frame (1 
to  0  transition  from  bit  2  to  bit  3).  All  data  is  transmitted  bytewise.  The  32  bit  data  words  are 
transmitted with the highest byte first.  
A minimum baud rate of 9000 baud is permissible, assuming 20 MHz clock (worst case for low baud 
rate). Maximum baud rate is fCLK/16 due to the required stability of the baud clock. 
The slave address SLAVEADDR is always 0 for the TMC22xx.  
The communication becomes reset if a pause time of longer than 63 bit times between the start bits 
of two successive bytes occurs. This timing is based on the last correctly received datagram. In this 
case, the transmission needs to be restarted after a failure recovery time of minimum 12 bit times of 
bus idle time. This scheme allows the master to reset communication in case of transmission errors. 
Any pulse on an idle data line below 16 clock cycles will be treated as a glitch and leads to a timeout 
of 12 bit times, for which the data line must be idle. Other errors like wrong CRC are also treated the 
same  way.  This  allows  a  safe  re-synchronization  of  the  transmission  after  any  error  conditions. 
Remark, that due to this mechanism an abrupt reduction of the baud rate to less than 15 percent of 
the previous value is not possible. 
Each  accepted  write  datagram  becomes  acknowledged  by  the  receiver  by  incrementing  an  internal 
cyclic  datagram  counter  (8  bit).  Reading  out  the  datagram  counter  allows  the  master  to  check  the 
success  of  an  initialization  sequence  or  single  write  accesses.  Read  accesses  do  not  modify  the 
counter. 
UART

TMC220X, TMC2224 DATASHEET (Rev. 1.09 / 2019-JUL-17)       17 
www.trinamic.com 
The UART line  must be logic high during idle state.  Therefore,  the power down function cannot be 
assigned  by  the  pin  PDN_UART  in  between  of  transmissions.  In  an  application  using  the  UART 
interface, set the desired power down  function by register  access and set  pdn_disable  in GCONF to 
disable the pin function. 
4.1.2 Read Access 
UART READ ACCESS REQUEST DATAGRAM STRUCTURE 
each byte is LSB…MSB, highest byte transmitted first 
sync + reserved 
8 bit slave address 
RW + 7 bit register 
address 
CRC 
0...7 
8…15 
16…23 
24…31 
1 
0 
1 
0 
Reserved (don’t cares 
but included in CRC) 
SLAVEADDR=0 
register address 
0 
CRC 
0 
1 
2 
3 
4 
5 
6 
7 
8 
… 
15 
16 
… 
23 
24 
… 
31 
The  read  access  request  datagram  structure  is  identical to the  write  access  datagram structure,  but 
uses a lower number of user bits. Its function is the addressing of the slave and the transmission of 
the desired register address for the read  access. The TMC22xx responds with the same baud rate as 
the master uses for the read request. 
In  order  to  ensure  a  clean  bus  transition  from  the  master  to  the  slave,  the  TMC22xx  does  not 
immediately send the reply to a read access, but it uses a programmable delay time after which the 
first  reply  byte  becomes  sent  following  a  read  request.  This  delay  time  can  be  set  in  multiples  of 
eight  bit  times  using  SENDDELAY  time  setting  (default=8  bit  times)  according  to  the  needs  of  the 
master. 
UART READ ACCESS REPLY DATAGRAM STRUCTURE 
each byte is LSB…MSB, highest byte transmitted first 
0 ...... 63 
sync + reserved 
8 bit master 
address 
RW + 7 bit 
register addr. 
32 bit data 
CRC 
0…7 
8…15 
16…23 
24…55 
56…63 
1 
0 
1 
0 
reserved (0) 
0xFF 
register 
address 
0 
data bytes 3, 2, 1, 0 
(high to low byte) 
CRC 
0 
1 
2 
3 
4 
5 
6 
7 
8 
… 
15 
16 
… 
23 
24 
… 
55 
56 
… 
63 
The  read  response  is  sent  to  the  master  using  address  code  %11111111.  The  transmitter  becomes 
switched inactive four bit times after the last bit is sent.  
Address %11111111 is reserved for read access replies going to the master. 
 
 
 
 
 
 
 
m
 
 
 
 
 
m7
 
 
 
 
 
 
 
 
 
TMC220X, TMC2224 DATASHEET (Rev. 1.09 / 2019-JUL-17)       18 
www.trinamic.com 
4.2 CRC Calculation 
An 8 bit CRC polynomial is used for checking both read and write access. It allows detection of up to 
eight single bit errors. The CRC8-ATM polynomial with an initial value of zero is applied LSB to MSB, 
including  the  sync-  and  addressing  byte.  The  sync  nibble  is  assumed  to  always  be  correct.  The 
TMC22xx  responds  only  to  correctly  transmitted  datagrams  containing  its  own  slave  address.  It 
increases its datagram counter for each correctly received write access datagram. 
  
SERIAL CALCULATION EXAMPLE  
CRC = (CRC << 1) OR (CRC.7 XOR CRC.1 XOR CRC.0 XOR [new incoming bit]) 
C-CODE EXAMPLE FOR CRC CALCULATION 
void swuart_calcCRC(UCHAR* datagram, UCHAR datagramLength) 
{ 
  int i,j; 
  UCHAR* crc = datagram + (datagramLength-1); // CRC located in last byte of message 
  UCHAR currentByte; 
  *crc = 0; 
  for (i=0; i<(datagramLength-1); i++) {      // Execute for all bytes of a message 
    currentByte = datagram[i];                // Retrieve a byte to be sent from Array 
    for (j=0; j<8; j++) { 
      if ((*crc >> 7) ^ (currentByte&0x01))   // update CRC based result of XOR operation 
      { 
        *crc = (*crc << 1) ^ 0x07; 
      } 
      else 
      { 
        *crc = (*crc << 1); 
      } 
      currentByte = currentByte >> 1; 
    } // for CRC bit 
  } // for message byte 
} 
4.3 UART Signals 
The UART interface on the TMC22xx uses a single bi-direction pin: 
UART INTERFACE SIGNAL 
PDN_UART 
Non-inverted data input and output. I/O with Schmitt Trigger and VCC_IO level. 
The IC checks PDN_UART for correctly received datagrams with its own address continuously. It adapts 
to the baud rate based on the sync nibble, as described before. In case of a read access, it switches 
on its output drivers and sends its response using the same baud rate. The output becomes switched 
off four bit times after transfer of the last stop bit. 
Master CPU 
(µC with UART)
TMC22xx
(R/W access)
PDN_UART
TXD
RXD
1k Master CPU 
(µC with UART)
TMC22xx #1
(write only access)
PDN_UART
TXD
TMC22xx #2
(write only access)
PDN_UART
Figure 4.1 Attaching the TMC22xx to a microcontroller UART 
 
 
 
 
 
 
 
 
 
 
 
 
 
 
 
 
 
TMC220X, TMC2224 DATASHEET (Rev. 1.09 / 2019-JUL-17)       19 
www.trinamic.com 
4.4 Addressing Multiple Slaves 
WRITE ONLY ACCESS 
If read access is not used, and all slaves are to be programmed with the same initialization values, no 
addressing is required. All slaves can be programmed in parallel like a single device (Figure 4.1.). 
ADDRESSING MULTIPLE SLAVES 
As  the  TMC22xx  uses  a  fixed  UART  address,  in  principle  only  one  IC  can  be  accessed  per  UART 
interface channel. Adding analog switches allows separated access to individual ICs. This scheme  is 
similar to an SPI bus with individual slave select lines (Figure 4.2). 
Master CPU 
(µC with UART)
TMC22xx
#1
PDN_UART
TMC22xx
#2
TMC22xx
#3
TXD
RXD
+VIO
1k
22k
SWO
¼ 74HC4066
Select#1Port pin
Port pin
Port pin
PDN_UART
+VIO
22k
SWO
¼ 74HC4066
PDN_UART
+VIO
22k
SWO
¼ 74HC4066
Select#2
Select#3
74HC1G125
Optional  buffer  for 
transmission  over  long 
lines or many slaves.
Port pin
Figure 4.2 Addressing multiple TMC22xx via single wire interface using analog switches 
PROCEED AS FOLLOWS TO CONTROL MULTIPLE SLAVES: 
-  Set  the  UART  to  8  bits,  no  parity.  Select  a  baud  rate  safely  within  the  valid  range.  At 
250kBaud, a write access transmission requires 320µs (=8 Bytes * (8+2) bits * 4µs). 
-  Before starting an access, activate the select pin going to the analog switch by setting it high. 
All other slaves select lines shall be off, unless a broadcast is desired. 
-  When using the optional buffer, set TMC22xx transmission send delay to an appropriate value 
allowing the µC to switch off the buffer before receiving reply data.  
-  To start a transmission, activate the TXD line buffer by setting the control pin low. 
-  When sending a read access request, switch off the buffer after transmission of the last stop 
bit is finished.  
-  Take into account, that all transmitted data also is received by the RXD input. 
 
 
 
 
 
 
 
 
 
 
 
 
 
 
 
 
 
 
 
TMC220X, TMC2224 DATASHEET (Rev. 1.09 / 2019-JUL-17)       20 
www.trinamic.com 
5 Register Map 
This chapter gives an overview of the complete register set. Some of the registers bundling a number 
of single bits are detailed in extra tables. The functional practical application of the settings is detailed 
in dedicated chapters.  
Note 
- Reset default: All registers become reset to 0 upon power up, unless otherwise noted. 
- Add 0x80 to the address Addr for write accesses! 
NOTATION OF HEXADECIMAL AND BINARY NUMBERS 
0x 
precedes a hexadecimal number, e.g. 0x04  
% 
precedes a multi-bit binary number, e.g. %100 
NOTATION OF R/W FIELD 
R 
Read only 
W 
Write only 
R/W 
Read- and writable register 
R+C 
Clear upon read 
OVERVIEW REGISTER MAPPING 
REGISTER 
DESCRIPTION 
General Configuration Registers 
These registers contain  
- global configuration 
- global status flags 
- OTP read access and programming 
- interface configuration 
Velocity  Dependent  Driver  Feature  Control  Register 
Set 
This register set offers registers for 
- driver current control, stand still reduction 
- setting thresholds for different chopper modes 
- internal pulse generator control 
Chopper Register Set 
This register set offers registers for 
- optimization  of  StealthChop2  and  SpreadCycle 
and read out of internal values 
- passive braking and freewheeling options 
- driver diagnostics 
- driver enable / disable 
UART

TMC220X, TMC2224 DATASHEET (Rev. 1.09 / 2019-JUL-17)       21 
www.trinamic.com 
5.1 General Registers 
GENERAL CONFIGURATION REGISTERS (0X00…0X0F) 
R/W 
Addr 
n 
Register 
Description / bit names 
RW 
0x00 
10 
GCONF 
Bit 
GCONF – Global configuration flags  
0 
I_scale_analog  (Reset default=1) 
0:   Use internal reference derived from 5VOUT 
1:   Use voltage supplied to VREF as current reference 
1 
internal_Rsense (Reset default: OTP) 
0:  Operation with external sense resistors 
1:   Internal sense resistors. Use current supplied into 
VREF as reference for internal sense resistor. VREF 
pin internally is driven to GND in this mode. 
2 
en_SpreadCycle (Reset default: OTP) 
0:  StealthChop  PWM  mode  enabled  (depending  on 
velocity  thresholds).  Initially  switch  from  off  to 
on state while in stand still, only.  
1:   SpreadCycle mode enabled 
A high level on the pin SPREAD (TMC222x, only) inverts 
this flag to switch between both chopper modes. 
3 
shaft 
1:   Inverse motor direction 
4 
index_otpw  
0:  INDEX  shows  the  first  microstep  position  of 
sequencer 
1:  INDEX  pin  outputs  overtemperature  prewarning 
flag (otpw) instead 
5 
index_step 
0:  INDEX output as selected by index_otpw 
1:  INDEX  output  shows  step  pulses  from  internal 
pulse generator (toggle upon each step) 
6 
pdn_disable  
0:  PDN_UART controls standstill current reduction 
1:  PDN_UART  input  function  disabled.  Set  this  bit, 
when using the UART interface! 
7 
mstep_reg_select 
0:  Microstep resolution selected by pins MS1, MS2 
1:  Microstep resolution selected by MSTEP register 
8 
multistep_filt (Reset default=1) 
0:  No filtering of STEP pulses 
1:  Software  pulse  generator  optimization  enabled 
when fullstep frequency > 750Hz (roughly). TSTEP 
shows filtered step time values when active. 
9 
test_mode 
0:   Normal operation 
1:  Enable analog test output on pin ENN (pull-down 
resistor off), ENN treated as enabled. 
  IHOLD[1..0] selects the function of DCO:  
0…2: T120, DAC, VDDH 
Attention: Not for user, set to 0 for normal operation! 

TMC220X, TMC2224 DATASHEET (Rev. 1.09 / 2019-JUL-17)       22 
www.trinamic.com 
GENERAL CONFIGURATION REGISTERS (0X00…0X0F) 
R/W 
Addr 
n 
Register 
Description / bit names 
R+ 
WC 
0x01 
3 
GSTAT 
Bit 
GSTAT – Global status flags  
(Re-Write with ‘1’ bit to clear respective flags) 
0 
reset 
1:   Indicates that the IC has been reset since the last 
read  access  to  GSTAT.  All  registers  have  been 
cleared to reset values. 
1 
drv_err  
1:   Indicates,  that  the  driver  has  been  shut  down 
due to overtemperature or short circuit detection 
since the  last  read  access.  Read  DRV_STATUS  for 
details.  The  flag  can  only  be  cleared  when  all 
error conditions are cleared. 
2 
uv_cp 
1:  Indicates  an  undervoltage  on  the  charge  pump. 
The driver is disabled in this case. This flag is not 
latched and thus does not need to be cleared. 
R 
0x02 
8 
IFCNT 
Interface  transmission  counter.  This  register  becomes 
incremented with each successful UART interface write 
access.  Read  out  to  check  the  serial  transmission  for 
lost  data.  Read  accesses  do  not  change  the  content. 
The counter wraps around from 255 to 0.  
W 
0x03 
4 
SLAVECONF 
Bit 
SLAVECONF 
11..8 
SENDDELAY for read access (time until reply is sent):  
0, 1:   8 bit times  
2, 3:   3*8 bit times  
4, 5:   5*8 bit times  
6, 7:   7*8 bit times  
8, 9:   9*8 bit times  
10, 11:  11*8 bit times  
12, 13:  13*8 bit times  
14, 15:  15*8 bit times  
W 
0x04 
16 
OTP_PROG 
Bit 
OTP_PROGRAM – OTP programming  
Write access programs OTP memory (one bit at a time),  
Read access refreshes read data from OTP after a write 
2..0 
OTPBIT 
Selection of OTP bit to be programmed to the selected 
byte location (n=0..7: programs bit n to a logic 1)  
5..4 
OTPBYTE 
Selection of OTP programming location (0, 1 or 2) 
15..8 
OTPMAGIC 
Set  to  0xbd  to  enable  programming.  A  programming 
time of minimum 10ms per bit is recommended (check 
by reading OTP_READ).  
R 
0x05 
24 
OTP_READ 
Bit 
OTP_READ (Access to OTP memory result and update) 
See separate table! 
7..0 
OTP0 byte 0 read data 
15..8 
OTP1 byte 1 read data 
23..16 
OTP2 byte 2 read data 
R 
0x06 
10 
+ 
8 
IOIN 
Bit 
INPUT (Reads the state of all input pins available) 
0 
ENN (TMC220x) 
1 
PDN_UART (TMC222x) 
2 
MS1 (TMC220x), SPREAD (TMC222x) 
3 
MS2 (TMC220x), DIR (TMC222x) 

TMC220X, TMC2224 DATASHEET (Rev. 1.09 / 2019-JUL-17)       23 
www.trinamic.com 
GENERAL CONFIGURATION REGISTERS (0X00…0X0F) 
R/W 
Addr 
n 
Register 
Description / bit names 
4 
DIAG (TMC220x), ENN (TMC222x) 
5 
STEP (TMC222x) 
6 
PDN_UART (TMC220x), MS1 (TMC222x) 
7 
STEP (TMC220x), MS2 (TMC222x) 
8 
SEL_A: Driver type 
1: TMC220x 
0: TMC222x 
9 
DIR (TMC220x) 
31.. 
24 
VERSION: 0x20=first version of the IC 
Identical numbers mean full digital compatibility. 
RW 
0x07 
5+2 
FACTORY_ 
CONF 
4..0 
FCLKTRIM (Reset default: OTP) 
0…31:  Lowest  to  highest  clock  frequency.  Check  at 
charge  pump  output.  The  frequency  span  is  not 
guaranteed,  but  it  is  tested,  that  tuning  to  12MHz 
internal  clock  is  possible.  The  devices  come  preset to 
12MHz clock frequency by OTP programming. 
9..8 
OTTRIM   (Default: OTP) 
%00:   OT=143°C, OTPW=120°C 
%01:  OT=150°C, OTPW=120°C 
%10:  OT=150°C, OTPW=143°C 
%11:  OT=157°C, OTPW=143°C 
 
 
 
 
StealthChog.
SgreadCyde
 
 
 
 
 
 
 
 
 
 
 
 
 
 
 
 
TMC220X, TMC2224 DATASHEET (Rev. 1.09 / 2019-JUL-17)       24 
www.trinamic.com 
5.1.1 OTP_READ – OTP configuration memory 
The OTP memory holds power up defaults for certain registers. All OTP memory bits are cleared to 0 
by default.  Programming  only can set bits, clearing bits is not possible.  Factory tuning of the clock 
frequency affects otp0.0 to otp0.4. The state of these bits therefore may differ between individual ICs. 
0X05: OTP_READ – OTP MEMORY MAP 
Bit 
Name 
Function 
Comment 
23 
otp2.7 
otp_en_SpreadCycle 
This flag determines if the driver defaults to SpreadCycle 
or to StealthChop. 
0 
Default: StealthChop (GCONF.en_SpreadCycle=0) 
OTP 1.0 to 1.7 and 2.0 used for StealthChop 
SpreadCycle settings: HEND=0; HSTART=5; TOFF=3 
1
Default: SpreadCycle (GCONF.en_SpreadCycle=1) 
OTP 1.0 to 1.7 and 2.0 used for SpreadCycle 
StealthChop settings: PWM_GRAD=0; TPWM_THRS=0; 
PWM_OFS=36; pwm_autograd=1 
22 
otp2.6 
OTP_IHOLD 
Reset  default  for  standstill  current  IHOLD  (used  only  if 
current reduction enabled, e.g. pin PDN_UART low). 
%00:  IHOLD=  16  (53% of IRUN) 
%01:  IHOLD=  2  ( 9% of IRUN) 
%10:  IHOLD=  8  (28% of IRUN) 
%11:  IHOLD=  24  (78% of IRUN) 
(Reset default for run current IRUN=31) 
21 
otp2.5 
20 
otp2.4 
OTP_IHOLDDELAY 
Reset default for IHOLDDELAY 
%00:  IHOLDDELAY=  1 
%01:  IHOLDDELAY=  2 
%10:  IHOLDDELAY=  4 
%11:  IHOLDDELAY=  8 
19 
otp2.3 
18 
otp2.2 
otp_PWM_FREQ 
Reset default for PWM_FREQ: 
0: PWM_FREQ=%01=2/683 
1: PWM_FREQ=%10=2/512 
17 
otp2.1 
otp_PWM_REG 
Reset default for PWM_REG: 
0: PWM_REG=%1000: max. 4 increments / cycle 
1: PWM_REG=%0010: max. 1 increment / cycle 
16 
otp2.0 
otp_PWM_OFS 
Depending on otp_en_SpreadCycle 
0 
0: PWM_OFS=36 
1: PWM_OFS=00  (no  feed  forward  scaling);  
 pwm_autograd=0 
OTP_CHOPCONF8 
1 
Reset default for CHOPCONF.8 (hend1) 
15 
otp1.7 
OTP_TPWMTHRS 
Depending on otp_en_SpreadCycle 
14 
otp1.6 
0 
Reset default for TPWM_THRS as defined by (0..7):  
0: TPWM_THRS=  0 
1:   TPWM_THRS=  200 
2:   TPWM_THRS=  300 
3:   TPWM_THRS=  400 
4:   TPWM_THRS=  500 
5:   TPWM_THRS=  800 
6:   TPWM_THRS=  1200 
7:   TPWM_THRS=  4000 
13 
otp1.5 
OTP_CHOPCONF7...5 
1 
Reset  default  for  CHOPCONF.5  to  CHOPCONF.7 
(hstrt1, hstrt2 and hend0) 
12 
otp1.4 
otp_pwm_autograd 
Depending on otp_en_SpreadCycle 
0 
0: pwm_autograd=1 
1: pwm_autograd=0 

TMC220X, TMC2224 DATASHEET (Rev. 1.09 / 2019-JUL-17)       25 
www.trinamic.com 
0X05: OTP_READ – OTP MEMORY MAP 
Bit 
Name 
Function 
Comment 
OTP_CHOPCONF4 
1 
Reset  default  for  CHOPCONF.4  (hstrt0); 
(pwm_autograd=1) 
11 
otp1.3 
OTP_PWM_GRAD 
Depending on otp_en_SpreadCycle 
10 
otp1.2 
0 
Reset default for PWM_GRAD as defined by (0..15): 
0: PWM_GRAD=  14 
1:   PWM_GRAD=  16 
2:   PWM_GRAD=  18 
3:   PWM_GRAD=  21 
4:   PWM_GRAD=  24 
5:   PWM_GRAD=  27 
6:   PWM_GRAD=  31 
7:   PWM_GRAD=  35 
8:   PWM_GRAD=  40 
9:   PWM_GRAD=  46 
10: PWM_GRAD=  52 
11:  PWM_GRAD=  59 
12:  PWM_GRAD=  67 
13:  PWM_GRAD=  77 
14:  PWM_GRAD=  88 
15:  PWM_GRAD=  100 
9 
otp1.1 
8 
otp1.0 
OTP_CHOPCONF3...0 
1 
Reset default for CHOPCONF.0 to CHOPCONF.3 (TOFF) 
7 
otp0.7 
otp_TBL 
Reset default for TBL: 
0: TBL=%10 
1: TBL=%01 
6 
otp0.6 
otp_internalRsense 
Reset default for GCONF.internal_Rsense 
0: External sense resistors 
1: Internal sense resistors 
5 
otp0.5 
otp_OTTRIM 
Reset default for OTTRIM:  
0: OTTRIM= %00 (143°C) 
1: OTTRIM= %01 (150°C) 
(internal power stage temperature about 10°C above the 
sensor temperature limit) 
4 
otp0.4 
OTP_FCLKTRIM 
Reset default for FCLKTRIM 
0: lowest frequency setting 
31: highest frequency setting  
Attention: This value is pre-programmed by factory clock 
trimming  to  the  default  clock  frequency  of  12MHz  and 
differs between individual ICs! It should not be altered. 
3 
otp0.3 
2 
otp0.2 
1 
otp0.1 
0 
otp0.0 

TMC220X, TMC2224 DATASHEET (Rev. 1.09 / 2019-JUL-17)       26 
www.trinamic.com 
5.2 Velocity Dependent Control 
VELOCITY DEPENDENT DRIVER FEATURE CONTROL REGISTER SET (0X10…0X1F)  
R/W 
Addr 
n 
Register 
Description / bit names 
W 
0x10 
5 
+ 
5 
+ 
4 
IHOLD_IRUN 
Bit 
IHOLD_IRUN – Driver current control 
4..0 
IHOLD (Reset default: OTP) 
Standstill current (0=1/32 … 31=32/32) 
In  combination  with  StealthChop  mode,  setting 
IHOLD=0  allows  to  choose  freewheeling  or  coil 
short circuit (passive braking) for motor stand still. 
12..8 
IRUN (Reset default=31) 
Motor run current (0=1/32 … 31=32/32) 
Hint: Choose sense resistors in a way, that normal 
IRUN is 16 to 31 for best microstep performance. 
19..16 
IHOLDDELAY (Reset default: OTP) 
Controls  the  number  of  clock  cycles  for  motor 
power down after standstill is detected (stst=1) and 
TPOWERDOWN  has  expired.  The  smooth  transition 
avoids a motor jerk upon power down. 
0:   instant power down 
1..15:   Delay per current reduction step in multiple 
of 2^18 clocks 
W 
0x11 
8 
TPOWER 
DOWN 
TPOWERDOWN (Reset default=20) 
Sets the  delay  time  from  stand  still  (stst)  detection  to  motor 
current power down. Time range is about 0 to 5.6 seconds.  
0…((2^8)-1) * 2^18 tCLK 
Attention:  A  minimum  setting  of  2  is  required  to  allow 
automatic tuning of StealthChop PWM_OFFS_AUTO. 
R 
0x12 
20 
TSTEP 
Actual  measured  time  between  two  1/256  microsteps  derived 
from  the  step  input  frequency  in  units  of  1/fCLK.  Measured 
value is (2^20)-1 in case of overflow or stand still.  
The  TSTEP  related  threshold  uses  a  hysteresis  of  1/16  of  the 
compare value to compensate for jitter in the clock or the step 
frequency:  (Txxx*15/16)-1  is  the  lower  compare  value  for  each 
TSTEP based comparison. 
This  means,  that  the  lower  switching  velocity  equals  the 
calculated setting, but the upper switching velocity is higher as 
defined by the hysteresis setting. 
W 
0x13 
20 
TPWMTHRS 
Sets the upper velocity for StealthChop voltage PWM mode. 
TSTEP ≥ TPWMTHRS 
-  StealthChop PWM mode is enabled, if configured 
When  the  velocity  exceeds  the  limit  set  by  TPWMTHRS,  the 
driver switches to SpreadCycle. 
0: Disabled 
W 
0x22 
24 
VACTUAL 
VACTUAL allows moving the motor by UART control. 
It gives the motor velocity in +-(2^23)-1 [µsteps / t] 
0: Normal operation. Driver reacts to STEP input. 
/=0:  Motor  moves  with  the  velocity  given  by  VACTUAL.  Step 
pulses  can  be  monitored  via  INDEX  output.  The  motor 
direction is controlled by the sign of VACTUAL. 

TMC220X, TMC2224 DATASHEET (Rev. 1.09 / 2019-JUL-17)       27 
www.trinamic.com 
5.3 Sequencer Registers 
The  sequencer  registers  have  a  pure  informative  character  and  are  read-only.  They  help  for  special 
cases like storing the last motor position before power off in battery powered applications. 
MICROSTEPPING CONTROL REGISTER SET (0X60…0X6B)  
R/W 
Addr 
n 
Register 
Description / bit names 
Range [Unit] 
R 
0x6A 
10 
MSCNT 
Microstep  counter.  Indicates  actual  position 
in the microstep table for CUR_A. CUR_B uses 
an offset  of 256  into the table.  Reading out 
MSCNT  allows  determination  of  the  motor 
position within the electrical wave. 
0…1023 
R 
0x6B 
9 
+ 
9 
MSCURACT 
bit 8… 0: CUR_A (signed):  
  Actual  microstep  current  for 
motor  phase  A  as  read  from  the 
internal  sine  wave  table  (not 
scaled by current setting)  
bit 24… 16: CUR_B (signed): 
  Actual  microstep  current  for 
motor  phase  B  as  read  from  the 
internal  sine  wave  table  (not 
scaled by current setting)  
+/-0...255 

TMC220X, TMC2224 DATASHEET (Rev. 1.09 / 2019-JUL-17)       28 
www.trinamic.com 
5.4 Chopper Control Registers 
DRIVER REGISTER SET (0X6C…0X7F)  
R/W 
Addr 
n 
Register 
Description / bit names 
Range [Unit] 
RW 
0x6C 
32 
CHOPCONF 
Chopper and driver configuration  
See separate table! 
Reset default= 
0x10000053 
R 
0x6F 
32 
DRV_ 
STATUS 
Driver  status  flags  and  current  level  read 
back 
See separate table! 
RW 
0x70 
22 
PWMCONF 
StealthChop PWM chopper configuration 
See separate table! 
Reset default= 
0xC10D0024 
R 
0x71 
9+8 
PWM_SCALE 
Results  of  StealthChop  amplitude  regulator. 
These  values  can  be  used  to  monitor 
automatic  PWM  amplitude  scaling  (255=max. 
voltage). 
bit 7… 0 
PWM_SCALE_SUM:  
 Actual  PWM  duty  cycle.  This 
value  is  used  for  scaling  the 
values  CUR_A  and  CUR_B  read 
from the sine wave table. 
0…255 
bit 24… 16
PWM_SCALE_AUTO: 
9 Bit signed offset added to the 
calculated  PWM  duty  cycle.  This 
is  the  result  of  the  automatic 
amplitude  regulation  based  on 
current measurement. 
signed  
-255…+255 
R 
0x72 
8+8 
PWM_AUTO 
These automatically generated values can be 
read  out  in  order  to  determine  a  default  / 
power  up  setting  for  PWM_GRAD  and 
PWM_OFS. 
bit 7… 0  
PWM_OFS_AUTO:  
 Automatically  determined  offset 
value 
0…255 
bit 23… 16
PWM_GRAD_AUTO: 
Automatically  determined 
gradient value 
0…255 

TMC220X, TMC2224 DATASHEET (Rev. 1.09 / 2019-JUL-17)       29 
www.trinamic.com 
5.4.1 CHOPCONF – Chopper Configuration 
0X6C: CHOPCONF – CHOPPER CONFIGURATION 
Bit 
Name 
Function 
Comment 
31 
diss2vs 
Low side short 
protection disable 
0: Short protection low side is on 
1: Short protection low side is disabled 
30 
diss2g 
short to GND 
protection disable 
0: Short to GND protection is on 
1: Short to GND protection is disabled 
29 
dedge 
enable double edge 
step pulses 
1: Enable step impulse at each step edge to reduce step 
frequency requirement. This mode is not compatible 
with the step filtering function (multistep_filt) 
28 
intpol 
interpolation to 256 
microsteps 
1: The actual microstep resolution (MRES) becomes 
extrapolated to 256 microsteps for smoothest motor 
operation. 
(Default: 1) 
27 
mres3 
MRES  
micro step resolution 
%0000: 
Native 256 microstep setting. 
26 
mres2 
25 
mres1 
%0001 … %1000:  
128, 64, 32, 16, 8, 4, 2, FULLSTEP 
Reduced microstep resolution.  
The  resolution  gives  the  number  of  microstep  entries  per 
sine quarter wave. 
When  choosing  a  lower  microstep  resolution,  the  driver 
automatically  uses  microstep  positions  which  result  in  a 
symmetrical wave. 
Number of microsteps per step pulse = 2^MRES 
(Selection  by  pins  unless  disabled  by  GCONF. 
mstep_reg_select) 
24 
mres0 
23 
- 
reserved 
set to 0 
22 
21 
20 
19 
18 
17 
vsense 
sense resistor voltage 
based current scaling 
0: Low sensitivity, high sense resistor voltage 
1: High sensitivity, low sense resistor voltage 
16 
tbl1 
TBL 
blank time select 
%00 … %11:  
Set comparator blank time to 16, 24, 32 or 40 clocks 
Hint: %00 or %01 is recommended for most applications 
(Default: OTP) 
15 
tbl0 
14 
- 
reserved 
set to 0 
13 
12 
11 
10 
hend3 
HEND 
hysteresis low value 
OFFSET 
sine wave offset 
%0000 … %1111:  
Hysteresis is -3, -2, -1, 0, 1, …, 12  
(1/512 of this setting adds to current setting) 
This is the hysteresis value which becomes used for the 
hysteresis chopper. 
(Default: OTP, resp. 5 in StealthChop mode) 
9 
hend2 
8 
hend1 
7 
hend0 
6 
hstrt2 
HSTRT 
hysteresis start value 
added to HEND 
%000 … %111:  
Add 1, 2, …, 8 to hysteresis low value HEND 
(1/512 of this setting adds to current setting) 
Attention: Effective HEND+HSTRT ≤ 16. 
Hint: Hysteresis decrement is done each 16 clocks 
5 
hstrt1 
4 
hstrt0 

TMC220X, TMC2224 DATASHEET (Rev. 1.09 / 2019-JUL-17)       30 
www.trinamic.com 
0X6C: CHOPCONF – CHOPPER CONFIGURATION 
Bit 
Name 
Function 
Comment 
(Default: OTP, resp. 0 in StealthChop mode) 
3 
toff3 
TOFF off time 
and driver enable 
Off time setting controls duration of slow decay phase 
NCLK= 24 + 32*TOFF 
%0000: Driver disable, all bridges off 
%0001: 1 – use only with TBL ≥ 2 
%0010 … %1111: 2 … 15 
(Default: OTP, resp. 3 in StealthChop mode) 
2 
toff2 
1 
toff1 
0 
toff0 
 
 
 
 
 
 
 
 
 
 
Preconditions
Time regulred for lumng PWM GRAD AUTO
 
 
 
 
 
 
 
 
TMC220X, TMC2224 DATASHEET (Rev. 1.09 / 2019-JUL-17)       31 
www.trinamic.com 
5.4.2 PWMCONF – Voltage PWM Mode StealthChop 
0X70: PWMCONF – VOLTAGE MODE PWM STEALTHCHOP 
Bit 
Name 
Function 
Comment 
31 
PWM_LIM 
PWM automatic scale 
amplitude limit when 
switching on 
Limit  for  PWM_SCALE_AUTO  when  switching  back  from 
SpreadCycle to StealthChop. This value defines the upper 
limit  for  bits  7  to  4  of  the  automatic  current  control 
when switching back. It can be set to reduce the current 
jerk during mode change back to StealthChop. 
It does not limit PWM_GRAD or PWM_GRAD_AUTO offset. 
(Default = 12) 
30 
29 
28 
27 
PWM_REG 
Regulation loop 
gradient 
User defined maximum PWM amplitude change per half 
wave when using pwm_autoscale=1. (1…15): 
1: 0.5 increments (slowest regulation) 
2: 1 increment (default with OTP2.1=1) 
3: 1.5 increments 
4: 2 increments 
… 
8: 4 increments (default with OTP2.1=0) 
...  
15: 7.5 increments (fastest regulation) 
26 
25 
24 
23 
- 
reserved 
set to 0 
22 
- 
reserved 
set to 0 
21 
freewheel1 
Allows different 
standstill modes 
Stand still option when motor current setting is zero 
(I_HOLD=0).  
%00:   Normal operation 
%01:   Freewheeling 
%10:   Coil shorted using LS drivers 
%11:   Coil shorted using HS drivers 
20 
freewheel0 
19 
pwm_ 
autograd 
PWM automatic 
gradient adaptation 
0 
Fixed value for PWM_GRAD 
(PWM_GRAD_AUTO = PWM_GRAD) 
1 
Automatic tuning (only with pwm_autoscale=1)  
PWM_GRAD_AUTO  is  initialized  with  PWM_GRAD 
and  becomes  optimized  automatically  during 
motion.  
Preconditions 
1. PWM_OFS_AUTO has been automatically 
initialized. This requires standstill at IRUN for 
>130ms in order to a) detect standstill b) wait > 
128 chopper cycles at IRUN and c) regulate 
PWM_OFS_AUTO so that 
-1 < PWM_SCALE_AUTO < 1 
2. Motor running and 1.5 * PWM_OFS_AUTO < 
PWM_SCALE_SUM < 4* PWM_OFS_AUTO and 
PWM_SCALE_SUM < 255.  
Time required for tuning PWM_GRAD_AUTO 
About 8 fullsteps per change of +/-1. 
18 
pwm_ 
autoscale 
PWM automatic 
amplitude scaling 
0 
User defined feed forward PWM amplitude. The 
current settings IRUN and IHOLD have no influence! 
The resulting PWM amplitude (limited to 0…255) is: 
PWM_OFS * ((CS_ACTUAL+1) / 32)  
+ PWM_GRAD * 256 / TSTEP 
1 
Enable automatic current control (Reset default) 
17 
pwm_freq1 
PWM frequency 
%00:   fPWM=2/1024 fCLK  

TMC220X, TMC2224 DATASHEET (Rev. 1.09 / 2019-JUL-17)       32 
www.trinamic.com 
0X70: PWMCONF – VOLTAGE MODE PWM STEALTHCHOP 
Bit 
Name 
Function 
Comment 
16 
pwm_freq0 
selection 
%01:   fPWM=2/683 fCLK 
%10:   fPWM=2/512 fCLK 
%11:   fPWM=2/410 fCLK 
15 
PWM_ 
GRAD 
User defined amplitude 
gradient 
Velocity dependent gradient for PWM amplitude:  
PWM_GRAD * 256 / TSTEP  
This  value  is  added  to  PWM_AMPL  to  compensate  for 
the velocity-dependent motor back-EMF.  
Use PWM_GRAD as initial value for automatic scaling to 
speed up the automatic tuning process. To do this, set 
PWM_GRAD to the determined, application specific value, 
with  pwm_autoscale=0.  Only  afterwards,  set 
pwm_autoscale=1.  Enable  StealthChop  when  finished. 
Alternatively  program  the  determined  value  to  OTP.  It 
automatically will be loaded upon power up, even when 
StealthChop becomes enabled right away. 
Hint: 
After initial tuning, the required initial value can be read 
out from PWM_GRAD_AUTO. 
14 
13 
12 
11 
10 
9 
8 
7 
PWM_ 
OFS 
User defined amplitude 
(offset) 
User defined PWM amplitude offset (0-255) related to full 
motor current (CS_ACTUAL=31) in stand still.  
(Reset default=36) 
Use  PWM_OFS  as  initial  value  for  automatic  scaling  to 
speed up the automatic tuning process. To do this, set 
PWM_OFS  to  the  determined,  application specific  value, 
with  pwm_autoscale=0.  Only  afterwards,  set 
pwm_autoscale=1. Enable StealthChop when finished.  
PWM_OFS  =  0  will  disable  scaling  down  motor  current 
below  a  motor  specific  lower  measurement  threshold. 
This  setting  should  only  be  used  under  certain 
conditions, i.e. when the power supply voltage can vary 
up  and  down  by  a  factor  of  two  or  more.  It  prevents 
the motor going out of regulation, but it also prevents 
power down below the regulation limit. 
PWM_OFS > 0 allows automatic scaling to low PWM duty 
cycles  even  below the  lower  regulation  threshold.  This 
allows  low  (standstill)  current  settings  based  on  the 
actual (hold) current scale (register IHOLD_IRUN).  
6 
5 
4 
3 
2 
1 
0 

TMC220X, TMC2224 DATASHEET (Rev. 1.09 / 2019-JUL-17)       33 
www.trinamic.com 
5.4.3 DRV_STATUS – Driver Status Flags 
0X6F: DRV_STATUS – DRIVER STATUS FLAGS AND CURRENT LEVEL READ BACK 
Bit 
Name 
Function 
Comment 
31 
stst 
standstill indicator 
This  flag  indicates  motor  stand  still  in  each  operation 
mode. This occurs 2^20 clocks after the last step pulse. 
30 
stealth 
StealthChop indicator 
1: Driver operates in StealthChop mode 
0: Driver operates in SpreadCycle mode 
29 
- 
reserved 
Ignore these bits. 
28 
27 
26 
25 
24 
23 
- 
reserved 
Ignore these bits. 
22 
21 
20 
CS_  
ACTUAL  
actual motor current / 
smart energy current  
Actual current control scaling, for monitoring the 
function of the automatic current scaling.  
19 
18 
17 
16 
15 
- 
reserved 
Ignore these bits. 
14 
13 
12 
11 
t157 
157°C comparator 
1: Temperature threshold is exceeded 
10 
t150 
150°C comparator 
1: Temperature threshold is exceeded 
9 
t143 
143°C comparator 
1: Temperature threshold is exceeded 
8 
t120 
120°C comparator 
1: Temperature threshold is exceeded 
7 
olb 
open load indicator 
phase B 
1: Open load detected on phase A or B.  
Hint: This is just an informative flag. The driver takes no 
action upon it. False detection may occur in fast motion 
and standstill. Check during slow motion, only. 
6 
ola 
open load indicator 
phase A 
5 
s2vsb 
low side short 
indicator phase B 
1: Short on low-side MOSFET detected on phase A or B. 
The driver becomes disabled. The flags stay active, until 
the  driver  is  disabled  by  software  (TOFF=0)  or  by  the 
ENN input. Flags are separate for both chopper modes. 
4 
s2vsa 
low side short 
indicator phase A 
3 
s2gb 
short to ground 
indicator phase B 
1:  Short  to  GND  detected  on  phase  A  or  B.  The  driver 
becomes disabled. The flags stay active, until the driver 
is  disabled  by  software  (TOFF=0)  or  by  the  ENN  input. 
Flags are separate for both chopper modes. 
2 
s2ga 
short to ground 
indicator phase A 
1 
ot 
overtemperature flag 
1: The selected overtemperature limit has been reached. 
Drivers become disabled until otpw is also cleared due 
to cooling down of the IC. 
The overtemperature flag is common for both bridges. 
0 
otpw 
overtemperature pre-
warning flag  
1:  The  selected  overtemperature  pre-warning  threshold 
is exceeded. 
The  overtemperature  pre-warning  flag  is  common  for 
both bridges. 
 
n m Farr! n
 
 
 
 
 
 
 
 
 
 
 
TMC220X, TMC2224 DATASHEET (Rev. 1.09 / 2019-JUL-17)       34 
www.trinamic.com 
6 StealthChop™ 
StealthChop is an extremely quiet mode of operation for stepper motors. It is based on a 
voltage mode PWM. In case of standstill and at low velocities, the  motor is absolutely 
noiseless.  Thus,  StealthChop  operated  stepper  motor  applications  are  very  suitable  for 
indoor or home  use.  The  motor  operates  absolutely  free of vibration at  low  velocities. 
With StealthChop, the motor current is applied by driving a certain effective voltage into 
the coil, using a voltage mode PWM. With the enhanced StealthChop2, the driver automatically adapts 
to the application for best performance. No more configurations are required. Optional configuration 
allows for tuning the setting in special cases, or for storing initial values for the automatic adaptation 
algorithm. For high velocity drives consider SpreadCycle in combination with StealthChop. 
Figure 6.1 Motor coil sine wave current with StealthChop (measured with current probe) 
6.1 Automatic Tuning 
StealthChop2  integrates  an  automatic  tuning  procedure  (AT),  which  adapts  the  most  important 
operating parameters to the motor automatically. This way, StealthChop2 allows high motor dynamics 
and supports powering down the motor to very low currents. Just two steps have to be respected by 
the motion controller for best results:  Start with the motor in standstill, but powered with nominal 
run current (AT#1). Move the motor at a medium velocity, e.g. as part of a homing procedure (AT#2). 
Figure 6.2 shows the tuning procedure.  
Border conditions in for AT#1 and AT#2 are shown in the following table:  
AUTOMATIC TUNING TIMING AND BORDER CONDITIONS 
Step 
Parameter 
Conditions 
Duration 
AT#1 
PWM_ 
OFS_AUTO 
-  Motor  in  standstill  and  actual  current  scale  (CS)  is 
identical to run current (IRUN).  
-  If  standstill  reduction is enabled (pin  PDN_UART=0), 
an initial step pulse switches the drive back to run 
current.  
-  Pins VS and VREF at operating level. 
≤ 2^20+2*2^18 tCLK,  
≤ 130ms  
(with internal clock) 
AT#2  
PWM_ 
GRAD_AUTO 
-  Motor must move at a velocity, where a significant 
amount of back EMF is generated and where the full 
run current can be reached. Conditions:  
-  1.5 * PWM_OFS_AUTO <  PWM_SCALE_SUM < 
4 * PWM_OFS_AUTO  
-  PWM_SCALE_SUM < 255.  
Hint:  A  typical  range  is  60-300  RPM.  Determine  best 
conditions  with  the  evaluation  board  and  monitor 
PWM_SCALE_AUTO going down to zero during tuning. 
8  fullsteps  are  required 
for a change of +/-1.  
For  a  typical  motor  with 
PWM_GRAD_AUTO 
optimum at 64 or less, up 
to  400  fullsteps  are 
required  when  starting 
from OTP default 14. 

TMC220X, TMC2224 DATASHEET (Rev. 1.09 / 2019-JUL-17)       35 
www.trinamic.com 
Determine best conditions for automatic tuning with the evaluation board.  
Monitor  PWM_SCALE_AUTO  going  down  to  zero  during  the  constant  velocity  phase  in  AT#2  tuning.  This 
indicates a successful tuning. 
Attention:  
Operating in StealthChop without proper tuning can lead to high motor currents during a deceleration 
ramp, especially with low resistive motors and fast deceleration settings. Follow the automatic tuning 
process and check optimum tuning conditions using the evaluation board. It is recommended to use 
an initial value for settings PWM_OFS and PWM_GRAD determined per motor type. Avoid hard stops 
from high velocities, even after tuning StealthChop settings. A deceleration ramp is required in each 
case.  
When  powering  up  in  StealthChop,  make  sure  that  the  supply  voltage  ramps  to  the  final  voltage. 
Powering  up  to  a  lower  voltage  (e.g.  5V)  will  lead  to  wrong  tuning,  in  case  the  motor  becomes 
enabled at the lower voltage. Alternatively disable the motor during power-up.  
Known Limitations:  
Successful  completion  of  AT#1  tuning  phase  is  not  safely  detected  in  all  cases.  It  might  require 
multiple motor start / stop events to safely detect completion. 
Successful determination is mandatory for AT#2: Tuning of PWM_GRAD will not start when AT#1 has 
not completed.  
Solution a): 
Complete  automatic  tuning  phase  AT#1  process,  by  using  a  slow-motion  sequence  which  leads  to 
standstill  detection  in between  of  each  two  steps.  Use  a velocity of 8  (6  Hz)  or  lower  and  execute 
minimum 10 steps during AT#1 phase. 
Solution b):  
Complete automatic tuning phase AT#1 process, by a doing sequence of four or more initial motions 
(using reduced acceleration, to match the fact that AT#2 has not yet completed) after power up. Make 
sure, that the driver is at standstill more than 130ms in between of each two motions. 
Solution c): 
Store application specific PWM_GRAD to OTP memory. 
Or, store initial parameters for PWM_GRAD_AUTO for the application and initialize by UART interface. 
Therefore, use the motor and operating conditions determined for the application and do a complete 
automatic  tuning  sequence  (refer  to  a)).  Note  the  resulting  PWM_GRAD_AUTO  value  and  use  it  for 
initialization of PWM_GRAD, or program the value to OTP memory. With this, tuning of AT#2 phase is 
not mandatory in the application and can be skipped. Automatic tuning will optimize settings during 
further operation. Combine with a) if desired. 

TMC220X, TMC2224 DATASHEET (Rev. 1.09 / 2019-JUL-17)       36 
www.trinamic.com 
AT#1
Stand still
AT#2
Homing
Ready
Power Up
stealthChop2 regulates to nominal 
current and stores result to 
PWM_OFS_AUTO
(Requires stand still for >130ms)
N
PWM_GRAD_AUTO becomes 
initialized by OTP
Driver Enabled? N
Standstill re- 
duction enabled?
Y
Issue (at least) a single step 
pulse and stop again, to 
power motor to run current
Y
Driver Enabled? N
Y
Move the motor, e.g. for homing. 
Include a constant, medium velocity 
ramp segment.
Store PWM_GRAD_AUTO or 
write to OTP for faster 
tuning procedure
Option with UART
PWM_
GRAD_AUTO stored 
in OTP?
N
Y
stealthChop2 regulates to nominal 
current and optimizes PWM_GRAD_AUTO
(requires 8 fullsteps per change of 1, 
typically a few 100 fullsteps in sum)
stealthChop2 settings are optimized!
stealthChop2 keeps tuning during 
subsequent motion and stand still periods 
adapting to motor heating, supply 
variations, etc.
Figure 6.2 StealthChop2 automatic tuning procedure 
Attention 
Modifying VREF or the supply voltage VS invalidates the result of the automatic tuning process. Motor 
current  regulation  cannot  compensate  significant  changes  until  next  AT#1  phase.  Automatic  tuning 
adapts to changed conditions whenever AT#1 and AT#2 conditions are fulfilled in the later operation. 
 
 
 
 
 
 
TMC220X, TMC2224 DATASHEET (Rev. 1.09 / 2019-JUL-17)       37 
www.trinamic.com 
6.2 StealthChop Options 
In  order  to  match  the  motor  current  to  a  certain  level,  the  effective  PWM  voltage  becomes  scaled 
depending on the actual motor velocity. Several additional factors influence the required voltage level 
to drive the motor at the target current: The motor resistance, its back EMF (i.e. directly proportional 
to its velocity) as well as the actual level of the supply voltage. Two modes of PWM regulation are 
provided: The automatic tuning mode (AT) using current feedback (pwm_autoscale = 1, pwm_autograd 
=  1)  and  a  feed  forward  velocity-controlled  mode  (pwm_autoscale  =  0).  The  feed  forward  velocity-
controlled mode will not react to a change of the supply voltage or to events like a motor stall, but it 
provides very stable amplitude. It does not use nor require any means of current measurement. This 
is  perfect  when  motor  type  and  supply  voltage  are  well  known.  Therefore,  we  recommend  the 
automatic mode, unless current regulation is not satisfying in the given operating conditions. 
It is recommended to operate in automatic tuning mode. 
Non-automatic  mode  (pwm_autoscale=0)  should  be  taken  into  account  only  with  well-known  motor 
and operating conditions. In this case, programming via the UART interface is required. The operating 
parameters PWM_GRAD and PWM_OFS can be determined in automatic tuning mode initially.  
Hint: In non-automatic mode the power supply current directly reflects mechanical load on the motor. 
The StealthChop PWM frequency can be chosen in four steps in order to adapt the frequency divider 
to the frequency of the clock source. A setting in the range of 20-50kHz is good for most applications. 
It balances low current ripple and good higher velocity performance vs. dynamic power dissipation.  
CHOICE OF PWM FREQUENCY FOR STEALTHCHOP 
Clock frequency 
fCLK 
PWM_FREQ=%00 
fPWM=2/1024 fCLK 
PWM_FREQ=%01  
fPWM=2/683 fCLK 
(default) 
PWM_FREQ=%10 
fPWM=2/512 fCLK 
(OTP option) 
PWM_FREQ=%11 
fPWM=2/410 fCLK 
18MHz 
35.2kHz 
52.7kHz  
70.3kHz 
87.8kHz 
16MHz 
31.3kHz 
46.9kHz 
62.5kHz 
78.0kHz 
12MHz (internal) 
23.4kHz 
35.1kHz 
46.9kHz 
58.5kHz 
10MHz 
19.5kHz 
29.3kHz 
39.1kHz 
48.8kHz 
8MHz 
15.6kHz 
23.4kHz 
31.2kHz 
39.0kHz 
Table 6.1 Choice of PWM frequency – green / light green: recommended 
6.3 StealthChop Current Regulator 
In StealthChop voltage PWM mode, the autoscaling function (pwm_autoscale = 1, pwm_auto_grad = 1) 
regulates the  motor current  to the  desired  current setting.  Automatic scaling is used  as part of the 
automatic tuning process (AT), and for subsequent tracking of changes within the motor parameters. 
The driver measures the motor current during the chopper on time and uses a proportional regulator 
to regulate PWM_SCALE_AUTO in order match the motor current to the target current. PWM_REG is the 
proportionality  coefficient  for  this  regulator.  Basically,  the  proportionality  coefficient  should  be  as 
small as possible in order to get a stable and soft regulation behavior, but it must be large enough to 
allow  the  driver  to  quickly  react  to  changes  caused  by  variation  of  the  motor  target  current  (e.g. 
change of VREF). During initial tuning step AT#2, PWM_REG also compensates for the change of motor 
velocity. Therefore, a high  acceleration during  AT#2 will require a higher setting of  PWM_REG. With 
careful selection of  homing  velocity and  acceleration,  a minimum setting  of the regulation  gradient 
often  is  sufficient  (PWM_REG=1).  PWM_REG  setting  should  be  optimized  for  the  fastest  required 
acceleration  and  deceleration  ramp  (compare  Figure  6.3  and  Figure  6.4).  The  quality  of  the  setting 
PWM_REG in phase AT#2 and the finished automatic tuning procedure (or non-automatic settings for 
PWM_OFS and PWM_GRAD) can be examined when monitoring motor current during an acceleration 
phase Figure 6.5.  
UART
 
“‘I“l‘““
“‘“‘
‘II“I
III II III ““
= IIIII‘
II‘III
I'IIII““IIIIIIII
III‘I “““ I“ ‘I“‘
‘ll‘
HIM“ I
"“MI‘IIIII‘
: * ”‘1‘ IIIIII ‘II‘IIIIII‘
‘
I‘
““‘ I‘IIIf‘II
“““‘H ‘I‘I‘IIII‘ “‘er ‘ r
 
 
 
 
TMC220X, TMC2224 DATASHEET (Rev. 1.09 / 2019-JUL-17)       38 
www.trinamic.com 
Figure 6.3 Scope shot: good setting for PWM_REG 
Figure 6.4 Scope shot: too small setting for PWM_REG during AT#2 
Motor Velocity
Time
Stand still 
PWM scale
PWM reaches max. amplitude
255
0
Motor Current
Nominal Current
(sine wave RMS)
RMS current constant 
(IRUN)
0
PWM scale
Current may drop due 
to high velocity
PWM_GRAD(_AUTO) ok
PWM_GRAD(_AUTO) ok
PWM_OFS_(AUTO) ok
(PWM_REG during AT#2 ok)
IHOLD
PWM_OFS_(AUTO) ok
Figure 6.5 Successfully determined PWM_GRAD(_AUTO) and PWM_OFS(_AUTO) 

TMC220X, TMC2224 DATASHEET (Rev. 1.09 / 2019-JUL-17)       39 
www.trinamic.com 
Quick Start 
For a quick start, see the Quick Configuration Guide in chapter 14. 
6.3.1 Lower Current Limit 
The  StealthChop  current  regulator  imposes  a  lower  limit  for  motor  current  regulation.  As  the  coil 
current  can  be  measured  in  the shunt  resistor  during  chopper  on  phase  only,  a  minimum chopper 
duty  cycle  allowing  coil  current  regulation  is  given  by  the  blank  time  as  set  by  TBL  and  by  the 
chopper  frequency  setting.  Therefore,  the  motor  specific  minimum  coil  current  in  StealthChop 
autoscaling  mode  rises  with  the  supply  voltage  and  with  the  chopper  frequency.  A  lower  blanking 
time  allows  a  lower  current  limit.  It  is  important  for  the  correct  determination  of  PWM_OFS_AUTO, 
that in AT#1 the run current  set by the sense resistor, VREF and IRUN is well within the regulation 
range.  Lower  currents  (e.g.  for  standstill  power  down)  are  automatically  realized  based  on 
PWM_OFS_AUTO  and  PWM_GRAD_AUTO  respectively  based  on  PWM_OFS  and  PWM_GRAD  with  non-
automatic current scaling. The freewheeling option allows going to zero motor current.  
Lower motor coil current limit for StealthChop2 automatic tuning: 
  
 
With VM the motor supply voltage and RCOIL the motor coil resistance. 
ILower Limit can be treated as a thumb value for the minimum nominal IRUN motor current setting. 
EXAMPLE: 
A motor  has a  coil resistance of 5Ω, the  supply  voltage  is 24V. With  TBL=%01  and PWM_FREQ=%00, 
tBLANK is 24 clock cycles, fPWM is 2/(1024 clock cycles): 
  
 
  
This  means,  the  motor  target  current  for  automatic  tuning  must  be  225mA  or  more,  taking  into 
account  all  relevant  settings.  This  lower  current  limit  also  applies  for  modification  of  the  motor 
current via the analog input VREF. 
Attention  
For automatic tuning, a lower coil current limit applies. The motor current in automatic tuning phase 
AT#1  must  exceed  this  lower  limit.  ILOWER  LIMIT can be  calculated  or  measured  using  a  current  probe. 
Setting  the  motor  run-current  or  hold-current  below  the  lower  current  limit  during  operation  by 
modifying IRUN and IHOLD is possible after successful automatic tuning.  
The lower current limit also limits the capability of the driver to respond to changes of VREF.  
6.4 Velocity Based Scaling 
Velocity based scaling scales the StealthChop amplitude based on the time between each two steps, 
i.e.  based  on  TSTEP,  measured  in  clock  cycles.  This  concept  basically  does  not  require  a  current 
measurement, because no regulation loop is necessary. A pure velocity-based scaling is available via 
UART  programming,  only,  when  setting  pwm_autoscale  =  0.  The  basic  idea  is  to  have  a  linear 
approximation of the voltage required to drive the target current into the motor. The stepper motor 
has  a  certain  coil  resistance  and  thus  needs  a  certain  voltage  amplitude  to  yield  a  target  current 
based on the basic formula I=U/R. With R being the coil resistance, U the supply voltage scaled by the 
PWM value, the current I results. The initial value for PWM_AMPL can be calculated: 
UART
 
 
 
 
TMC220X, TMC2224 DATASHEET (Rev. 1.09 / 2019-JUL-17)       40 
www.trinamic.com 
 
 
With VM the motor supply voltage and ICOIL the target RMS current 
The effective PWM voltage UPWM (1/SQRT(2) x peak value) results considering the 8 bit resolution and 
248 sine wave peak for the actual PWM amplitude shown as PWM_SCALE: 
  
 
  
With rising motor velocity, the motor generates an increasing back EMF voltage. The back EMF voltage 
is proportional to the motor velocity. It reduces the PWM voltage effective at the coil resistance and 
thus  current  decreases.  The  TMC22xx  provides  a  second  velocity  dependent  factor  (PWM_GRAD)  to 
compensate  for  this.  The  overall  effective  PWM  amplitude  (PWM_SCALE_SUM)  in  this  mode 
automatically is calculated in dependence of the microstep frequency as: 
 
 
With fSTEP being the microstep frequency for 256 microstep resolution equivalent 
and fCLK the clock frequency supplied to the driver or the actual internal frequency 
As a first approximation, the back EMF subtracts from the supply voltage and thus the effective current 
amplitude decreases. This way, a first approximation for PWM_GRAD setting can be calculated: 
 
CBEMF is the back EMF constant of the motor in Volts per radian/second. 
MSPR is the number of microsteps per rotation, e.g. 51200 = 256µsteps multiplied by 200 fullsteps for 
a 1.8° motor. 
PWM scaling
(PWM_SCALE_SUM)
Velocity
PWM_OFS
PWM reaches 
max. amplitude
255
0
PWM_GRAD
Motor current
Nominal current
(e.g. sine wave RMS)
Current drops 
(depends on 
motor load)
Constant motor 
RMS current 
0
VPWMMAX
Figure 6.6 Velocity based PWM scaling (pwm_autoscale=0) 
 
 
 
 
 
   
55.3.
 
 
 
 
 
 
 
TMC220X, TMC2224 DATASHEET (Rev. 1.09 / 2019-JUL-17)       41 
www.trinamic.com 
Hint 
The values for PWM_OFS and PWM_GRAD can easily be optimized by tracing the motor current with a 
current probe on the oscilloscope.  Alternatively, automatic tuning determines these values and they 
can be read out from PWM_OFS_AUTO and PWM_GRAD_AUTO. 
UNDERSTANDING THE BACK EMF CONSTANT OF A MOTOR  
The back EMF constant is the voltage a motor  generates when turned with a certain velocity. Often 
motor datasheets do not specify this value, as it can be deducted from motor torque and coil current 
rating. Within SI units, the numeric value of the back EMF constant CBEMF has the same numeric value 
as the numeric value of the torque constant. For example, a motor with a torque constant of 1 Nm/A 
would have a CBEMF of 1V/rad/s. Turning such a motor with 1 rps (1 rps = 1 revolution per second = 
6.28 rad/s) generates a back EMF voltage of 6.28V. Thus, the back EMF constant can be calculated as: 
 
  
ICOILNOM is the motor’s rated phase current for the specified holding torque 
HoldingTorque is the motor specific holding torque, i.e. the torque reached at ICOILNOM on both coils. 
The torque unit is [Nm] where 1Nm = 100Ncm = 1000mNm. 
The  voltage  is  valid  as  RMS  voltage  per  coil,  thus  the  nominal  current  is  multiplied  by  2  in  this 
formula, since the nominal current assumes a full step position, with two coils operating.  
6.5 Combining StealthChop and SpreadCycle 
For applications requiring high velocity motion, SpreadCycle may bring more stable operation in the 
upper velocity range. To combine no-noise operation with highest dynamic performance, the TMC22xx 
allows combining StealthChop and SpreadCycle based on a velocity threshold (Figure 6.7). A velocity 
threshold  (TPWMTHRS)  can  be  preprogrammed  to  OTP  to  support  this  mode  even  in  standalone 
operation. With this, StealthChop is only active at low velocities.  
Running low speed
optionoption
Running low speed
Running high speed
motor stand still
motor going to standby
motor in standby
motor in standby
v
t
TSTEP < TPWMTHRS*16/16
TSTEP > TPWMTHRS
0
VACTUAL
~1/TSTEP
current
TPOWERDOWN
RMS current
I_HOLD
I_RUN
dI * IHOLDDELAY
stealthChop
spreadCycle
Chopper mode
TRINAMIC, B. Dwersteg, 14.3.14
Figure 6.7 TPWMTHRS for optional switching to SpreadCycle 
UART OTP

TMC220X, TMC2224 DATASHEET (Rev. 1.09 / 2019-JUL-17)       42 
www.trinamic.com 
As  a  first  step,  both  chopper  principles  should  be  parameterized  and  optimized  individually 
(SpreadCycle settings may be programmed to OTP memory). In a next step, a transfer velocity has to 
be  fixed.  For  example,  StealthChop  operation  is  used  for  precise  low  speed  positioning,  while 
SpreadCycle shall be used for highly dynamic motion. TPWMTHRS determines the transition velocity. 
Read out TSTEP when moving at the desired velocity and program the resulting value to TPWMTHRS. 
Use a low transfer velocity to avoid a jerk at the switching point.  
A jerk  occurs  when  switching at higher  velocities,  because  the  back-EMF  of  the  motor (which  rises 
with the  velocity) causes  a  phase  shift  of up to 90° between  motor  voltage  and  motor  current.  So 
when switching at higher velocities between voltage PWM and current PWM mode, this jerk will occur 
with increased intensity. A high jerk may even produce a temporary overcurrent condition (depending 
on  the  motor  coil  resistance).  At  low  velocities  (e.g.  1  to  a  few  10  RPM),  it  can  be  completely 
neglected  for  most  motors.  Therefore,  consider  the  switching  jerk  when  choosing  TPWMTHRS.  Set 
TPWMTHRS zero if you want to work with StealthChop only. 
When  enabling  the  StealthChop  mode  the  first  time  using  automatic  current  regulation,  the  motor 
must  be  at  stand  still  in  order  to  allow  a  proper  current  regulation.  When  the  drive  switches  to 
StealthChop at a higher velocity, StealthChop logic stores the last current regulation setting until the 
motor returns to a lower velocity again. This  way, the regulation has a known starting point when 
returning to a lower velocity, where StealthChop becomes re-enabled. Therefore, neither the velocity 
threshold nor the supply voltage must be considerably changed during the phase while the chopper 
is switched to a different mode, because otherwise the motor might lose steps or the instantaneous 
current might be too high or too low. 
A  motor  stall  or  a  sudden  change  in  the  motor  velocity  may  lead  to  the  driver  detecting  a  short 
circuit or to a state of automatic current regulation, from which it cannot recover. Clear the error flags 
and restart the motor from zero velocity to recover from this situation. 
Hint 
Start the motor from standstill when switching on StealthChop the first time and keep it stopped for 
at least 128 chopper periods to allow StealthChop to do initial standstill current control.  
6.6 Flags in StealthChop 
As  StealthChop  uses  voltage  mode  driving,  status  flags  based  on  current  measurement  respond 
slower, respectively the driver reacts delayed to sudden changes of back EMF, like on a motor stall. 
Attention 
A  motor  stall,  or  abrupt  stop  of  the  motion  during  operation  in  StealthChop  can  trigger  an 
overcurrent  condition.  Depending  on  the  previous  motor  velocity, and on the  coil resistance  of the 
motor, it significantly increases motor current for a time of several 10ms. With low velocities, where 
the  back  EMF  is  just  a  fraction  of  the  supply  voltage,  there  is  no  danger  of  triggering  the  short 
detection.  
6.6.1 Open Load Flags 
In  StealthChop  mode,  status  information  is  different  from  the  cycle-by-cycle  regulated  SpreadCycle 
mode. OLA and OLB show if the current regulation sees that the nominal current can be reached on 
both coils.  
-  A flickering OLA  or OLB can result from asymmetries in the sense resistors or in the motor 
coils.  
-  An interrupted motor coil leads to a continuously active open load flag for the coil.  
-  One or both flags are active, if the current regulation did not succeed in scaling up to the full 
target current within the last few fullsteps (because no motor is attached or a high velocity 
exceeds the PWM limit).  
If desired, do an on-demand open load test using the SpreadCycle chopper, as it delivers the safest 
result. With StealthChop, PWM_SCALE_SUM can be checked to detect the correct coil resistance.  
UART

TMC220X, TMC2224 DATASHEET (Rev. 1.09 / 2019-JUL-17)       43 
www.trinamic.com 
6.6.2 PWM_SCALE_SUM Informs about the Motor State 
Information  about  the  motor  state  is  available  with  automatic  scaling  by  reading  out 
PWM_SCALE_SUM. As this parameter reflects the actual voltage required to drive the target current into 
the  motor,  it  depends  on  several  factors:  motor  load,  coil  resistance,  supply  voltage,  and  current 
setting. Therefore, an evaluation of the PWM_SCALE_SUM value allows checking the motor operation 
point. When reaching the limit (255), the current regulator cannot sustain the full motor current, e.g. 
due to a drop in supply voltage.  
6.7 Freewheeling and Passive Braking 
StealthChop provides different options for motor standstill. These options can be enabled by setting 
the standstill current  IHOLD to zero and  choosing  the  desired  option using the  FREEWHEEL setting. 
The  desired  option  becomes  enabled  after  a  time  period  specified  by  TPOWERDOWN  and 
IHOLD_DELAY. Current regulation becomes frozen once the motor target current is at zero current in 
order  to  ensure  a  quick  startup.  With  the  freewheeling  options,  both  freewheeling  and  passive 
braking can be realized. Passive braking is an effective eddy current motor braking, which consumes a 
minimum of energy, because no active current is driven into the coils. However, passive braking will 
allow slow turning of the motor when a continuous torque is applied.  
Hint 
Operate the  motor within  your application when exploring  StealthChop.  Motor performance often is 
better with a mechanical load, because it prevents the motor from stalling due mechanical oscillations 
which can occur without load. 
UART

TMC220X, TMC2224 DATASHEET (Rev. 1.09 / 2019-JUL-17)       44 
www.trinamic.com 
PARAMETERS RELATED TO STEALTHCHOP 
Parameter 
Description 
Setting  
Comment 
en_spread_ 
cycle 
General  disable  for  use  of  StealthChop  (register 
GCONF). The input SPREAD is XORed to this flag. 
1 
Do not use StealthChop 
0 
StealthChop enabled 
TPWMTHRS 
Specifies  the  upper  velocity  for  operation  in 
StealthChop.  Entry  the  TSTEP  reading  (time 
between  two  microsteps)  when  operating  at  the 
desired threshold velocity. 
0 … 
1048575 
StealthChop is disabled if 
TSTEP falls TPWMTHRS   
PWM_LIM 
Limiting  value  for  limiting  the  current  jerk  when 
switching  from  SpreadCycle  to  StealthChop. 
Reduce the value to yield a lower current jerk. 
0 … 15 
Upper four bits of 8 bit 
amplitude limit 
(Default=12) 
pwm_ 
autoscale 
Enable  automatic  current  scaling  using  current 
measurement  or  use  forward  controlled  velocity 
based mode. 
0 
Forward controlled mode 
1 
Automatic scaling with 
current regulator 
pwm_ 
autograd 
Enable automatic tuning of PWM_GRAD_AUTO 
0 
disable, use PWM_GRAD 
from register instead 
1 
enable 
PWM_FREQ 
PWM  frequency  selection.  Use  the  lowest  setting 
giving  good  results.  The  frequency  measured  at 
each  of  the  chopper  outputs  is  half  of  the 
effective chopper frequency fPWM. 
0 
fPWM=2/1024 fCLK 
1 
fPWM=2/683 fCLK 
2 
fPWM=2/512 fCLK 
3 
fPWM=2/410 fCLK 
PWM_REG 
User  defined  PWM  amplitude  (gradient)  for 
velocity based scaling or regulation loop gradient 
when pwm_autoscale=1. 
1 … 15 
Results in 0.5 to 7.5 steps 
for PWM_SCALE_AUTO 
regulator per fullstep 
PWM_OFS 
User  defined  PWM  amplitude  (offset)  for  velocity 
based scaling and initialization value for automatic 
tuning of PWM_OFFS_AUTO. 
0 … 255 
PWM_OFS=0 disables 
linear current scaling 
based on current setting 
PWM_GRAD 
User  defined  PWM  amplitude  (gradient)  for 
velocity  based  scaling  and  initialization  value  for 
automatic tuning of PWM_GRAD_AUTO. 
0 … 255 
Reset value can be pre-
programmed by OTP 
FREEWHEEL 
Stand  still  option  when  motor  current  setting  is 
zero  (I_HOLD=0).  Only  available  with  StealthChop 
enabled.  The  freewheeling  option  makes  the 
motor easy movable, while both coil short options 
realize a passive brake.  
0 
Normal operation 
1 
Freewheeling 
2 
Coil short via LS drivers 
3 
Coil short cia HS drivers 
PWM_SCALE 
_AUTO 
Read back of the actual StealthChop voltage PWM 
scaling  correction  as  determined  by  the  current 
regulator.  Should  regulate  to  a  value  close  to  0 
during tuning procedure. 
-255 … 
255 
(read only) Scaling value 
becomes frozen when 
operating in SpreadCycle 
PWM_GRAD 
_AUTO 
PWM_OFS 
_AUTO 
Allow  monitoring  of  the  automatic  tuning  and 
determination  of  initial  values  for  PWM_OFS  and 
PWM_GRAD.  
0 … 255 
(read only) 
TOFF 
General  enable  for  the  motor  driver,  the  actual 
value does not influence StealthChop 
0 
Driver off 
1 … 15 
Driver enabled 
TBL 
Comparator blank time. This time needs to safely 
cover the switching event and the duration of the 
ringing on the sense resistor. Choose a setting of 
1  or  2  for  typical  applications.  For  higher 
capacitive  loads,  3  may  be  required.  Lower 
settings  allow  StealthChop  to  regulate  down  to 
lower coil current values.  
0 
16 tCLK 
1 
24 tCLK 
2 
32 tCLK 
3 
40 tCLK 

TMC220X, TMC2224 DATASHEET (Rev. 1.09 / 2019-JUL-17)       45 
www.trinamic.com 
7 SpreadCycle Chopper 
While StealthChop is a voltage mode PWM controlled chopper, SpreadCycle is a cycle-by-cycle current 
control. Therefore, it can react extremely fast to changes in motor velocity or motor load. SpreadCycle 
will  give  better  performance  in  medium  to  high  velocity  range  for  motors  and  applications  which 
tend to resonance. The currents through both motor coils are controlled using choppers. The choppers 
work independently of each other. In Figure 7.1 the different chopper phases are shown.  
RSENSE
ICOIL
On Phase: 
current flows in 
direction of target 
current
RSENSE
ICOIL
Fast Decay Phase: 
current flows in 
opposite direction 
of target current
RSENSE
ICOIL
Slow Decay Phase: 
current re-circulation
+VM+VM+VM
Figure 7.1 Chopper phases 
Although the current could be regulated using only on phases and fast decay phases, insertion of the 
slow  decay  phase  is  important  to  reduce  electrical  losses  and  current  ripple  in  the  motor.  The 
duration of the slow decay phase is specified in a control parameter and sets an upper limit on the 
chopper frequency. The current comparator can measure coil current during phases when the current 
flows through the sense resistor, but not during the slow decay phase, so the slow decay phase is 
terminated by a timer. The on phase is terminated by the comparator when the current through the 
coil reaches the target current. The fast decay phase may be terminated by either the comparator or 
another timer. 
When the coil current is switched, spikes at the sense resistors occur due to charging and discharging 
parasitic  capacitances.  During  this  time,  typically  one  or  two  microseconds,  the  current  cannot  be 
measured. Blanking is the time when the input to the comparator is masked to block these spikes. 
The SpreadCycle chopper mode cycles through four phases: on, slow decay, fast decay, and a second 
slow decay. 
The chopper frequency is an important parameter for  a chopped motor driver. A too low frequency 
might generate audible noise. A higher frequency reduces current ripple in the motor, but with a too 
high frequency  magnetic losses may rise. Also power dissipation in the driver  rises with increasing 
frequency due to the increased influence of switching slopes causing dynamic dissipation. Therefore, a 
compromise needs to be found. Most motors are optimally working in a frequency range of 16 kHz to 
30 kHz.  The  chopper  frequency  is  influenced  by  a  number  of  parameter  settings  as  well  as  by  the 
motor inductivity and supply voltage.  
Hint 
A  chopper  frequency  in  the  range  of  16 kHz  to  30 kHz  gives  a  good  result  for  most  motors  when 
using SpreadCycle. A higher frequency leads to increased switching losses. 
 
 
 
 
 
 
TMC220X, TMC2224 DATASHEET (Rev. 1.09 / 2019-JUL-17)       46 
www.trinamic.com 
7.1 SpreadCycle Settings 
The SpreadCycle  (patented)  chopper algorithm  is  a  precise  and  simple  to  use  chopper  mode  which 
automatically determines the optimum length for the fast-decay phase. The SpreadCycle will provide 
superior  microstepping  quality  even  with  default  settings.  Several  parameters  are  available  to 
optimize the chopper to the application. 
Each  chopper  cycle  is  comprised  of  an  on  phase,  a  slow  decay  phase,  a  fast  decay  phase  and  a 
second slow decay phase (see Figure 7.3). The two slow decay phases and the two blank times per 
chopper cycle put an upper limit to the chopper frequency. The slow decay phases typically make up 
for  about  30%-70%  of  the  chopper  cycle  in  standstill  and  are  important  for  low  motor  and  driver 
power dissipation.  
Calculation of a starting value for the slow decay time TOFF: 
EXAMPLE:  
Target Chopper frequency: 25kHz.  
Assumption: Two slow decay cycles make up for 50% of overall chopper cycle time 
  
 
For the TOFF setting this means:   
With 12 MHz clock this gives a setting of TOFF=3.0, i.e. 3.  
With 16 MHz clock this gives a setting of TOFF=4.25, i.e. 4 or 5.  
The hysteresis start setting forces the driver to introduce a  minimum amount  of current  ripple into 
the motor coils. The current ripple must be higher than the current ripple which is caused by resistive 
losses  in  the  motor  in  order  to  give  best  microstepping  results.  This  will  allow  the  chopper  to 
precisely  regulate  the  current  both  for  rising  and  for  falling  target  current.  The  time  required  to 
introduce  the  current  ripple  into  the  motor  coil  also  reduces  the  chopper  frequency.  Therefore,  a 
higher  hysteresis  setting  will  lead  to  a  lower  chopper  frequency.  The  motor  inductance  limits  the 
ability of the chopper to follow a changing motor current. Further the duration of the on phase and 
the  fast  decay  must  be  longer  than  the  blanking  time,  because  the  current  comparator  is  disabled 
during blanking.  
It is easiest to find the best setting by starting from a low hysteresis setting (e.g. HSTRT=0, HEND=0) 
and  increasing  HSTRT,  until  the  motor  runs  smoothly  at  low  velocity  settings.  This  can  best  be 
checked  when  measuring  the  motor  current  either  with  a  current  probe  or  by  probing  the  sense 
resistor voltages (see Figure 7.2). Checking the sine wave shape near zero transition will show a small 
ledge between both half waves in case the hysteresis setting is too small. At medium velocities (i.e. 
100  to  400  fullsteps  per  second),  a too low  hysteresis  setting  will  lead  to  increased  humming  and 
vibration of the motor.  
UART OTP
 
woaszmwmmmmz swuzsrm
mum
mmans man
TE lms r 05 cu: awDCLP same Herresh
 
 
 
 
m
CH2 Zoomvglu v1 7375mm v2 2473M
m 5.4m; AV 240an
, mm
 
 
 
 
 
 
 
 
 
 
 
TMC220X, TMC2224 DATASHEET (Rev. 1.09 / 2019-JUL-17)       47 
www.trinamic.com 
Figure  7.2  No  ledges  in  current  wave  with  sufficient  hysteresis  (magenta:  current  A,  yellow  & 
blue: sense resistor voltages A and B) 
A too high hysteresis setting will lead to reduced chopper frequency and increased chopper noise but 
will not yield any benefit for the wave shape. 
Quick Start 
For a quick start, see the Quick Configuration Guide in chapter 14. 
For detail procedure see Application Note AN001 - Parameterization of SpreadCycle 
As experiments show, the setting is quite independent of the motor, because higher current motors 
typically also have a lower coil resistance. Therefore choosing a low to medium default value for the 
hysteresis  (for  example,  effective  hysteresis = 4) normally fits  most applications.  The  setting  can  be 
optimized  by  experimenting  with  the  motor:  A  too  low  setting  will  result  in  reduced  microstep 
accuracy,  while  a  too  high  setting  will  lead  to  more  chopper  noise  and  motor  power  dissipation. 
When  measuring  the  sense  resistor  voltage  in  motor  standstill  at  a  medium  coil  current  with  an 
oscilloscope, a too low setting shows a fast decay phase not longer than the  blanking time. When 
the fast decay time becomes slightly longer than the blanking time, the setting is optimum. You can 
reduce the off-time setting, if this is hard to reach. 
The hysteresis principle could in  some cases lead to the  chopper frequency becoming too low, e.g. 
when the coil resistance is high when compared to the supply voltage. This is  avoided by splitting 
the  hysteresis  setting  into  a  start  setting  (HSTRT+HEND)  and  an  end  setting  (HEND).  An  automatic 
hysteresis  decrementer  (HDEC)  interpolates  between  both  settings,  by  decrementing  the  hysteresis 
value stepwise each 16 system clocks. At the beginning of each chopper cycle, the hysteresis begins 
with a value which is the sum of the start and the end values (HSTRT+HEND), and decrements during 
the cycle, until either the chopper cycle ends or the hysteresis end value (HEND) is reached. This way, 
the  chopper  frequency  is  stabilized  at  high  amplitudes  and  low  supply  voltage  situations,  if  the 
frequency gets too low. This avoids the frequency reaching the audible range. 
Hint 
Highest motor velocities sometimes benefit from setting TOFF to 1 or 2 and a short TBL of 1 or 0. 
 
 
 
 
 
 
 
 
 
 
 
 
 
 
 
 
 
TMC220X, TMC2224 DATASHEET (Rev. 1.09 / 2019-JUL-17)       48 
www.trinamic.com 
t
I
target current
target current - hysteresis start
target current + hysteresis start
on sd fd sd
target current + hysteresis end
target current - hysteresis end
HDEC
Figure 7.3 SpreadCycle chopper scheme showing coil current during a chopper cycle 
These parameters control SpreadCycle mode: 
Even at HSTRT=0 and HEND=0, the TMC22xx sets a minimum hysteresis via analog circuitry. 
EXAMPLE: 
A hysteresis of 4 has been chosen. You might decide to not use hysteresis decrement. In this case 
set: 
HEND=6  (sets an effective end value of 6-3=3) 
HSTRT=0 (sets minimum hysteresis, i.e. 1: 3+1=4) 
In order to take advantage of the variable hysteresis, we can set most of the value to the HSTRT, i.e. 
4, and the remaining 1 to hysteresis end. The resulting configuration register values are as follows: 
HEND=0   (sets an effective end value of -3) 
HSTRT=6   (sets an effective start value of hysteresis end +7: 7-3=4) 
Parameter 
Description 
Setting 
Comment 
TOFF 
Sets the slow decay time (off time). This setting also 
limits the maximum chopper frequency. 
For operation with StealthChop, this parameter is not 
used, but it is required to enable the motor. In case 
of  operation  with  StealthChop  only,  any  setting  is 
OK. 
Setting this parameter to zero completely disables all 
driver transistors and the motor can free-wheel. 
0 
chopper off 
1…15  
off time setting  
NCLK= 24 + 32*TOFF 
(1 will work with minimum 
blank time of 24 clocks) 
TBL 
Comparator blank time. This time needs to safely 
cover the switching event and the duration of the 
ringing  on  the  sense  resistor.  For  most 
applications, a setting of 1 or 2 is good. For highly 
capacitive  loads,  a  setting  of  2  or  3  will  be 
required. 
0 
16 tCLK 
1 
24 tCLK 
2 
32 tCLK 
3 
40 tCLK 
HSTRT 
Hysteresis  start  setting.  This value is  an  offset  from 
the hysteresis end value HEND. 
0…7 
HSTRT=1…8 
This value adds to HEND. 
HEND 
Hysteresis end setting. Sets the hysteresis end value 
after a number of decrements. The sum HSTRT+HEND 
must  be  ≤16.  At  a  current  setting  of  max.  30 
(amplitude reduced to 240), the sum is not limited. 
0…2 
-3…-1: negative HEND 
3 
0: zero HEND 
4…15 
1…12: positive HEND 

TMC220X, TMC2224 DATASHEET (Rev. 1.09 / 2019-JUL-17)       49 
www.trinamic.com 
8 Selecting Sense Resistors 
Set the desired maximum motor current by selecting an appropriate value for the sense resistor. The 
following  table  shows  the  RMS  current  values  which  can  be  reached  using  standard  resistors  and 
motor types fitting without additional motor current scaling. 
CHOICE OF RSENSE AND RESULTING MAX. MOTOR CURRENT 
RSENSE [Ω] 
RMS current [A]  
VREF=2.5V (or open),  
IRUN=31,  
vsense=0 (standard) 
Fitting motor type 
(examples) 
1.00 
0.22 
300mA motor 
0.82 
0.27 
0.75 
0.29 
0.68 
0.32 
400mA motor 
0.50 
0.43 
500mA motor 
470m 
0.46 
390m 
0.55 
600mA motor 
330m 
0.64 
700mA motor 
270m 
0.77 
800mA motor 
220m 
0.92 
1A motor 
180m 
1.09 
1.2A motor 
150m 
1.28 
1.5A motor 
120m 
1.53*) 
100m 
1.77*) 
*) Value exceeds upper current rating, scaling down required, e.g. by reduced VREF. 
Sense resistors should be carefully selected. The full motor current flows through the sense resistors. 
Due to chopper operation the sense resistors see pulsed current from the MOSFET bridges. Therefore, 
a  low-inductance  type  such  as  film  or  composition  resistors  is  required  to  prevent  voltage  spikes 
causing ringing  on the  sense  voltage  inputs  leading to unstable  measurement results. Also,  a  low-
inductance, low-resistance PCB layout is essential. Any common GND path for the two sense resistors 
must  be  avoided,  because  this  would  lead  to  coupling  between  the  two  current  sense  signals.  A 
massive ground plane is best. Please also refer to layout considerations in chapter 19. 
The  sense  resistor  needs  to  be  able  to  conduct  the  peak  motor  coil  current  in  motor  standstill 
conditions,  unless  standby  power  is  reduced.  Under  normal  conditions,  the  sense  resistor  conducts 
less than the coil RMS current, because no current flows through the sense resistor during the slow 
decay phases. A 0.5W type is sufficient for most applications up to 1.2A RMS current. 
Attention 
Be  sure  to  use  a  symmetrical  sense  resistor  layout  and  short  and  straight  sense  resistor  traces  of 
identical length. Well matching sense resistors ensure best performance. 
A compact layout with massive ground plane is best to avoid parasitic resistance effects.  

TMC220X, TMC2224 DATASHEET (Rev. 1.09 / 2019-JUL-17)       50 
www.trinamic.com 
9 Motor Current Control 
The  basic  motor  current  is  set  by  the  resistance  of  the  sense  resistors.  Several  possibilities  allow 
scaling down motor current, e.g. to adapt for different motors, or to reduce motor current in standstill 
or low load situations. 
METHODS FOR SCALING MOTOR CURRENT 
Method 
Parameters 
Range 
Primary Use 
Pin VREF 
voltage 
(chapter 9.1) 
VREF  input  scales 
IRUN and IHOLD.  
Can  be  disabled  by 
GCONF.i_scale_analog 
2.5V: 100% …  
0.5V: 20% 
>2.5V or open: 100% 
<0.5V: not recommended  
-  Fine  tuning  of  motor  current 
to fit the motor type 
-  Manual tuning via poti 
-  Delayed or soft power-up 
-  Standstill  current  reduction 
(preferred  only  with 
SpreadCycle) 
Pin ENN 
Disable  /  enable 
driver stage 
0: Motor enable 
1: Motor disable 
-  Disable  motor  to  allow 
freewheeling 
Pin PDN_UART 
Disable  /  enable 
standstill  current 
reduction to IHOLD 
0: Standstill current 
reduction enabled. 
1: Disable 
-  Enable  current  reduction  to 
reduce heat up in stand still 
OTP memory 
OTP_IHOLD, 
OTP_IHOLDDELAY 
9% to 78% standby 
current. 
Reduction in about 
300ms to 2.5s 
-  Program  current  reduction  to 
fit  application  for  highest 
efficiency and lowest heat up 
OTP memory 
otp_internalRsense 
0: Use sense resistors 
1: Internal resistors 
-  Save  two  sense  resistors  on 
BOM,  set  current  by  single 
inexpensive 0603 resistor. 
UART interface 
IHOLD_IRUN 
TPOWERDOWN 
OTP 
IRUN, IHOLD:  
1/32 to 32/32 of full 
scale current.  
-  Fine  programming  of  run  and 
hold (stand still) current 
-  Change  IRUN  for  situation 
specific motor current 
-  Set OTP options 
UART interface 
CHOPCONF.vsense 
flag 
0: Normal, most robust 
1: Reduced voltage level 
-  Set  vsense  for  half  power 
dissipation in sense resistor to 
use smaller 0.25W resistors. 
Select the sense resistor to deliver enough current for the motor at full current scale (VREF=2.5V). This 
is the default current scaling (IRUN = 31).  
STANDALONE MODE RMS RUN CURRENT CALCULATION: 
 
 
IRUN and IHOLD allow for scaling of the actual current scale (CS) from 1/32 to 32/32 when using UART 
interface, or via automatic standstill current reduction:  
RMS CURRENT CALCULATION WITH UART CONTROL OPTIONS OR HOLD CURRENT SETTING: 
 
 
 
CS is the current scale setting as set by the IHOLD and IRUN. 
VFS  is  the  full  scale  voltage  as  determined  by  vsense  control  bit  (please  refer  to  electrical 
characteristics, VSRTL and VSRTH). Default is 325mV. 
With analog scaling of VFS (I_scale_analog=1, default), the resulting voltage VFS‘ is calculated by: 

TMC220X, TMC2224 DATASHEET (Rev. 1.09 / 2019-JUL-17)       51 
www.trinamic.com 
 
 
with VVREF the voltage on pin VREF in the range 0V to V5VOUT/2 
Hint 
For best precision of current setting, measure and fine tune the current in the application. 
PARAMETERS FOR MOTOR CURRENT CONTROL 
Parameter 
Description 
Setting  
Comment 
IRUN 
Current  scale  when  motor  is  running.  Scales  coil 
current  values  as  taken  from  the  internal  sine 
wave  table.  For  high  precision  motor  operation, 
work with a current scaling factor in the range 16 
to  31,  because  scaling  down  the  current  values 
reduces  the  effective  microstep  resolution  by 
making microsteps coarser.  
0 … 31  
scaling factor 
1/32, 2/32, … 32/32 
IRUN is full scale (setting 
31) in standalone mode. 
IHOLD 
Identical to IRUN, but for motor in stand still. 
IHOLD 
DELAY 
Allows smooth current reduction from run current 
to hold current. IHOLDDELAY controls the number 
of  clock  cycles  for  motor  power  down  after 
TPOWERDOWN  in  increments  of  2^18  clocks: 
0=instant  power  down,  1..15:  Current  reduction 
delay per current step in multiple of 2^18 clocks. 
Example:  When  using  IRUN=31  and  IHOLD=16,  15 
current  steps  are  required  for  hold  current 
reduction. A IHOLDDELAY setting of 4 thus results 
in  a  power  down  time  of  4*15*2^18  clock  cycles, 
i.e. roughly one second at 16MHz clock frequency. 
0 
instant IHOLD 
1 … 15 
1*218 … 15*218  
clocks per current  
decrement 
TPOWER 
DOWN 
Sets the delay time from stand still (stst) detection 
to  motor  current  power  down.  Time  range  is 
about 0 to 5.6 seconds.  
0 … 255 
0…((2^8)-1) * 2^18 tCLK  
A  minimum  setting  of  2 
is  required  to  allow 
automatic  tuning  of 
PWM_OFFS_AUTO 
vsense 
Allows control of the sense resistor voltage range 
for  full  scale  current.  The  low  voltage  range 
allows  a  reduction  of  sense  resistor  power 
dissipation. 
0 
VFS = 0.32 V 
1 
VFS = 0.18 V 
9.1 Analog Current Scaling VREF 
When a high flexibility of the output current scaling is desired, the analog input of the driver can be 
used for current control, rather than choosing a different set of sense resistors or scaling down the 
run  current  via  the  interface  using  IRUN  or  IHOLD  parameters.  This  way,  a  simple  voltage  divider 
adapts a board to different motors. 
VREF SCALES THE MOTOR CURRENT 
The  TMC22xx  provides  an  internal  reference  voltage  for  current  control,  directly  derived  from  the 
5VOUT supply output. Alternatively, an external reference voltage can be used. This reference voltage 
becomes scaled down for the chopper comparators. The chopper comparators compare the voltages 
on BRA and BRB to the scaled reference voltage for current regulation. When I_scale_analog in GCONF 
is  enabled  (default),  the  external  voltage  on  VREF  is  amplified  and  filtered  and  becomes  used  as 
reference  voltage.  A  voltage  of  2.5V  (or  any  voltage  between  2.5V  and  5V)  gives  the  same  current 
 
 
 
 
 
 
 
 
 
 
 
 
 
 
 
 
 
 
 
 
 
 
TMC220X, TMC2224 DATASHEET (Rev. 1.09 / 2019-JUL-17)       52 
www.trinamic.com 
scaling as  the internal reference  voltage. A  voltage  between 0V and  2.5V linearly  scales the  current 
between  0  and  the  current scaling  defined  by  the  sense resistor  setting.  It  is  not  advised  to  work 
with reference voltages below about 0.5V to 1V for full scale, because relative analog noise caused by 
digital  circuitry  and  power  supply  ripple  has  an  increased  impact  on  the  chopper  precision  at  low 
VREF  voltages.  For  best  precision,  choose  the  sense  resistors  in  a  way  that  the  desired  maximum 
current is reached with VREF in the range 2V to 2.4V. Be sure to optimize the chopper settings for the 
normal run current of the motor.  
DRIVING VREF 
The easiest way to provide a voltage to VREF is to use a voltage divider from a stable supply voltage 
or  a  microcontroller’s  DAC  output.  A  PWM  signal  also  allows  current  control.  The  PWM  becomes 
transformed to an analog voltage using an additional R/C low-pass at the VREF pin.  The PWM duty 
cycle  controls  the  analog  voltage.  Choose  the  R  and  C  values  to  form  a  low  pass  with  a  corner 
frequency of several milliseconds while using PWM frequencies well above 10 kHz. VREF additionally 
provides an internal low-pass filter with 3.5kHz bandwidth. 
Hint 
Using a low reference voltage (e.g. below 1V), for adaptation of a high current driver to a low current 
motor  will  lead  to  reduced  analog  performance.  Adapt  the sense  resistors  to  fit  the  desired  motor 
current for the best result.  
VREF
8 Bit DAC
Digital 
current 
control
2.5V 
precision 
reference
0-2.4V for 
current scaling
VREF
PWM output 
of µC with 
>20kHz
0-2.4V for 
current scaling
22k
1µ
Precision current scaler Simple PWM based current scaler
VREF
1-2.4V for fixed 
current scaling
R1
Fixed resistor divider to set current scale 
(use external reference for enhanced precision)
R2
5VOUT or precise 
reference voltage
R1+R2»10K
R3
100k
Optional 
digital 
control
BC847
Analog ScalingAnalog Scaling Analog Scaling
Figure 9.1 Scaling the motor current using the analog input 
 
 
 
 
 
 
 
 
 
 
 
 
 
 
 
TMC220X, TMC2224 DATASHEET (Rev. 1.09 / 2019-JUL-17)       53 
www.trinamic.com 
10 Internal Sense Resistors 
The  TMC22xx  provides  the  option  to  eliminate  external  sense  resistors.  In  this  mode  the  external 
sense  resistors  become  omitted  (shorted)  and  the  internal  on-resistance  of  the  power  MOSFETs  is 
used  for  current  measurement  (see  chapter  3.2).  As  MOSFETs  are  both,  temperature  dependent  and 
subject to production stray, a tiny external resistor connected from +5VOUT to VREF provides a precise 
absolute current reference. This resistor converts the 5V voltage into a reference current. Be sure to 
directly attach BRA and BRB pins to GND in this mode near the IC package. The mode is enabled by 
setting internal_Rsense in GCONF (OTP option). 
COMPARING INTERNAL SENSE RESISTORS VS. SENSE RESISTORS 
Item 
Internal Sense Resistors 
External Sense Resistors 
Ease of use 
Need to set OTP parameter first 
(+) Default 
Cost 
(+) Save cost for sense resistors 
Current precision 
Slightly reduced 
(+) Good 
Current Range 
Recommended 
200mA RMS to 1.2A RMS 
50mA to 1.4A RMS 
Recommended 
chopper 
StealthChop,  
SpreadCycle shows slightly 
reduced performance at >1A 
StealthChop or SpreadCycle 
While the RDSon based measurements bring benefits concerning cost and size of the driver, it gives 
slightly less  precise  coil  current  regulation when  compared to external sense  resistors.  The  internal 
sense resistors have a  certain  temperature  dependence,  which is automatically compensated by the 
driver IC. However, for high current  motors, a  temperature gradient between the ICs internal sense 
resistors and the compensation circuit will lead to an initial current  overshoot of some 10% during 
driver IC heat up. While this phenomenon shows for roughly a second, it might even be beneficial to 
enable increased torque during initial motor acceleration.  
PRINCIPLE OF OPERATION 
A reference current into the VREF pin is used as reference for the motor current. In order to realize a 
certain current, a single resistor (RREF) can be connected between 5VOUT and VREF (pls. refer the table 
for the choice of the resistor). VREF input resistance is about 1kOhm. The resulting current into VREF 
is amplified 3000 times. Thus, a current of 0.5mA yields a motor current of 1.5A peak. For calculation 
of the reference resistor, the internal resistance of VREF needs to be considered additionally.  
CHOICE OF RREF FOR OPERATION WITHOUT SENSE RESISTORS 
RREF [Ω] 
Peak current [A] 
(CS=31, vsense=0) 
RMS current [A] 
(CS=31, vsense=0) 
6k8 
1.92 
1.35 
7k5 
1.76 
1.24 
8k2 
1.63 
1.15 
9k1 
1.49 
1.05 
10k 
1.36 
0.96 
12k 
1.15 
0.81 
15k 
0.94 
0.66 
18k 
0.79 
0.55 
22k 
0.65 
0.45 
27k 
0.60 
0.42 
33k 
0.54 
0.38 
vsense=1  allows  a  lower  peak  current setting  of  about  55% of the  value  yielded  with  vsense=0  (as 
specified by VSRTH / VSRTL).  
UART OTP

TMC220X, TMC2224 DATASHEET (Rev. 1.09 / 2019-JUL-17)       54 
www.trinamic.com 
In RDSon measurement mode, connect the BRA and BRB pins to GND using the shortest possible path 
(i.e.  lowest  possible  PCB  resistance).  RDSon  based  measurement  gives  best  results  when combined 
with  StealthChop.  When  using  SpreadCycle  with  RDSon  based  current  measurement,  slightly 
asymmetric  current  measurement  for  positive  currents  (on  phase)  and  negative  currents  (fast  decay 
phase)  may  result  in  chopper  noise.  This  especially  occurs  at  high  die  temperature  and  increased 
motor current. 
Note 
The absolute current levels achieved with RDSon  based current sensing  may depend on PCB layout 
exactly like with external sense resistors, because trace resistance on BR pins will add to the effective 
sense  resistance.  Therefore  we  recommend to  measure  and  calibrate the  current  setting  within  the 
application. 
Thumb rule 
RDSon based current sensing works best for motors with up to 1A RMS current. The best results are 
yielded with StealthChop operation in combination with RDSon based current sensing.  
For  most  precise  current  control  and  for  best  results  with  SpreadCycle,  it  is  recommended  to  use 
external 1% sense resistors rather than RDSon based current control. 

TMC220X, TMC2224 DATASHEET (Rev. 1.09 / 2019-JUL-17)       55 
www.trinamic.com 
11 STEP/DIR Interface 
The STEP and DIR inputs provide a simple, standard interface compatible with many existing motion 
controllers.  The  MicroPlyer  step  pulse  interpolator  brings  the  smooth  motor  operation  of  high-
resolution microstepping to applications originally designed for coarser stepping.  
11.1 Timing 
Figure  11.1  shows  the  timing  parameters  for  the  STEP  and  DIR  signals,  and  the  table  below  gives 
their specifications. Only rising edges are active. STEP and DIR are sampled and synchronized to the 
system clock. An internal analog filter removes glitches on the signals, such as those caused by long 
PCB traces. If the signal source is far from the chip, and especially if the signals are carried on cables, 
the signals should be filtered or differentially transmitted. 
+VCC_IO
SchmittTrigger
0.44 VCC_IO
0.56 VCC_IO
83k
C
Input filter
R*C = 20ns +-30%
STEP 
or DIR
Input
Internal 
Signal
DIR
STEP
tDSH
tSH tSL
tDSU
Active edge 
(DEDGE=0)
Active edge 
(DEDGE=0)
Figure 11.1 STEP and DIR timing, Input pin filter 
STEP and DIR interface timing  
AC-Characteristics 
clock period is tCLK 
Parameter 
Symbol 
Conditions 
Min 
Typ 
Max 
Unit 
step frequency (at maximum 
microstep resolution) 
fSTEP 
½ fCLK 
fullstep frequency 
fFS 
fCLK/512 
STEP input minimum low time 
tSL 
max(tFILTSD, 
tCLK+20) 
100 
ns 
STEP input minimum high time 
tSH 
max(tFILTSD, 
tCLK+20) 
100 
ns 
DIR to STEP setup time 
tDSU 
20 
ns 
DIR after STEP hold time 
tDSH 
20 
ns 
STEP and DIR spike filtering time 
*) 
tFILTSD 
rising and falling 
edge 
13 
20 
30 
ns 
STEP and DIR sampling relative 
to rising CLK input 
tSDCLKHI 
before rising edge 
of CLK input 
tFILTSD 
ns 
*) These values are valid with full input logic level swing, only. Asymmetric logic levels will increase 
filtering delay tFILTSD, due to an internal input RC filter.  

TMC220X, TMC2224 DATASHEET (Rev. 1.09 / 2019-JUL-17)       56 
www.trinamic.com 
11.2 Changing Resolution 
The TMC22xx includes an internal microstep table with 1024 sine wave entries to generate sinusoidal 
motor coil currents. These 1024 entries correspond to one electrical revolution or four fullsteps.  The 
microstep resolution setting determines the step width taken within the table. Depending on the DIR 
input, the  microstep  counter  is increased (DIR=0) or  decreased  (DIR=1)  with each STEP pulse  by the 
step  width.  The  microstep  resolution  determines  the  increment  respectively  the  decrement.  At 
maximum  resolution,  the  sequencer  advances  one  step  for  each  step  pulse.  At  half  resolution,  it 
advances  two  steps.  Increment  is  up  to  256  steps  for  fullstepping.  The  sequencer  has  special 
provision to allow seamless switching between different microstep rates at any time. When switching 
to a lower microstep resolution, it calculates the nearest step within the target resolution and reads 
the  current  vector  at  that  position.  This  behavior  especially  is  important  for  low  resolutions  like 
fullstep and halfstep, because any failure in the step sequence would lead to asymmetrical run when 
comparing a motor running clockwise and counterclockwise.  
EXAMPLES: 
Fullstep:   Cycles through table positions: 128, 384, 640 and 896 (45°, 135°, 225° and 315° electrical 
position,  both  coils  on  at  identical  current).  The  coil  current  in  each  position 
corresponds to the RMS-Value (0.71 * amplitude). Step size is 256 (90° electrical) 
Half step:  The first table position is 64 (22.5° electrical), Step size is 128 (45° steps) 
Quarter step:  The first table position is 32 (90°/8=11.25° electrical), Step size is 64 (22.5° steps) 
This way equidistant steps result and they are identical in both rotation directions. Some older drivers 
also use zero current (table entry 0, 0°) as well as full current (90°) within the step tables. This kind of 
stepping is avoided because it provides less torque and has a worse power dissipation in driver and 
motor.  
Step position 
table position 
current coil A 
current coil B 
Half step 0 
64 
38.3% 
92.4% 
Full step 0 
128 
70.7% 
70.7% 
Half step 1 
192 
92.4% 
38.3% 
Half step 2 
320 
92.4% 
-38.3% 
Full step 1 
384 
70.7% 
-70.7% 
Half step 3 
448 
38.3% 
-92.4% 
Half step 4 
576 
-38.3% 
-92.4% 
Full step 2 
640 
-70.7% 
-70.7% 
Half step 5 
704 
-92.4% 
-38.3% 
Half step 6 
832 
-92.4% 
38.3% 
Full step 3 
896 
-70.7% 
70.7% 
Half step 7 
960 
-38.3% 
92.4% 
See chapter 3.4 for resolution settings available in stand-alone mode.  
 
 
 
 
+ 1 i i 1
‘ ‘ | | ‘ | r
¢¢¢¢¢¢¢¢¢¢¢¢¢¢¢¢ TT’FTTTTT’VMWMWWMWWWM
 
 
 
 
 
 
 
 
TMC220X, TMC2224 DATASHEET (Rev. 1.09 / 2019-JUL-17)       57 
www.trinamic.com 
11.3 MicroPlyer Step Interpolator and Stand Still Detection 
For each active edge on STEP, MicroPlyer produces microsteps at 256x resolution, as shown in Figure 
11.2. It interpolates the time in  between  of two  step  impulses at the step input based  on the last 
step interval. This way, from 2 microsteps (128 microstep to 256 microstep interpolation) up to 256 
microsteps (full step input to 256 microsteps) are driven for a single step pulse.  
The step rate for the interpolated 2 to 256 microsteps is determined by measuring the time interval of 
the previous step period and dividing it into up to 256 equal parts. The maximum time between two 
microsteps corresponds  to 220 (roughly one million system clock  cycles), for an even  distribution  of 
256 microsteps. At 12 MHz system clock frequency, this results in a minimum step input frequency of 
roughly 12 Hz for MicroPlyer operation. A lower step rate causes a standstill event to be detected. At 
that frequency, microsteps occur at a rate of (system clock frequency)/216 ~ 256 Hz. When a stand still 
is detected, the driver automatically begins standby current reduction if selected by pin PDN. 
Attention 
MicroPlyer only works perfectly with a jitter-free STEP frequency.  
STEP
Interpolated 
microstep
Active edge 
(dedge=0)
Active edge 
(dedge=0)
Active edge 
(dedge=0)
0 1 2 3 4 5 6 7 8 9 10 11 12 13 14 15 16 17 18 19 20 21 22 23 32
Active edge 
(dedge=0)
STANDSTILL 
(stst) active
33 34 35 36 37 38 39 40 41 42 43 44 45 46 47 48 49 50
Motor
angle
52 53 54 55 56 57 58 59 60 61 62 63 64 65 6651
2^20 tCLK
Figure 11.2 MicroPlyer microstep interpolation with rising STEP frequency (Example: 16 to 256) 
In Figure 11.2, the first STEP cycle is long enough to set the stst bit standstill. Detection of standstill 
will enable the standby current reduction. This bit is cleared on the next STEP active edge. Then, the 
external STEP frequency increases. After one cycle at the higher rate MicroPlyer adapts the interpolated 
microstep  rate to the higher  frequency.  During the  last cycle at the slower  rate,  MicroPlyer  did not 
generate  all  16  microsteps,  so there  is a small  jump  in  motor  angle between  the  first  and  second 
cycles at the higher rate. 
 
 
 
 
 
 
 
 
TMC220X, TMC2224 DATASHEET (Rev. 1.09 / 2019-JUL-17)       58 
www.trinamic.com 
11.4 Index Output 
An active INDEX output signals that the sine curve of motor coil A is at its positive zero transition. 
This correlates to the zero point of the microstep sequence. Usually, the cosine curve of coil B is at its 
maximum at the  same time. Thus  the  index signal is active once within each electrical period, and 
corresponds to a defined position of the motor within a sequence of four fullsteps. The INDEX output 
this way allows the detection of a certain microstep pattern, and thus helps to detect a position with 
more precision than a stop switch can do. 
COIL A 
COIL B
Current
Time
Time
Time
Current
INDEX
STEPS
0
Figure 11.3 Index signal at positive zero transition of the coil A sine curve  
Hint 
The index output allows precise detection of the microstep position within one electrical wave, i.e. 
within a range of four fullsteps. With this, homing accuracy and reproducibility can be enhanced to 
microstep accuracy, even when using an inexpensive home switch. 
 
 
 
 
 
 
 
 
 
 
 
 
 
 
 
 
 
 
 
 
 
 
 
 
 
 
 
 
 
 
 
 
 
TMC220X, TMC2224 DATASHEET (Rev. 1.09 / 2019-JUL-17)       59 
www.trinamic.com 
12 Internal Step Pulse Generator 
The TMC22xx family integrates a high resolution step pulse generator, allowing motor motion via the 
UART  interface.  However,  no  velocity  ramping  is  provided.  Ramping  is  not  required,  if  the  target 
motion velocity is smaller than the start & stop frequency of the motor. For higher velocities, ramp up 
the frequency in small steps to accelerate the motor, and ramp down again to decelerate the motor. 
Figure  12.1  shows  an  example  motion  profile  ramping  up  the  motion  velocity  in  discrete  steps. 
Choose the ramp velocity steps considerably smaller than the maximum start velocity of  the motor, 
because motor torque drops at higher velocity, and motor load at higher velocity typically increases. 
v
t
acceleration deceleration
motor 
stop
Stop velocity
Start velocity
0
Target Velocity
Theoretical profile
VACTUAL
constant velocity
Figure 12.1 Software generated motion profile 
PARAMETER VS. UNITS 
Parameter / Symbol 
Unit 
calculation / description / comment 
fCLK[Hz] 
[Hz] 
clock frequency of the TMC22xx in [Hz] 
µstep velocity v[Hz] 
µsteps / s 
v[Hz] = VACTUAL[22xx] * ( fCLK[Hz]/2 / 2^23 ) 
With internal oscillator: 
v[Hz] = VACTUAL[22xx] * 0.715Hz 
USC microstep count 
counts 
microstep  resolution  in  number  of  microsteps 
(i.e.  the  number  of  microsteps  between  two 
fullsteps – normally 256) 
rotations per second v[rps]  
rotations / s 
v[rps] = v[Hz] / USC / FSC 
FSC: motor fullsteps per rotation, e.g. 200 
TSTEP, TPWMTHRS 
- 
TSTEP = fCLK / fSTEP 
The  time  reference  for  velocity  threshold  is 
referred  to  the  actual  microstep  frequency  of 
the step input respectively velocity v[Hz].  
VACTUAL 
Two’s complement 
signed internal 
velocity 
VACTUAL[22xx] = ( fCLK[Hz]/2 / 2^23 ) / v[Hz] 
With internal oscillator: 
VACTUAL[22xx] = 0.715Hz / v[Hz] 
Hint 
To  monitor  internal  step  pulse  execution,  program  the  INDEX  output  to  provide  step  pulses 
(GCONF.index_step).  It  toggles  upon  each  step.  Use  a  timer  input  on  your  CPU  to  count  pulses. 
Alternatively,  regularly  poll  MSCNT  to  grasp  steps  done  in  the  previous  polling  interval.  It  wraps 
around from 1023 to 0. 
UART

TMC220X, TMC2224 DATASHEET (Rev. 1.09 / 2019-JUL-17)       60 
www.trinamic.com 
13 Driver Diagnostic Flags 
The TMC22xx drivers supply a complete set of diagnostic and protection capabilities, like short to GND 
protection, short to VS protection and undervoltage detection. A detection of an open load condition 
allows testing if a motor coil connection is interrupted. See the DRV_STATUS table for details.  
13.1 Temperature Measurement 
The  driver  integrates  a  four  level  temperature  sensor  (pre-warning  and  thermal  shutdown)  for 
diagnostics and for protection of the IC against excess heat. The thresholds can be adapted by UART 
or OTP programming. Heat is mainly generated by the motor driver stages, and, at increased voltage, 
by  the  internal  voltage  regulator.  Most  critical  situations,  where  the  driver  MOSFETs  could  be 
overheated, are avoided by the short to GND protection. For many applications, the overtemperature 
pre-warning will indicate an abnormal operation situation and can be used to initiate user warning or 
power reduction measures like motor current reduction. The thermal shutdown is just an emergency 
measure and temperature rising to the shutdown level should be prevented by design.  
TEMPERATURE THRESHOLDS 
Overtemperature 
Setting 
Comment  
143°C  
(OTPW: 120°C) 
Default setting. This setting is safest to switch off the driver stage before the IC 
can  be  destroyed  by  overheating.  On  a  large  PCB,  the  power  MOSFETs  reach 
roughly 150°C peak temperature when the temperature detector is triggered with 
this  setting.  This  is  a  trip  typical  point  for  overtemperature  shut  down.  The 
overtemperature pre-warning threshold of 120°C gives lots of headroom to react 
to high driver temperature, e.g. by reducing motor current. 
150°C  
(OTPW:  
120°C or 143°C) 
Optional  setting  (OTP  or  UART).  For  small  PCBs  with  high  thermal  resistance 
between PCB and environment, this setting provides some additional headroom. 
The small PCB shows less temperature difference between the MOSFETs and the 
sensor.  
157°C 
(OTPW: 143°C) 
Optional  setting  (UART).  For  applications,  where  a  stop  of the motor  cannot  be 
tolerated,  this  setting  provides  highest  headroom,  e.g.  at  high  environment 
temperature  ratings.  Using  the  143°C  overtemperature  pre-warning  to  reduce 
motor  current  ensures  that  the  motor  is  not  switched  off  by  the  thermal 
threshold.  
Attention 
Overtemperature protection cannot in all cases avoid thermal destruction of the IC. In case the rated 
motor current is exceed,  e.g.  by  operating a  motor in  StealthChop  with  wrong  parameters, or with 
automatic tuning parameters not fitting the operating conditions, excess heat generation can quickly 
heat  up  the  driver  before  the  overtemperature  sensor  can  react.  This  is  due  to  a  delay  in  heat 
conduction over the IC die. 
After triggering the overtemperature sensor (ot flag), the driver remains switched off until the system 
temperature falls below the pre-warning level (otpw) to avoid continuous  heating to the shutdown 
level.  
13.2 Short Protection 
The TMC22xx power stages are protected against a short circuit condition by an additional measure-
ment of  the  current  flowing through each  of the  power stage  MOSFETs.  This is important, as  most 
short circuit conditions result from a motor cable insulation defect, e.g. when touching the conducting 
parts connected to  the system ground.  The short detection is  protected  against spurious triggering, 
e.g. by ESD discharges, by retrying three times before switching off the motor.  
 
 
 
 
 
 
 
 
 
 
 
 
 
 
 
 
 
TMC220X, TMC2224 DATASHEET (Rev. 1.09 / 2019-JUL-17)       61 
www.trinamic.com 
Once a short condition is safely detected, the corresponding driver bridge (A or B) becomes switched 
off, and the s2ga or s2gb flag, respectively s2vsa or s2vsb becomes set. In order to restart the motor, 
disable and re-enable the driver. Note, that short protection cannot protect the system and the power 
stages for all possible short events, as a short event is rather undefined and a complex  network of 
external components may be involved. Therefore, short circuits should basically be avoided. 
13.3 Open Load Diagnostics 
Interrupted  cables  are  a  common  cause  for  systems  failing,  e.g.  when  connectors  are  not  firmly 
plugged. The TMC22xx detects open load conditions by checking, if it can reach the desired motor coil 
current.  This  way,  also  undervoltage  conditions,  high  motor  velocity  settings  or  short  and 
overtemperature  conditions  may  cause  triggering  of  the  open  load  flag,  and  inform  the  user,  that 
motor torque  may suffer.  In  motor  stand  still,  open  load  cannot  always  be  measured,  as  the  coils 
might eventually have zero current.  
Open load detection is provided for system debugging.  
In  order  to  safely  detect  an  interrupted  coil  connection,  read  out  the  open  load  flags  at  low  or 
nominal  motor  velocity  operation,  only.  If  possible,  use  SpreadCycle  for  testing,  as  it  provides  the 
most accurate test. However, the ola and olb flags have just informative character and do not cause 
any action of the driver. 
13.4 Diagnostic Output 
The  diagnostic  output  DIAG  and  the  index  output  INDEX  provide  important  status  information.  An 
active  DIAG  output  shows  that  the  driver  cannot  work  normally.  The  INDEX  output  signals  the 
microstep  counter  zero  position,  to  allow referencing  (homing)  a  drive  to  a  certain  current  pattern. 
The  function  set  of  the  INDEX  output  can  be  modified  by  UART.  Figure  13.1  shows  the  available 
signals and control bits. 
INDEX
DIAG
Power-on reset
Toggle upon each step
Charge pump undervoltage (uv_cp)
Short circuit (s2vs, s2g) over temperature (ot)
S
R
Q
drv_err
Power stage disable (e.g. pin ENN)
Index pulse
GCONF.index_otpw
GCONF.index_step
MUX
Overtemperature prewarning (otpw)
TMC220x, only
Overtemperature (ot)
Figure 13.1 DIAG and INDEX outputs 
UART
 
E).
 
 
 
 
 
 
 
 
 
 
 
 
 
 
 
 
 
 
 
 
 
 
 
 
 
 
 
 
 
 
 
 
 
 
 
 
 
 
 
 
 
 
 
 
 
 
 
 
 
TMC220X, TMC2224 DATASHEET (Rev. 1.09 / 2019-JUL-17)       62 
www.trinamic.com 
14 Quick Configuration Guide 
This  guide  is  meant  as  a  practical  tool  to  come  to  a  first  configuration.  Do  a  minimum  set  of 
measurements and decisions for tuning the driver to determine UART settings or OTP parameters. The 
flow-charts  concentrate  on  the  basic  function  set  to  make  a  motor  run  smoothly.  Once  the  motor 
runs, you may decide to explore additional features, e.g. freewheeling in more detail. A current probe 
on one motor coil is a good aid to find the best settings, but it is not a must. 
Current Setting
Sense Resistors 
used?
GCONF
set internal_Rsense
Store to OTP 0.6 
recommended
N
Analog Scaling?
Y
GCONF
set I_scale_analog
(this is default)
Set VREF as desired
Y
CHOPCONF
set vsense for max. 
180mV at sense resistor 
(0R15: 1.1A peak)
Set I_RUN as desired up 
to 31, I_HOLD  70% of 
I_RUN or lower
N
Low Current range?
N
Y
GCONF
clear en_spreadCycle
(default)
Set I_HOLD_DELAY to 1 
to 15 for smooth 
standstill current decay 
Set TPOWERDOWN up 
to 255 for delayed 
standstill current 
reduction
Configure Chopper to 
test current settings
stealthChop 
Configuration
PWMCONF
set pwm_autoscale, 
set pwm_autograd
PWMCONF
select PWM_FREQ with 
regard to fCLK for 20-
40kHz PWM frequency
Check hardware 
setup and motor 
RMS current
CHOPCONF
Enable chopper using basic 
config., e.g.: TOFF=5, TBL=2, 
HSTART=4, HEND=0
Move the motor by 
slowly accelerating 
from 0 to VMAX 
operation velocity
Is performance 
good up to VMAX?
Select a velocity 
threshold for switching 
to spreadCycle chopper 
and set TPWMTHRS
N
SC2
Y
Execute 
automatic 
tuning 
procedure AT
Figure 14.1 Current Setting and first steps with StealthChop 
Hint 
Use the evaluation board to explore settings and to generate the required configuration datagrams. 
UART OTP

TMC220X, TMC2224 DATASHEET (Rev. 1.09 / 2019-JUL-17)       63 
www.trinamic.com 
SC2
Try motion above 
TPWMTRHRS, if 
used
Coil current  
overshoot upon 
deceleration?
PWMCONF
decrease PWM_LIM (do 
not go below about 5)
Y
Optimize spreadCycle 
configuration if TPWMTHRS 
used
N
Go to motor stand 
still and check 
motor current at 
IHOLD=IRUN
Stand still current 
too high?
N
CHOPCONF, PWMCONF
decrease TBL or PWM 
frequency and check 
impact on motor motion
Y
GCONF
set en_spreadCycle
spreadCycle 
Configuration
CHOPCONF
Enable chopper using basic 
config.: TOFF=5, TBL=2, 
HSTART=0, HEND=0
Move the motor by 
slowly accelerating 
from 0 to VMAX 
operation velocity
Monitor sine wave motor 
coil currents with current 
probe at low velocity
CHOPCONF
increase HEND (max. 15)
Current zero 
crossing smooth? N
Move motor very slowly or 
try at stand still
CHOPCONF
decrease TOFF (min. 2), 
try lower / higher TBL or 
reduce motor current
Audible Chopper 
noise? Y
Y
Move motor at medium 
velocity or up to max. 
velocity
N
Audible Chopper 
noise?
CHOPCONF
decrease HEND and 
increase HSTART (max. 
7)
Y
Finished
Figure 14.2 Tuning StealthChop and SpreadCycle 

TMC220X, TMC2224 DATASHEET (Rev. 1.09 / 2019-JUL-17)       64 
www.trinamic.com 
OTP programming
Determine stand still current 
settings (IHOLD, IHOLDDELAY) and 
sense resistor type (internal_Rsense)
Find nearest value fitting for 
PWM_GRAD initialization from 
table OTP_PWM_GRAD
Determine chopper settings 
(CHOPCONF and PWMCONF)
spreadCycle only 
mode?
Go for 
otp_en_spreadCycle=1
Y
N
Mix spreadCylce 
and stealthChop?
Find nearest value fitting 
for TPWMTHRS from 
table OTP_TPWMTHRS
Y
N
Note all OTP bits to be set 
to 1.
Are all OTP bits 
programmed?
N
Y
Choose a bit to be programmed and write 
OTP byte and bit address to OTP_PROG 
including magic code 0xbd
Finished
Wait for 10ms or longer
All bits set in 
OTP_READ?
Y
Re-Program missing bits 
using 100ms delay time
N
Figure 14.3 OTP programming 

TMC220X, TMC2224 DATASHEET (Rev. 1.09 / 2019-JUL-17)       65 
www.trinamic.com 
15 External Reset 
The chip is loaded with default values during power on via its internal power-on reset. Some of the 
registers are initialized from the OTP at power up. In order to reset the chip to power on defaults, 
any  of  the  supply  voltages  monitored  by  internal  reset  circuitry  (VS,  +5VOUT  or  VCC_IO)  must  be 
cycled. As +5VOUT is the output of the internal voltage regulator, it cannot be cycled via an external 
source except by cycling VS. It is easiest and safest to cycle VCC_IO in order to completely reset the 
chip. Also, current consumed  from  VCC_IO  is  low  and therefore  it has simple  driving  requirements. 
Due  to  the  input  protection  diodes  not  allowing  the  digital  inputs  to  rise  above  VCC_IO  level,  all 
inputs must be driven low during this reset operation. When this is not possible, an input protection 
resistor may be used to limit current flowing into the related inputs.  
16 Clock Oscillator and Input 
The clock is the timing reference for all functions: the chopper frequency, the blank time, the standstill 
power  down  timing,  and  the  internal  step  pulse  generator  etc.  The  on-chip  clock  oscillator  is 
calibrated in order to provide timing precise enough for most operation cases.   
USING THE INTERNAL CLOCK 
Directly  tie  the  CLK  input  to  GND  near  to  the  IC  if  the  internal  clock  oscillator  is  to  be  used.  The 
internal clock frequency is factory-trimmed to 12MHz by OTP programming.  
USING AN EXTERNAL CLOCK 
When an external clock is available, a frequency of 10 MHz to 16 MHz is recommended for optimum 
performance. The duty cycle of the clock signal is uncritical, as long as minimum high or low input 
time for the pin is satisfied (refer to electrical characteristics). Up to 18 MHz can be used, when the 
clock duty cycle is 50%. Make sure, that the clock source supplies clean CMOS output logic levels and 
steep slopes  when  using  a  high  clock  frequency.  The  external  clock  input  is enabled  with  the  first 
positive polarity seen on the CLK input. Modifying the clock frequency is an easy way to adapt the 
StealthChop  chopper  frequency  or  to  synchronize  multiple  drivers.  Working  with  a  very  low  clock 
frequency down to 4 MHz can help reducing power consumption and electromagnetic emissions, but 
it will sacrifice some performance. 
Use an external clock source to synchronize multiple drivers, or to get precise motor operation with 
the internal pulse generator for motion. The external clock frequency selection also allows modifying 
the power down timing and the chopper frequency. 
Hint 
Switching off the external clock frequency would stop the chopper and could lead to an overcurrent 
condition. Therefore, TMC22xx has an internal timeout of 32 internal clocks. In case the external clock 
fails, it switches back to internal clock.  

TMC220X, TMC2224 DATASHEET (Rev. 1.09 / 2019-JUL-17)       66 
www.trinamic.com 
17 Absolute Maximum Ratings 
The maximum ratings may not be exceeded under any circumstances. Operating the circuit at or near 
more  than  one  maximum  rating  at  a  time  for  extended  periods  shall  be  avoided  by  application 
design. 
Parameter 
Symbol 
Min 
Max 
Unit 
Supply voltage operating with inductive load  
VVS 
-0.5 
39 
V 
Supply and bridge voltage max. *) 
VVMAX 
40 
V 
I/O supply voltage 
VVIO 
-0.5 
5.5 
V 
digital supply voltage (when using external supply) 
V5VOUT 
-0.5 
5.5 
V 
Logic input voltage 
VI 
-0.5 
VVIO+0.5 
V 
VREF input voltage (Do not exceed both, VCC_IO and 
5VOUT by more than 10%, as this enables a test mode) 
VVREF 
-0.5 
6 
V 
Maximum current to / from digital pins 
and analog low voltage I/Os 
IIO 
+/-10 
mA 
5V regulator output current (internal plus external load) 
I5VOUT 
25 
mA 
5V regulator continuous power dissipation (VVM-5V) * I5VOUT 
P5VOUT 
0.5 
W 
Power bridge repetitive output current 
IOx 
2.5 
A 
Junction temperature 
TJ 
-50 
150 
°C 
Storage temperature 
TSTG 
-55 
150 
°C 
ESD-Protection for interface pins (Human body model, 
HBM) 
VESDAP 
4  
kV 
ESD-Protection for handling (Human body model, HBM) 
VESD 
1 
kV 
*) Stray inductivity of GND and VS connections will lead to ringing of the supply voltage when driving 
an  inductive  load.  This  ringing  results  from  the  fast  switching  slopes  of  the  driver  outputs  in 
combination with reverse recovery of the body diodes of the output driver MOSFETs. Even small trace 
inductivities as well as stray inductivity of sense resistors can easily generate a few volts of ringing 
leading to temporary voltage overshoot. This should be considered when working near the maximum 
voltage.  
18 Electrical Characteristics 
18.1 Operational Range 
Parameter 
Symbol 
Min 
Max 
Unit 
Junction temperature 
TJ 
-40 
125 
°C 
Supply voltage (using internal +5V regulator) 
VVS 
5.5 
36 
V 
Supply  voltage  (using  internal  +5V  regulator)  for  OTP 
programming 
VVS 
6 
36 
V 
Supply voltage (internal +5V regulator bridged: V5VOUT=VVS) 
VVS 
4.7 
5.4 
V 
I/O supply voltage 
VVIO 
3.00 
5.25 
V 
VCC voltage when using optional external source (supplies  
digital logic and charge pump) 
VVCC 
4.6 
5.25 
V 
RMS motor coil current per coil (value for design guideline) 
IRMS 
1.2 
A 
RMS motor coil current per coil with duty cycle limit, e.g. 1s 
on, 1s standby (value for design guideline) 
IRMS 
1.4 
A 
Peak output current per motor coil output (sine wave peak) 
using external or internal current sensing 
IOx 
2.0 
A 

TMC220X, TMC2224 DATASHEET (Rev. 1.09 / 2019-JUL-17)       67 
www.trinamic.com 
18.2 DC and Timing Characteristics 
DC characteristics contain the spread of values guaranteed within the specified supply voltage range 
unless otherwise specified. Typical values represent the average value of all parts measured at +25°C. 
Temperature variation also causes stray  to some values.  A device  with typical values  will not leave 
Min/Max range within the full temperature range. 
Power supply current 
DC-Characteristics 
VVS = VVSA = 24.0V 
Parameter 
Symbol 
Conditions 
Min 
Typ 
Max 
Unit 
Total supply current, driver 
disabled IVS 
IS 
fCLK=12MHz 
7 
10 
mA 
Total supply current, operating, 
IVS 
IS 
fCLK=12MHz, 35kHz 
chopper, no load 
7.5 
mA 
Supply current, driver disabled, 
dependency on CLK frequency 
IVS 
fCLK variable, 
additional to IVS0 
0.3 
mA/MHz 
Internal current consumption 
from 5V supply on VCC pin 
IVCC 
fCLK=12MHz, 35kHz 
chopper 
4.5 
mA 
IO supply current (typ. at 5V) 
IVIO 
no load on outputs, 
inputs at VIO or GND 
Excludes pullup / 
pull-down resistors 
15 
30 
µA 
Motor driver section 
DC- and Timing-Characteristics 
VVS = 24.0V 
Parameter 
Symbol 
Conditions 
Min 
Typ 
Max 
Unit 
RDSON lowside MOSFET 
RONL 
measure at 100mA, 
25°C, static state 
0.28 
0.38 
Ω 
RDSON highside MOSFET 
RONH 
measure at 100mA, 
25°C, static state 
0.29 
0.39 
Ω 
slope, MOSFET turning on 
tSLPON 
measured at 700mA 
load current 
(resistive load) 
40 
80 
160 
ns 
slope, MOSFET turning off 
tSLPOFF 
measured at 700mA 
load current 
(resistive load) 
40 
80 
160 
ns 
Current sourcing, driver off 
IOIDLE 
OXX pulled to GND 
120 
180 
250 
µA 
Charge pump 
DC-Characteristics 
Parameter 
Symbol 
Conditions 
Min 
Typ 
Max 
Unit 
Charge pump output voltage 
VVCP-VVS 
operating, typical 
fchop<40kHz 
4.0 
VVCC -
0.3 
VVCC 
V 
Charge pump voltage threshold 
for undervoltage detection 
VVCP-VVS 
using internal 5V 
regulator voltage 
3.3 
3.6 
4.0 
V 
Charge pump frequency 
fCP 
1/16 
fCLKOSC 

TMC220X, TMC2224 DATASHEET (Rev. 1.09 / 2019-JUL-17)       68 
www.trinamic.com 
Linear regulator 
DC-Characteristics 
VVS = VVSA = 24.0V 
Parameter 
Symbol 
Conditions 
Min 
Typ 
Max 
Unit 
Output voltage 
V5VOUT 
I5VOUT = 0mA 
TJ = 25°C 
4.80 
5.0 
5.25 
V 
Output resistance 
R5VOUT 
Static load 
1 
 
Deviation of output voltage over 
the full temperature range 
V5VOUT(DEV) 
I5VOUT = 5mA  
TJ = full range 
+/-30 
+/-100 
mV 
Deviation of output voltage over 
the full supply voltage range 
V5VOUT(DEV) 
I5VOUT = 5mA  
VVS = variable 
+/-15 
+/-30 
mV / 
10V 
Clock oscillator and input 
Timing-Characteristics 
Parameter 
Symbol 
Conditions 
Min 
Typ 
Max 
Unit 
Clock oscillator frequency 
(factory calibrated) 
fCLKOSC 
tJ=-50°C 
11.7 
MHz 
fCLKOSC 
tJ= 25°C 
11.5 
12.0 
12.5 
MHz 
fCLKOSC 
tJ=150°C 
12.1 
MHz 
External clock frequency 
(operating) 
fCLK 
4 
10-16 
18 
MHz 
External clock high / low level 
time  
tCLK 
CLK driven to  
0.1 VVIO / 0.9 VVIO 
16 
ns 
External clock first pulse to 
trigger switching to external CLK 
tCLKH / 
tCLKL 
CLK driven high 
30 
25 
ns 
External clock timeout detection 
in cycles of internal fCLKOSC 
xtimeout 
External clock stuck 
at low or high 
32 
48 
cycles 
fCLKOSC 

TMC220X, TMC2224 DATASHEET (Rev. 1.09 / 2019-JUL-17)       69 
www.trinamic.com 
Detector levels 
DC-Characteristics 
Parameter 
Symbol 
Conditions 
Min 
Typ 
Max 
Unit 
VVS undervoltage threshold for 
RESET 
VUV_VS 
VVS rising 
3.5 
4.2 
4.6 
V 
V5VOUT undervoltage threshold for 
RESET 
VUV_5VOUT 
V5VOUT rising 
3.5 
V 
VVCC_IO undervoltage threshold for 
RESET 
VUV_VIO 
VVCC_IO rising (delay 
typ. 10µs) 
2.1 
2.55 
3.0 
V 
VVCC_IO undervoltage detector 
hysteresis 
VUV_VIOHYST 
0.3 
V 
Short to GND detector threshold 
(VVS - VOx) 
VOS2G 
2 
2.5 
3 
V 
Short to VS detector threshold 
(VOx) 
VOS2VS 
1.6 
2 
2.3 
V 
Short detector delay 
(high side / low side switch on 
to short detected) 
tS2G 
High side output 
clamped to VSP-3V 
0.8 
1.3 
2 
µs 
Overtemperature prewarning 
120°C 
tOTPW 
Temperature rising 
100 
120 
140 
°C 
Overtemperature shutdown or 
prewarning 143°C (appr. 153°C IC 
peak temp.) 
tOT143 
Temperature rising 
128 
143 
163 
°C 
Overtemperature shutdown 
150°C (appr. 160°C IC peak temp.) 
tOT150 
Temperature rising 
135 
150 
170 
°C 
Overtemperature shutdown 
157°C (appr. 167°C IC peak temp.) 
tOT157 
Temperature rising 
142 
157 
177 
°C 
Difference between temperature 
detector and power stage 
temperature, slow heat up 
tOTDIFF 
Power stage causing 
high temperature, 
normal 4 Layer PCB 
10 
°C 
Sense resistor voltage levels 
DC-Characteristics 
fCLK=16MHz 
Parameter 
Symbol 
Conditions 
Min 
Typ 
Max 
Unit 
Sense input peak threshold 
voltage (low sensitivity) 
VSRTL 
vsense=0 
csactual=31 
CUR_A/B=248 
Hyst.=0; IBRxy=0 
325 
mV 
Sense input peak threshold 
voltage (high sensitivity) 
VSRTH 
vsense=1 
csactual=31 
CUR_A/B=248 
Hyst.=0; IBRxy=0 
180 
mV 
Sense input tolerance / motor 
current full scale tolerance  
-using internal reference 
ICOIL 
I_scale_analog=0, 
vsense=0 
-5 
+5 
% 
Sense input tolerance / motor 
current full scale tolerance  
-using external reference voltage 
ICOIL 
I_scale_analog=1, 
VAIN=2V, vsense=0 
-2 
+2 
% 
Internal resistance from pin BRxy 
to internal sense comparator  
(additional to sense resistor) 
RBRxy 
30 
mΩ 

TMC220X, TMC2224 DATASHEET (Rev. 1.09 / 2019-JUL-17)       70 
www.trinamic.com 
Digital pins 
DC-Characteristics 
Parameter 
Symbol 
Conditions 
Min 
Typ 
Max 
Unit 
Input voltage low level 
VINLO 
-0.3 
0.3 VVIO 
V 
Input voltage high level 
VINHI 
0.7 VVIO 
VVIO+0.3 
V 
Input Schmitt trigger hysteresis 
VINHYST 
0.12 
VVIO 
V 
Output voltage low level 
VOUTLO 
IOUTLO = 2mA 
0.2 
V 
Output voltage high level 
VOUTHI 
IOUTHI = -2mA 
VVIO-0.2 
V 
Input leakage current 
IILEAK 
-10 
10 
µA 
Pullup / pull-down resistors 
RPU/RPD 
132 
166 
200 
kΩ 
Digital pin capacitance 
C 
3.5 
pF 
AIN/IREF input 
DC-Characteristics 
Parameter 
Symbol 
Conditions 
Min 
Typ 
Max 
Unit 
AIN_IREF input resistance to 2.5V 
(=5VOUT/2) 
RAIN 
Measured to GND 
(internalRsense=0) 
260 
330 
400 
kΩ 
AIN_IREF input voltage range for 
linear current scaling 
VAIN 
Measured to GND 
(IscaleAnalog=1) 
0 
0.5-2.4 
V5VOUT/2 
V 
AIN_IREF open input voltage 
level 
VAINO 
Open circuit voltage 
(internalRsense=0) 
V5VOUT/2 
V 
AIN_IREF input resistance to 
GND for reference current input 
RIREF 
Measured to GND 
(internalRsense=1) 
0.5 
0.7 
1.0 
kΩ 
AIN_IREF current amplification 
for reference current to coil 
current at maximum setting 
IREFAMPL 
IIREF = 0.25mA 
3000 
Times 
Motor current full scale tolerance  
-using RDSon measurement 
(value for design guideline to 
calculate reproduction of certain 
motor current & torque) 
ICOIL 
Internal_Rsense=1, 
vsense=0, 
IIREF = 0.25mA (after 
reaching thermal 
balance) 
-10 
+10 
% 

TMC220X, TMC2224 DATASHEET (Rev. 1.09 / 2019-JUL-17)       71 
www.trinamic.com 
18.3 Thermal Characteristics 
The  following  table  shall  give  an  idea  on  the  thermal  resistance  of  the  package.  The  thermal 
resistance  for  a  four-layer  board  will  provide  a  good  idea  on  a  typical  application.  Actual  thermal 
characteristics  will  depend  on  the  PCB  layout,  PCB  type  and  PCB  size.  The  thermal  resistance  will 
benefit from thicker CU (inner) layers for spreading heat horizontally within the PCB. Also, air flow will 
reduce thermal resistance. 
A thermal resistance of 30K/W for a typical board means, that the package is capable of continuously 
dissipating  3.3W  at an  ambient temperature of 25°C with the  die temperature  staying  below 125°C. 
Note, that a thermally optimized layout is required. 
Parameter 
Symbol 
Conditions 
Typ 
Unit 
Typical power dissipation 
PD 
StealthChop or SpreadCycle, 1A RMS 
in two phase motor, sinewave, 40 or 
20kHz chopper, 24V, 110°C peak 
surface of package (motor QSH4218-
035-10-027) 
2.5 
W 
Typical power dissipation 
PD 
StealthChop or SpreadCycle, 0.7A RMS 
in two phase motor, sinewave, 40 or 
20kHz chopper, 24V, 68°C peak surface 
of package (motor QSH4218-035-10-
027) 
1.36 
W 
Thermal resistance junction to 
ambient on a multilayer board 
QFN28 
RTMJA 
Dual signal and two internal power 
plane board (2s2p) as defined in 
JEDEC EIA JESD51-5 and JESD51-7  
(FR4, 35µm CU, 70mm x 133mm, 
d=1.5mm) 
30 
K/W 
Thermal resistance junction to 
case 
RTJC 
Junction to heat slug of package 
6 
K/W 
Table 18.1 Thermal characteristics TMC22xx 
Note 
A spread-sheet for calculating TMC22xx power dissipation is available on www.trinamic.com.  

TMC220X, TMC2224 DATASHEET (Rev. 1.09 / 2019-JUL-17)       72 
www.trinamic.com 
19 Layout Considerations 
19.1 Exposed Die Pad 
The TMC22xx uses its die attach pad to dissipate heat from the drivers and the linear regulator to the 
board.  For  best  electrical  and  thermal  performance,  use  a  reasonable  amount  of  solid,  thermally 
conducting vias between the die attach pad and the ground plane. The printed circuit board should 
have a solid ground plane spreading heat into the board and providing for a stable GND reference.  
19.2 Wiring GND 
All signals of the TMC22xx are referenced to their respective GND. Directly connect all GND pins under 
the device to a common ground area (GND and die attach pad). The GND plane right below the die 
attach pad should be treated as a virtual star point. For thermal reasons, the PCB top layer shall be 
connected to a large PCB GND plane spreading heat within the PCB.  
Attention 
Especially  the  sense  resistors  are  susceptible  to  GND  differences  and  GND  ripple  voltage,  as  the 
microstep  current  steps  make  up  for  voltages  down  to  0.5 mV.  No  current  other  than  the  sense 
resistor current should flow on their connections to GND and to the TMC22xx. Optimally place them 
close  to  the  IC,  with  one  or  more  vias  to  the  GND  plane  for  each  sense  resistor.  The  two  sense 
resistors for one coil should not share a common ground connection trace or vias, as also PCB traces 
have a certain resistance. 
19.3 Supply Filtering 
The 5VOUT output voltage ceramic filtering capacitor (2.2 to 4.7 µF recommended) should be placed as 
close as possible to the 5VOUT pin, with its GND return going directly to the die pad or the nearest 
GND pin. This ground connection shall not be shared with other loads or additional vias to the GND 
plane. Use as short and as thick connections as possible.  
The  motor  supply  pins  VS  should  be  decoupled  with  an  electrolytic  capacitor  (47 μF  or  larger  is 
recommended) and a ceramic capacitor, placed close to the device.  
Take into account that the switching motor coil outputs have a high dV/dt. Thus capacitive stray into 
high resistive signals can occur, if the motor traces are near other traces over longer distances. 
 
we,
 
 
 
 
 
 
 
       
 
]
 
 
 
Nm
\/ \/ 3
f C C C
mma ED NS ED I
1]] \
«mmcac
”63: I
 
Ea
 
r E 5/
 
 
 
 
 
 
 
 
TMC220X, TMC2224 DATASHEET (Rev. 1.09 / 2019-JUL-17)       73 
www.trinamic.com 
19.4 Layout Example TMC2208 
Schematic 
Placement (Excerpt)          Top Layout (Excerpt, showing die pad vias) 
The  complete  schematics  and  layout  data  for  all  TMC22xx  evaluation  boards  are  available  on  the 
TRINAMIC website. 
 
 
 
‘ I
Fm ' :0pr 7
 
 
 
 
 
 
 
 
 
 
fmm \:
/
AEL
 
~ 0mg: mg
 
 
 
 
 
JTACH PAD
 
 
 
 
 
 
 
 
TMC220X, TMC2224 DATASHEET (Rev. 1.09 / 2019-JUL-17)       74 
www.trinamic.com 
20 Package Mechanical Data 
20.1 Dimensional Drawings QFN28 
Attention: Drawings not to scale. 
Figure 20.1 Dimensional drawings QFN28 

TMC220X, TMC2224 DATASHEET (Rev. 1.09 / 2019-JUL-17)       75 
www.trinamic.com 
Parameter  [mm] 
Ref 
Min 
Nom 
Max 
total thickness 
A 
0.8 
0.85 
0.9 
stand off 
A1 
0 
0.035 
0.05 
mold thickness 
A2 
0.65 
lead frame thickness 
A3 
0.203 
lead width 
b 
0.2 
0.25 
0.3 
body size X 
D 
5.0 
body size Y 
E 
5.0 
lead pitch 
e 
0.5 
exposed die pad size X 
J 
3 
3.1 
3.2 
exposed die pad size Y 
K 
3 
3.1 
3.2 
lead length 
L 
0.5 
0.55 
0.6 
package edge tolerance 
aaa 
0.1 
mold flatness 
bbb 
0.1 
coplanarity 
ccc 
0.08 
lead offset 
ddd 
0.1 
exposed pad offset 
eee 
0.1 
 
 
 
 
 
 
 
 
 
 
TOP WEN
r-N
A:
7 EX‘VbEU
mam MU
 
 
 
 
 
 
 
 
 
 
 
 
 
 
 
 
 
 
TMC220X, TMC2224 DATASHEET (Rev. 1.09 / 2019-JUL-17)       76 
www.trinamic.com 
20.2 Dimensional Drawings QFN32-WA 
Figure 20.2 Dimensional drawings QFN32-WA 

TMC220X, TMC2224 DATASHEET (Rev. 1.09 / 2019-JUL-17)       77 
www.trinamic.com 
Parameter  [mm] 
Ref 
Min 
Nom 
Max 
total thickness 
A 
0.8 
0.85 
0.9 
stand off 
A1 
0 
0.035 
0.05 
mold thickness 
A2 
0.65 
lead frame thickness 
A3 
0.203 
lead width 
b 
0.2 
0.25 
0.3 
body size X 
D 
5.0 
body size Y 
E 
5.0 
lead pitch 
e 
0.5 
exposed die pad size X 
J 
3.3 
3.4 
3.5 
exposed die pad size Y 
K 
3.3 
3.4 
3.5 
lead length 
L 
0.45 
0.5 
0.55 
lead length 
L1 
0.4 
0.5 
0.55 
package edge tolerance 
aaa 
0.1 
mold flatness 
bbb 
0.1 
coplanarity 
ccc 
0.08 
lead offset 
ddd 
0.1 
exposed pad offset 
eee 
0.1 
half-cut width 
R 
0.075 
half-cut depth 
S 
0.075 
20.3 Package Codes 
Type 
Package 
Temperature range 
Code & marking 
TMC2208-LA 
QFN28 (RoHS) 
-40°C ... +125°C 
TMC2208-LA 
TMC2224-LA 
QFN28 (RoHS) 
-40°C ... +125°C 
TMC2224-LA 
TMC2202-WA 
QFN32 (RoHS) 
-40°C ... +125°C 
TMC2202-WA 
TMC… -T 
-T suffix denotes tape on reel packed products 

TMC220X, TMC2224 DATASHEET (Rev. 1.09 / 2019-JUL-17)       78 
www.trinamic.com 
21 Table of Figures 
FIGURE 1.1 TMC22XX BASIC APPLICATION BLOCK DIAGRAM ...................................................................................................... 4 
FIGURE 1.2 STAND-ALONE DRIVER WITH PRE-CONFIGURATION .................................................................................................... 5 
FIGURE 1.3 AUTOMATIC MOTOR CURRENT POWER DOWN .......................................................................................................... 7 
FIGURE 2.1 TMC2208 PINNING TOP VIEW – TYPE: QFN28, 5X5MM², 0.5MM PITCH ............................................................... 8 
FIGURE 2.2 TMC2202 PINNING TOP VIEW – TYPE: QFN32, 5X5MM², 0.5MM PITCH ............................................................... 9 
FIGURE 2.3 TMC2224 PINNING TOP VIEW – TYPE: QFN28, 5X5MM², 0.5MM PITCH ............................................................. 10 
FIGURE 3.1 STANDARD APPLICATION CIRCUIT ........................................................................................................................... 12 
FIGURE 3.2 APPLICATION CIRCUIT USING RDSON BASED SENSING ........................................................................................... 13 
FIGURE 3.3 5V ONLY OPERATION .............................................................................................................................................. 13 
FIGURE 3.4 SIMPLE ESD ENHANCEMENT AND MORE ELABORATE MOTOR OUTPUT PROTECTION .................................................. 15 
FIGURE 4.1 ATTACHING THE TMC22XX TO A MICROCONTROLLER UART ................................................................................... 18 
FIGURE 4.2 ADDRESSING MULTIPLE TMC22XX VIA SINGLE WIRE INTERFACE USING ANALOG SWITCHES ................................... 19 
FIGURE 6.1 MOTOR COIL SINE WAVE CURRENT WITH STEALTHCHOP (MEASURED WITH CURRENT PROBE) .................................. 34 
FIGURE 6.2 STEALTHCHOP2 AUTOMATIC TUNING PROCEDURE ................................................................................................... 36 
FIGURE 6.3 SCOPE SHOT: GOOD SETTING FOR PWM_REG ....................................................................................................... 38 
FIGURE 6.4 SCOPE SHOT: TOO SMALL SETTING FOR PWM_REG DURING AT#2 ....................................................................... 38 
FIGURE 6.5 SUCCESSFULLY DETERMINED PWM_GRAD(_AUTO) AND PWM_OFS(_AUTO) ................................................... 38 
FIGURE 6.6 VELOCITY BASED PWM SCALING (PWM_AUTOSCALE=0) ......................................................................................... 40 
FIGURE 6.7 TPWMTHRS FOR OPTIONAL SWITCHING TO SPREADCYCLE ................................................................................... 41 
FIGURE 7.1 CHOPPER PHASES ................................................................................................................................................... 45 
FIGURE 7.2 NO LEDGES IN CURRENT WAVE WITH SUFFICIENT HYSTERESIS (MAGENTA: CURRENT A, YELLOW & BLUE: SENSE 
RESISTOR VOLTAGES A AND B) ......................................................................................................................................... 47 
FIGURE 7.3 SPREADCYCLE CHOPPER SCHEME SHOWING COIL CURRENT DURING A CHOPPER CYCLE ............................................ 48 
FIGURE 9.1 SCALING THE MOTOR CURRENT USING THE ANALOG INPUT...................................................................................... 52 
FIGURE 11.1 STEP AND DIR TIMING, INPUT PIN FILTER ......................................................................................................... 55 
FIGURE 11.2 MICROPLYER MICROSTEP INTERPOLATION WITH RISING STEP FREQUENCY (EXAMPLE: 16 TO 256) ..................... 57 
FIGURE 11.3 INDEX SIGNAL AT POSITIVE ZERO TRANSITION OF THE COIL A SINE CURVE .......................................................... 58 
FIGURE 12.1 SOFTWARE GENERATED MOTION PROFILE ............................................................................................................. 59 
FIGURE 13.1 DIAG AND INDEX OUTPUTS ............................................................................................................................... 61 
FIGURE 14.1 CURRENT SETTING AND FIRST STEPS WITH STEALTHCHOP .................................................................................... 62 
FIGURE 14.2 TUNING STEALTHCHOP AND SPREADCYCLE .......................................................................................................... 63 
FIGURE 14.3 OTP PROGRAMMING ............................................................................................................................................ 64 
FIGURE 20.1 DIMENSIONAL DRAWINGS QFN28 ....................................................................................................................... 74 
FIGURE 20.2 DIMENSIONAL DRAWINGS QFN32-WA ............................................................................................................... 76 
 
 
 
 
 
 
 
 
 
 
 
 
 
 
 
 
www.tn na micro m
www.tnnam|c.com
www.mnammcom
 
 
TMC220X, TMC2224 DATASHEET (Rev. 1.09 / 2019-JUL-17)       79 
www.trinamic.com 
22 Revision History 
Version 
Date 
Author 
BD= Bernhard Dwersteg  
Description 
V0.25 
2016-Sep-02 
BD 
First complete datasheet 
V0.28 
2016-Sep-21 
BD 
Some detail wording, request for option packages, added CRC 
procedure 
V1.00 
2016-Nov-01 
BD 
Adapted min/max DC and Timing Characteristics (IS, VCP_UV, VUV_VS, 25°C 
for clock calibration frequency) to fit test limits 
V1.01 
2016-Nov-16 
BD 
Corrected wording in DRV_STATUS 
V1.02 
2017-May-16 
BD 
Added QFN-32 
V1.03 
2017-May-31 
BD 
Hint on PWM_SCALE_AUTO during AT#2 
V1.04 
2018-May-17 
BD 
Minor corrections, Lead width missing in table 
V1.05 
2018-Jun-07 
BD 
Added errata / limitations for initial tuning of AT#1 / AT#2 phase 
Added precautions for power up with StealthChop 
V1.06 
2019-Feb-05 
BD 
Corrected timing requirements for CLK input (30ns for first pulse) / 
some minor fixes. Corrected calculation formula for sense resistor 
with 30mOhm internal resistance rather than 20mOhm. 
V1.09 
2019-Jul-17 
BD 
Minor fixes / added order codes, removed HTSSOP package 
Table 22.1 Document Revisions 
23 References 
[TMC22xx-EVAL]  TMC22xx Evaluation board: Manuals, software and PCB data available on 
www.trinamic.com 
[AN001]  Trinamic Application Note 001 - Parameterization of SpreadCycle™, 
www.trinamic.com  
Calculation sheet 
TMC22xx_Calculations.xlsx www.trinamic.com 
Products related to this Datasheet
IC MTR DRV BIPOLAR 5.5-36V 28QFN
        
    TMC2208 STEPPER DRIVER BOARD
        
    IC MTR DRV BIPOLAR 5.5-36V 32QFN
        
    EVAL BOARD FOR TMC2208
        
    STEPPER 5 CLICK
        
    EVAL BOARD FOR TMC2224
        
    EVAL KIT FOR TMC2224
        
    EVAL KIT FOR TMC2208
        
    IC MTR DRV BIPOLAR 5.5-36V 28QFN
        
    IC MTR DRV BIPOLAR 5.5-36V 28QFN
        
    IC MTR DRV BIPOLAR 5.5-36V 28QFN
        
    IC MTR DRV BIPOLAR 5.5-36V 28QFN
        
    IC MTR DRV BIPOLAR 5.5-36V 28QFN
        
    IC MTR DRV BIPOLAR 5.5-36V 32QFN
        
    IC MTR DRV BIPOLAR 5.5-36V 32QFN