Q
Q
 
 
 
* This document contains certain information on a new product. 
Specifications and information herein are subject to change without notice.
Document Number: PF3000
Rev. 9.0, 8/2017
NXP Semiconductors 
Data sheet: Advance Information
© NXP B.V. 2017.
Power management integrated 
circuit (PMIC) for i.MX 7 & i.MX 6SL/
SX/UL
The PF3000 is a power management integrated circuit (PMIC) designed 
specifically for use with the NXP i.MX 7 and i.MX 6SL/SX/UL application 
processors. With up to four buck converters, six linear regulators, RTC supply, 
and coin-cell charger, the PF3000 can provide power for a complete system, 
including applications processors, memory, and system peripherals. This device 
is powered by SMARTMOS technology.
Features:
• Four adjustable high efficiency buck regulators: 1.75 A, 1.5 A, 1.25 A, 1.0 A
• Selectable modes: PWM, PFM, APS
•5.0 V, 600 mA boost regulator with PFM or auto mode
• Six adjustable general purpose linear regulators
• Input voltage range: 2.8 V to 4.5 V or 3.7 V to 5.5 V
• OTP (One Time Programmable) memory for device configuration
• Programmable start-up sequence and timing
• Selectable output voltage, frequency, soft start
•I
2C control 
• Coin cell charger and always ON RTC supply
• DDR reference voltage
• -40 °C to +125 °C operating junction temperature
Figure 1.  PF3000 Simplified Application Diagram
POWER MANAGEMENT
PF3000
Applications:
• Tablets
• eReaders
• Wearables
• POS terminals
• Industrial control
• Medical monitoring
• Home automation
• Home security/energy management
EP SUFFIX
98ASA00719D
48 QFN 7.0 X 7.0
ES SUFFIX
98ASA00933D
48 QFN 7.0 X 7.0
Camera
Audio
Codec
Cluster/HUD
External AMP
Microphones
Speakers
Front USB 
POD
Rear USB 
POD
Rear Seat 
Infotaiment
Sensors
i.MX
I2CI2C
PF3000
Li CELL 
Charger
COINCELL Main Supply
2.8 – 5.5 V
GPS
MIPI
uPCIe
Camera
VREFDDR
DDR Memory
SD-MMC/
NAND Mem.
SATA 
HDD
WAM
GPS/MIPI
HDMI
LDVS Display
USB
Ethernet
CAN
SW3
0.90 to 1.65 V @ 1.5 A
SW1A
0.7 to 1.425 V, 1.8V, 3.3V @ 1.0 A
SW1B
0.70 to 1.475 V @ 1.75 A
SW2
1.50 to 1.85 V @ 1.25 A
or 2.5 to 3.3 V @ 1.25 A
SWBST
5.00 to 5.15 V @ 0.6 A
Switching regulators
VLDO2
0.80 to 1.55 V @250 mA
VLDO1
1.8 to 3.3 V @ 100 mA
VCC_SD  
1.80 to 1.85 V @ 100 mA
or 2.85 to 3.3 V @ 100 mA
V33
2.85 - 3.3 V @ 350 mA
VLDO3
1.8 - 3.3 V @ 100 mA
VLDO4
1.8 - 3.3 V @ 350 mA  
RESETBMCU
PWRON
SD_VSEL
STANDBY
Linear
 regulators
Parallel control/GPIOS
INTB
Processor SOC
Processor 
ARM Core
DDR MEMORY 
INTERFACE
SATA  - FLASH
NAND  -  NOR
Interfaces

2NXP Semiconductors
PF3000
Table of Contents
1 Orderable parts   . . . . . . . . . . . . . . . . . . . . . . . . . . . . . . . . . . . . . . . . . . . . . . . . . . . . . . . . . . . . . . . . . . . . . . . . . . . . . . . . . . . . . . . .  3
2 General description   . . . . . . . . . . . . . . . . . . . . . . . . . . . . . . . . . . . . . . . . . . . . . . . . . . . . . . . . . . . . . . . . . . . . . . . . . . . . . . . . . . . . .  4
3 Internal block diagram  . . . . . . . . . . . . . . . . . . . . . . . . . . . . . . . . . . . . . . . . . . . . . . . . . . . . . . . . . . . . . . . . . . . . . . . . . . . . . . . . . . .  6
4 Pin connections   . . . . . . . . . . . . . . . . . . . . . . . . . . . . . . . . . . . . . . . . . . . . . . . . . . . . . . . . . . . . . . . . . . . . . . . . . . . . . . . . . . . . . . . .  7
4.1 Pinout diagram   . . . . . . . . . . . . . . . . . . . . . . . . . . . . . . . . . . . . . . . . . . . . . . . . . . . . . . . . . . . . . . . . . . . . . . . . . . . . . . . . . . . . .  7
4.2 Pin definitions  . . . . . . . . . . . . . . . . . . . . . . . . . . . . . . . . . . . . . . . . . . . . . . . . . . . . . . . . . . . . . . . . . . . . . . . . . . . . . . . . . . . . . .  8
5 General product characteristics  . . . . . . . . . . . . . . . . . . . . . . . . . . . . . . . . . . . . . . . . . . . . . . . . . . . . . . . . . . . . . . . . . . . . . . . . . . .  10
5.1 Absolute maximum ratings  . . . . . . . . . . . . . . . . . . . . . . . . . . . . . . . . . . . . . . . . . . . . . . . . . . . . . . . . . . . . . . . . . . . . . . . . . . .  10
5.2 Thermal Characteristics   . . . . . . . . . . . . . . . . . . . . . . . . . . . . . . . . . . . . . . . . . . . . . . . . . . . . . . . . . . . . . . . . . . . . . . . . . . . . .  11
5.3 Current consumption . . . . . . . . . . . . . . . . . . . . . . . . . . . . . . . . . . . . . . . . . . . . . . . . . . . . . . . . . . . . . . . . . . . . . . . . . . . . . . . .  12
5.4 Electrical characteristics  . . . . . . . . . . . . . . . . . . . . . . . . . . . . . . . . . . . . . . . . . . . . . . . . . . . . . . . . . . . . . . . . . . . . . . . . . . . . .  13
6 Functional description and application information   . . . . . . . . . . . . . . . . . . . . . . . . . . . . . . . . . . . . . . . . . . . . . . . . . . . . . . . . . . . .  29
2.1 Features  . . . . . . . . . . . . . . . . . . . . . . . . . . . . . . . . . . . . . . . . . . . . . . . . . . . . . . . . . . . . . . . . . . . . . . . . . . . . . . . . . . . . . . . . . .  4
6 Functional description and application information   . . . . . . . . . . . . . . . . . . . . . . . . . . . . . . . . . . . . . . . . . . . . . . . . . . . . . . . . . . . .  29
6.1 Introduction  . . . . . . . . . . . . . . . . . . . . . . . . . . . . . . . . . . . . . . . . . . . . . . . . . . . . . . . . . . . . . . . . . . . . . . . . . . . . . . . . . . . . . . .  29
6.2 Power generation   . . . . . . . . . . . . . . . . . . . . . . . . . . . . . . . . . . . . . . . . . . . . . . . . . . . . . . . . . . . . . . . . . . . . . . . . . . . . . . . . . .  29
6.3 Functional description  . . . . . . . . . . . . . . . . . . . . . . . . . . . . . . . . . . . . . . . . . . . . . . . . . . . . . . . . . . . . . . . . . . . . . . . . . . . . . . .  31
6.3.1 Control logic and interface signals . . . . . . . . . . . . . . . . . . . . . . . . . . . . . . . . . . . . . . . . . . . . . . . . . . . . . . . . . . . . . . . .  31
6.3.2 One-time-programmable memory. . . . . . . . . . . . . . . . . . . . . . . . . . . . . . . . . . . . . . . . . . . . . . . . . . . . . . . . . . . . . . . . .  32
6.3.4 16 MHz and 32 kHz clocks . . . . . . . . . . . . . . . . . . . . . . . . . . . . . . . . . . . . . . . . . . . . . . . . . . . . . . . . . . . . . . . . . . . . . .  36
6.3.5 Optional front-end input LDO regulator. . . . . . . . . . . . . . . . . . . . . . . . . . . . . . . . . . . . . . . . . . . . . . . . . . . . . . . . . . . . .  37
6.3.6 Internal core voltages . . . . . . . . . . . . . . . . . . . . . . . . . . . . . . . . . . . . . . . . . . . . . . . . . . . . . . . . . . . . . . . . . . . . . . . . . .  38
6.3.7 VREFDDR voltage reference . . . . . . . . . . . . . . . . . . . . . . . . . . . . . . . . . . . . . . . . . . . . . . . . . . . . . . . . . . . . . . . . . . . .  38
6.3.8 Buck regulators . . . . . . . . . . . . . . . . . . . . . . . . . . . . . . . . . . . . . . . . . . . . . . . . . . . . . . . . . . . . . . . . . . . . . . . . . . . . . . .  39
6.3.9 Boost regulator . . . . . . . . . . . . . . . . . . . . . . . . . . . . . . . . . . . . . . . . . . . . . . . . . . . . . . . . . . . . . . . . . . . . . . . . . . . . . . .  46
6.3.10 LDO Regulators Description . . . . . . . . . . . . . . . . . . . . . . . . . . . . . . . . . . . . . . . . . . . . . . . . . . . . . . . . . . . . . . . . . . . . .  48
6.3.11 VSNVS LDO/switch  . . . . . . . . . . . . . . . . . . . . . . . . . . . . . . . . . . . . . . . . . . . . . . . . . . . . . . . . . . . . . . . . . . . . . . . . . . .  50
6.4 Power dissipation   . . . . . . . . . . . . . . . . . . . . . . . . . . . . . . . . . . . . . . . . . . . . . . . . . . . . . . . . . . . . . . . . . . . . . . . . . . . . . . . . . .  53
6.5 Modes of operation  . . . . . . . . . . . . . . . . . . . . . . . . . . . . . . . . . . . . . . . . . . . . . . . . . . . . . . . . . . . . . . . . . . . . . . . . . . . . . . . . .  54
6.5.1 State diagram . . . . . . . . . . . . . . . . . . . . . . . . . . . . . . . . . . . . . . . . . . . . . . . . . . . . . . . . . . . . . . . . . . . . . . . . . . . . . . . . .54
6.5.2 State machine flow summary . . . . . . . . . . . . . . . . . . . . . . . . . . . . . . . . . . . . . . . . . . . . . . . . . . . . . . . . . . . . . . . . . . . . . 57
6.5.3 Performance characteristics curves . . . . . . . . . . . . . . . . . . . . . . . . . . . . . . . . . . . . . . . . . . . . . . . . . . . . . . . . . . . . . . . . 58
6.6 Control Interface I2C block description  . . . . . . . . . . . . . . . . . . . . . . . . . . . . . . . . . . . . . . . . . . . . . . . . . . . . . . . . . . . . . . . . . .  61
6.6.1 I2C device ID  . . . . . . . . . . . . . . . . . . . . . . . . . . . . . . . . . . . . . . . . . . . . . . . . . . . . . . . . . . . . . . . . . . . . . . . . . . . . . . . . .61
6.6.2 I2C operation  . . . . . . . . . . . . . . . . . . . . . . . . . . . . . . . . . . . . . . . . . . . . . . . . . . . . . . . . . . . . . . . . . . . . . . . . . . . . . . . . .62
6.6.3 Interrupt handling  . . . . . . . . . . . . . . . . . . . . . . . . . . . . . . . . . . . . . . . . . . . . . . . . . . . . . . . . . . . . . . . . . . . . . . . . . . . . . .63
6.6.4 Interrupt bit summary  . . . . . . . . . . . . . . . . . . . . . . . . . . . . . . . . . . . . . . . . . . . . . . . . . . . . . . . . . . . . . . . . . . . . . . . . . . .63
6.6.5 Specific registers. . . . . . . . . . . . . . . . . . . . . . . . . . . . . . . . . . . . . . . . . . . . . . . . . . . . . . . . . . . . . . . . . . . . . . . . . . . . . . .68
6.6.6 Register map. . . . . . . . . . . . . . . . . . . . . . . . . . . . . . . . . . . . . . . . . . . . . . . . . . . . . . . . . . . . . . . . . . . . . . . . . . . . . . . . .102
7 Typical applications   . . . . . . . . . . . . . . . . . . . . . . . . . . . . . . . . . . . . . . . . . . . . . . . . . . . . . . . . . . . . . . . . . . . . . . . . . . . . . . . . . . .  110
7.1 Application diagram . . . . . . . . . . . . . . . . . . . . . . . . . . . . . . . . . . . . . . . . . . . . . . . . . . . . . . . . . . . . . . . . . . . . . . . . . . . . . . . .  110
8 Bill of materials  . . . . . . . . . . . . . . . . . . . . . . . . . . . . . . . . . . . . . . . . . . . . . . . . . . . . . . . . . . . . . . . . . . . . . . . . . . . . . . . . . . . . . . .  111
9 Thermal information  . . . . . . . . . . . . . . . . . . . . . . . . . . . . . . . . . . . . . . . . . . . . . . . . . . . . . . . . . . . . . . . . . . . . . . . . . . . . . . . . . . .  114
9.1 Rating data  . . . . . . . . . . . . . . . . . . . . . . . . . . . . . . . . . . . . . . . . . . . . . . . . . . . . . . . . . . . . . . . . . . . . . . . . . . . . . . . . . . . . . .  114
9.2 Estimation of junction temperature  . . . . . . . . . . . . . . . . . . . . . . . . . . . . . . . . . . . . . . . . . . . . . . . . . . . . . . . . . . . . . . . . . . . .  114
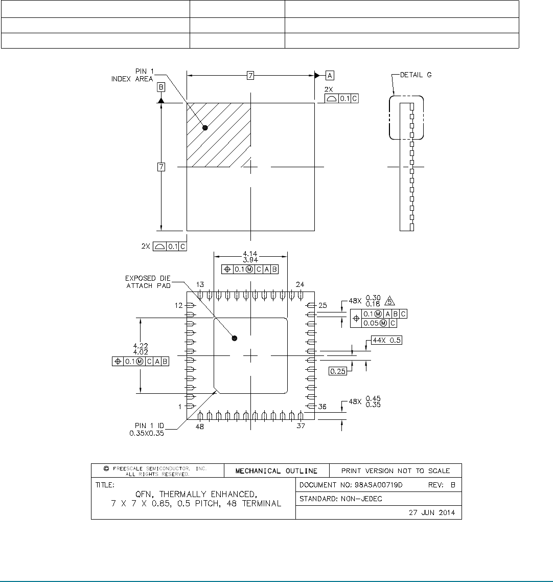
10 Packaging . . . . . . . . . . . . . . . . . . . . . . . . . . . . . . . . . . . . . . . . . . . . . . . . . . . . . . . . . . . . . . . . . . . . . . . . . . . . . . . . . . . . . . . . . . .  115
10.1Packaging dimensions   . . . . . . . . . . . . . . . . . . . . . . . . . . . . . . . . . . . . . . . . . . . . . . . . . . . . . . . . . . . . . . . . . . . . . . . . . . . . .  115
11 Revision history   . . . . . . . . . . . . . . . . . . . . . . . . . . . . . . . . . . . . . . . . . . . . . . . . . . . . . . . . . . . . . . . . . . . . . . . . . . . . . . . . . . . . . .  121

ORDERABLE PARTS
NXP Semiconductors 3
PF3000
1 Orderable parts
The PF3000 is available with pre-programmed OTP memory configurations. The devices are identified using the program codes from 
Ta b l e  1 . Details of the OTP programming for each device can be found in Table 42. 
Table 1.  Orderable part variations
Part number  Temperature (TA)Package Programming options Notes
MC32PF3000A0EP
-40 °C to 85 °C
(For use in Consumer 
applications)
98ASA00719D, 48 QFN 7.0 mm x 
7.0 mm with exposed pad
0 - Not programmed
(1), (2)
MC32PF3000A1EP 1 (i.MX 7 with DDR3L)
MC32PF3000A2EP 2 (i.MX 7 with LPDDR3)
MC32PF3000A3EP 3 (i.MX 6SX with DDR3L)
MC32PF3000A4EP 4 (i.MX 6SX with DDR3)
MC32PF3000A5EP 5 (i.MX 6SL with LPDDR2)
MC32PF3000A6EP 6 (i.MX 6UL with LPDDR2)
MC32PF3000A7EP 7 (i.MX 6UL with DDR3L)
MC32PF3000A8EP 8 (i.MX 6UL with DDR3)
MC33PF3000A0ES
-40 °C to 105 °C
(For use in Automotive 
applications)
98ASA00933D, 48 QFN 7.0 mm x 
7.0 mm WF-type (wettable flank)
0 - Not programmed
(1), (2)
MC33PF3000A3ES 3 (i.MX 6SX with DDR3L)
MC33PF3000A4ES 4 (i.MX 6SX with DDR3)
MC33PF3000A5ES 5 (i.MX 6SL with LPDDR2)
MC33PF3000A6ES 6 (i.MX 6UL with LPDDR2)
MC33PF3000A7ES 7 (i.MX 6UL with DDR3L)
MC34PF3000A0EP
-40 °C to 105 °C
(For use in Industrial 
applications)
98ASA00719D, 48 QFN 7.0 mm x 
7.0 mm with exposed pad
0 - Not programmed
(1), (2)
MC34PF3000A1EP 1 (i.MX 7 with DDR3L)
MC34PF3000A2EP 2 (i.MX 7 with LPDDR3)
MC34PF3000A3EP 3 (i.MX 6SX with DDR3L)
MC34PF3000A4EP 4 (i.MX 6SX with DDR3)
MC34PF3000A5EP 5 (i.MX 6SL with LPDDR2)
MC34PF3000A6EP 6 (i.MX 6UL with LPDDR2)
MC34PF3000A7EP 7 (i.MX 6UL with DDR3L)
MC34PF3000A8EP 8 (i.MX 6UL with DDR3)
Notes
1. For tape and reel, add an R2 suffix to the part number.
2. The programming options specified in this table are reference for customer application. The part number selection should match the board power 
tree design. Table 42 provides details of the OTP programming for each device.

GENERAL DESCRIPTION
4NXP Semiconductors
PF3000
2 General description
The PF3000 is the power management integrated circuit (PMIC) designed primarily for use with NXP’s i.MX 7 series of multi-media 
application processors. It is also capable of providing full power solution to i.MX 6SL/SX/UL processors.
2.1 Features 
This section summarizes the PF3000 features.
• Input voltage range to PMIC: 2.8 V to 4.5 V, or 3.7 V to 5.5 V (3)
• Buck regulators
• Configurable three to four channels
• SW1A/B, 2.75 A (single); 0.7 V to 1.425 V, 1.8 V, 3.3 V
•SW1A, 1.0 A (independent); 0.7 V to 1.425 V, 1.8 V, 3.3 V
• SW1B 1.75 A (independent); 0.7 V to 1.475 V
• SW2, 1.25 A; 1.50 V to 1.85 V or 2.50 V to 3.30 V
•SW3, 1.5 A; 0.90 V to 1.65 V
• Dynamic voltage scaling
• Modes: PWM, PFM, APS
• Programmable output voltage
• Programmable current limit
• Programmable soft start sequence
• Programmable PWM switching frequency
• Boost regulator
• SWBST, 5.0 to 5.15 V, 0.6 A, OTG support
• Modes: PFM and Auto
• OCP fault interrupt
•LDOs 
• VCC_SD, 1.8 V to 1.85 V or 2.85 V to 3.30 V, 100 mA based on SD_VSEL
• V33, 2.85 V to 3.30 V, 350 mA
• VLDO1, 1.8 V to 3.3 V, 100 mA
• VLDO2, 0.80 V to 1.55 V, 250 mA
• VLDO3, 1.8 V to 3.3 V, 100 mA
• VLDO4, 1.8 V to 3.3 V, 350 mA
• Always ON RTC Regulator/Switch VSNVS 3.0 V, 1.0 mA
• DDR memory reference voltage, VREFDDR, 0.5 V to 0.9 V, 10 mA
• OTP (One time programmable) memory for device configuration, user-programmable start-up sequence and timing
• Battery backed memory including coin cell charger
•I
2C interface
• User programmable standby, sleep/LPSR, and Off modes
Notes
3. 2.8 V to 4.5 V when VIN is used at input. 3.7 V to 5.5 V when VPWR is used as input. 
 
 
GENERAL DESCRIPTION
NXP Semiconductors 5
PF3000
2.2 Functional block diagram
Figure 2.  Functional block diagram
Logic and control
Switching regulators
SW1A
(0.7 V to 1.425 V, 
1.8 V, 3.3 V, 1.0 A)
Linear regulators
SW2
(1.50 V to 1.85 V, 1.25 A) 
or (2.50 V to 3.30 V, 1.25 A)
SW3
(0.90 V to 1.65 V, 1.5 A)
Boost regulator
(5.0 V to 5.15 V, 600 mA)
USB OTG Supply
VLDO1
(1.8 V to 3.3 V, 100 mA)
VLDO2
(0.80 V to 1.55 V, 250 mA)
VCC_SD
(1.80 V or 1.85 V, 100 mA)
or (2.85 V or 3.3 V, 100 mA)
V33
( 2.85 V to 3.30 V, 350 mA)
VLDO3
(1.8 V to 3.3 V, 100 mA)
VLDO4
(1.8 V to 3.3 V, 350 mA)
Bias & references
Parallel MCU interface Regulator control
VSNVS
(1.0 V to 3.0 V, 1.0 mA)
RTC supply with coin cell 
charger
PF3000 functional internal block diagram
I2C communication & registers
Power generation
Fault detection and protection
DDR voltage reference
Current limit
VPWR front end LDO overvoltage indicator
Internal core voltage reference
Thermal 
OTP startup configuration
Sequence and 
timing
OTP prototyping 
(Try before burn)  Voltage
Phasing and 
frequency selection
SW1B
(0.70 V to 1.475 V , 1.75 A)
Core Cantrm \ogwc
 
 
\nmahzanun State Macmne
 
 
Supphes
Cumrol
 
 
 
 
 
 
 
 
 
 
 
 
 
 
INTERNAL BLOCK DIAGRAM
6NXP Semiconductors
PF3000
3 Internal block diagram
Figure 3.  PF3000 simplified internal block diagram
VIN
INTB
LICELL
SWBSTFB
SWBSTLX
O/P
Drive
SWBST
600 mA
Boost
PWRON
STANDBY
ICTEST
SCL
SDA
VDDIO
SW3 
1.5 A
Buck
VCOREDIG
VCOREREF
SD_VSEL
GNDREF
SW1AIN
SW1AFB
SW1ALX
SW1BLX
SW1A 
1.0 A 
Buck
VSNVS
VSNVS
Li Cell 
Charger
RESETBMCU
SW2 
1.25 A 
Buck
VLDO1 
100 mA
VLDO1
VLDO1IN
VLDO2 
250 mA
VLDO2
VCC_SD
V33
2.85 V-
3.30 V 
350 mA
V33
VLDO3 
100 mA
VLDO3
VLDO34IN
VLDO4 
350 mA
VLDO4
Best 
of 
Supply
OTP
VREFDDR
VDDOTP
VINREFDDR
VHALF
VCORE
PF3000
CONTROL
Clocks
32 kHz and 
16 MHz
Initialization State Machine
I2C 
Interface
Clocks and 
resets
I2C Register 
map
Trim-In-Package
O/P
Drive
O/P
Drive SW1BIN
SW2FB
SW2LX
O/P
Drive
SW2IN
SW3IN
SW3FB
SW3LX
O/P
Drive
GNDREF2
Supplies 
Control
DVS Control
DVS CONTROL
Reference 
Generation
Core Control logic
GNDREF2
GNDREF1
SW1B 
1.75 A 
Buck
SW1BFB
LDO
LDOG
VPWR
VLDO2IN
VREF
VIN2
VIN2
VCC_SD
1.8 V/3.15V 
100 mA
 
UUUUUUUUUUUU
 
CCCCCCCCCCCC
lllllllllllllll
flflflflflflflflflflflfl
333333333333
 
 
 
PIN CONNECTIONS
NXP Semiconductors 7
PF3000
4 Pin connections
4.1 Pinout diagram
Figure 4.  Pinout diagram
INTB
SD_VSEL
RESETBMCU
STANDBY
ICTEST
SW1AFB
SW1AIN
SW1ALX
SW1BLX
SW1BIN
SW1BFB
GNDREF1
VLDO1IN
VLDO1
VLDO2
VLDO2IN
SW2LX
SW2IN
SW2FB
VLDO3
VLDO34IN
VLDO4
VHALF
VINREFDDR
PWRON
VDDIO
SCL
SDA
VCOREREF
VCOREDIG
VIN
VCORE
GNDREF
VDDOTP
VIN2
SWBSTFB
LICELL
SWBSTLX
VSNVS
VCC_SD
V33
VPWR
LDOG
SW3LX
SW3IN
SW3FB
GNDREF2
VREFDDR
1
2
3
4
5
6
7
8
9
10
11
12
13
14
15
16
17
18
19
20
21
22
23
24
36
35
34
33
32
31
30
29
28
27
26
25
48
47
46
45
44
43
42
41
40
39
38
37
EP
Transparent Top View
 
 
 
 
 
 
 
 
 
 
 
 
 
 
 
 
 
m
 
 
 
 
 
 
 
 
 
 
 
 
 
 
 
PIN CONNECTIONS
8NXP Semiconductors
PF3000
4.2 Pin definitions
Table 2.  Pin definitions  
Pin number Pin name Pin 
function Type Definition
1 INTB O Digital Open drain interrupt signal to processor
2 SD_VSEL I/O Digital
Input from i.MX processor to select VCC_SD regulator voltage
• SD_VSEL=0, VCC_SD = 2.85 V to 3.3 V
• SD_VSEL= 1, VCC_SD = 1.8 V to 1.85 V
3 RESETBMCU O Digital Open drain reset output to processor
4 STANDBY I Digital Standby input signal from processor
5 ICTEST I Digital and 
Analog Reserved pin. Connect to GND in application
6 SW1AFB (4) I Analog
SW1A output voltage feedback pin. Route this trace separately from the high current 
path and terminate at the output capacitance or near the load, if possible for best 
regulation
7SW1AIN 
(4) I Analog Input to SW1A regulator. Bypass with at least a 4.7 µF ceramic capacitor and a 0.1 µF 
decoupling capacitor as close to the pin as possible
8 SW1ALX (4) O Analog
Switcher 1A switch node connection. Connect to SW1A inductor when used in SW1A 
independent mode. Connect to SW1BLX and connect to SW1AB inductor when using 
SW1A/B as a single regulator
9 SW1BLX (4) O Analog
Switcher 1B switch node connection. Connect to SW1B inductor when used in SW1B 
independent mode. Connect to SW1ALX and connect to SW1AB inductor when using 
SW1A/B as a single regulator
10 SW1BIN (4) I Analog Input to SW1B regulator. Bypass with at least a 4.7 µF ceramic capacitor and a 0.1 µF 
decoupling capacitor as close to the pin as possible
11 SW1BFB (4) I Analog SW1B output voltage feedback pin. Route this trace separately from the high current 
path and terminate at the output capacitor or near the load, if possible for best regulation
12 GNDREF1 GND GND Ground reference for SW1A/B. Connect to GND. Keep away from high current ground 
return paths
13 VLDO1IN I Analog VLDO1 input supply. Bypass with a 1.0 µF decoupling capacitor as close to the pin as 
possible
14 VLDO1 O Analog VLDO1 regulator output. Bypass with a 2.2 µF ceramic output capacitor
15 VLDO2 O Analog VLDO2 regulator output. Bypass with a 4.7 µF ceramic output capacitor
16 VLDO2IN I Analog VLDO2 input supply. Bypass with a 1.0 µF decoupling capacitor as close to the pin as 
possible
17 SW2LX (4) O Analog Switcher 2 switch node connection.Connect to SW2 inductor
18 SW2IN (4) I Analog Input to SW2 regulator. Bypass with at least a 4.7 µF ceramic capacitor and a 0.1 µF 
decoupling capacitor as close to the pin as possible
19 SW2FB (4) I Analog SW2 output voltage feedback pin. Route this trace separately from the high current path 
and terminate at the output capacitor or near the load, if possible for best regulation
20 VLDO3 O Analog VLDO3 regulator output. Bypass with a 2.2 µF ceramic output capacitor
21 VLDO34IN I Analog VLDO3 and VLDO4 input supply. Bypass with a 1.0 µF decoupling capacitor as close to 
the pin as possible
22 VLDO4 O Analog VLDO4 regulator output. Bypass with a 2.2 µF ceramic output capacitor
23 VHALF I Analog Half supply reference for VREFDDR. Bypass with 0.1 µF to ground. 
24 VINREFDDR I Analog VREFDDR regulator input. Connect a 0.1 µF capacitor between VINREFDDR and 
VHALF pin. Ensure there is at least 1.0 µF net capacitance from VINREFDDR to ground
25 VREFDDR O Analog VREFDDR regulator output.Bypass with 1.0 µF to ground
 
 
 
(A)
 
 
 
 
 
 
 
 
 
 
 
 
 
 
 
 
 
 
 
 
 
 
 
 
 
 
 
 
PIN CONNECTIONS
NXP Semiconductors 9
PF3000
26 GNDREF2 GND GND Reference ground for SW2 and SW3 regulators. Connect to GND. Keep away from high 
current ground return paths
27 SW3FB (4) I Analog SW3 output voltage feedback pin. Route this trace separately from the high current path 
and terminate at the output capacitor or near the load, if possible for best regulation
28 SW3IN (4) I Analog Input to SW3 regulator. Bypass with at least a 4.7 µF ceramic capacitor and a 0.1 µF 
decoupling capacitor as close to the pin as possible
29 SW3LX (4) O Analog Switcher 3 switch node connection. Connect the SW3 inductor
30 LDOG O Analog Connect to gate of front-end LDO external pass P-MOSFET. Leave floating if VPWR 
LDO is not used
31 VPWR I Analog Input to optional front-end VPWR LDO for systems with input voltage > 4.5 V
32 V33 O Analog V33 regulator output. Bypass with a 4.7 µF ceramic output capacitor
33 VCC_SD O Analog Output of VCC_SD regulator. Bypass with a 2.2 µF ceramic output capacitor.
34 VSNVS O Analog VSNVS regulator/switch output. Bypass with 0.47 µF capacitor to ground.
35 SWBSTLX (4) I/O Analog SWBST switch node connection. Connect to SWBST inductor and anode of Schottky 
diode
36 LICELL I/O Analog Coin cell supply input/output. Bypass with 0.1 µF capacitor. Connect to optional coin cell.
37 SWBSTFB (4) I Analog SWBST output voltage feedback pin. Route this trace separately from the high current 
path and terminate at the output capacitor
38 VIN2 I Analog Input to VCC_SD, V33 regulators and SWBST control circuitry. Connect to VIN rail and 
bypass with 10 µF capacitor
39 VDDOTP I Digital & 
Analog Supply to program OTP fuses. Connect VDDOTP to GND during normal application
40 GNDREF GND GND Ground reference for IC core circuitry. Connect to ground. Keep away from high current 
ground return paths
41 VCORE O Analog Internal analog core supply. Bypass with 1 µF capacitor to ground
42 VIN I Analog
Main IC supply. Bypass with 1.0 µF capacitor to ground. Connect to system input supply 
if voltage ≤ 4.5 V. Connect to drain of external PFET when VPWR LDO is used for 
systems with input voltage > 4.5 V
43 VCOREDIG O Analog Internal digital core supply. Bypass with 1.0 µF capacitor to ground
44 VCOREREF O Analog Main band gap reference. Bypass with 220 nF capacitor to ground
45 SDA I/O Digital I2C data line (open drain). Pull up to VDDIO with a 4.7 kΩ resistor
46 SCL I Digital I2C clock. Pull up to VDDIO with a 4.7 kΩ resistor
47 VDDIO I Analog Supply for I2C bus. Bypass with 0.1 µF ceramic capacitor. Connect to 1.7 to 3.6 V 
supply. Ensure that VDDIO is always lesser than or equal to VIN
48 PWRON I Digital Power ON/OFF input from processor
-EPGNDGND
Expose pad. Functions as ground return for buck and boost regulators. Tie this pad to 
the inner and external ground planes through vias to allow effective thermal dissipation
Notes
4. Unused switching regulators should be connected as follows: Pins SWxLX and SWxFB should be unconnected and Pin SWxIN should be 
connected to VIN with a 0.1 μF bypass capacitor.
Table 2.  Pin definitions (continued)
 
 
 
 
(5»
 
 
 
 
 
 
 
 
 
 
 
 
 
GENERAL PRODUCT CHARACTERISTICS
10 NXP Semiconductors
PF3000
5 General product characteristics
5.1 Absolute maximum ratings
Table 3.  Absolute maximum voltage ratings  
All voltages are with respect to ground, unless otherwise noted. Exceeding these ratings may cause malfunction or permanent damage 
to the device. The detailed maximum voltage rating per pin can be found in the pin list section.
Symbol Description Value Unit Notes
Electrical ratings
VPWR, ICTEST, LDOG, SWBSTLX – -0.3 to 7.5 V
VIN, VIN2, VLDO1IN, SW1AIN, SW1BIN, 
SW2IN, SW3IN, SW1ALX, SW1BLX, SW2LX, 
SW3LX
– -0.3 to 4.8 V
VDDOTP OTP programming input supply voltage -0.3 to 10.0 V (5)
SWBSTFB Boost switcher feedback -0.3 to 5.5 V
INTB, SD_VSEL, RESETBMCU, STANDBY, 
SW1AFB, SW1BFB, SW2FB, SW3FB, VLDO1, 
VLDO2IN, VLDO3, VLDO34IN, VLDO4, VHALF, 
VINREFDDR, VREFDDR, V33, VCC_SD, 
VSNVS, LICELL, VCORE, SDA, SCL, VDDIO, 
PWRON
– -0.3 to 3.6 V
VLDO2 VLDO2 linear regulator output  -0.3 to 2.5 V
VCOREDIG Digital core supply voltage output -0.3 to 1.65 V
VCOREREF Bandgap reference voltage output -0.3 to 1.5 V
VESD
ESD ratings
• Human body model 
• Charge device model 
±2000
±500
V(6)
Notes
5. 10 V maximum voltage rating during OTP fuse programming. 7.5 V maximum DC voltage rated otherwise.
6. ESD testing is performed in accordance with the human body model (HBM) (CZAP = 100 pF, RZAP = 1500 Ω), and the charge device model (CDM), 
robotic (CZAP = 4.0 pF).
 
 
(71
 
 
£91 (81 (9»
 
 
 
[13)
 
[14)
 
 
 
 
 
 
 
 
 
 
GENERAL PRODUCT CHARACTERISTICS
NXP Semiconductors 11
PF3000
5.2 Thermal Characteristics
Table 4.  Thermal ratings  
Symbol Description (rating) Min. Max. Unit Notes
Thermal Ratings
TA
Ambient operating temperature range 
• Industrial version
• Consumer version
-40
-40
105
85
°C
TJOperating junction temperature range  -40 125 °C(7)
TST Storage temperature range  -65 150 °C
TPPRT Peak package reflow temperature  – (9) °C(8) (9)
QFN48 thermal resistance and package dissipation ratings
RθJA
Junction to ambient, natural convection
• Four layer board (2s2p)
• Eight layer board (2s6p)
–
–
24
15
°C/W
(10) (11) 
(12)
RθJB Junction to board  – 11 °C/W (13)
RΘJCBOTTOM Junction to case bottom  – 1.4 °C/W (14)
ΨJT Junction to package top 
• Natural convection – 1.3 °C/W (15)
Notes
7. Do not operate beyond 125 °C for extended periods of time. Operation above 150 °C may cause permanent damage to the IC. See Thermal 
Protection Thresholds for thermal protection features.
8. Pin soldering temperature limit is for 10 seconds maximum duration. Not designed for immersion soldering. Exceeding these limits may cause a 
malfunction or permanent damage to the device.
9. NXP's package reflow capability meets Pb-free requirements for JEDEC standard J-STD-020C. For peak package reflow temperature and 
moisture sensitivity levels (MSL), go to www.nxp.com, search by part number (remove prefixes/suffixes) and enter the core ID to view all orderable 
parts, and review parametrics.
10. Junction temperature is a function of die size, on-chip power dissipation, package thermal resistance, mounting site (board) temperature, ambient 
temperature, air flow, power dissipation of other components on the board, and board thermal resistance.
11. The Board uses the JEDEC specifications for thermal testing (and simulation) JESD51-7 and JESD51-5.
12. Per JEDEC JESD51-6 with the board horizontal.
13. Thermal resistance between the die and the printed circuit board per JEDEC JESD51-8. Board temperature is measured on the top surface of the 
board near the package.
14. Thermal resistance between the die and the case top surface as measured by the cold plate method (MIL SPEC-883 Method 1012.1).
15. Thermal characterization parameter indicating the temperature difference between package top and the junction temperature per JEDEC  
JESD51-2. When Greek letters (Ψ) are not available, the thermal characterization parameter is written as Psi-JT.
 
 
 
 
(16>
 
 
 
 
 
 
 
 
 
 
 
GENERAL PRODUCT CHARACTERISTICS
12 NXP Semiconductors
PF3000
5.3 Current consumption
The current consumption of the individual blocks is described in detail in the following table.
Table 5.  Current consumption summary  
TA= -40 °C to 105 °C, VPWR= 0 V (External pass FET is not populated), VIN = 3.6 V, VDDIO = 1.7 V to 3.6 V, LICELL = 1.8 V to 3.3 V, 
VSNVS = 3.0 V, typical external component values, unless otherwise noted. Typical values are characterized at VIN = 3.6 V, VPWR = 0 V, 
VDDIO = 3.3 V, LICELL = 3.0 V, VSNVS = 3.0 V and 25 °C, unless otherwise noted.
Mode  PF3000 conditions System conditions Typ. Max. Unit  Notes
Coin cell  VSNVS from LICELL, All other blocks 
off, VIN = 0.0 V No load on VSNVS 4.0 7.0 μA(16) (17)
Off
VSNVS from VIN or LICELL
Wake-up from PWRON active
32 kHz RC on 
All other blocks off
VIN ≥ UVDET
No load on VSNVS, PMIC able to 
wake-up 16 25 μA(16) (17)
Sleep LPSR 
VSNVS from VIN
Wake-up from PWRON active
Trimmed reference active 
SW3 PFM. All other regulators off.
Trimmed 16 MHz RC off
32 kHz RC on
VREFDDR disabled
No load on any of the regulators. 130 (16)
200 (19) 220 (16) μA(18)
LDO1 & LDO3 activated in addition to 
SW3 No load on any of the regulators. 170 (16)
260 (19) 248 (16) μA(18)
Standby
VSNVS from either VIN or LICELL
SW1A in PFM
SW1B in PFM
SW2 in PFM
SW3 in PFM
SWBST off
Trimmed 16 MHz RC enabled
Trimmed reference active
VLDO1-4 enabled
V33 enabled
VCC_SD enabled
VREFDDR enabled
No load on any of the regulators. 297 450 μA(18)
ON
VSNVS from VIN
SW1A in APS
SW1B in APS
SW2 in APS
SW3 in APS
SWBST off
Trimmed 16 MHz RC enabled
Trimmed reference active
VLDO1-4 enabled
V33 enabled
VCC_SD enabled
VREFDDR enabled
No load on any of the regulators. 1.2 mA
Notes
16. At 25 °C only.
17. When VIN is below the UVDET threshold, in the range of 1.8 V ≤ VIN < 2.65 V, the quiescent current increases by 50 μA, typically.
18. For PFM operation, headroom should be 300 mV or greater.
19. At 105 °C only.
 
 
 
 
 
 
 
 
 
 
 
 
 
 
 
 
 
 
 
(21)
 
 
 
GENERAL PRODUCT CHARACTERISTICS
NXP Semiconductors 13
PF3000
5.4 Electrical characteristics
Table 6.  Electrical characteristics – front-end input LDO  
All parameters are specified at TA = -40 °C to 105 °C, VPWR = 5.0 V, VIN = 4.4 V, IVIN = 300 mA, typical external component values, unless 
otherwise noted. Typical values are characterized at VPWR = 5.0 V, VIN = 4.4 V, IVIN = 300 mA, and 25 °C, unless otherwise noted.
Symbol Parameter Min. Typ. Max. Unit Notes
Front end input LDO (VPWR LDO)
VPWR
Operating input voltage
• In regulation
• In dropout operation
4.6
3.7
–
–
5.5
4.6
V  (20)
VIN
On mode output voltage, 4.6 V < VPWR < 5.5 V,  
0.0 mA < IVIN < 3000 mA 4.3 4.4 4.55 V
IVIN Operating load current at VIN, 3.7 V < VPWR < 5.5 V 0.0 –  3.0 A 
ILDOGQ ON mode quiescent current, no load, – 5.0 10 mA
VIN
Low-power mode output voltage, 4.6 V < VPWR < 5.5 V  
0.0 mA < IVIN < 1.0 mA 3.7 4.5 V
VIN_OFF
Off mode output voltage, (CL = 100 μF) 4.6 V < VPWR < 5.5 V,  
0.0 mA < IVIN < 35 μA3.2 4.8 V
ILDOQLP
Low-power mode quiescent current, no load (Standby/Sleep/LPSR 
states) – 150 300 μA
VPWRUV
VPWR undervoltage threshold (upon undervoltage condition the 
external pass FET is turned off) 3.1 – 3.7 V
VPWROV
VPWR overvoltage threshold (upon overvoltage condition interrupt is 
asserted at INTB) 5.5 – 6.5 V
IVINUVILIMIT VPWR LDO current limit under VIN short-circuit (VIN < UVDET) – – 300 mA
IVINLEAKAGE
Reverse leakage current from VIN to VPWR, No external pass FET, 
VPWR is grounded, device is in OFF state ––1.0µA
IVPWROFF VPWR LDO Off mode quiescent current  – – 75 μA(21)
Notes
20. While the front end LDO can handle spikes up to 7.5 V at VPWR for as long as 200 µs, the circuit is not expected to be continuously operated 
when VPWR is above 5.5 V.
21. This specification gives the leakage current in the VPWR LDO block. Total OFF mode current includes the quiescent current from the other blocks 
as specified in Table 5. 
 
 
 
 
 
 
 
 
 
 
 
my (23)
 
 
 
 
 
 
 
 
 
 
 
 
 
 
GENERAL PRODUCT CHARACTERISTICS
14 NXP Semiconductors
PF3000
Table 7.  Static electrical characteristics – SW1  
All parameters are specified at TA = -40 °C to 105 °C, VIN = VSW1xIN = 3.6 V, VSW1x = 1.2 V, ISW1x = 100 mA, typical external component 
values, fSW1x = 2.0 MHz, unless otherwise noted. Typical values are characterized at VIN = VSW1xIN = 3.6 V, VSW1x = 1.2 V,  
ISW1x = 100 mA, and 25 °C, unless otherwise noted.
Symbol Parameter Min. Typ. Max. Unit Notes
Switch mode supply SW1A/B (single phase)
VSW1AIN
VSW1BIN
Operating input voltage 2.8  – 4.5 V (22), (23)
VSW1AB Nominal output voltage  – Table 53 –V
VSW1ABACC
Output voltage accuracy
• PWM, APS, 2.8 V < VSW1xIN < 4.5 V, 0 < ISW1AB < 2.75 A 
0.7 V ≤ VSW1AB ≤ 1.2 V
• PFM, APS, 2.8 V < VSW1xIN < 4.5 V, 0 < ISW1AB < 2.75A 
1.225 V < VSW1AB < 1.425 V
• PFM, steady state, 2.8 V < VSW1xIN < 4.5 V, 0 < ISW1AB < 150 mA 
1.8 V ≤ VSW1AB ≤ 1.425 V
• PWM, APS, 2.8 V < VSW1xIN < 4.5 V, 0 < ISW1AB < 2.75A 
1.8 V < VSW1AB < 3.3 V
• PFM, steady state, 2.8 V < VSW1xIN < 4.5 V, 0 < ISW1AB < 150 mA 
1.8 V ≤ VSW1AB ≤ 3.3 V
-25
-25
-45
-6.0
-6.0
–
25
35
45
6.0
6.0
mV
mV
mV
%
%
ISW1AB
Rated output load current, 
• 2.8 V ≤ VSW1xIN ≤ 4.5 V, 0.7 V < VSW1AB < 1.425 V, 1.8V, 3.3V 2750 – – mA
ISW1ABQ
Quiescent current
• PFM mode
• APS mode
–
–
22
300
–
–
µA
ISW1ABLIM
Current limiter peak current detection , current through inductor
• SW1xILIM = 0
• SW1xILIM = 1
3.5
2.6
5.5
4.0
7.5
5.4
A 
ΔVSW1AB Output ripple – 5.0 – mV
RSW1ABDIS Discharge resistance – 600 – Ω
Switch mode supply SW1A (independent)
VSW1AIN Operating input voltage  2.8 – 4.5 V  (22), (23)
VSW1A Nominal output voltage – Table 53 –V
VSW1AACC
Output voltage accuracy
• PWM, APS, 2.8 V < VSW1AIN < 4.5 V, 0 < ISW1A < 1.0 A 
0.7 V ≤ VSW1A ≤ 1.2 V
•APS, 3.0 V ≤ VSW1AIN ≤ 3.6 V, 0.01 A < ISW1A < 0.75 A 
VSW1A = 1.225 V, TA = 0 °C to 85 °C
• PWM, APS, 2.8 V < VSW1AIN < 4.5 V, 0 < ISW1A < 1.0 A 
1.225 V < VSW1A ≤ 1.425 V
• PFM, steady state, 2.8 V < VSW1AIN < 4.5 V, 0 < ISW1A < 50 mA 
0.7 V ≤ VSW1A ≤ 1.425V
• PWM, APS, 2.8 V < VSW1AIN < 4.5 V, 0 < ISW1A < 1.0 A 
1.8 V ≤ VSW1A ≤ 3.3 V
• PFM, steady state, 2.8 V < VSW1AIN < 4.5 V, 0 < ISW1A < 50 mA 
1.8 V ≤ VSW1A ≤ 3.3 V
-25
-25
-25
-45
-6.0
-6.0
–
25
25
35
45
6.0
6.0
mV
mV
mV
mV
%
%
ISW1A
Rated output load current
2.8 V < VSW1AIN < 4.5 V, 0.7 V < VSW1A < 1.425 V, 1.8V, 3.3V 1000 – – mA
Switch mode supply SW1a (independent) (Continued)
ISW1AQ
Quiescent current
• PFM mode
• APS mode
–
–
50
250
–
–
µA
 
 
 
 
 
 
 
 
 
<24). (25»="">24).>GENERAL PRODUCT CHARACTERISTICS
NXP Semiconductors 15
PF3000
ISW1ALIM
Current limiter peak current detection, current through inductor
• SW1AILIM = 0
• SW1AILIM = 1
1.78
1.3
2.75
2.0
3.7
2.7
A
ΔVSW1A Output Ripple – 5.0 – mV
RONSW1AP SW1A P-MOSFET RDSON, at VSW1AIN = 3.3 V – 265 295 mΩ
RONSW1AN SW1A N-MOSFET RDSON, at VSW1AIN = 3.3 V – 300 370 mΩ
ISW1APQ SW1A P-MOSFET leakage current, VSW1AIN = 4.5 V ––10.5µA
ISW1ANQ SW1A N-MOSFET leakage current, VSW1AIN = 4.5 V ––3.5µA
RSW1ADIS Discharge resistance – 600 – Ω
Switch mode supply SW1B (independent)
VSW1BIN Operating input voltage 2.8 – 4.5 V (24), (25)
VSW1B Nominal output voltage – Table 53 –V
VSW1BACC
Output voltage accuracy
• PWM, APS, 2.8 V < VSW1BIN < 4.5 V, 0 < ISW1B < 1.75 A 
0.7 V < VSW1B < 1.2 V
• PWM, APS, 2.8 V < VSW1BIN < 4.5 V, 0 < ISW1B < 1.75 A 
1.225 V < VSW1B < 1.475 V
• PFM, steady state 2.8 V < VSW1BIN < 4.5 V, 0 < ISW1B < 50 mA 
0.7 V < VSW1B < 1.475 V
-25
-25
-45
–
25
35
45
mV
ISW1B
Rated output load current
2.8 V < VSW1BIN < 4.5 V, 0.7 V < VSW1B < 1.475 V 1750 – – mA
ISW1BQ
Quiescent current
• PFM mode
• APS mode
–
–
50
150
–
–
µA
ISW1BLIM
Current limiter peak current detection, current through inductor
• SW1BILIM = 0
• SW1BILIM = 1
2.4
1.725
3.50
2.65
4.725
3.575
A
ΔVSW1B Output ripple – 5.0 – mV
RONSW1BP SW1B P-MOSFET RDSON, at VSW1BIN = 3.3 V – 195 225 mΩ
RONSW1BN SW1B N-MOSFET RDSON, at VSW1BIN = 3.3 V – 228 295 mΩ
ISW1BPQ SW1B P-MOSFET leakage current, VSW1BIN = 4.5 V ––12µA
ISW1BNQ SW1B N-MOSFET leakage current, VSW1BIN = 4.5 V ––4.0µA
RSW1BDIS Discharge resistance during OFF mode – 600 – Ω
Notes
22. The maximum operating input voltage is 4.55 V when VPWR LDO is used.
23. Minimum operating voltage is 2.8 V with a valid LICELL voltage (1.8 V to 3.3 V). Minimum operating voltage is 3.1 V when no voltage is applied 
at the LICELL pin. If operation down to 2.8 V is required for systems without a coin cell, connect the LICELL pin to any system voltage between 
1.8 V and 3.3 V. This voltage can be an output from any PF3000 regulator, or external system supply.
24. The maximum operating input voltage is 4.55 V when VPWR LDO is used.
25. Minimum operating voltage is 2.8 V with a valid LICELL voltage (1.8 V to 3.3 V). Minimum operating voltage is 3.1 V when no voltage is applied 
at the LICELL pin. If operation down to 2.8 V is required for systems without a coin cell, connect the LICELL pin to any system voltage between 
1.8 V and 3.3 V. This voltage can be an output from any PF3000 regulator, or external system supply.
Table 7.  Static electrical characteristics – SW1 (continued)
All parameters are specified at TA = -40 °C to 105 °C, VIN = VSW1xIN = 3.6 V, VSW1x = 1.2 V, ISW1x = 100 mA, typical external component 
values, fSW1x = 2.0 MHz, unless otherwise noted. Typical values are characterized at VIN = VSW1xIN = 3.6 V, VSW1x = 1.2 V,  
ISW1x = 100 mA, and 25 °C, unless otherwise noted.
Symbol Parameter Min. Typ. Max. Unit Notes
 
 
 
 
 
 
 
 
 
 
 
 
 
 
 
 
 
 
 
(25» my
 
 
 
 
 
 
 
 
 
 
 
 
 
 
GENERAL PRODUCT CHARACTERISTICS
16 NXP Semiconductors
PF3000
Table 8.  Dynamic electrical characteristics - SW1  
All parameters are specified at TA = -40 °C to 105 °C, VIN = VSW1xIN = 3.6 V, VSW1x = 1.2 V, ISW1x = 100 mA, typical external component 
values, fSW1x = 2.0 MHz, unless otherwise noted. Typical values are characterized at VIN = VSW1xIN = 3.6 V, VSW1x = 1.2 V, ISW1x = 
100 mA, and 25 °C, unless otherwise noted.
Symbol Parameter Min. Typ. Max. Unit Notes
Switch mode supply SW1A/B (single phase)
VSW1ABOSH
Start-up overshoot, ISW1AB  =  0 mA, DVS clk = 25 mV/4 μs, VIN = 
VSW1xIN = 4.5 V, VSW1AB = 1.425 V ––66mV 
tONSW1AB
Turn-on time, enable to 90% of end value, ISW1AB = 0 mA, DVS clk = 
25 mV/4 μs, VIN = VSW1xIN = 4.5 V, VSW1AB = 1.425 V – – 500 µs 
Switch mode supply SW1A (independent)
VSW1AOSH
Start-up overshoot, ISW1A = 0 mA, DVS clk = 25 mV/4.0 μs, VIN = 
VSW1AIN = 4.5 V, VSW1A = 1.425 V ––66mV 
tONSW1A
Turn-on time, enable to 90% of end value, ISW1A = 0 mA, DVS clk = 
25 mV/4.0 μs, VIN = VSW1AIN = 4.5 V, VSW1A = 1.425 V  – – 500 µs 
Switch mode supply SW1B (independent)
VSW1BOSH
Start-up overshoot, ISW1B = 0 mA, DVS clk = 25 mV/4.0 μs, VIN = 
VSW1BIN = 4.5 V, VSW1B = 1.475 V ––66mV 
tONSW1B
Turn-on time, enable to 90% of end value, ISW1B = 0 mA, DVS clk = 
25 mV/4 μs, VIN = VSW1BIN = 4.5 V, VSW1B = 1.475 V  – – 500 µs 
Table 9.  Static electrical characteristics – SW2  
All parameters are specified at TA = -40 °C to 105 °C, VIN = VSW2IN = 3.6 V, VSW2 = 3.15 V, ISW2 = 100 mA, typical external component 
values, fSW2 = 2.0 MHz, unless otherwise noted. Typical values are characterized at VIN = VSW2IN = 3.6 V, VSW2 = 3.15 V, ISW2 = 100 mA, 
and 25 °C, unless otherwise noted.
Symbol Parameter Min. Typ. Max. Unit Notes
Switch mode supply SW2
VSW2IN Operating input voltage 2.8 – 4.5  V  (26), (27)
VSW2 Nominal output voltage – Table 55 –V
VSW2ACC
Output voltage accuracy
• PWM, APS, 2.8 V ≤ VSW2IN ≤ 4.5 V, 0 ≤ ISW2 ≤ 1.25 A
• 1.50 V ≤ VSW2 ≤ 1.85 V
• 2.5 V ≤ VSW2 ≤ 3.3 V
• PFM, 2.8 V ≤ VSW2IN ≤ 4.5 V, 0 ≤ ISW2 ≤ 50 mA
• 1.50 V ≤ VSW2 ≤ 1.85 V
• 2.5 V ≤ VSW2 ≤ 3.3 V
-3.0%
-6.0%
-6.0%
-6.0%
–
–
–
–
3.0%
6.0%
6.0%
6.0%
%
ISW2
 Rated output load current, 2.8 V < VSW2IN < 4.5 V,  
1.50 V < VSW2 < 1.85 V, 2.5 V < VSW2 < 3.3 V 1250 – – mA (28)
ISW2Q
Quiescent current
• PFM mode
• APS mode (low output voltage settings)
• APS mode (high output voltage settings, SW2_HI=1)
–
–
–
23
145
305
–
–
–
µA
Notes
26. The maximum operating input voltage is 4.55 V when VPWR LDO is used.
27. Minimum operating voltage is 2.8 V with a valid LICELL voltage (1.8 V to 3.3 V). Minimum operating voltage is 3.1 V when no voltage is applied at 
the LICELL pin. If operation down to 2.8 V is required for systems without a coin cell, connect the LICELL pin to any system voltage between 1.8 V 
and 3.3 V. This voltage can be an output from any PF3000 regulator, or external system supply.
28. The higher output voltages available depend on the voltage drop in the conduction path as given by the following equation: (VSW2IN - VSW2) = ISW2* 
(DCR of Inductor +RONSW2P + PCB trace resistance).
 
 
 
 
 
 
 
 
 
 
 
 
 
 
 
 
(29) (an)
 
 
 
 
 
 
 
 
 
 
 
 
 
GENERAL PRODUCT CHARACTERISTICS
NXP Semiconductors 17
PF3000
Switch mode supply SW2 (continued)
ISW2LIM
Current limiter peak current detection, current through inductor
• SW2ILIM = 0
• SW2ILIM = 1
1.625
1.235
2.5
1.9
3.375
2.565
A 
ΔVSW2 Output ripple – 5.0 – mV
RONSW2P SW2 P-MOSFET RDSON at VIN = VSW2IN = 3.3 V – 215 245 mΩ
RONSW2N SW2 N-MOSFET RDSON at VSW2IN = VSW2IN = 3.3 V – 258 326 mΩ
ISW2PQ SW2 P-MOSFET leakage current, VIN = VSW2IN = 4.5 V – – 10.5 µA
ISW2NQ SW2 N-MOSFET leakage current, VIN = VSW2IN = 4.5 V ––3.0µA
RSW2DIS Discharge resistance during OFF mode – 600 – Ω
Table 10.  Dynamic electrical characteristics - SW2
All parameters are specified at TA = -40 °C to 105 °C, VIN = VSW2IN = 3.6 V, VSW2 = 3.15 V, ISW2 = 100 mA, typical external component 
values, fSW2 = 2.0 MHz, unless otherwise noted. Typical values are characterized at VIN = VSW2IN = 3.6 V, VSW2 = 3.15 V, ISW2 = 100 mA, 
and 25 °C, unless otherwise noted.
Symbol Parameter Min. Typ. Max. Unit Notes
Switch mode supply SW2
VSW2OSH
Start-up overshoot, ISW2 = 0.0 mA, DVS clk = 25 mV/4 μs, VIN = 
VSW2IN = 4.5 V ––66mV 
tONSW2
Turn-on time, enable to 90% of end value, ISW2 = 0.0 mA, DVS clk = 
25 mV/4 μs, VIN = VSW2IN = 4.5 V – – 500 µs 
Table 11.  Static electrical characteristics – SW3  
All parameters are specified at TA = -40 °C to 105 °C, VIN = VSW3IN = 3.6 V, VSW3 = 1.5 V, ISW3 = 100 mA, typical external component 
values, fSW3 = 2.0 MHz. Typical values are characterized at VIN = VSW3IN = 3.6 V, VSW3 = 1.5 V, ISW3 = 100 mA, and 25 °C, unless 
otherwise noted.
Symbol Parameter Min. Typ. Max. Unit Notes
Switch mode supply SW3
VSW3IN Operating input voltage 2.8  – 4.5  V  (29), (30)
VSW3 Nominal output voltage – Table 57 –V
VSW3ACC
Output voltage accuracy
• PWM, APS, 2.8 V < VSW3IN < 4.5 V, 0 < ISW3 < 1.5 A, 0.9 V < VSW3 
< 1.65 V
• PFM, steady state (2.8 V < VSW3IN < 4.5 V, 0 < ISW3 < 50 mA), 0.9 V 
< VSW3 < 1.65 V
-3.0%
-6.0%
–
–
3.0%
6.0%
%
ISW3
Rated output load current, 2.8 V < VSW3IN < 4.5 V, 0.9 V < VSW3 < 
1.65 V, PWM, APS mode  1500 – – mA (31)
Notes
29. The maximum operating input voltage is 4.55 V when VPWR LDO is used.
30. Minimum operating voltage is 2.8 V with a valid LICELL voltage (1.8 V to 3.3 V). Minimum operating voltage is 3.1 V when no voltage is applied at 
the LICELL pin. If operation down to 2.8 V is required for systems without a coin cell, connect the LICELL pin to any system voltage between 1.8 V 
and 3.3 V. This voltage can be an output from any PF3000 regulator, or external system supply.
31. The higher output voltages available depend on the voltage drop in the conduction path as given by the following equation: (VSW3IN - VSW3) = 
ISW3* (DCR of Inductor +RONSW3P + PCB trace resistance).
Table 9.  Static electrical characteristics – SW2 (continued)
All parameters are specified at TA = -40 °C to 105 °C, VIN = VSW2IN = 3.6 V, VSW2 = 3.15 V, ISW2 = 100 mA, typical external component 
values, fSW2 = 2.0 MHz, unless otherwise noted. Typical values are characterized at VIN = VSW2IN = 3.6 V, VSW2 = 3.15 V, ISW2 = 100 mA, 
and 25 °C, unless otherwise noted.
Symbol Parameter Min. Typ. Max. Unit Notes
 
 
 
 
 
 
 
 
 
 
 
 
 
 
 
 
 
 
 
 
 
 
 
 
 
 
 
 
(321 {33)
 
 
 
 
 
 
 
 
 
 
 
 
 
 
 
GENERAL PRODUCT CHARACTERISTICS
18 NXP Semiconductors
PF3000
Switch mode supply SW3 (continued)
ISW3Q
Quiescent current
• PFM mode
• APS mode 
–
–
50
150
–
–
µA
ISW3LIM
Current limiter peak current detection, current through inductor
• SW3ILIM = 0
• SW3ILIM = 1
1.95
1.45
3.0
2.25
4.05
3.05
A 
ΔVSW3 Output ripple – 5.0 – mV
RONSW3P SW3 P-MOSFET RDSON at VIN = VSW3IN = 3.3 V – 205 235 mΩ
RONSW3N SW3 N-MOSFET RDSON at VIN = VSW3IN = 3.3 V – 250 315 mΩ
ISW3PQ SW3 P-MOSFET leakage current, VIN = VSW3IN = 4.5 V ––12µA
ISW3NQ SW3 N-MOSFET leakage current, VIN = VSW3IN = 4.5 V ––4.0µA
RSW3DIS Discharge resistance during Off mode – 600 – Ω
Table 12.  Dynamic electrical characteristics - SW3
All parameters are specified at TA = -40 °C to 105 °C, VIN = VSW3IN = 3.6 V, VSW3 = 1.5 V, ISW3 = 100 mA, typical external component 
values, fSW3 = 2.0 MHz. Typical values are characterized at VIN = VSW3IN = 3.6 V, VSW3 = 1.5 V, ISW3 = 100 mA, and 25 °C, unless 
otherwise noted.
Symbol Parameter Min. Typ. Max. Unit Notes
VSW3OSH
Start-up overshoot, ISW3 = 0.0 mA, DVS clk = 25 mV/4 μs, VIN = 
VSW3IN = 4.5 V ––66mV 
tONSW3
Turn-on time, enable to 90% of end value, ISW3 = 0 mA, DVS clk = 
25 mV/4 μs, VIN = VSW3IN = 4.5 V – – 500 µs 
Table 13.  Static electrical characteristics - SWBST  
All parameters are specified at TA = -40 °C to 105 °C, VIN = VSWBSTIN = 3.6 V, VSWBST = 5.0 V, ISWBST = 100 mA, typical external 
component values, fSWBST  = 2.0 MHz, otherwise noted. Typical values are characterized at VIN = VSWBSTIN = 3.6 V, VSWBST = 5.0 V, 
ISWBST = 100 mA, and 25 °C, unless otherwise noted.
Symbol Parameters Min. Typ. Max. Unit Notes
Switch mode supply SWBST
VSWBSTIN Input voltage range 2.8 – 4.5 V (32), (33)
VSWBST Nominal output voltage – Table 59 –V
ISWBST
Continuous load current 
• 2.8 V ≤ VIN ≤ 3.0 V
• 3.0 V ≤ VIN ≤ 4.5 V 
500
600
–
–
–
–
mA 
VSWBSTACC
Output voltage accuracy, 2.8 V ≤ VIN ≤ 4.5 V, 0 < ISWBST 
< ISWBSTMAX
-4.0 – 3.0 %
ISWBSTQ Quiescent current (auto mode) – 222 289 μA
Notes
32. The maximum operating input voltage is 4.55 V when VPWR LDO is used.
33. Minimum operating voltage is 2.8 V with a valid LICELL voltage (1.8 V to 3.3 V). Minimum operating voltage is 3.1 V when no voltage is applied at 
the LICELL pin. If operation down to 2.8 V is required for systems without a coin cell, connect the LICELL pin to any system voltage between 1.8 V 
and 3.3 V. This voltage can be an output from any PF3000 regulator, or external system supply.
Table 11.  Static electrical characteristics – SW3 (continued)
All parameters are specified at TA = -40 °C to 105 °C, VIN = VSW3IN = 3.6 V, VSW3 = 1.5 V, ISW3 = 100 mA, typical external component 
values, fSW3 = 2.0 MHz. Typical values are characterized at VIN = VSW3IN = 3.6 V, VSW3 = 1.5 V, ISW3 = 100 mA, and 25 °C, unless 
otherwise noted.
Symbol Parameter Min. Typ. Max. Unit Notes
 
 
 
(34»
 
 
 
 
 
 
 
 
 
 
 
 
 
 
 
 
 
 
 
 
 
 
 
 
 
 
 
 
 
 
 
 
 
 
 
 
 
GENERAL PRODUCT CHARACTERISTICS
NXP Semiconductors 19
PF3000
Switch mode supply SWBST (continued)
ΔVSWBST
Output ripple, 2.8 V ≤ VIN ≤ 4.5 V, 0 < ISWBST < ISWBSTMAX, excluding 
reverse recovery of Schottky diode – – 120 mVp-p 
ISWBSTLIM Peak Current Limit  1400 2200 3200 mA  (34)
RDS(on)BST MOSFET on resistance – 206 306 mΩ
ISWBSTHSQ NMOS Off leakage, VSWBST = 4.5 V, SWBSTMODE [1:0] = 00 –1.05.0µA 
Notes
34. Only in Auto and APS modes.
Table 14.  Dynamic electrical characteristics - SWBST  
All parameters are specified at TA = -40 °C to 105 °C, VIN = VSWBSTIN = 3.6 V, VSWBST = 5.0 V, ISWBST = 100 mA, typical external 
component values, fSWBST = 2.0 MHz, otherwise noted. Typical values are characterized at VIN = VSWBSTIN = 3.6  V, VSWBST = 5.0 V, 
ISWBST = 100 mA, and 25 °C, unless otherwise noted.
Symbol Parameter Min. Typ. Max. Unit Notes
Switch mode supply SWBST
VSWBSTOSH Start-up overshoot, ISWBST = 0.0 mA ––500mV 
tONSWBST Turn-on time, enable to 90% of VSWBST, ISWBST = 0.0 mA – – 2.0 ms 
Table 15.  Static electrical characteristics - VSNVS  
All parameters are specified at TA = -40 °C to 105 °C, VIN = 3.6 V, VSNVS = 3.0 V, ISNVS = 5.0 μA, typical external component values, 
unless otherwise noted. Typical values are characterized at VIN = 3.6 V, VSNVS = 3.0 V, ISNVS = 5.0 μA, and 25 °C, unless otherwise noted.
Symbol Parameter Min. Typ. Max. Unit Notes
VSNVS
VIN
Operating input voltage 
• Valid coin cell range 
• Valid VIN
1.8
2.25
–
–
3.3
4.5
V  (35)
ISNVS Operating load current, VINMIN < VIN < VINMAX 1.0 – 1000 μA 
VSNVS
Output voltage 
• 5.0 μA < ISNVS < 1000 μA (OFF), 3.20 V < VIN < 4.5 V
• 5.0 μA < ISNVS < 1000 μA (ON), 3.20 V < VIN < 4.5 V
• 5.0 μA < ISNVS < 1000μA (Coin cell mode), 2.84 V < VCOIN < 3.3 V
-5.0%
-5.0%
VCOIN-0.10
3.0 
3.0
–
7.0%
5.0%
VCOIN
V
VSNVSDROP Dropout voltage, 2.85 V < VIN < 2.9 V, 1.0 μA < ISNVS < 1000 μA– – 110 mV
ISNVSLIM Current limit, VIN > VTH1 1100 – 6750 μA
VSNVS DC, SWITCH
VLiCell Operating input voltage, valid coin cell range 1.8 – 3.3 V
ISNVS Operating load current 1.0 – 1000 μA
RDS(on)SNVS Internal switch RDS(on), VCOIN = 2.6 V – – 100 Ω
Notes
35. The maximum operating input voltage is 4.55 V when VPWR LDO is used
Table 13.  Static electrical characteristics - SWBST (continued)
All parameters are specified at TA = -40 °C to 105 °C, VIN = VSWBSTIN = 3.6 V, VSWBST = 5.0 V, ISWBST = 100 mA, typical external 
component values, fSWBST  = 2.0 MHz, otherwise noted. Typical values are characterized at VIN = VSWBSTIN = 3.6 V, VSWBST = 5.0 V, 
ISWBST = 100 mA, and 25 °C, unless otherwise noted.
Symbol Parameters Min. Typ. Max. Unit Notes

GENERAL PRODUCT CHARACTERISTICS
20 NXP Semiconductors
PF3000
Table 16.  Dynamic electrical characteristics - VSNVS  
All parameters are specified at TA = -40 °C to 105 °C, VIN = 3.6 V, VSNVS = 3.0 V, ISNVS = 5.0 μA, typical external component values, unless 
otherwise noted. Typical values are characterized at VIN = 3.6 V, VSNVS = 3.0 V, ISNVS = 5.0 μA, and 25 °C, unless otherwise noted.
Symbol Parameter Min. Typ. Max. Unit Notes
VSNVS
VSNVSTON
Turn-on time (load capacitor, 0.47 μF), from VIN = VTH1 to 90% of 
VSNVS, VCOIN = 0.0 V, ISNVS = 5.0 μA––24ms
(36),(37)
VSNVSOSH Start-up overshoot, ISNVS = 5.0 μA–4070mV
VSNVSLOTR Transient load response, 3.2 < VIN ≤ 4.5 V, ISNVS = 100 to 1000 μA2.8 – – V
VTL1 VIN falling threshold (VIN powered to coin cell powered) 2.45 2.70 3.05 V
VTH1 VIN rising threshold (coin cell powered to VIN powered) 2.50 2.75 3.10 V
VHYST1 VIN threshold hysteresis for VTH1-VTL1 5.0 – – mV
VSNVSCROSS
Output voltage during crossover, VCOIN > 2.9 V, Switch to LDO: VIN > 
VTH1, ISNVS = 100 μA, LDO to Switch: VIN < VTL1, ISNVS = 100 μA2.45 – – V
Notes
36. The start-up of VSNVS is not monotonic. It first rises to 1.0 V and then settles to 3.0 V.
37. From coin cell insertion to VSNVS = 1.0 V, the delay time is typically 400 ms.
Table 17.  Static electrical characteristics - VLDO1
All parameters are specified at TA = -40 °C to 105 °C, VIN = 3.6 V, VLDO1IN = 3.6 V, VLDO1 = 3.3 V, ILDO1 = 10 mA, typical external 
component values, unless otherwise noted. Typical values are characterized at VIN = 3.6 V, VLDO1IN = 3.6 V, VLDO1 = 3.3 V, ILDO1 = 10 mA, 
and 25 °C, unless otherwise noted.
Symbol Parameter Min. Typ. Max. Unit Notes
VLDO1 linear regulator
VLDO1IN
Operating input voltage
• 1.8 V ≤ VLDO1NOM ≤ 2.5 V
• 2.6 V ≤ VLDO1NOM ≤ 3.3 V
2.8
VLDO1NOM
+0.250
–
–
4.5
4.5
V(38), (39)
VLDO1NOM Nominal output voltage – Table 62 –V
ILDO1 Rated output load current 100 –  – mA 
VLDO1TOL
Output voltage tolerance, VLDO1INMIN < VLDO1IN < 4.5 V, 0.0 mA < 
ILDO1 < 100 mA, VLDO1 = 1.8 V to 3.3 V -3.0 –  3.0 %
ILDO1Q Quiescent current, no load, change in IVIN, when VLDO1 enabled –13–μA
ILDO1LIM Current limit,  ILDO1 when VLDO1 is forced to VLDO1NOM/2 122 167 280 mA
Notes
38. The maximum operating input voltage is 4.55 V when VPWR LDO is used.
39. Minimum operating voltage is 2.8 V with a valid LICELL voltage (1.8 V to 3.3 V). Minimum operating voltage is 3.1 V when no voltage is applied 
at the LICELL pin. If operation down to 2.8 V is required for systems without a coin cell, connect the LICELL pin to any system voltage between 
1.8 V and 3.3 V. This voltage can be an output from any PF3000 regulator, or external system supply.

GENERAL PRODUCT CHARACTERISTICS
NXP Semiconductors 21
PF3000
Table 18.  Dynamic electrical characteristics - VLDO1  
All parameters are specified at TA = -40 °C to 105 °C, VIN = 3.6 V, VLDO1IN = 3.6 V, VLDO1 = 3.3 V, ILDO1 = 10 mA, typical external 
component values, unless otherwise noted. Typical values are characterized at VIN = 3.6 V, VLDO1IN = 3.6 V, VLDO1 = 3.3 V, ILDO1 = 10 mA, 
and 25 °C, unless otherwise noted.
Symbol Parameter Min. Typ. Max. Unit Notes
VLDO1 linear regulator
PSRRVLDO1
PSRR, ILDO1 = 75 mA, 20 Hz to 20 kHz
• VLDO1 = 1.8 V to 3.3 V, VLDO1IN = VLDO1INMIN + 100 mV
• VLDO1 = 1.8 V to 3.3 V, VLDO1IN = VLDO1NOM + 1.0 V
35
52
40
60
–
–
dB
NOISEVLDO1
Output noise density, VLDO1IN = VLDO1INMIN, ILDO1 = 75 mA
• 100 Hz to <1.0 kHz
• 1.0 kHz to <10 kHz
• 10 kHz to 1.0 MHz
–
–
–
-114
-129
-135
-102
-123
-130
dBV/ √Hz
tONLDO1
Turn-on time, enable to 90% of end value, VLDO1IN = VLDO1INMIN to 
4.5 V, ILDO1 = 0.0 mA, all output voltage settings 60 – 500 μs
tOFFLDO1
Turn-off time, disable to 10% of initial value, VLDO1IN = VLDO1INMIN, 
ILDO1 = 0.0 mA ––10ms
LDO1OSHT Start-up overshoot, VLDO1IN = VLDO1INMIN to 4.5 V, ILDO1 = 0.0 mA –1.02.0%
Table 19.  Static electrical characteristics - VLDO2
All parameters are specified at TA = -40 °C to 105 °C, VIN = 3.6 V, VLDO2IN = 3.0 V, VLDO2 = 1.55 V, ILDO2 = 10 mA, typical external 
component values, unless otherwise noted. Typical values are characterized at VIN = 3.6 V, VLDO2IN = 3.0 V, VLDO2 = 1.55 V, ILDO2 = 
10 mA and 25 °C, unless otherwise noted.
Symbol Parameter Min. Typ. Max. Unit Notes
VLDO2 linear regulator
VLDO2IN Operating input voltage  1.75 – 3.40 V 
VLDO2NOM Nominal output voltage – Table 63 –V
ILDO2 Rated output load current 250 – – mA 
VLDO2TOL
Output voltage tolerance, 1.75 V < VLDOIN1 < 3.40 V, 0.0 mA < ILDO2 
< 250 mA, VLDO2 = 0.8 V to 1.55 V -3.0 – 3.0 % 
ILDO2Q
Quiescent current, no load, change in IVIN and IVLDO2IN, when VLDO2 
enabled –16–μA
ILDO2LIM Current limit,  ILDO2 when VLDO2 is forced to VLDO2NOM/2 333 417 612 mA
Table 20.  Dynamic electrical characteristics - VLDO2  
All parameters are specified at TA = -40 °C to 105 °C, VIN = 3.6 V, VLDO2IN = 3.0 V, VLDO2 = 1.55 V, ILDO2 = 10 mA, typical external 
component values, unless otherwise noted. Typical values are characterized at VIN = 3.6 V, VLDO2IN = 3.0 V, VLDO2 = 1.55 V, ILDO2 = 
10 mA and 25 °C, unless otherwise noted.
Symbol Parameter Min. Typ. Max. Unit Notes
VLDO2 linear regulator
PSRRVLDO2
PSRR, ILDO2 = 187.5 mA, 20 Hz to 20 kHz
• VLDO2 = 0.8 V to 1.55 V
• VLDO2 = 1.1 V to 1.55 V
50
37
60
45
–
–
dB
NOISEVLDO2
Output noise density, VLDO2IN = 1.75 V, ILDO2 = 187.5 mA
• 100 Hz to <1.0 kHz
• 1.0 kHz to <10 kHz
• 10 kHz to 1.0 MHz
–
–
–
-108
-118
-124
-100
-108
-112
dBV/√Hz
 
 
 
 
 
 
 
 
 
 
 
 
 
(40). (41».
 
 
 
 
 
 
 
 
 
 
 
 
 
 
 
 
 
 
 
 
 
 
 
 
 
 
 
 
GENERAL PRODUCT CHARACTERISTICS
22 NXP Semiconductors
PF3000
VLDO2 linear regulator (continue)
tONLDO2
Turn-on time, enable to 90% of end value, VLDO2IN = 1.75 V to 3.4 V, 
ILDO2 = 0.0 mA 60 – 500 μs
tOFFLDO2
Turn-off time, disable to 10% of initial value, VLDO2IN = 1.75 V,  
ILDO2 = 0.0 mA ––10ms
LDO2OSHT Start-up overshoot, VLDO2IN = 1.75 V to 3.4 V, ILDO2 = 0.0 mA –1.02.0%
Table 21.  Static electrical characteristics – VCC_SD  
All parameters are specified at TA = -40 °C to 105 °C, VIN = 3.6 V, VCC_SD = 1.85 V, IVCC_SD = 10 mA, typical external component values, 
unless otherwise noted. Typical values are characterized at VIN = 3.6 V, VCC_SD = 1.85 V, IVCC_SD = 10 mA, and 25 °C, unless otherwise 
noted.
Symbol Parameter Min. Typ. Max. Unit Notes
VCC_SD linear regulator
VIN Operating input voltage 2.8 – 4.5 V
(40), (41), 
(41)
VCC_SDNOM Nominal output voltage – Table 65 –V
IVCC_SD Rated output load current 100 – – mA 
VCC_SDTOL
Output voltage accuracy, 2.8 V < VIN < 4.5 V, 0.0 mA < IVCC_SD < 
100 mA, VCC_SD[1:0] = 00 to 11 -3.0 –  3.0 %
IVCC_SDQ
Quiescent current, no load, change in IVIN and IVIN2, when VCC_SD 
enabled –13–μA
IVCC_SDLIM Current limit, IVCC_SD when VCC_SD is forced to VCC_SDNOM/2 122 167 280 mA
Notes
40. When the LDO output voltage is set above 2.6 V, the minimum allowed input voltage needs to be at least the output voltage plus 0.25 V.
41. The maximum operating input voltage is 4.55 V when VPWR LDO is used.
42. Minimum operating voltage is 2.8 V with a valid LICELL voltage (1.8 V to 3.3 V). Minimum operating voltage is 3.1 V when no voltage is applied 
at the LICELL pin. If operation down to 2.8 V is required for systems without a coin cell, connect the LICELL pin to any system voltage between 
1.8 V and 3.3 V. This voltage can be an output from any PF3000 regulator, or external system supply.
Table 22.  Dynamic electrical characteristics - VCC_SD  
All parameters are specified at TA = -40 °C to 105 °C, VIN = 3.6 V, VCC_SD = 1.85 V, IVCC_SD = 10  mA, typical external component 
values, unless otherwise noted. Typical values are characterized at VIN = 3.6 V, VCC_SD = 1.85 V, IVCC_SD = 10 mA, and 25 °C, unless 
otherwise noted.
Symbol Parameter Min. Typ. Max. Unit Notes
VCC_SD linear regulator
PSRRVCC_SD
PSRR, IVCC_SD = 75 mA, 20 Hz to 20 kHz
• VCC_SD[1:0] = 00 - 10, VIN = 2.8 V + 100 mV
• VCC_SD[1:0] = 10 - 11, VIN = VCC_SDNOM + 1.0 V
35
52
40
60
–
–
dB
NOISEVCC_SD
Output noise density, VIN = 2.8V, IVCC_SD = 75 mA
• 100 Hz – <1.0 kHz
• 1.0 kHz – <10 kHz
• 10 kHz – 1.0 MHz
–
–
–
-114
-129
-135
-102
-123
-130
dBV/√Hz
tONVCC_SD
Turn-on time, enable to 90% of end value, VIN = 2.8 V to 4.5 V, 
IVCC_SD = 0.0 mA 60 – 500 μs
Table 20.  Dynamic electrical characteristics - VLDO2 (continued)
All parameters are specified at TA = -40 °C to 105 °C, VIN = 3.6 V, VLDO2IN = 3.0 V, VLDO2 = 1.55 V, ILDO2 = 10 mA, typical external 
component values, unless otherwise noted. Typical values are characterized at VIN = 3.6 V, VLDO2IN = 3.0 V, VLDO2 = 1.55 V, ILDO2 = 
10 mA and 25 °C, unless otherwise noted.
Symbol Parameter Min. Typ. Max. Unit Notes
 
 
 
 
 
 
(m (m
 
 
 
 
 
 
 
 
 
 
 
 
 
 
 
 
 
 
 
 
 
 
 
 
 
 
 
 
 
GENERAL PRODUCT CHARACTERISTICS
NXP Semiconductors 23
PF3000
VCC_SD linear regulator (continued)
tOFFVCC_SD
Turn-off time, disable to 10% of initial value, VIN = 2.8 V,  
IVCC_SD = 0.0 mA ––10ms
VCC_SDOSHT Start-up overshoot, VIN = 2.8 V to 4.5 V, IVCC_SD = 0.0 mA –1.02.0%
Table 23.  Static electrical characteristics – V33  
All parameters are specified at TA = -40 °C to 105 °C, VIN = 3.6 V, V33 = 3.3 V, IV33 = 10 mA, typical external component values, unless 
otherwise noted. Typical values are characterized at VIN = 3.6 V, V33 = 3.3 V, IV33 = 10 mA, and 25 °C, unless otherwise noted.
Symbol Parameter Min. Typ. Max. Unit Notes
V33 linear regulator
VIN Operating input voltage, 2.9 V ≤ V33NOM ≤ 3.6 V 2.8 –4.5 V
(43), (44), 
(45)
V33NOM Nominal output voltage – Table 64 –V
IV33 Rated output load current 350 – – mA
V33TOL
Output voltage tolerance, 2.8 V < VIN < 4.5 V, 0.0 mA < IV33 < 350 mA, 
V33[1:0] = 00 to 11 -3.0  –3.0 % 
IV33Q Quiescent current, no load, change in IVIN, when V33 enabled –13–μA
IV33LIM Current limit, IV33 when V33 is forced to V33NOM/2 435 584.5 950 mA
Notes
43. When the LDO output voltage is set above 2.6 V the minimum allowed input voltage need to be at least the output voltage plus 0.25 V for proper 
regulation due to the dropout voltage generated through the internal LDO transistor. 
44. The maximum operating input voltage is 4.55 V when VPWR LDO is used.
45. Minimum operating voltage is 2.8 V with a valid LICELL voltage (1.8 V to 3.3 V). Minimum operating voltage is 3.1 V when no voltage is applied at 
the LICELL pin. If operation down to 2.8 V is required for systems without a coin cell, connect the LICELL pin to any system voltage between 1.8 V 
and 3.3 V. This voltage can be an output from any PF3000 regulator, or external system supply.
Table 24.  Dynamic electrical characteristics – V33  
All parameters are specified at TA = -40 °C to 105 °C, VIN = 3.6 V, V33 = 3.3 V, IV33 = 10 mA, typical external component values, unless 
otherwise noted. Typical values are characterized at VIN = 3.6 V, V33 = 3.3 V, IV33 = 10 mA, and 25 °C, unless otherwise noted.
Symbol Parameter Min. Typ. Max. Unit Notes
V33 linear regulator
PSRRV33
PSRR, IV33 = 262.5 mA, 20 Hz to 20 kHz, V33[1:0] = 00 - 11, VIN = 
V33NOM + 1.0 V 52 60 – dB (46)
NOISEV33
Output noise density, VIN = 2.8 V, IV33 = 262.5 mA
• 100 Hz to <1.0 kHz
• 1.0 kHz to <10 kHz
• 10 kHz to 1.0 MHz
–
–
–
-114
-129
-135
-102
-123
-130
dBV/√Hz
 tONV33
Turn-on time, enable to 90% of end value, VIN = 2.8 V, to 4.5 V,  
IV33 = 0.0 mA 60 – 500 μs
Table 22.  Dynamic electrical characteristics - VCC_SD (continued)
All parameters are specified at TA = -40 °C to 105 °C, VIN = 3.6 V, VCC_SD = 1.85 V, IVCC_SD = 10  mA, typical external component 
values, unless otherwise noted. Typical values are characterized at VIN = 3.6 V, VCC_SD = 1.85 V, IVCC_SD = 10 mA, and 25 °C, unless 
otherwise noted.
Symbol Parameter Min. Typ. Max. Unit Notes

GENERAL PRODUCT CHARACTERISTICS
24 NXP Semiconductors
PF3000
V33 linear regulator (continued)
tOFFV33 Turn-off time, disable to 10% of initial value, VIN = 2.8 V, IV33 = 0.0 mA ––10ms
V33OSHT Start-up overshoot, VIN = 2.8 V to 4.5 V, IV33 = 0.0 mA –1.02.0%
Notes
46. When the LDO Output voltage is set above 2.6 V the minimum allowed input voltage need to be at least the output voltage plus 0.25 V for proper 
regulation due to the dropout voltage generated through the internal LDO transistor. 
Table 25.  Static electrical characteristics – VLDO3  
All parameters are specified at TA = -40 °C to 105 °C, VIN = 3.6 V, VLDO34IN = 3.6 V, VLDO3 = 3.3 V, ILDO3 = 10 mA, typical external 
component values, unless otherwise noted. Typical values are characterized at VIN = 3.6 V, VLDO34IN = 3.6 V, VLDO3 = 3.3 V, 
ILDO3 = 10 mA, and 25 °C, unless otherwise noted.
Symbol Parameter Min. Typ. Max. Unit Notes
VLDO3 linear regulator
VLDO34IN
Operating input voltage
• 1.8 V ≤ VLDO3NOM ≤ 2.5 V
• 2.6 V ≤ VLDO3NOM ≤ 3.3 V
2.8
VLDO3NOM
+0.250
–
–
3.6
3.6
V(47), (48)
VLDO3NOM Nominal output voltage – Table 63 –V
ILDO3 Rated output load current 100 – – mA 
VLDO3TOL
Output voltage tolerance, VLDO34INMIN < VLDO34IN < 4.5 V, 0.0 mA < 
ILDO3 < 100 mA, VLDO3 = 1.8 V to 3.3 V -3.0 – 3.0 %
ILDO3Q
Quiescent current, no load, change in IVIN and IVLDO34IN, when VLDO3 
enabled –13–μA
ILDO3LIM Current limit, ILDO3 when VLDO3 is forced to VLDO3NOM/2 122 167 280 mA
Notes
47. Beyond VLDO34IN rating, the ESD protection can be sensitive to voltage transients.
48. Minimum operating voltage is 2.8 V with a valid LICELL voltage (1.8 V to 3.3 V). Minimum operating voltage is 3.1 V when no voltage is applied at 
the LICELL pin. If operation down to 2.8 V is required for systems without a coin cell, connect the LICELL pin to any system voltage between 1.8 V 
and 3.3 V. This voltage can be an output from any PF3000 regulator, or external system supply.
Table 26.  Dynamic electrical characteristics – VLDO3  
All parameters are specified at TA = -40 °C to 105 °C, VIN = 3.6 V, VLDO34IN = 3.6 V, VLDO3 = 3.3 V, ILDO3 = 10 mA, typical external 
component values, unless otherwise noted. Typical values are characterized at VIN = 3.6 V, VLDO34IN = 3.6 V, VLDO3 = 3.3 V, 
ILDO3 = 10 mA, and 25 °C, unless otherwise noted.
Symbol Parameter Min. Typ. Max. Unit Notes
VLDO3 linear regulator
PSRRVLDO3
PSRR, ILDO3 = 75 mA, 20 Hz to 20 kHz
• VLDO3 = 1.8 V to 3.3 V, VLDO34IN = VLDO34INMIN + 100 mV
• VLDO3 = 1.8 V to 3.3 V, VLDO34IN = VLDO3NOM + 1.0 V
35
52
40
60
–
–
dB
NOISEVLDO3
Output noise density, VLDO34IN = VLDO34INMIN, ILDO3 = 75 mA
• 100 Hz to <1.0 kHz
• 1.0 kHz to <10 kHz
• 10 kHz to 1.0 MHz
–
–
–
-114
-129
-135
-102
-123
-130
dBV/√Hz
Table 24.  Dynamic electrical characteristics – V33 (continued)
All parameters are specified at TA = -40 °C to 105 °C, VIN = 3.6 V, V33 = 3.3 V, IV33 = 10 mA, typical external component values, unless 
otherwise noted. Typical values are characterized at VIN = 3.6 V, V33 = 3.3 V, IV33 = 10 mA, and 25 °C, unless otherwise noted.
Symbol Parameter Min. Typ. Max. Unit Notes

GENERAL PRODUCT CHARACTERISTICS
NXP Semiconductors 25
PF3000
VLDO3 linear regulator (continued)
tONLDO3
Turn-on time, enable to 90% of end value, VLDO34IN = VLDO34INMIN to 
4.5 V, ILDO3 = 0.0 mA 60 – 500 μs
tOFFLDO3
Turn-off time, disable to 10% of initial value, VLDO34IN = VLDO34INMIN, 
ILDO3 = 0.0 mA ––10ms
LDO3OSHT Start-up overshoot, VLDO34IN = VLDO34IN2MIN to 4.5 V, ILDO3 = 0.0 mA –1.02.0%
Table 27.  Static electrical characteristics - VLDO4  
All parameters are specified at TA = -40 °C to 105 °C, VIN = 3.6 V, VLDO34IN = 3.6 V, VLDO4 = 3.3 V, ILDO4 = 10 mA, typical external 
component values, unless otherwise noted. Typical values are characterized at VIN = 3.6 V, VLDO34IN = 3.6 V, VLDO4 = 3.3 V, 
ILDO4 = 10 mA, and 25 °C, unless otherwise noted.
Symbol Parameter Min. Typ. Max. Unit Notes
VLDO4 linear regulator
VLDO34IN
Operating input voltage
• 1.8 V ≤ VLDO4NOM ≤ 2.5 V
• 2.6 V ≤ VLDO4NOM ≤ 3.3 V
2.8
VLDO4NOM
+0.250
–
–
3.6
3.6
V(49), (50)
VLDO4NOM Nominal output voltage – Table 63 –V
ILDO4 Rated output load current 350 – – mA 
VLDO4TOL
Output voltage tolerance, VLDO34INMIN < VLDO34IN < 4.5 V, 0.0 mA < 
ILDO3 < 100 mA, VLDO4 = 1.9 V to 3.3 V -3.0 – 3.0 %
ILDO4Q
Quiescent current, no load, change in IVIN and IVLDO34IN, when VLDO4 
enabled –13–μA
ILDO4LIM Current limit, ILDO4 when VLDO4 is forced to VLDO4NOM/2 435 584.5 950 mA
PSRRVLDO4
PSRR, ILDO4 = 262.5 mA, 20 Hz to 20 kHz
• VLDO4 = 1.9 V to 3.3 V, VLDO34IN = VLDO34INMIN + 100 mV
• VLDO4 = 1.9 V to 3.3 V, VLDO34IN = VLDO4NOM + 1.0 V
35
52
40
60
–
–
dB
Notes
49. Beyond VLDO34IN rating, the ESD protection can be sensitive to voltage transients.
50. Minimum operating voltage is 2.8 V with a valid LICELL voltage (1.8 V to 3.3 V). Minimum operating voltage is 3.1 V when no voltage is applied 
at the LICELL pin. If operation down to 2.8 V is required for systems without a coin cell, connect the LICELL pin to any system voltage between 
1.8 V and 3.3 V. This voltage can be an output from any PF3000 regulator, or external system supply.
Table 26.  Dynamic electrical characteristics – VLDO3 (continued)
All parameters are specified at TA = -40 °C to 105 °C, VIN = 3.6 V, VLDO34IN = 3.6 V, VLDO3 = 3.3 V, ILDO3 = 10 mA, typical external 
component values, unless otherwise noted. Typical values are characterized at VIN = 3.6 V, VLDO34IN = 3.6 V, VLDO3 = 3.3 V, 
ILDO3 = 10 mA, and 25 °C, unless otherwise noted.
Symbol Parameter Min. Typ. Max. Unit Notes
 
 
 
 
 
 
 
 
 
 
 
 
 
 
 
 
 
 
 
 
 
(51)
 
 
 
 
(52)
 
 
 
 
 
 
 
 
 
 
 
GENERAL PRODUCT CHARACTERISTICS
26 NXP Semiconductors
PF3000
Table 28.  Dynamic electrical characteristics - VLDO4  
All parameters are specified at TA = -40 °C to 105 °C, VIN = 3.6 V, VLDO34IN = 3.6 V, VLDO4 = 3.3 V, ILDO4 = 10 mA, typical external 
component values, unless otherwise noted. Typical values are characterized at VIN = 3.6 V, VLDO34IN = 3.6 V, VLDO4 = 3.3 V, 
ILDO4 = 10 mA, and 25 °C, unless otherwise noted.
Symbol Parameter Min. Typ. Max. Unit Notes
VLDO4 linear regulator
NOISEVLDO4
Output noise density, VLDO34IN2 = VLDO34INMIN, ILDO4 = 262.5 mA
• 100 Hz to <1.0 kHz
• 1.0 kHz to <10 kHz
• 10 kHz to 1.0 MHz
–
–
–
-114
-129
-135
-102
-123
-130
dBV/√Hz
tONLDO4
Turn-on time, enable to 90% of end value, VLDO34IN = VLDO34INMIN, 
4.5 V, ILDO4 = 0.0 mA 60 – 500 μs
tOFFLDO4
Turn-off time, disable to 10% of initial value, VLDO34IN = VLDO34INMIN, 
ILDO4 = 0.0 mA ––10ms
LDO4OSHT Start-up overshoot, VLDO34IN = VLDO34INMIN, 4.5 V, ILDO4 = 0.0 mA –1.02.0%
Table 29.  Static electrical characteristics - coin cell  
All parameters are specified at TA = -40 °C to 105 °C, VIN = 3.6 V, typical external component values, unless otherwise noted.
Symbol Parameter Min Typ Max Unit Notes
Coin cell
VCOINACC Charge voltage accuracy -100 – -100 mV
ICOINACC Charge current accuracy -30 – 30 %
ICOIN
Coin cell charge current 
• ICOINHI (in on mode)
• ICOINLO (in on mode)
–
–
60
10
–
–
μA
Table 30.  Static electrical characteristics - VREFDDR  
All parameters are specified at TA = -40 °C to 105 °C, VIN = 3.6 V, IREFDDR = 0.0 mA, VINREFDDR = 1.5 V, and typical external component 
values, unless otherwise noted. Typical values are characterized at VIN = 3.6 V, IREFDDR = 0.0 mA, VINREFDDR = 1.5 V, and 25 °C, unless 
otherwise noted.
Symbol Parameter Min. Typ. Max. Unit Notes
VREFDDR linear regulator
VINREFDDR Operating input voltage range 1.2 – 1.65 V (51)
VREFDDR
Output voltage, 1.2 V < VINREFDDR < 1.65 V, 0.0 mA < IREFDDR < 
10 mA –VINREFDDR/
2–V
VREFDDRTOL
Output voltage tolerance, as a percentage of VINREFDDR, 1.2 V < 
VINREFDDR < 1.65 V, 0.6 mA < IREFDDR < 10 mA 49.5 50 50.5 %
IREFDDR Rated output load current 10 – – mA 
IREFDDRQ Quiescent current  – 12 – μA(52)
IREFDDRLM Current limit, IREFDDR when VREFDDR is forced to VINREFDDR/4 10.5 15 25 mA
Notes
51. When using SW3 as input, the VINREFDDR input voltage range specification refers to the voltage set point of SW3 and not the absolute value
52. When VREFDDR is off there is a quiescent current of a typical 2.0 μA.

GENERAL PRODUCT CHARACTERISTICS
NXP Semiconductors 27
PF3000
Table 31.  Dynamic electrical characteristics - VREFDDR  
All parameters are specified at TA = -40 °C to 105 °C, VIN = 3.6 V, IREFDDR = 0.0 mA, VINREFDDR = 1.5 V, and typical external component 
values, unless otherwise noted. Typical values are characterized at VIN = 3.6 V, IREFDDR = 0.0 mA, VINREFDDR = 1.5 V, and 25 °C, unless 
otherwise noted.
Symbol Parameter Min. Typ. Max. Unit Notes
VREFDDR linear regulator
tONREFDDR
Turn-on time, enable to 90% of end value, VINREFDDR = 1.2 V to 
1.65 V, IREFDDR = 0.0 mA – – 100 μs
tOFFREFDDR
Turn-off time, disable to 10% of initial value, VINREFDDR = 1.2 V to 
1.65 V, IREFDDR = 0.0 mA ––10ms
VREFDDROSH Start-up overshoot, VINREFDDR = 1.2 V to 1.65 V, IREFDDR = 0.0 mA –1.06.0%
Table 32.  Static electrical characteristics - Digital I/O  
All parameters are specified at TA = -40 °C to 105 °C, VDDIO = 1.7 V to 3.6 V, VPWR = 0 V (external FET not populated), and typical external 
component values and full load current range, unless otherwise noted.
Pin name Parameter Load condition Min Max Unit Notes
PWRON • VL
• VH
–
–
0.0
0.8 * VSNVS
0.2 * VSNVS
3.6 V
RESETBMCU • VOL
• VOH
-2.0 mA
Open drain
0.0
0.7 * VDDIO
0.4 * VDDIO
VDDIO
V
SCL • VL
• VH
–
–
0.0
0.8 * VDDIO
0.2 * VDDIO
3.6 V
SDA
• VL
• VH
• VOL
• VOH
–
–
-2.0 mA
Open drain
0.0
0.8 * VDDIO
0.0
0.7 * VDDIO
0.2 * VDDIO
3.6
0.4 * VDDIO
VDDIO
V
INTB • VOL
• VOH
-2.0 mA
Open drain
0.0
0.7 * VDDIO
0.4 * VDDIO
VDDIO
V
STANDBY • VL
• VH
–
–
0.0
0.8 * VSNVS
0.2 * VSNVS
3.6 V
SD_VSEL • VL
• VH
–
–
0.0
0.8 * VDDIO
0.2 * VDDIO
3.6 V
VDDOTP • VL
• VH
–
–
0.0
1.1
0.3
1.7 V
 
 
 
 
 
 
(53»
 
 
 
 
 
 
 
 
 
 
 
 
 
 
 
 
 
 
 
 
 
 
GENERAL PRODUCT CHARACTERISTICS
28 NXP Semiconductors
PF3000
Table 33.  Static electrical characteristics - internal supplies  
All parameters are specified at TA = -40 °C to 105 °C, VIN = 2.8 V to 4.5 V, LICELL = 1.8 V to 3.3 V, and typical external component values. 
Typical values are characterized at VIN = 3.6 V, LICELL = 3.0 V, and 25 °C, unless otherwise noted.
Symbol Parameter Min. Typ. Max. Unit Notes
VCOREDIG (digital core supply)
VCOREDIG
Output voltage 
• ON mode
• Coin cell mode and OFF mode
–
–
1.5
1.3
–
–
V(53)
VCORE (analog core supply)
VCORE
Output voltage 
• ON mode and charging
• Coin cell mode and OFF mode
–
–
2.775
0.0
–
–
V(53)
VCOREREF (bandgap regulator reference) 
VCOREREF Output voltage at 25 °C – 1.2 – V (53)
VCOREREFACC Absolute trim accuracy – 0.5 – %
VCOREREFTACC Temperature Drift  – 0.25 – %
Notes
53. 3.1 V < VIN < 4.5 V, no external loading on VCOREDIG, VCORE, or VCOREREF.
Table 34.  Static electrical characteristics - UVDET threshold  
All parameters are specified at TA = -40 °C to 105 °C, VIN = 2.8 V to 4.5 V, LICELL = 1.8 V to 3.3 V, and typical external component values. 
Typical values are characterized at VIN = 3.6 V, LICELL = 3.0 V, and 25 °C, unless otherwise noted.
Symbol Parameter Min. Typ. Max. Unit Notes
VIN UVDET threshold
VUVDET
• Rising
• Falling
–
2.5
–
–
3.1
–V

FUNCTIONAL DESCRIPTION AND APPLICATION INFORMATION
NXP Semiconductors 29
PF3000
6 Functional description and application information
6.1 Introduction   
The PF3000 is a highly integrated, low quiescent current power management IC featuring four buck regulators, one boost regulator, seven 
LDO regulators, and a DDR voltage reference. The PF3000 provides all the necessary rails to power a complete system including the 
application processor, memory and peripherals. The PF3000 operates from an input voltage of up to 5.5 V. Output voltage, startup 
sequence, and other functions are set using integrated one-time-programmable (OTP) memory, thus providing flexibility and reducing 
external component count.
6.2 Power generation
The buck regulators in the PF3000 provide supply to the processor cores and to other voltage domains, such as I/O and memory. Dynamic 
voltage scaling is provided to allow controlled supply rail adjustments for the processor cores and other circuitry. The SW1A and SW1B 
buck regulators can either be used as independent 1.0 A and 1.75 A regulators, or can be combined as a single 2.75 A regulator.
The linear regulators in the PF3000 can be used as general purpose regulators to power peripherals and lower power processor rails. The 
VCC_SD LDO regulator supports the dual voltage requirement by high speed SD card readers. Depending on the system power path 
configuration, the LDO regulators can be directly supplied from the main input supply or from the switching regulators to power peripherals, 
such as audio, camera, Bluetooth, and Wireless LAN, etc. 
A specific VREFDDR voltage reference is included to provide accurate reference voltage for DDR memories. The VSNVS block behaves 
as an LDO, or as a bypass switch to supply the SNVS/SRTC circuitry on the i.MX processors; VSNVS may be powered from VIN, or from 
a coin cell. 
To accommodate applications that are powered by main supplies of voltages higher than 4.5 V and up to 5.5 V, the PF3000 incorporates 
a front-end LDO regulator using an external pass FET to keep the maximum regulator input voltage of the regulators at 4.5 V. Applications 
with an input voltage lower than 4.5 V can directly power the regulators without using the front-end LDO.
PF3000 shows a summary of the voltage regulators in the PF3000. 
Table 35.  PF3000 power tree
Supply Output voltage (V) Programming Step size (mV) Maximum load current (mA)
SW1A 0.70 to 1.425
1.8 to 3.3
25
(N/A) 1000
SW1B 0.70 to 1.475 25 1750
SW2 1.50 to 1.85 
2.50 to 3.30 
50
variable 1250
SW3 0.90 to 1.65 50 1500
SWBST 5.00 to 5.15  50 600
VLDO1 1.8 to 3.3 50 100
VLDO2 0.80 to 1.55 50 250
VCC_SD 2.85 to 3.30
1.80 to 1.85
150
50 100
V33 2.85 to 3.30 150 350
VLDO3 1.8 to 3.3 100 100
VLDO4 1.8 to 3.3 100 350
VSNVS 3.0 NA 1.0
VREFDDR 0.5*SW3_OUT NA 10
 
 
 
 
 
 
 
 
 
 
 
 
 
 
 
 
 
 
 
 
 
 
 
 
 
 
 
 
 
M
 
FUNCTIONAL DESCRIPTION AND APPLICATION INFORMATION
30 NXP Semiconductors
PF3000
Figure 5.  PF3000 typical power map
Figure 5 shows a simplified power map with various recommended options to supply the different block within the PF3000, as well as the 
typical application voltage domain on the i.MX 7 processors. Note that each application power tree is dependent upon the system’s voltage 
and current requirements, therefore a proper input voltage should be selected for the regulators.
SW2
1.50 to 1.85 V
or 2.25 to 3.30 V
1.25 A
VDD_ARM
(A7 Core)
VDD_SOC
(SOC Logic)
VDDA_1P8  
(I/O)
NVCC_DRAM_CKE
(DDR IO)
i.MX 7
MCU
VDDA_USBx_3P3
(USB OTG PHY)
SWBST
5.0 to 5.15 V
0.6 A
SW3
0.90 to 1.65 V
1.5 A
SW1B
0.700 to 1.475 V
1.75 A
SW1A
0.700 to 3.3 V
1.0 A
0.7 V to 1.425 V, 
1.8 V, 3.3 V, 1.0 A 
OTG
Peripherals
VLDO1
1.8 to 3.3 V
100 mA
VLDO2
0.80 to 1.55 V 
250 mA
VLDO3
1.8 to 3.3 V 
100 mA
VSNVS_IN
VLDO4
1.8 to 3.3 V 
350 mA
VCC_SD
1.80 to 1.85 V 
or 2.85 to 3.3 V
100 mA
V33
2.85 to 3.30 V
350 mA
DDR3L
VREFDDR
0.5*VDDR
10 mA
Coincell
VIN
SW3
VIN
VLDO2INMAX = 3.4 V
VIN
4.5 V (typ.)
VSNVS
1.0 to 3.0 V 
1 mA
MUX / 
COIN 
CHRG
VIN
SW2
VDD_LPSR
NVCC_GPIOx
VCC_SD_IO
NVCC_3P3
(3.3 V GPIO PAD)
PF3000
1.1 V
1.0 V
1.8 V
1.35 V
3.3 V
3.3 V
0.675 V
1.8 V
1.5 V
3.3 V
3.3 V

FUNCTIONAL DESCRIPTION AND APPLICATION INFORMATION
NXP Semiconductors 31
PF3000
6.3 Functional description
6.3.1 Control logic and interface signals
The PF3000 is fully programmable via the I2C interface. Additional communication is provided by direct logic interfacing including INTB, 
RESETBMCU, STANDBY, PWRON, and SD_VSEL. Refer to Table 30 for logic levels for these pins.
6.3.1.1 PWRON
PWRON is an input signal to the IC that generates a turn-on event. A turn-on event brings the PF3000 out of OFF and sleep modes and 
into the ON mode. Refer to Modes of operation for the various modes (states) of operation of the IC. The PWRON pin can be configured 
using OTP to detect a level, or an edge using the PWRON_CFG bit. 
• If PWRON_CFG = 0, the PWRON signal is high and VIN > UVDET, the PMIC turns on; the interrupt and sense bits, PWRONI and 
PWRONS respectively, is set.
• If PWRON_CFG = 1, VIN > UVDET and PWRON transitions from high to low, the PMIC turns on; the interrupt and sense bits, PWRONI 
and PWRONS respectively, is set.
Any regulator enabled in the sleep mode remains enabled when transitioning from Sleep to ON, i.e., the regulator is not turned off and 
then on again to match the start-up sequence.
When PWRON_CFG = 1, the PWRON input can be a mechanical switch debounced through a programmable debouncer 
PWRONDBNC[1:0], to avoid a response to a very short key press. The interrupt is generated for both the falling and the rising edge of 
the PWRON pin. By default, a 31.25 ms interrupt debounce is applied to both falling and rising edges. The falling edge debounce timing 
can be extended with PWRONDBNC[1:0] as defined in the table below. The interrupt is cleared by software, or when cycling through the 
OFF mode.
6.3.1.2 STANDBY
STANDBY is an input signal to the IC. When it is asserted the part enters standby mode and when de-asserted, the part exits standby 
mode. STANDBY can be configured as active high or active low using the STANDBYINV bit. See Standby mode for more details.
Note: When operating the PMIC at VIN ≤ 2.85 V a coin cell must be present to provide VSNVS, or the PMIC does not reliably enter and 
exit the STANDBY mode. 
6.3.1.3 RESETBMCU
RESETBMCU is an open-drain, active low output OTP configurable for two modes of operation. In its default mode, it is de-asserted 2.0 
ms after the last regulator in the start-up sequence is enabled. In this mode, the signal can be used to bring the processor out of reset 
(POR), or as an indicator that all supplies have been enabled; it is only asserted during a turn-off event. In the default mode, the 
RESETBMCU signal is internal timer based and does not monitor the regulators. When configured for its fault mode, RESETBMCU is de-
asserted after the start-up sequence is completed only if no faults occurred during start-up. At any time, if a fault occurs and persists for 
1.8 ms, RESETBMCU is asserted LOW. The PF3000 is turned off if the fault persists for more than 100 ms. The PWRON signal can be 
used to restart the part, though if the fault persists, the sequence described above is repeated. To enter the fault mode, set bit 
OTP_PG_EN of register OTP PWRGD EN to “1” during OTP programming.
Table 36.  PWRON hardware debounce bit settings (54)
Bits State Turn on debounce (ms) Falling edge INT debounce (ms) Rising edge INT debounce (ms) 
PWRONDBNC[1:0]
00 0.0 31.25 31.25
01 31.25 31.25 31.25
10 125 125 31.25
11 750 750 31.25
Notes
54. The sense bit, PWRONS, is not debounced and follows the state of the PWRON pin.

FUNCTIONAL DESCRIPTION AND APPLICATION INFORMATION
32 NXP Semiconductors
PF3000
6.3.1.4 INTB
INTB is an open drain, active low output. It is asserted when any fault occurs, provided that the fault interrupt is unmasked. INTB is de-
asserted after the fault interrupt is cleared by software, which requires writing a “1” to the fault interrupt bit.   
6.3.1.5 SD_VSEL
SD_VSEL is an input pin that sets the output voltage range of the VCC_SD regulator. When SD_VSEL = HIGH, the VCC_SD regulator 
operates in the lower output voltage range. When SD_VSEL = LOW, the VCC_SD regulator operates in the higher output voltage range. 
The SD_VSEL input buffer is powered by the VDDIO supply. When a valid VDDIO voltage is not present, the output of the SD_VSEL buffer 
defaults to a logic high thus keeping the VCC_SD regulator output in the lower voltage range. 
6.3.2 One-time-programmable memory 
One-time-programmable memory is used to store key startup parameters and regulators’ configuration information. This eliminates the 
need to set regulator voltage and sequence using external components. The following parameters are programmable in the PF3000. 
General: I2C slave address, PWRON pin configuration, RESETBMCU configuration 
Buck regulators: Output voltage, single phase or independent mode configuration for SW1A and SW1B regulators, switching frequency, 
regulator start-up sequence and timing 
Boost regulator and LDOs: Output voltage, regulator start-up sequence and timing 
The PF3000 starts up based on the contents of the TBBOTP registers. During power up, contents of the OTP memory are loaded on to 
the TBBOTP registers. There is an optional Try-before-buy mode of operation available which bypasses loading of the OTP memory onto 
the TBBOTP registers. Instead, regulators directly start up based on the current contents of the TBBOTP registers during this mode of 
operation. This mode is useful when trying to determine a suitable OTP configuration for the system. TBB mode can also be used in lieu 
of OTP programming provided a microcontroller can initiate the TBB sequence is available in the system.
6.3.2.1 Register naming convention
Register and bit names for the TBBOTP registers are prefixed with “OTP”. This is to differentiate them from “functional registers” which 
are responsible for real-time control of regulator settings. For example, “OTP_SW1A_VOLT” refers to the TBBOTP register associated 
with the voltage setting for SW1A regulator. “SW1AVOLT” refers to the functional register which is fed into the SW1A regulator block. 
During power up, contents of the OTP fuses are copied onto the “OTP_SW1A_VOLT” register which is further copied on to the 
“SW1AVOLT” register. During normal operation, writes to the “OTP_SW1A_VOLT” register has no effect on the output voltage of the SW1A 
regulator. Writes to the “SW1AVOLT” register do have an effect.
6.3.2.2 Regulator startup sequence programming
Each regulator has 3-bits or 4-bits allocated to program its start-up time slot from a turn-on event; therefore, each can be placed from 
position one to seven or one to fifteen in the start-up sequence as shown in Table 37. When the sequence is code is set to 0, the regulator 
remains off during the startup sequence. It can be enabled using I2C after the start up sequence is completed. The delay between each 
position can be programmed to be 0.5 ms or 2.0 ms as shown in Table 38. The start-up sequence terminates at the last programmed 
regulator. RESETBMCU pin is de-asserted HIGH 2.0 ms after the last utilized startup slot.
Table 37.  Start-up sequence  
OTP_SWx_SEQ[2:0]/ 
OTP_V33_SEQ[2:0]/ 
OTP_VCC_SD_SEQ[2:0] 
OTP_VLDOx_SEQ[3:0]/  Sequence 
000 0000 Off 
001 0001 SEQ_CLK_SPEED * 1
010 0010 SEQ_CLK_SPEED * 2
011 0011 SEQ_CLK_SPEED * 3
100 0100 SEQ_CLK_SPEED * 4
101 0101 SEQ_CLK_SPEED * 5
110 0110 SEQ_CLK_SPEED * 6
:u]
 
 
 
 
 
 
 
 
 
 
 
 
 
 
 
 
 
 
 
 
 
 
 
 
 
 
 
 
 
FUNCTIONAL DESCRIPTION AND APPLICATION INFORMATION
NXP Semiconductors 33
PF3000
6.3.2.3 PWRON pin configuration 
The PWRON pin can be configured as either a level sensitive input (PWRON_CFG = 0), or as an edge sensitive input (PWRON_CFG = 1). 
As a level sensitive input, an active high signal turns on the part and an active low signal turns off the part, or puts it into sleep mode. As 
an edge sensitive input, such as when connected to a mechanical switch, a falling edge turns on the part and if the switch is held low for 
greater than or equal to 4.0 seconds, the part turns off or enters sleep mode.
6.3.2.4 I2C address configuration 
The I2C device address can be programmed from 0x08 to 0x0F. This allows flexibility to change the I2C address to avoid bus conflicts. 
Address bit, I2C_SLV_ADDR[3] in OTP_I2C_ADDR register is hard coded to “1” while the lower three LSBs of the I2C address 
(I2C_SLV_ADDR[2:0]) are programmable as shown in Table 40. The I2C address of the PF3000 immediately changes after write 
instructions to the OTP_I2C_ADDR register are complete. To continue using the default address of 0x08, set bit 7 (USE_DEFAULT_ADD) 
of the OTP_I2C_ADDR register.
111 0111 SEQ_CLK_SPEED * 7
– 1000 SEQ_CLK_SPEED * 8
– 1001 SEQ_CLK_SPEED * 9
– 1010 SEQ_CLK_SPEED * 10
– 1011 SEQ_CLK_SPEED * 11
– 1100 SEQ_CLK_SPEED * 12
– 1101 SEQ_CLK_SPEED * 13
– 1110 SEQ_CLK_SPEED * 14
– 1111 SEQ_CLK_SPEED * 15
Table 38.  Start-up sequence clock speed 
SEQ_CLK_SPEED Time (μs) 
0 500
1 2000
Table 39.  PWRON configuration 
PWRON_CFG Mode
0PWRON pin HIGH = ON 
PWRON pin LOW = OFF or sleep mode 
1PWRON pin pulled LOW momentarily = ON 
PWRON pin LOW for 4.0 seconds = OFF or sleep mode 
Table 40.  I2C address configuration  
I2C_SLV_ADDR[3] Hard 
Coded I2C_SLV_ADDR[2:0]  I2C Device Address (Hex) 
1 000 0x08
1 001 0x09
1 010 0x0A
1 011 0x0B
1 100 0x0C
Table 37.  Start-up sequence (continued)
OTP_SWx_SEQ[2:0]/ 
OTP_V33_SEQ[2:0]/ 
OTP_VCC_SD_SEQ[2:0] 
OTP_VLDOx_SEQ[3:0]/  Sequence 
 
 
 
 
 
 
 
 
 
 
 
 
 
 
to Section 6.3.2
 
 
FUNCTIONAL DESCRIPTION AND APPLICATION INFORMATION
34 NXP Semiconductors
PF3000
6.3.2.5 Buck regulator soft start ramp rate
The start-up ramp rate ramp rate or soft start ramp rate of buck regulators can be chosen by using the SWDVS_CLK bit during OTP. 
Table 41 shows the startup ramp rate options for the buck regulators in the PF3000. 
6.3.3 Start-up
Regulators in the PF3000 start up based on the contents of the TBBOTP registers. During cold start, contents from the OTP memory are 
loaded into the TBBOTP registers when VIN > UVDET irrespective of whether the PMIC is powered using the VIN or the VPWR path. 
Contents of the TBBOTP registers are reloaded from the fuses during a turn-on event. 
The PF3000 is available in a number of pre-programmed flavors to suit a wide variety of system configurations. Refer to Table 42 for 
programming details of the different flavors. Refer to Section  6.3.2 for a detailed explanation of the OTP block.
1 101 0x0D
1 110 0x0E
1 111 0x0F
Table 41.  DVS speed selection for SWx 
SWDVS_CLK Function
0 25 mV step each 2.0 μs
1 25 mV step each 4.0 μs
Table 40.  I2C address configuration (continued)
I2C_SLV_ADDR[3] Hard 
Coded I2C_SLV_ADDR[2:0]  I2C Device Address (Hex) 

FUNCTIONAL DESCRIPTION AND APPLICATION INFORMATION
NXP Semiconductors 35
PF3000
Table 42.  Start-up configuration   (55)
OTP registers
Default 
configuration
Non-
programmed Pre-programmed OTP configuration
All Devices A0 A1 A2 A3 A4 A5 A6 A7 A8
Default I2C Address 0x08 0x08 0x08 0x08 0x08 0x08 0x08 0x08 0x08 0x08
OTP_VSNVS_VOLT 3.0 V 1.0 V 3.0 V 3.0 V 3.0 V 3.0 V 3.0 V 3.0 V 3.0 V 3.0 V
OTP_SW1A_VOLT 1.15 V 0.7 V 1.10 V 1.10 V 1.375 V 1.375 V 1.375 V 3.3 V 3.3 V 3.3 V
OTP_SW1A_SEQ 1 OFF 1 1 2 1 1 3 3 3
OTP_SW1B_VOT 1.15 V 0.7 V 1.0 V 1.0 V 1.375 V 1.375 V 1.375 V 1.4 V 1.4 V 1.4 V
OTP_SW1B_SEQ 1 OFF 1 1 2 1 1 3 3 3
OTP_SW2_VOLT 1.8 V 1.5 V 1.8 V 1.8 V 3.3 V 3.3 V 3.15 V 3.3 V 3.3 V 3.3 V
OTP_SW2_SEQ 2 OFF 2 2 4 2 2 3 3 3
OTP_SW3_VOLT 1.2 V 0.9 V 1.35 V 1.2 V 1.35 V 1.5 V 1.2 V 1.2 V 1.35 V 1.5 V
OTP_SW3_SEQ 3 OFF 5 5 3 3 4 3 3 3
OTP_SWBST_VOLT 5.0 V 5.0 V 5.0 V 5.0 V 5.0 V 5.0 V 5.0 V 5.0 V 5.0 V 5.0 V
OTP_SWBST_SEQ OFF OFF OFF OFF OFF OFF 6 OFF OFF OFF
OTP_VLDO1_VOLT 1.8 V 1.8 V 1.8 V 1.8 V 3.3 V 1.8 V 1.8 V 3.3 V 3.3 V 3.3 V
OTP_VLDO1_SEQ 2 OFF 4 4 OFF OFF 3 3 3 3
OTP_VLDO2_VOLT 1.2 V 0.8 V 1.5 V 1.5 V 1.5 V 1.2 V 1.5 V 1.5 V 1.5 V 1.5 V
OTP_VLDO2_SEQ OFF OFF 4 4 OFF 3 OFF OFF OFF OFF
OTP_VLDO3_VOLT 1.8 V 1.8 V 3.3 V 3.3 V 2.5 V 1.8 V 3.1 V 1.8 V 1.8 V 1.8 V
OTP_VLDO3_SEQ 2 OFF 3 3 OFF OFF 2 3 3 3
OTP_VLDO4_VOLT 1.8 V 1.8 V 3.3 V 3.3 V 1.8 V 1.8 V 1.8 V 1.8 V 1.8 V 1.8 V
OTP_VLDO4_SEQ OFF OFF 3 3 4 3 3 3 3 3
OTP_V33_VOLT 3.15 V 2.85 V 3.3 V 3.3 V 3.0 V 3.3 V 2.85 V 3.3 V 3.3 V 3.3 V
OTP_V33_SEQ 2 OFF 3 3 1 2 OFF 2 2 2
OTP_VCC_SD_VOLT 3.15 V/1.80 V 2.85 V/1.80 V 3.3 V/1.85 
V
3.3 V/1.85 
V
3.3 V/1.85 
V
3.0 V/1.80 
V
3.15 V/1.80 
V
3.3 V/1.85 
V
3.3 V/1.85 
V
3.3 V/1.85 
V
OTP_VCC_SD_SEQ 3 OFF 4 4 5 3 2 3 3 3
OTP_SEQ_CLK_SPEED 500 µs 500 µs 2000 µs 2000 µs 500 µs 2000 µs 2000 µs 2000 µs 2000 µs 2000 µs
OTP_SWDVS_CLK 6.25 mV/μs 12.5 mV/µs 12.5 mV/
µs 12.5 mV/µs 6.25 mV/μs 12.5 mV/µs 12.5 mV/µs 12.5 mV/µs 12.5 mV/µs 12.5 mV/µs
OTP_PWRON_CFG Level sensitive Level sensitive Level 
sensitive
Level 
sensitive
Level 
sensitive
Level 
sensitive
Level 
sensitive
Level 
sensitive
Level 
sensitive
Level 
sensitive
OTP_SW1_CONFIG
SW1A, SW1B 
Independent 
Mode, 2.0 MHz
SW1A, SW1B 
Independent 
Mode, 1.0 MHz
SW1A, 
SW1B 
Independe
nt Mode, 
2.0 MHz
SW1A, 
SW1B 
Independe
nt Mode, 
2.0 MHz
SW1A, 
SW1B 
Independe
nt Mode, 
2.0 MHz
SW1A, 
SW1B 
Independe
nt Mode, 
2.0 MHz
SW1A, 
SW1B 
Independe
nt Mode, 
2.0 MHz
SW1A, 
SW1B 
Independe
nt Mode, 
2.0 MHz
SW1A, 
SW1B 
Independe
nt Mode, 
2.0 MHz
SW1A, 
SW1B 
Independe
nt Mode, 
2.0 MHz
OTP_SW2_FREQ 2.0 MHz 1.0 MHz 2.0 MHz 2.0 MHz 2.0 MHz 2.0 MHz 2.0 MHz 2.0 MHz 2.0 MHz 2.0 MHz
OTP_SW3_FREQ 2.0 MHz 1.0 MHz 2.0 MHz 2.0 MHz 2.0 MHz 2.0 MHz 2.0 MHz 2.0 MHz 2.0 MHz 2.0 MHz
OTP_PG_EN RESETBMCU in 
Default Mode
RESETBMCU in 
Default Mode
RESETBM
CU in 
Default 
Mode
RESETBM
CU in 
Default 
Mode
RESETBM
CU in 
Default 
Mode
RESETBM
CU in 
Default 
Mode
RESETBM
CU in 
Default 
Mode
RESETBM
CU in 
Default 
Mode
RESETBM
CU in 
Default 
Mode
RESETBM
CU in 
Default 
Mode
Notes
55. This table specifies the default output voltage of the LDOs and SWx after start-up and/or when the LDOs and SWx are enabled. 
VREFDDR_SEQ is internally fixed to be same as SW3_SEQ. VCC_SD voltage depends on the state of the SD_VSEL pin.
ed. Figure 6
 
 
 
 
 
FUNCTIONAL DESCRIPTION AND APPLICATION INFORMATION
36 NXP Semiconductors
PF3000
6.3.3.1 Start-up timing diagram
The startup timing of the regulators is programmable through OTP and seq_clk_speed. Figure 6 shows the startup timing of the regulators 
as determined by their OTP sequence. The trimmed 32 kHz clock controls all the start up timing. 
Figure 6.  Startup timing diagram
6.3.4 16 MHz and 32 kHz clocks
The PF3000 incorporates two clocks: a trimmed 16 MHz RC oscillator and an untrimmed 32 kHz RC oscillator. The 32 kHz untrimmed 
clock is only used in the following conditions: 
• VIN < UVDET 
• All regulators are in sleep mode
• All regulators are in PFM switching mode
A 32 kHz clock, derived from the 16 MHz trimmed clock, is used when accurate timing is needed under the following conditions:
• During start-up, VIN > UVDET 
• PWRON_CFG = 1, for power button debounce timing 
When the 16 MHz is active in the ON mode, the debounce times are referenced to the 32 kHz derived from the 16 MHz clock. The 
exceptions are the LOWVINI and PWRONI interrupts, which are referenced to the 32 kHz untrimmed clock. Switching frequency of the 
switching regulators is derived from the trimmed 16 MHz clock.   
The 16 MHz clock and hence the switching frequency of the regulators, can be adjusted to improve the noise integrity of the system. By 
changing the factory trim values of the 16 MHz clock, the user may add an offset as small as ±3.0% of the nominal frequency. Contact 
your NXP representative for detailed information on this feature.
UVDET
VIN
VSNVS
Regulator 
Outputs
td1
tr1
1 V
tr1 is time VSNVS takes to go from 1 
V to 3 V. Typically it is 650 μs.
td3 is delay of regulator(s) whose OTP sequence is set to 1.
With SEQ_CLK_SPEED = 0.5 ms, td3 is typically 2 ms with a 
minimum of 1 ms and maximum of 3 ms
With SEQ_CLK_SPEED = 2 ms, td3 is typically 4.5 ms with a 
minimum of 2.5 ms and maximum of 6.5 ms
3 V
td2
PWRON
td2 is user determined delay. Can be 
zero if PWRON pulled up to VSNVS
td3
Regulator 
Outputs
td4
td4 is controlled by the OTP 
sequence setting of the 
regulator(s). Refer to Table 33. 
td1 is time from VIN > UVDET to VSNVS 
starting to rise. td1 is typically 5 ms
RESETBMCU
td5
td5 is the time for RESETBMCU to go high from the 
regulator(s) with the last OTP sequence. It is typically
2 ms with a minimum of 1.8 ms and maximum of 2.2 ms.
Fxgure7
m Figure7
 
 
 
 
 
 
 
 
 
 
FUNCTIONAL DESCRIPTION AND APPLICATION INFORMATION
NXP Semiconductors 37
PF3000
6.3.5 Optional front-end input LDO regulator
6.3.5.1 LDO regulator description
This section describes the optional front-end LDO regulator provided by the PF3000 in order to facilitate the operation with supply voltages 
higher than 4.5 V and up to 5.5 V.
For non-battery operated applications, when the input supply voltage exceeds 4.5 V, the front-end LDO can be activated by populating 
the external PMOS pass FET MP1 in Figure 7 and connecting the VPWR pin to the main supply. Under this condition, the LDO control 
block self-starts with a local bandgap reference. When the VIN pin reaches UVDET rising threshold, the reference is switched to the main 
trimmed bandgap reference to maintain the required VIN accuracy. In applications using an input supply voltage of 4.5 V or lower, the 
PMOS pass FET should not be populated, VPWR pin should be grounded externally and the VIN pin should be used instead as the main 
supply input pin. The input pins of the switching regulators should always be connected to the VIN net. 
The main components of the LDO regulator are an external power P-channel MOSFET and an internal differential error amplifier. One 
input of the amplifier monitors a fraction of the output voltage at VIN determined by the resistor ratio of R1 and R2 as shown in Figure 7. 
The second input to the differential amplifier is from a stable bandgap voltage reference. If the output voltage rises too high relative to the 
reference voltage, the gate voltage of the power FET is changed to maintain a constant output voltage. 
In order to maintain the power consumption at reasonable levels during PF3000 standby and sleep modes, the LDO circuit enters low-
power mode of operation using an embedded pass FET while the external pass FET is kept off. When the STBY_LOWPOWER_B bit in 
register LDOGCTL is set the activation of the low-power mode during IC standby mode is disabled; however the LDO low-power mode is 
always activated during the IC sleep mode. Moreover, during IC Off mode, an even simpler internal circuit is used to further reduce the 
power consumption. Refer to Modes of operation for different modes of operation of the IC.
Figure 7.  Front-end LDO block diagram
6.3.5.2 Undervoltage/short-circuit and overvoltage detection
Short-circuit to GND at VIN is detected using an under voltage monitor at VIN that would sense excessive droop on the VIN line and 
consequently turn off (disable) the external PMOS pass FET. Overvoltage at VPWR is detected if VPWR exceeds the VPWROV threshold 
(typically 6.0 V). Upon the detection of an overvoltage event an interrupt is generated and bit 2 is set in INTSTAT3 register. The INTB pin 
is pulled low if the VPWROVM mask bit is cleared. The interrupt is filtered using a 122 μs debouncing circuit. The VPWROV interrupt is 
not asserted if the overvoltage event occurs during start up. The VPWROVS bit can be read using I2C to detect an overvoltage condition. 
VP WR
VPWR
VIN
CVI N
VREF
+
_
R1
R2
LDOG
MP1
VPWR
 
(55D
 
 
 
 
VINREFDDR
f VINREFDDR
VHALF
 
 
 
VREFDDR
VREFDDR ‘—
Cm ::
10M
 
 
 
 
 
 
 
 
 
 
FUNCTIONAL DESCRIPTION AND APPLICATION INFORMATION
38 NXP Semiconductors
PF3000
6.3.5.3 External components
Table 43 lists the typical component values for the general purpose LDO regulators.
6.3.6 Internal core voltages
All regulators use the main bandgap as the reference. The main bandgap is bypassed with a capacitor at VCOREREF. VCOREDIG is a 
1.5 V regulator that powers all the digital logic in the PF3000. VCOREDIG is regulated at 1.28 V in Off and coin cell modes. The VCORE 
supply is used to bias internal analog rails and the OTP fuses. No external DC loading is allowed on VCORE, VCOREDIG, or VCOREREF. 
VCOREDIG is kept powered as long as there is a valid supply and/or valid coin cell.
6.3.7 VREFDDR voltage reference
VREFDDR is an internal PMOS half supply voltage follower capable of supplying up to 10 mA. The output voltage is at one half the input 
voltage. It is typically used as the reference voltage for DDR memories. A filtered resistor divider is utilized to create a low frequency pole. 
This divider then uses a voltage follower to drive the load.
Figure 8.  VREFDDR block diagram 
Table 43.  Input LDO external components
Component Value
Minimum output capacitor on VIN rail 100 μF (56)
MP1  Fairchild FDMA908PZ, Vishay SiA447DJ, or comparable
Notes
56. Use X5R/X7R ceramic capacitors with a voltage rating at least two times the nominal voltage. The 100 μF capacitance is the 
total capacitance on the VIN rail including the capacitance at the various regulator inputs. For example, 2 x 22 μF capacitors can 
be used along with 10 μF capacitors at all the SWx and LDOx inputs to achieve a total of 100 μF capacitance.
 
 
 
 
 
 
 
 
 
 
 
 
SWXMODE
 
 
 
 
 
 
 
 
 
 
 
 
 
 
 
 
 
 
 
 
 
 
 
 
 
 
JFUNCTIONAL DESCRIPTION AND APPLICATION INFORMATION
NXP Semiconductors 39
PF3000
6.3.7.1 VREFDDR external components
6.3.8 Buck regulators
The PF3000 integrates four independent buck regulators: SW1A, SW1B, SW2, and SW3. Regulators SW1A and SW1B regulators can 
be configured as a single regulator through OTP. Output of the buck regulators during start up is programmable through OTP. Each 
regulator has associated registers that control its output voltage during On, standby, and sleep modes. During start-up, contents of the 
OTP_SWx_VOLT register is copied onto the SWxVOLT[4:0], SWxSTBY[4:0] and SWxOFF[4:0]. After boot up, contents of the SWxVOLT, 
SWxSTBY and SWxOFF registers can be set through I2C to set the output voltage during On, standby, and sleep modes respectively. 
Figure 9.  Generic SWx block diagram
Table 44.  VREFDDR external components (57)
Capacitor  Capacitance (μF) 
VINREFDDR (58) to VHALF 0.1
VHALF to GND  0.1
VREFDDR 1.0
Notes
57. Use X5R or X7R capacitors.
58. VINREFDDR to GND, 1.0 μF minimum capacitance is provided by buck regulator output.
Table 45.  SWx regulators external components
Components Description Values
CINSWx SWx input capacitor  4.7 μF
CINSWxHF SWx decoupling input capacitor 0.1 μF
COSWx SWx output capacitor
2 x 22 μF (10 V or higher voltage 
rated capacitors) or 3 x 22 μF 
(6.3 V rated capacitors)
LSWx SWx inductor  1.5 μH
Use X5R or X7R capacitors with voltage rating at least two times the nominal voltage. 
Driver
Controller
EA
Z1
Z2
Internal
Compensation
SWxIN
SWxLX
SWxFB
ISENSE
COSWx
CINSWx
LSWx
I2C
Interface
EP
SWx
SWxMODE
SWxFAULT
VREF
DAC
VIN
CINSWxHF
Discharge

FUNCTIONAL DESCRIPTION AND APPLICATION INFORMATION
40 NXP Semiconductors
PF3000
6.3.8.1 Switching modes 
To improve system efficiency the buck regulators can operate in different switching modes. Changing between switching modes can occur 
by any of the following means: I2C programming, exiting/entering the standby mode, exiting/entering sleep mode, and load current 
variation. Available switching modes for buck regulators are presented in Table 45.
During soft-start of the buck regulators, the controller transitions through the PFM, APS, and PWM switching modes. 3.0 ms after the 
output voltage reaches regulation, the controller transitions to the selected switching mode. Depending on the particular switching mode 
selected, additional ripple may be observed on the output voltage rail as the controller transitions between switching modes. The operating 
mode of the regulator in On and standby modes is controlled using the SWxMODE[3:0] bits associated with each regulator. Table 46 
summarizes the buck regulator programmability for normal and standby modes.
Transitioning between normal and standby modes can affect a change in switching modes as well as output voltage. When in standby 
mode, the regulator outputs the voltage programmed in its standby voltage register and operates in the mode selected by the 
SWxMODE[3:0] bits. Upon exiting standby mode, the regulator returns to its normal switching mode and its output voltage programmed 
in its voltage register.
Table 46.  Switching mode description
Mode Description
OFF The regulator is switched off and the output voltage is discharged using an internal resistor 
PFM
In this mode, the regulator operates in forced PFM mode. The main error amplifier is turned 
off and a hysteretic comparator is used to regulate output voltage. Use this mode for load 
currents less than 50 mA.
PWM In this mode, the regulator operates in forced PWM mode.
APS
In this mode, the regulator operates in pulse skipping mode at light loads and switches over 
to PWM modes for heavier load conditions. This is the default mode in which the regulators 
power up during a turn-on event.
Table 47.  Regulator mode control 
SWxMODE[3:0] Normal mode Standby mode 
0000 Off Off
0001 PWM Off
0010 Reserved Reserved
0011 PFM Off
0100 APS Off
0101 PWM PWM
0110 PWM APS
0111 Reserved Reserved
1000 (default)  APS APS
1001 Reserved Reserved
1010 Reserved Reserved
1011 Reserved Reserved
1100 APS PFM
1101 PWM PFM
1110 Reserved Reserved
1111 Reserved Reserved
 
 
 
 
 
 
 
Figure 10
lmemalry
Commlled Sleps‘\
Outpu‘
Voltage
Inilial
Se! Point 3
Voltage
Change 7
Request
\ Adm-1|
 
0mm Voltage Inlemally
Controled Slaps
Requestfor Requfilfor
Higher Volage Lower Voltage
 
 
Initiated by I26 nglamming, svanaby Contra!
    
      
    
Example
Adual Output
Voltage
 
Possible
Output Vonage
VWndow
 
FUNCTIONAL DESCRIPTION AND APPLICATION INFORMATION
NXP Semiconductors 41
PF3000
Any regulators whose SWxOMODE bit is set to “1” enters sleep mode if a PWRON turn-off event occurs, and any regulator whose 
SWxOMODE bit is set to “0” is turned off. In sleep mode, the regulator outputs the voltage programmed in SWxOFF registers and operates 
in the PFM mode. The regulator exits the sleep mode when a turn-on event occurs. Any regulator whose SWxOMODE bit is set to “1” 
remains on and changes to its normal configuration settings when exiting the Sleep state to the ON state. Any regulator whose 
SWxOMODE bit is set to “0” is powered up with the same delay in the start-up sequence as when powering ON from Off. At this point, the 
regulator returns to its default ON state output voltage and switch mode settings.
When sleep mode is activated by the SWxOMODE bit, the regulator uses the set point as programmed by SW1xOFF[4:0] for  
SW1A/B and by SW2OFF[2:0] for SW2, and SW3OFF[3:0] for SW3.
6.3.8.2 Dynamic voltage scaling 
To reduce overall power consumption, processor core voltages can be varied depending on the mode or activity level of the processor.   
1. Normal operation: The output voltage is selected by I2C bits SW1x[4:0] for SW1A/B and SW2[2:0] for SW2, and SW3[3:0] for SW3. 
A voltage transition initiated by I2C is governed by the DVS stepping rates shown in Table 48. 
2. Standby mode: The output voltage can be selected by I2C bits SW1xSTBY[4:0] for SW1A/B and by bits SW2STBY[2:0] for SW2, 
and SW3STBY[3:0] for SW3. Voltage transitions initiated by a Standby event are governed by the DVS stepping rates shown in 
Table 48. 
3. Sleep mode: The output voltage can be higher or lower than in normal operation, but is typically selected to be the lowest state 
retention voltage of a given processor; it is selected by I2C bits SW1xOFF[4:0] for SW1A/B and by bits SW2OFF[2:0] for SW2, 
and SW3OFF[3:0] for SW3. Voltage transitions initiated by a turn-off event are governed by the DVS stepping rates shown in 
Table 48.
The regulators have a strong sourcing capability and sinking capability in PWM mode, therefore the fastest rising and falling slopes are 
determined by the regulator in PWM mode. However, if the regulators are programmed in PFM or APS mode during a DVS transition, the 
falling slope can be influenced by the load. Additionally, as the current capability in PFM mode is reduced, controlled DVS transitions in 
PFM mode could be affected. Critically timed DVS transitions are best assured with PWM mode operation. 
Figure 10 shows the general behavior for the regulators when initiated with I2C programming, or standby control. During the DVS period 
the overcurrent condition on the regulator should be masked.
Figure 10.  Voltage stepping with DVS
Note: In SW1A independent and SW1AB single phase modes, DVS to and from the 1.8 V and 3.3 V output voltage settings is not allowed. 
Table 48.  DVS speed selection for SWx 
SWxDVSSPEED Function
0 25 mV step each 2.0 μs
1 25 mV step each 4.0 μs

FUNCTIONAL DESCRIPTION AND APPLICATION INFORMATION
42 NXP Semiconductors
PF3000
6.3.8.3 Regulator phase clock
The SWxPHASE[1:0] bits select the phase of the regulator clock as shown in Table 49. By default, each regulator is initialized at 90 ° out 
of phase with respect to each other. For example, SW1x is set to 0 °, SW2 is set to 90 °, and SW3 is set to 180 ° by default at power up. 
The SWxFREQ[1:0] register is used to set the desired switching frequency for each one of the buck regulators. Table 51 shows the 
selectable options for SWxFREQ[1:0]. For each frequency, all phases are available, this allows regulators operating at different 
frequencies to have different relative switching phases. However, not all combinations are practical. For example, 2.0 MHz, 90 ° and 
4.0 MHz, 180 ° are the same in terms of phasing. Table 50 shows the optimum phasing when using more than one switching frequency.
6.3.8.4 SW1A/B 
SW1A/B are 1 to 2.75 A buck regulators that can be configured in various phasing schemes, depending on the desired cost/performance 
trade-offs. The following configurations are available: 
• SW1A/B single phase with one inductor 
• SW1A in independent with one inductor and SW1B in independent mode with a second inductor 
The desired configuration is programmed by OTP by using OTP_SW1_CONFIG[1:0] bits in the register map, as shown below in Table 52.
Table 49.  Regulator phase clock selection
SWxPHASE[1:0]  Phase of clock sent to 
regulator (degrees) 
00 0
01 90
10 90
11 270
Table 50.  Optimum phasing
Frequencies Optimum Phasing
1.0 MHz
2.0 MHz
0°
180°
1.0 MHz
4.0 MHz
0°
180°
2.0 MHz
4.0 MHz
0°
180°
1.0 MHz
2.0 MHz
4.0 MHz
0°
90°
90°
Table 51.  Regulator frequency configuration
SWxFREQ[1:0] Frequency
00 1.0 MHz
01 2.0 MHz (default)
10 4.0 MHz
11 Reserved
 
 
 
 
 
 
 
 
swmmoua
 
 
 
 
SW1 among
 
 
 
FUNCTIONAL DESCRIPTION AND APPLICATION INFORMATION
NXP Semiconductors 43
PF3000
6.3.8.5 SW1A/B single phase
In this configuration, the phases SW1ALX, and SW1BLX, are connected together to a single inductor, thus, providing up to 2.75 A current 
capability for high current applications. The feedback and all other controls are accomplished by use of pin SW1AFB and SW1A control 
registers, respectively. However, the same configuration settings for frequency, phase, and DVS speed setting on SW1B registers should 
be used. The SW1BFB pin should be left floating in this configuration.
Figure 11.  SW1A/B single phase diagram
6.3.8.6 SW1A - SW1B
Independent mode In this configuration, SW1A is connected as an independent output with a single inductor, while SW1B is used as 
another independent output, using another inductor and configuration parameters. They can be operated with a different voltage set point 
for normal, standby, and sleep modes, as well as switching mode selection and on/off control.
6.3.8.7 SW1A/B setup and control registers
SW1A and SW1AB output voltages are programmable from 0.700 V to 1.425 V in steps of 25 mV. They can additionally be programmed 
at 1.8 V or 3.3 V. SW1B output voltage is programmable from 0.700 V to 1.475 V in steps of 25 mV. The output voltage set point is 
independently programmed for normal, standby, and sleep mode by setting the SW1x[4:0], SW1xSTBY[4:0], and SW1xOFF[4:0] bits 
respectively. Table 53 shows the output voltage coding for SW1A, SW1B or SW1A/B. Values shown in Table 53 are also to be used during 
OTP programming by setting the OTP_SW1A_VOLT and OTP_SW1B_VOLT registers appropriately.
Table 52.  SW1 configuration
OTP_SW1_CONFIG[1:0] Description 
00 Unused
01 A/B Single Phase
10 Unused
11 A Independent mode 
B Independent mode
Driver
Controller
EA
Z1
Z2
Internal
Compensation
SW1AIN
SW1ALX
SW1AFB
ISENSE
COSW1A
CINSW1A
LSW1A
I2C
Interface
EP
SW1A/B
SW1AMODE
SW1AFAULT
VREF
DAC
VIN
CINSW1AHF
Discharge
Driver
Controller
SW1BIN
SW1BLX
SW1BFB
(Floating)
ISENSE
CINSW1B
EP
SW1BMODE
SW1BFAULT
VIN
CINSW1BHF

FUNCTIONAL DESCRIPTION AND APPLICATION INFORMATION
44 NXP Semiconductors
PF3000
Table 54 provides a list of registers used to configure and operate SW1A/B regulator(s).
6.3.8.8 SW2 setup and control registers
SW2 is a single phase, 1.25 A rated buck regulator.   SW2 output voltage is programmable from 1.500 V to 1.850 V in 50 mV steps if the 
OTP_SW2_HI bit is low or from 2.500 V to 3.300 V in 150 mV steps if the bit OTP_SW2_HI is set high. During normal operation, output 
voltage of the SW2 regulator can be changed through I2C only within the range set by the OTP_SW2_HI bit. The output voltage set point 
is independently programmed for normal, standby, and sleep mode by setting the SW2[2:0], SW2STBY[2:0] and SW2OFF[2:0] bits, 
respectively. Table 55 shows the output voltage coding valid for SW2.
Table 53.  SW1A/B output voltage configuration  
Set point
SW1x[4:0]
SW1xSTBY[4:0]
SW1xOFF[4:0]
SW1x output (V) Set point
SW1x[4:0]
SW1xSTBY[4:0]
SW1xOFF[4:0]
SW1x output (V)
0 00000 0.700 16 10000 1.100
1 00001 0.725 17 10001 1.125
2 00010 0.750 18 10010 1.150
3 00011 0.775 19 10011 1.175
4 00100 0.800 20 10100 1.200
5 00101 0.825 21 10101 1.225
6 00110 0.850 22 10110 1.250
7 00111 0.875 23 10111 1.275
8 01000 0.900 24 11000 1.300
9 01001 0.925 25 11001 1.325
10 01010 0.950 26 11010 1.350
11 01011 0.975 27 11011 1.375
12 01100 1.000 28 11100 1.400
13 01101 1.025 29 11101 1.425
14 01110 1.050 30 11110 1.450 (SW1B), 1.8 
(SW1A/SW1AB)
15 01111 1.075 31 11111 1.475 (SW1B), 3.3 
(SW1A/SW1AB)
Table 54.  SW1A/B register summary  
Register  Address Output
SW1AVOLT 0x20 SW1A output voltage set point in normal operation
SW1ASTBY 0x21 SW1A output voltage set point on standby
SW1AOFF 0x22 SW1A output voltage set point on sleep
SW1AMODE 0x23 SW1A switching mode selector register
SW1ACONF 0x24 SW1A DVS, phase, and frequency configuration
SW1BVOLT 0x2E SW1B output voltage set point in normal operation
SW1BSTBY 0x2F SW1B output voltage set point in standby
SW1BOFF 0x30 SW1B output voltage set point in sleep
SW1BMODE 0x31 SW1B switching mode selector register
SW1BCONF 0x32 SW1B DVS, phase, and frequency configuration

FUNCTIONAL DESCRIPTION AND APPLICATION INFORMATION
NXP Semiconductors 45
PF3000
Setup and control of SW2 is done through the I2C registers listed in Table 56.
6.3.8.9 SW3 setup and control registers
SW3 output voltage is programmable from 0.90 V to 1.65 V in 50 mV steps to support different types of DDR memory as listed in Table 57. 
Table 58 provides a list of registers used to configure and operate SW3. 
Table 55.  SW2 output voltage configuration 
Low output voltage range 
(OTP_SW2_HI= 0)
High output voltage range 
(OTP_SW2_HI=1)
SW2[2:0]
SW2STBY[2:0]
SW2OFF[2:0]
SW2 output
SW2[2:0]
SW2STBY[2:0]
SW2OFF[2:0]
SW2 output
000 1.500 000 2.500
001 1.550 001 2.800
010 1.600 010 2.850
011 1.650 011 3.000
100 1.700 100 3.100
101 1.750 101 3.150
110 1.800 110 3.200
111 1.850 111 3.300
Table 56.  SW2 register summary
Register  Address Description
SW2VOLT 0x35 Output voltage set point on normal operation
SW2STBY 0x36 Output voltage set point on Standby
SW2OFF 0x37 Output voltage set point on Sleep
SW2MODE 0x38 Switching mode selector register
SW2CONF 0x39 DVS, phase, frequency, and ILIM configuration
Table 57.  SW3 output voltage configuration
SW3[3:0] SW3 Output (V) SW3[3:0] SW3 Output (V)
0000 0.90 1000 1.30
0001 0.95 1001 1.35
0010 1.00 1010 1.40
0011 1.05 1011 1.45
0100 1.10 1100 1.50 
0101 1.15 1101 1.55 
0110 1.20 1110 1.60
0111 1.25 1111 1.65
 
 
 
 
 
 
 
 
 
 
 
ip. Figure 12
 
 
 
 
 
 
 
 
 
 
 
 
 
SWBSTMODE
 
 
 
 
 
 
 
 
 
 
 
 
 
 
 
 
 
 
 
 
FUNCTIONAL DESCRIPTION AND APPLICATION INFORMATION
46 NXP Semiconductors
PF3000
6.3.9 Boost regulator
SWBST is a boost regulator with a programmable output from 5.0 V to 5.15 V. SWBST can supply the VUSB regulator for the USB PHY 
in OTG mode, as well as the VBUS voltage. Note that the parasitic leakage path for a boost regulator causes the SWBSTOUT and 
SWBSTFB voltage to be a Schottky drop below the input voltage whenever SWBST is disabled. A load switch is recommended on the 
output path to isolate the output for applications where this is not desired. The switching NMOS transistor is integrated on-chip. Figure 12 
shows the block diagram and component connection for the boost regulator.
Figure 12.  Boost regulator architecture 
Table 58.  SW3 register summary
Register  Address Output
SW3VOLT 0x3C SW3 output voltage set point on normal operation
SW3STBY 0x3D SW3 output voltage set point on Standby
SW3OFF 0x3E SW3 output voltage set point on Sleep
SW3MODE 0x3F SW3 switching mode selector register
SW3CONF 0x40 SW3 DVS, phase, frequency and ILIM configuration
SWBSTLX
VOBST
Driver
Controller
EA
Z1
Z2
Internal
Compensation
I2C
Interface
SWBSTMODE
VREFUV
VREF
EP
VIN
LBST
CINBST
DBST
SWBSTFB
RSENSE
SC
VREFSC
SWBSTFAULT
OC
UV
COSWBST
SWBSTIN

FUNCTIONAL DESCRIPTION AND APPLICATION INFORMATION
NXP Semiconductors 47
PF3000
6.3.9.1 SWBST setup and control
Boost regulator control is done through a single register SWBSTCTL described in Table 59. SWBST is included in the power-up sequence 
if its OTP power-up timing bits, OTP_SWBST_SEQ[2:0], are not all zeros.
6.3.9.2 SWBST external components
Table 59.  Register SWBSTCTL - ADDR 0x66
Name Bit # R/W Default Description
SWBST1VOLT 1:0 R/W 0b00
Set the output voltage for SWBST
00 = 5.000 V
01 = 5.050 V
10 = 5.100 V
11 = 5.150 V
SWBST1MODE 3:2 R 0b10
Set the switching mode on normal operation
00 = OFF
01 = PFM
10 = Auto (Default) (59)
11 = APS
Unused 4 – 0b0 Unused 
SWBST1STBYMODE 6:5 R/W 0b10
Set the switching mode on standby
00 = OFF
01 = PFM
10 = Auto (Default) (59) 
11 = APS
Unused 7 – 0b0 Unused 
Notes
59. In auto mode, the controller automatically switches between PFM and APS modes depending on the load current. 
Regulator switches in auto mode if enabled in the startup sequence. 
Table 60.  SWBST external component requirements
Components Description Values
CINBST (60) SWBST input capacitor  10 μF
CINBSTHF (60) SWBST decoupling input capacitor 0.1 μF
COSWBST (60) SWBST output capacitor 2 x 22 μF
LSBST SWBST inductor  2.2 μH
DBST SWBST boost diode 1.0 A, 20 V Schottky
Notes
60. Use X5R or X7R capacitors.
 
 
 
 
 
 
VL DOEN
 
 
 
 
 
 
 
 
 
 
 
 
 
FUNCTIONAL DESCRIPTION AND APPLICATION INFORMATION
48 NXP Semiconductors
PF3000
6.3.10 LDO Regulators Description
This section describes the LDO regulators provided by the PF3000. All regulators use the main bandgap as reference. When a regulator 
is disabled, the output is discharged by an internal pull-down resistor.
Figure 13.  General LDO block diagram
6.3.10.1 External components
Table 61 lists the typical component values for the general purpose LDO regulators.
6.3.10.2 Current limit protection
All the LDO regulators in the PF3000 have current limit protection. In the event of an overload condition, the regulators transitions from a 
voltage regulator to a current regulator that regulates output current per the current limit threshold. 
Additionally, if the REGSCPEN bit in Table 124 is set, the LDO is turned off if the current limit event lasts for more than 8.0 ms. The LDO 
is disabled by resetting its VLDOxEN bit, while at the same time, an interrupt VLDOxFAULTI is generated to flag the fault to the system 
processor. The VLDOxFAULTI interrupt is maskable through the VLDOxFAULTM mask bit. By default, the REGSCPEN is not set; 
therefore, at start-up none of the regulators is disabled if an overloaded condition occurs. A fault interrupt, VLDOxFAULTI, is generated in 
an overload condition regardless of the state of the REGSCPEN bit. 
Table 61.  LDO External Components
Regulator Output capacitor (μF)(61) 
VLDO1 2.2
VLDO2 4.7
VLDO3 2.2
VLDO4 4.7
V33 4.7
VCC_SD 2.2
Notes
61. Use X5R/X7R ceramic capacitors.
VLDOx
VI Nx
VI Nx
VLDOx
CLDOx
VL D O xE N
VL DOxLP WR
VREF
VLDOx
I2
C
Interface
Di sc har g e
+
_

FUNCTIONAL DESCRIPTION AND APPLICATION INFORMATION
NXP Semiconductors 49
PF3000
6.3.10.3 LDO voltage control 
Each LDO is fully controlled through its respective VLDOxCTL register. This register enables the user to set the LDO output voltage 
according toTable 62 for VLDO1 and VLDO2; and uses the voltage set point on Table 63 for VLDO3 and VLDO4. Table 64 lists the voltage 
set points for the V33 LDO and Table 65 provides the output voltage set points for the VCC_SD LDO based on SD_VSEL control signal. 
During power-up, contents of the OTP_VLDO_VOLT register is copied to the VLDOxCTL registers.
Table 62.  VLDO1, VLDO2 output voltage configuration  
VLDO1[3:0]
VLDO2[3:0] VLDO1 Output (V) VLDO2 Output (V)
0000 1.80 0.80
0001 1.90 0.85
0010 2.00 0.90
0011 2.10 0.95
0100 2.20 1.00
0101 2.30 1.05
0110 2.40 1.10
0111 2.50 1.15
1000 2.60 1.20
1001 2.70 1.25
1010 2.80 1.30
1011 2.90 1.35
1100 3.00 1.40
1101 3.10 1.45
1110 3.20 1.50
1111 3.30 1.55
Table 63.  VLDO3, VLDO4 output voltage configuration
VLDO3[3:0]
VLDO4[3:0] VLDO3 or VLDO4 output (V)
0000 1.80
0001 1.90
0010 2.00
0011 2.10
0100 2.20
0101 2.30
0110 2.40
0111 2.50
1000 2.60
1001 2.70
1010 2.80
1011 2.90
1100 3.00
1101 3.10
1110 3.20
1111 3.30

FUNCTIONAL DESCRIPTION AND APPLICATION INFORMATION
50 NXP Semiconductors
PF3000
Along with the output voltage configuration, the LDOs can be enabled or disabled at anytime during normal mode operation, as well as 
programmed to stay “ON” or be disabled when the PMIC enters standby mode. Each regulator has associated I2C bits for this. Table 66 
presents a summary of all valid combinations of the control bits on VLDOxCTL register and the expected behavior of the LDO output.
Notes
62. STANDBY refers to a standby event as described earlier.
6.3.11 VSNVS LDO/switch
VSNVS powers the low-power, SNVS/RTC domain on the processor. It derives its power from either VIN, or coin cell, and cannot be 
disabled. When powered by both, VIN takes precedence when above the appropriate comparator threshold. When powered by VIN, 
VSNVS is an LDO capable of supplying 3.0 V. When powered by coin cell, the VSNVS output tracks the coin cell voltage by means of a 
switch, whose maximum resistance is 100 Ω. In this case, the VSNVS voltage is simply the coin cell voltage minus the voltage drop across 
the switch, which is 100 mV at a rated maximum load current of 1000 μA.
When the coin cell is applied for the very first time, VSNVS outputs 1.0 V. Only when VIN is applied thereafter does VSNVS transition to its 
default value. Upon subsequent removal of VIN, with the coin cell attached, VSNVS changes configuration from an LDO to a switch, 
provided certain conditions are met as described in Table 67.
Table 64.  V33 output voltage configuration
V33[1:0] V33 Output (V)
00 2.85
01 3.00
10 3.15
11 3.30
Table 65.  VCC_SD output voltage configuration
VCC_SD[1:0] VCC_SD output (V)
VSD_VSEL= 0
VCC_SD output (V)
VSD_VSEL= 1
00 2.85 1.80
01 3.00 1.80
10 3.15 1.80
11 3.30 1.85
Table 66.  LDO control
VLDOxEN/
V33EN/
VCC_SDEN
VLDOxLPWR/
V33LPWR/
VCC_SDLPWR
VLDOxSTBY/
V33STBY/
VCC_SDSTBY
STANDBY (62) VLDOxOUT
0X XXOff
10 0XOn
1 1 0 X Low Power
1X 10On
10 11Off
1 1 1 1 Low Power
 
 
 
 
 
 
 
 
 
 
 
 
 
 
 
 
 
 
 
 
 
 
 
 
 
 
 
 
 
 
 
 
 
 
 
 
 
 
 
 
 
 
 
 
 
 
 
 
 
FUNCTIONAL DESCRIPTION AND APPLICATION INFORMATION
NXP Semiconductors 51
PF3000
Figure 14.  VSNVS supply switch architecture
Table 67 provides a summary of the VSNVS operation at different input voltage VIN and with or without coin cell connected to the system.
6.3.11.1 VSNVS control
The VSNVS output level is configured through the VSNVSVOLT[2:0] bits on VSNVSCTL register as shown in table Table 68.
6.3.11.2 VSNVS external components
Table 67.  SNVS modes of operation
VSNVSVOLT[2:0] VIN MODE
110 > VTH1 VIN LDO 3.0 V
110 < VTL1 Coin cell switch
Table 68.  Register VSNVSCTL - ADDR 0x6B
Name Bit # R/W Default Description
VSNVSVOLT 2:0 R/W 0b000
Configures VSNVS output voltage.(63)
000 = RSVD
001 = RSVD
010 = RSVD
011 = RSVD
100 = RSVD
101 = RSVD
110 = 3.0 V (default)
111 = RSVD
Unused 7:3 – 0b00000 Unused
Notes
63. Only valid when a valid input voltage is present.
Table 69.  VSNVS external components
Capacitor Value (μF)
VSNVS 0.47
LDO\
PF3000
VSNVS
Coin Cell
1.8 - 3.3 V
VIN
2.25  V  (VTL0) -
4.5 V
LICELL
Charger
LD O /SWITC H
VREF
+
_
Z
In pu t
Se nse /
Selector
I2C In terfac e
VIN
VTLI
4.5 V

FUNCTIONAL DESCRIPTION AND APPLICATION INFORMATION
52 NXP Semiconductors
PF3000
6.3.11.3 Coin cell battery backup
The LICELL pin provides for a connection of a coin cell backup battery or a “super” capacitor. If the voltage at VIN goes below the VIN 
threshold (VTL1), contact-bounced, or removed, the coin cell maintained logic is powered by the voltage applied to LICELL. The supply 
for internal logic and the VSNVS rail switches over to the LICELL pin when VIN goes below VTL1, even in the absence of a voltage at the 
LICELL pin, resulting in clearing of memory and turning off VSNVS. Applications concerned about this behavior can tie the LICELL pin to 
any system voltage between 1.8 V and 3.0 V. A 0.47 μF capacitor should be placed from LICELL to ground under all circumstances.
6.3.11.4 Coin cell charger control
The coin cell charger circuit functions as a current-limited voltage source, resulting in the CC/CV taper characteristic typically used for 
rechargeable Lithium-Ion batteries. The coin cell charger is enabled via the COINCHEN bit while the coin cell voltage is programmable 
through the VCOIN[2:0] bits on register COINCTL on Table 70. The coin cell charger voltage is programmable. In the ON state, the charger 
current is fixed at ICOINHI. In sleep and standby modes, the charger current is reduced to a typical 10 μA. In the OFF state, coin cell 
charging is not available as the main battery could be depleted unnecessarily. The coin cell charging is stopped when VIN is below UVDET. 
6.3.11.5 External components
Table 70.  Coin cell charger voltage  
VCOIN[2:0] VCOIN (V) (64)
000 2.50
001 2.70
010 2.80
011 2.90
100 3.00
101 3.10
110 3.20
111 3.30
Notes
64. Coin cell voltages selected based on the type of LICELL used on the system.
Table 71.  Register COINCTL - ADDR 0x1A
Name Bit # R/W Default Description
VCOIN 2:0 R/W 0x00 Coin cell charger output voltage selection.
See Table 70 for all options selectable through these bits.
COINCHEN 3 R/W 0x00 Enable or disable the coin cell charger
Unused 7:4 – 0x00 Unused
Table 72.  Coin cell charger external components
Component Value Units
LICELL bypass capacitor 100 nF

FUNCTIONAL DESCRIPTION AND APPLICATION INFORMATION
NXP Semiconductors 53
PF3000
6.4 Power dissipation
During operation, the temperature of the die should not exceed the operating junction temperature noted in Tab l e  4 . To optimize the 
thermal management and to avoid overheating, the PF3000 provides thermal protection. An internal comparator monitors the die 
temperature. Interrupts THERM110, THERM120, THERM125, and THERM130 is generated when the respective thresholds specified in 
Table 73 are crossed in either direction. The temperature range can be determined by reading the THERMxxxS bits in register 
INTSENSE0.
In the event of excessive power dissipation, thermal protection circuitry shuts down the PF3000. This thermal protection acts above the 
thermal protection threshold listed in Table 73. To avoid any unwanted power downs resulting from internal noise, the protection is 
debounced for 8.0 ms. This protection should be considered as a fail-safe mechanism and therefore the system should be configured 
such that this protection is not tripped under normal conditions. 
Table 73.  Thermal protection thresholds
Parameter  Min. Typ. Max. Units 
Thermal 110 °C threshold (THERM110) 100 110 120 °C
Thermal 120 °C threshold (THERM120) 110 120 130 °C
Thermal 125 °C threshold (THERM125) 115 125 135 °C
Thermal 130 °C threshold (THERM130) 120 130 140 °C
Thermal warning hysteresis  2.0 – 4.0 °C
Thermal protection threshold 130 140 150 °C
n Figure 15
I. Fig re 15
 
 
FUNCTIONAL DESCRIPTION AND APPLICATION INFORMATION
54 NXP Semiconductors
PF3000
6.5 Modes of operation
6.5.1 State diagram
The operation of the PF3000 can be reduced to five states, or modes: ON, OFF, Sleep, Standby, and Coin Cell. Figure 15 shows the state 
diagram of the PF3000, along with the conditions to enter and exit from each state.
Figure 15.  State diagram
To complement the state diagram in Figure 15, a description of the states is provided in following sections. Note that VIN must exceed the 
rising UVDET threshold to allow a power up. Refer to Table 32 for the UVDET thresholds. Additionally, I2C control is not possible in the 
coin cell mode and the interrupt signal, INTB, is only active in sleep, standby, and ON states.
6.5.1.1 ON mode
The PF3000 enters the On mode after a turn-on event. RESETBMCU is de-asserted, and pulled high via an external pull-up resistor, in 
this mode of operation. To enter the On mode, VIN voltage must surpass the rising UVDET threshold and PWRON must be asserted. From 
the On mode, when the voltage at VIN drops below the undervoltage falling threshold, UVDET, the state machine transitions to the coin 
cell mode.
PWRON=1
& VIN > UVDET
 (PWRON_CFG =0)
Or
PWRON= 0 < 4sec
& VIN > UVDET
(PWRON_CFG=1)
ON
PWRON = 0
Any SWxOMODE bits=1
(PWRON_CFG=0)
Or
PWRON=0 held >= 4sec
Any SWxOMODE bits=1
& PWRONRSTEN = 1
(PWRON_CFG=1)
PWRON=1
& VIN > UVDET
 (PWRON_CFG =0)
Or
PWRON= 0 < 4sec
& VIN > UVDET 
(PWRON_CFG=1)
PWRON = 0
All SWxOMODE bits= 0
(PWRON_CFG = 0)
Or     
PWRON = 0  held >=4 sec
All SWxOMODE bits= 0
& PWRONRSTEN = 1
(PWRON_CFG = 1)
OFF
Sleep/LPSR
(LPSR if
 VLDO1OMODE & 
VLDO3OMODE =1)
Coin Cell 
VIN < UVDET VIN  > UVDET
Thermal shudown
Standby
(Suspend)
STANDBY asserted
VIN < UVDET 
Thermal shudown
Thermal shudown
STANDBY de-asserted
PWRON = 0
Any SWxOMODE bits=1
(PWRON_CFG=0)
Or
PWRON=0 held >= 4sec
Any SWxOMODE bits=1
& PWRONRSTEN = 1
(PWRON_CFG=1)
PWRON = 0
All SWxOMODE bits= 0
(PWRON_CFG = 0)
Or     
PWRON = 0  held >=4 sec
All SWxOMODE bits= 0
& PWRONRSTEN = 1
(PWRON_CFG = 1)
VIN < UVDET
VIN < UVDET
* VIN should be above UVDET to allow a power up and VIN must have crossed above the UVDET rising threshold without decaying below the
UVDET falling threshold.
PWRON=0 held >= 4sec
Any SWxOMODE bits=1
& PWRONRSTEN = 1
(PWRON_CFG=1)

FUNCTIONAL DESCRIPTION AND APPLICATION INFORMATION
NXP Semiconductors 55
PF3000
6.5.1.2 OFF mode
The PF3000 enters the Off mode after a turn-off event. Only VCOREDIG and VSNVS are powered in the mode of operation. To exit the 
Off mode, a valid turn-on event is required. RESETBMCU is asserted, LOW, in this mode. Turn off events can be achieved using the 
PWRON pin, thermal protection, as described below.
6.5.1.3 PWRON pin
The PWRON pin is used to power off the PF3000. The PWRON pin can be configured with OTP to power off the PMIC under the following 
two conditions:
1. PWRON_CFG bit = 0, SWxOMODE bit = 0 and PWRON pin is low.
2. PWRON_CFG bit = 1, SWxOMODE bit = 0, PWRONRSTEN = 1 and PWRON is held low for longer than 4.0 seconds. 
Alternatively, the system can be configured to restart automatically by setting the RESTARTEN bit.
6.5.1.4 Thermal protection
If the die temperature surpasses a given threshold, the thermal protection circuit powers off the PMIC to avoid damage. A turn-on event 
does not power on the PMIC while it is in thermal protection. The part remains in Off mode until the die temperature decreases below a 
given threshold. See Power dissipation section for more detailed information.
6.5.1.5 Standby mode
• Depending on STANDBY pin configuration, Standby is entered when the STANDBY pin is asserted. This is typically used for low-power 
mode of operation.
• When STANDBY is de-asserted, standby mode is exited.
A product may be designed to go into a low-power mode after periods of inactivity. The STANDBY pin is provided for board level control 
of going in and out of such deep sleep modes (DSM). When a product is in DSM, it may be able to reduce the overall platform current by 
lowering the regulator output voltage, changing the operating mode of the regulators or disabling some regulators. The configuration of 
the regulators in standby is pre-programmed through the I2C interface. Note that the STANDBY pin is programmable for Active High or 
Active Low polarity, and that decoding of a standby event takes into account the programmed input polarity as shown in Table 74. When 
the PF3000 is powered up first, regulator settings for the standby mode are mirrored from the regulator settings for the ON mode. To 
change the STANDBY pin polarity to Active Low, set the STANDBYINV bit via software first, and then change the regulator settings for 
standby mode as required. For simplicity, STANDBY is generally be referred to as active high throughout this document. 
Since STANDBY pin activity is driven asynchronously to the system, a finite time is required for the internal logic to qualify and respond 
to the pin level changes. A programmable delay is provided to hold off the system response to a standby event. This allows the processor 
and peripherals some time after a standby instruction has been received to terminate processes to facilitate seamless entering into 
standby mode.
When enabled (STBYDLY = 01, 10, or 11) per Table 75, STBYDLY delays the standby initiated response for the entire IC, until the 
STBYDLY counter expires. An allowance should be made for three additional 32 kHz cycles required to synchronize the standby event.
Table 74.  Standby pin and polarity control
STANDBY (Pin) (66) STANDBYINV (I2C bit) (67) STANDBY Control (65)
00 0
01 1
10 1
11 0
Notes
65. STANDBY = 0: System is not in standby, STANDBY = 1: system is in standby
66. The state of the STANDBY pin only has influence in On mode.
67. Bit 6 in Power Control register (ADDR - 0x1B)

FUNCTIONAL DESCRIPTION AND APPLICATION INFORMATION
56 NXP Semiconductors
PF3000
6.5.1.6 Sleep/LPSR mode
• Depending on PWRON pin configuration, sleep mode is entered when PWRON is de-asserted and SWxOMODE bit is set.
• To exit sleep mode, assert the PWRON pin.
In the sleep mode, the regulator uses the set point as programmed by SW1xOFF[3:0] for SW1A/B and by SWxOFF[2:0] for SW2 and SW3. 
The activated regulators maintains settings for this mode and voltage until the next turn-on event. Table 76 shows the control bits in sleep 
mode. During sleep mode, interrupts are active and the INTB pin reports any unmasked fault event. If LPSR is activated by requesting 
VDD_LPSR and VCC_GPIO to stay ON, LDO1 and LDO3 enables in low-power mode.
6.5.1.7 Coin cell mode
In the Coin Cell state, the coin cell is the only valid power source to the PMIC. No turn-on event is accepted in the Coin Cell state. Transition 
to the OFF state requires that VIN surpasses UVDET threshold. RESETBMCU is held low in this mode. If the coin cell is depleted, a 
complete system reset occurs. At the next application of power and the detection of a turn-on event, the system re-initializes with all I2C 
bits including, those that reset on COINPORB are restored to their default states.
Table 75.  STANDBY delay - initiated response
STBYDLY[1:0] (68) Function
00 No delay
01 One 32 kHz period (default)
10 Two 32 kHz periods
11 Three 32 kHz periods
Notes
68. Bits [5:4] in Power Control register (ADDR - 0x1B)
Table 76.  Regulator mode control
SWxOMODE Off operational mode (sleep) (69)
0Off
1PFM
Notes
69. For sleep mode, activated switching regulators, should use the Off mode 
set point as programmed by SW1xOFF[4:0] for SW1A/B and 
SW2OFF[2:0] for SW2, and SW3OFF[3:0] for SW3.

FUNCTIONAL DESCRIPTION AND APPLICATION INFORMATION
NXP Semiconductors 57
PF3000
6.5.2 State machine flow summary
Table 77 provides a summary matrix of the PF3000 flow diagram to show the conditions needed to transition from one state to another.
Table 77.  State machine flow summary
STATE
Next state
OFF Coin cell Sleep Standby ON
Initial state
OFF XV
IN < UVDET X X
PWRON_CFG = 0
PWRON = 1 & VIN > UVDET
or
PWRON_CFG = 1
PWRON = 0 < 4.0 s
& VIN > UNDET
Coin cell VIN > UVDET X X X X 
Sleep/
LPSR
Thermal shutdown
VIN < UVDET
X
X
PWRON_CFG = 0
PWRON = 1 & VIN > UVDET
or
PWRON_CFG = 1
PWRON = 0 < 4.0 s & 
VIN > UNDET
PWRON_CFG = 1
PWRON = 0 ≥ 4.0 s 
Any SWxOMODE = 1 & 
PWRONRSTEN = 1
LPSR (LDO1 & LDO3 or 
V33 Enabled) if 
VLDO1OMODE =1
& VLDO3OMODE=1 or 
V33OMODE=1
Standby
Thermal shutdown
VIN < UVDET
PWRON_CFG = 0
PWRON = 0
 Any SWxOMODE = 1
or
PWRON_CFG = 1
PWRON = 0 ≥ 4.0 s
Any SWxOMODE = 1 & 
PWRONRSTEN = 1
X Standby de-asserted
PWRON_CFG = 0
PWRON = 0 
All SWxOMODE = 0
or
PWRON_CFG = 1
PWRON = 0 ≥ 4.0 s
All SWxOMODE = 0 & 
PWRONRSTEN = 1
ON
Thermal shutdown
VIN < UVDET
PWRON_CFG = 0
PWRON = 0
Any SWxOMODE = 1
or
PWRON_CFG = 1
PWRON = 0 ≥ 4.0 s
Any SWxOMODE = 1 & 
PWRONRSTEN = 1
Standby asserted X
PWRON_CFG = 0
PWRON = 0 
All SWxOMODE = 0
or
PWRON_CFG = 1
PWRON = 0 ≥ 4.0 s
All SWxOMODE = 0 & 
PWRONRSTEN = 1
mam—.—
vm
VCOREDIGM
vcomzr——-——¥
 
Vcoxz W
2.72 v
vsnvs
mnwcuw
me 3! m mS/dMsIan
Vomg: at 2.0 V/diviswon
FM;
.mm..J , 1m- ‘
w;
01W/
;
firm a 2L) us/dwv m.
was: an m mV/dwlslun
vcc _SDA~—fi\J
115 mA
"GAD—J KL
    
 
'Hme a! 20 us/nMsxon
Vollage a! m mv/dlv‘s‘on
35.2 m
1m ~
llOAD , —
Lmfl ,
C—r—fie at 2:: us/awon
Van's: an 10 mV/dw
 
 
FUNCTIONAL DESCRIPTION AND APPLICATION INFORMATION
58 NXP Semiconductors
PF3000
6.5.3 Performance characteristics curves
(VIN = 3.6 V, SW1AOUT = 1.0 V; SW1BOUT = 1.0 V, SW2OUT = 1.8 V, SW3OUT = 1 V, SWBSTOUT = 5.0 V Switching frequency = 2.0 MHz, 
Mode = APS; LDO1OUT = 1.8 V, LDO2OUT = 1.0 V, LDO3OUT = 1.8 V, LDO4OUT = 1.8 V, V33OUT = 3.3 V, VCC_SDOUT = 3.3 V, unless 
otherwise noted)
Figure 16.  Typical startup waveforms
Figure 17.  Load transient response - LDO1, LDO3 and 
VCC_SD
Figure 18.  Load transient response - LDO2
Figure 19.  Load transient response - LDO4 and V33
swm
«mm
. . \
5......% (gm# v—
. .
 
v' zunmv
  
“Hummus/div
 
\
ILOAD ‘ %
swssr fl
m7 ...v 115.: ...
Kk
11.... .. 2n us/dlv
 
swmmnq Fleqlnncy vs Twain-m
203
 
m
 
2m
 
Vin=3,6V
 
mun-w (mm!
a
159
 
 
Vin=4.5V \
198
 
 
 
 
 
 
m
Tannemmm (TI
 
 
 
 
 
400
350
300
250
mm
c.
Quiestent current (uA)
o
o
o
 
-Su 0 50 100 150
Temperatuve (ac)
 
FUNCTIONAL DESCRIPTION AND APPLICATION INFORMATION
NXP Semiconductors 59
PF3000
Figure 20.  Load transient response - buck regulators
Figure 21.  Load transient response - SWBST
Figure 22.  Switching frequency vs. temperature
Figure 23.  Quiescent current - buck regulators in APS mode
 
 
 
 
 
u 20 40 so so we
% Rated Load 1%)
7VLD01 —\/Luoz —VLD03 7VLDDA7VCC_SD —V33
 
 
11
Is
      
 
 
 
 
5 u
E \
s u
0
mm
12
m
u n
750 a in ma ISD m. m n, ,
Yempeuwre w mu c.“ m
0 mm
mm A1;
A 0.04
E 0.03 _
E a
3» E
a? -u.12 g
S
# -u 16
70 z
u m an an as mu
% Rated Load (95)
iswu isms iswz 75w;
 
 
 
mam"... m
 
 
 
 
FUNCTIONAL DESCRIPTION AND APPLICATION INFORMATION
60 NXP Semiconductors
PF3000
Figure 24.  Quiescent current - buck regulators in PFM mode
Figure 25.  Quiescent current - LDOs
Figure 26.  Load regulation - buck regulators
Figure 27.  Load regulation - LDOs
Figure 28.  SW1A efficiency - APS and PWM modes
Figure 29.  SW1A efficiency - PFM mode
15
17
19
21
23
25
27
29
31
-60 -40 -20 0 20 40 60 80 100 120 140
Quiescent current (uA)
Temperature (
Ԩ
)
SW2, Vout = 1.5 V
SW1A, SW1B
SW3
SW2, Vout = 3.3 V
 
c1
 
 
 
 
 
one ms
nus nu
W m
‘ME
E gm
has .
g Em
5m 5
s
Eons 8““
2
mu “m“
on n02
u o
n m cm nos we M m m m 015 02 D25 n: 015 a.
mu :mmlw ma culnnl u)
m— 02
on
me
on
i 5012
3 gm
E guns
5 gm
am
am
 
0 oz
 
om one was a ‘ nu:
ma elm-HIM)
 
 
 
005 N ms 02 m as MS n4
mammal
 
 
 
FUNCTIONAL DESCRIPTION AND APPLICATION INFORMATION
NXP Semiconductors 61
PF3000
Figure 30.  Dropout voltage - VLDO1, VLDO3, VCC_SD - 
VOUT = 3.3 V
Figure 31.  Dropout voltage - VLDO1, VLDO3, 
VCC_SD - VOUT = 1.8 V
Figure 32.  Dropout voltage - VLDO4, V33 - VOUT = 3.3 V 
Figure 33.  Dropout voltage - VLDO4 - VOUT = 1.8 V
6.6 Control Interface I2C block description
The PF3000 contains an I2C interface port which allows access by a processor, or any I2C master, to the register set. Via these registers 
the resources of the IC can be controlled. The registers also provide status information about how the IC is operating.
The SCL and SDA lines should be routed away from noisy signals and planes to minimize noise pick up. To prevent reflections in the SCL 
and SDA traces from creating false pulses, the rise and fall times of the SCL and SDA signals must be greater than 20 ns. This can be 
accomplished by reducing the drive strength of the I2C master via software. It is recommended to use a drive strength of 80 Ω or higher 
to increase the edge times. Alternatively, this can be accomplished by using small capacitors from SCL and SDA to ground. For example, 
use 5.1 pF capacitors from SCL and SDA to ground for bus pull-up resistors of 4.8 kΩ.
6.6.1 I2C device ID
I2C interface protocol requires a device ID for addressing the target IC on a multi-device bus. The I2C address is set to 0x08.
hIID://www.nxp.com/acrobai download/liieraiure/9398/39340011.Ddf
 
 
Figure 35
F 7 7 ‘i l' 7 7P ‘I
i i ___ ,
smii X>C_)FUNCTIONAL DESCRIPTION AND APPLICATION INFORMATION
62 NXP Semiconductors
PF3000
6.6.2 I2C operation
The I2C mode of the interface is implemented generally following the fast mode definition which supports up to 400 kbits/s operation 
(exceptions to the standard are noted to be 7-bit only addressing and no support for general call addressing.)
The I²C interface is configured as “Slave”.
Timing diagrams, electrical specifications, and further details can be found in the I2C specification, which is available for download at:
http://www.nxp.com/acrobat_download/literature/9398/39340011.pdf
I2C read operations are also performed in byte increments separated by an ACK. Read operations also begin with the MSB and each byte 
is sent out unless a STOP command or NACK is received prior to completion.
PF3000 only supports single-byte I2C transactions for read and write. The host initiates and terminates all communication. The host sends 
a master command packet after driving the start condition. The device responds to the host if the master command packet contains the 
corresponding slave address. In the following examples, the device is shown always responding with an ACK to transmissions from the 
host. If at any time a NACK is received, the host should terminate the current transaction and retry the transaction. 
PF3000 uses the “repeated start” operation for reads as shown in Figure 35
.
Figure 34.  Data transfer on the I2C bus
Figure 35.  Read operation
 
 
(7n)
 
 
 
 
 
 
 
 
 
 
 
 
 
 
 
 
 
 
 
 
 
 
FUNCTIONAL DESCRIPTION AND APPLICATION INFORMATION
NXP Semiconductors 63
PF3000
6.6.3 Interrupt handling
The system is informed about important events based on interrupts. Unmasked interrupt events are signaled to the processor by driving 
the INTB pin low. Each interrupt is latched so that even if the interrupt source becomes inactive, the interrupt remains set until cleared. 
Each interrupt can be cleared by writing a “1” to the appropriate bit in the Interrupt Status register; this causes the INTB pin to go high. If 
there are multiple interrupt bits set the INTB pin remains low until all are either masked or cleared. If a new interrupt occurs while the 
processor clears an existing interrupt bit, the INTB pin remains low.
Each interrupt can be masked by setting the corresponding mask bit to a 1. As a result, when a masked interrupt bit goes high, the INTB 
pin does not go low. A masked interrupt can still be read from the Interrupt Status register. This gives the processor the option of polling 
for status from the IC. The IC powers up with all interrupts masked, so the processor must initially poll the device to determine if any 
interrupts are active. Alternatively, the processor can unmask the interrupt bits of interest. If a masked interrupt bit was already high, the 
INTB pin goes low after unmasking. 
The sense registers contain status and input sense bits so the system processor can poll the current state of interrupt sources. They are 
read only, and not latched or clearable. Interrupts generated by external events are debounced; therefore, the event needs to be stable 
throughout the debounce period before an interrupt is generated. Nominal debounce periods for each event are documented in the INT 
summary Table 78. Due to the asynchronous nature of the debounce timer, the effective debounce time can vary slightly.
6.6.4 Interrupt bit summary
Table 78 summarizes all interrupt, mask, and sense bits associated with INTB control. For more detailed behavioral descriptions, refer to 
the related chapters.
Table 78.  Interrupt, mask, and sense bits  
Interrupt Mask Sense Purpose Trigger Debounce time (ms)
LOWVINI LOWVINM LOWVINS Low input voltage detect
Sense is 1 if below 2.70 V threshold H to L 3.9 (70)
PWRONI PWRONM PWRONS
Power on button event H to L 31.25 (70)
Sense is 1 if PWRON is high.  L to H 31.25
THERM110 THERM110M THERM110S Thermal 110 °C threshold
Sense is 1 if above threshold Dual 3.9
THERM120 THERM120M THERM120S Thermal 120 °C threshold
Sense is 1 if above threshold Dual 3.9
THERM125 THERM125M THERM125S Thermal 125 °C threshold
Sense is 1 if above threshold Dual 3.9
THERM130 THERM130M THERM130S Thermal 130 °C threshold
Sense is 1 if above threshold Dual 3.9
SW1AFAULTI SW1AFAULTM SW1AFAULTS Regulator 1A overcurrent limit
Sense is 1 if above current limit L to H 8.0
SW1BFAULTI SW1BFAULTM SW1BFAULTS Regulator 1C overcurrent limit
Sense is 1 if above current limit L to H 8.0
SW2FAULTI SW2FAULTM SW2FAULTS Regulator 2 overcurrent limit
Sense is 1 if above current limit  L to H 8.0
SW3FAULTI SW3FAULTM SW3FAULTS Regulator 3 overcurrent limit
Sense is 1 if above current limit  L to H 8.0
SWBSTFAULTI SWBSTFAULTM SWBSTFAULTS SWBST overcurrent limit
Sense is 1 if above current limit  L to H 8.0
VLDO1FAULTI VLDO1FAULTM VLDO1FAULTS VLDO1 overcurrent limit
Sense is 1 if above current limit  L to H 8.0
VLDO2FAULTI VLDO2FAULTM VLDO2FAULTS VLDO2 overcurrent limit
Sense is 1 if above current limit  L to H 8.0
VCC_SDFAULTI VCC_SDFAULTM VCC_SDFAULTS VCC_SD overcurrent limit
Sense is 1 if above current limit  L to H 8.0
 
 
 
 
 
 
 
 
 
 
 
 
 
 
 
FUNCTIONAL DESCRIPTION AND APPLICATION INFORMATION
64 NXP Semiconductors
PF3000
A full description of all interrupt, mask, and sense registers is provided in Table 79 to Table 90.
V33FAULTI V33FAULTM V33FAULTS V33 overcurrent limit
Sense is 1 if above current limit  L to H 8.0
VLDO3FAULTI VLDO3FAULTM VLDO1FAULTS VLDO3 overcurrent limit
Sense is 1 if above current limit  L to H 8.0
VLDO4FAULTI VLDO4FAULTM VLDO4FAULTS VLDO4 overcurrent limit
Sense is 1 if above current limit  L to H 8.0
OTP_ECCI OTP_ECCM OTP_ECCS 1 or 2 bit error detected in OTP registers
Sense is 1 if error detected L to H -
OTP_AUTO_BLOW OTP_AUTO_BLOWM OTP_AUTO_BLOWS Interrupt to indicate completion of fuse 
auto blow L to H -
VPWROVI VPWROVM VPWROVS VPWR pin overvoltage interrupt L to H 0.122
Notes
70. Debounce timing for the falling edge can be extended with PWRONDBNC[1:0].
Table 79.  Register INTSTAT0 - ADDR 0x05
Name Bit # R/W Default Description
PWRONI 0 R/W1C 0 Power on interrupt bit
LOWVINI 1 R/W1C 0 Low-voltage interrupt bit
THERM110I 2 R/W1C 0 110 °C Thermal interrupt bit
THERM120I 3 R/W1C 0 120 °C Thermal interrupt bit
THERM125I 4 R/W1C 0 125 °C Thermal interrupt bit
THERM130I 5 R/W1C 0 130 °C Thermal interrupt bit
Unused 7:6 – 0b00 Unused
Table 80.  Register INTMASK0 - ADDR 0x06
Name Bit # R/W Default Description
PWRONM 0 R/W1C 1 Power on interrupt mask bit
LOWVINM 1 R/W1C 1 Low-voltage interrupt mask bit
THERM110M 2 R/W1C 1 110 °C thermal interrupt mask bit
THERM120M 3 R/W1C 1 120 °C thermal interrupt mask bit
THERM125M 4 R/W1C 1 125 °C thermal interrupt mask bit
THERM130M 5 R/W1C 1 130 °C thermal interrupt mask bit
Unused 7:6 – 0b00 Unused
Table 78.  Interrupt, mask, and sense bits (continued)
Interrupt Mask Sense Purpose Trigger Debounce time (ms)

FUNCTIONAL DESCRIPTION AND APPLICATION INFORMATION
NXP Semiconductors 65
PF3000
Table 81.  Register INTSENSE0 - ADDR 0x07
Name Bit # R/W Default Description
PWRONS 0 R 0
Power on sense bit
0 = PWRON low
1 = PWRON high
LOWVINS 1 R 0
Low-voltage sense bit
0 = VIN > 2.7 V
1 = VIN ≤ 2.7 V
THERM110S 2 R 0
110 °C thermal sense bit
0 = Below threshold
1 = Above threshold
THERM120S 3 R 0
120 °C thermal sense bit
0 = Below threshold
1 = Above threshold
THERM125S 4 R 0
125 °C thermal sense bit
0 = Below threshold
1 = Above threshold
THERM130S 5 R 0
130 °C thermal sense bit
0 = Below threshold
1 = Above threshold
ICTESTS 6 R 0 0 = ICTEST pin is grounded
1 = ICTEST to VCOREDIG or greater 
VDDOTPS 7 R 0
Additional VDDOTP voltage sense pin
0 = VDDOTP grounded
1 = VDDOTP to VCOREDIG or greater
Table 82.  Register INTSTAT1 - ADDR 0x08
Name Bit # R/W Default Description
SW1AFAULTI 0 R/W1C 0 SW1A overcurrent interrupt bit
SW1BFAULTI 1 R/W1C 0 SW1B overcurrent interrupt bit
Unused 2 R/W1C 0 Unused
SW2FAULTI 3 R/W1C 0 SW2 Overcurrent interrupt bit
SW3FAULTI 4 R/W1C 0 SW3 Overcurrent interrupt bit
Unused 5 R/W1C 0 Unused
Unused 6 R/W1C 0 Unused
Unused 7 – 0 Unused
Table 83.  Register INTMASK1 - ADDR 0x09
Name Bit # R/W Default Description
SW1AFAULTM 0 R/W 1 SW1A overcurrent interrupt mask bit
SW1BFAULTM 1 R/W 1 SW1B overcurrent interrupt mask bit
Unused 2 R/W 1 Unused
SW2FAULTM 3 R/W 1 SW2 overcurrent interrupt mask bit
SW3FAULTM 4 R/W 1 SW3 overcurrent interrupt mask bit
Unused 5 R/W 1 Unused
Unused 6 R/W 1 Unused
Unused 7 – 0 Unused

FUNCTIONAL DESCRIPTION AND APPLICATION INFORMATION
66 NXP Semiconductors
PF3000
Table 84.  Register INTSENSE1 - ADDR 0x0A
Name Bit # R/W Default Description
SW1AFAULTS 0 R 0
SW1A overcurrent sense bit
0 = Normal operation
1 = Above current limit
Unused 1 R 0 Unused
SW1BFAULTS 2 R 0
SW1B overcurrent sense bit
0 = Normal operation
1 = Above current limit
SW2FAULTS 3 R 0
SW2 overcurrent sense bit
0 = Normal operation
1 = Above current limit
SW3FAULTS 4 R 0
SW3 overcurrent sense bit
0 = Normal operation
1 = Above current limit
Unused 5 R 0 Unused
Unused 6 R 0 Unused
Unused 7 – 0 Unused
Table 85.  Register INTSTAT3 - ADDR 0x0E
Name Bit # R/W Default Description
SWBSTFAULTI 0 R/W1C 0 SWBST overcurrent limit interrupt bit
Unused 1 – 0b0 Unused
VPWROVI 2 R/W1C 0b0
High when overvoltage event is detected in the 
front-end LDO circuit. This bit defaults to 0b1 
when VPWR is grounded and the VIN path is 
used to power the PF3000. 
Unused 5:3 – 0b0 Unused
OTP AUTO BLOW 6 R/W1C 0b0 High after auto fuse blow sequence is completed
OTP_ECCI 7 R/W1C 0 OTP error interrupt bit
Table 86.  Register INTMASK3 - ADDR 0x0F
Name Bit # R/W Default Description
SWBSTFAULTM 0 R/W 1 SWBST overcurrent limit interrupt mask bit
Unused 1 – 0 Unused
VPWROVM 2 R/W 1 VPWR overvoltage interrupt mask bit
Unused 5:3 – 0b000 Unused
OTP_AUTO_BLOW_
DONE_M 6 R/W 1 OTP auto blow mask bit
OTP_ECCM 7 R/W 1 OTP error interrupt mask bit

FUNCTIONAL DESCRIPTION AND APPLICATION INFORMATION
NXP Semiconductors 67
PF3000
Table 87.  Register INTSENSE3 - ADDR 0x10
Name Bit # R/W Default Description
SWBSTFAULTS 0 R 0
SWBST overcurrent limit sense bit
0 = Normal operation
1 = Above current limit
Unused 1 – 0b0 Unused
VPWROVS 2 R 0 VPWR overvoltage interrupt sense bit
Unused 5:3 – 0b000 Unused
OTP_AUTO_BLOW_
DONE_S 6R0
OTP auto blow sense bit. This bit is high while 
the auto blow sequence is running. Do not read/
write the OTP TBB registers while this bit is 1.
OTP_ECCS 7 R 0
OTP error sense bit
0 = No error detected
1 = OTP error detected
Table 88.  Register INTSTAT4 - ADDR 0x11
Name Bit # R/W Default Description
VLDO1FAULTI 0 R/W1C 0 VLDO1 overcurrent interrupt bit
VLDO2FAULTI 1 R/W1C 0 VLDO2 overcurrent interrupt bit
VCC_SDFAULTI 2 R/W1C 0 VCC_SD overcurrent interrupt bit
V33FAULTI 3 R/W1C 0 V33 overcurrent interrupt bit
VLDO3FAULTI 4 R/W1C 0 VLDO3 overcurrent interrupt bit
VLDO4FAULTI 5 R/W1C 0 VLDO4 overcurrent interrupt bit
Unused 7:6 – 0b00 Unused
Table 89.  Register INTMASK4 - ADDR 0x12
Name Bit # R/W Default Description
VLDO1FAULTM 0 R/W 1 VLDO1 overcurrent interrupt mask bit
VLDO2FAULTM 1 R/W 1 VLDO2 overcurrent interrupt mask bit
VCC_SDFAULTM 2 R/W 1 VCC_SD overcurrent interrupt mask bit
V33FAULTM 3 R/W 1 V33 overcurrent interrupt mask bit
VLDO3FAULTM 4 R/W 1 VLDO3 overcurrent interrupt mask bit
VLDO4FAULTM 5 R/W 1 VLDO4 overcurrent interrupt mask bit
Unused 7:6 – 0b00 Unused
Table 90.  Register INTSENSE4 - ADDR 0x13  
Name Bit # R/W Default Description
VLDO1FAULTS 0 R 0
VLDO1 overcurrent sense bit
0 = Normal operation
1 = Above current limit
VLDO2FAULTS 1 R 0
VLDO2 overcurrent sense bit
0 = Normal operation
1 = Above current limit
VCC_SDFAULTS 2 R 0
VCC_SD overcurrent sense bit
0 = Normal operation
1 = Above current limit

FUNCTIONAL DESCRIPTION AND APPLICATION INFORMATION
68 NXP Semiconductors
PF3000
6.6.5 Specific registers
6.6.5.1 IC and version identification
The IC and other version details can be read via identification bits. These are hard-wired on the chip and described in Table 91 to Table 93.
V33FAULTS 3 R 0
V33 overcurrent sense bit
0 = Normal operation
1 = Above current limit
VLDO3FAULTS 4 R 0
VLDO3 overcurrent sense bit
0 = Normal operation
1 = Above current limit
VLDO4FAULTS 5 R 0
VLDO4 overcurrent sense bit
0 = Normal operation
1 = Above current limit
Unused 7:6 – 0b00 Unused
Table 91.  Register DEVICEID - ADDR 0x00
Name Bit # R/W Default Description
DEVICEID 3:0 R 0x0 0000 = PF3000
FAMILY 7:4 R 0x3 0011 = PF3000
Table 92.  Register SILICON REV- ADDR 0x03
Name Bit # R/W Default Description
METAL_LAYER_REV 3:0 R 0x0
Represents the metal mask revision
Pass 0.0 = 0000
…
Pass 0.15 = 1111
FULL_LAYER_REV 7:4 R 0x1
Represents the full mask revision
Pass 1.0 = 0001
…
Pass 15.0 = 1111
Table 93.  Register FABID - ADDR 0x04
Name Bit # R/W Default Description
FIN 1:0 R 0b00 Allows for characterizing different options within 
the same reticule
FAB 3:2 R 0b00 Represents the wafer manufacturing facility
Unused 7:4 R 0b0000 Unused
Table 90.  Register INTSENSE4 - ADDR 0x13 (continued)
Name Bit # R/W Default Description

FUNCTIONAL DESCRIPTION AND APPLICATION INFORMATION
NXP Semiconductors 69
PF3000
6.6.5.2 Embedded memory
There are four register banks of general purpose embedded memory to store critical data. The data written to MEMA[7:0], MEMB[7:0], 
MEMC[7:0], and MEMD[7:0] is maintained by the coin cell when the main battery is deeply discharged, removed, or contact-bounced. The 
contents of the embedded memory are reset by COINPORB. The banks can be used for any system need for bit retention with coin cell 
backup.
6.6.5.3 Register descriptions
This section describes all the PF3000 registers and their individual bits. Address order is as listed in Register map.
6.6.5.3.1 Interrupt status register 0 (INTSTAT0)
INSTAT0 is one of the four status interrupt registers. This register contains six status flags. Write a logic 1 to clear a flag.
Table 94.  Register MEMA ADDR 0x1C
Name Bit # R/W Default Description
MEMA 7:0 R/W 0x00 Memory bank A
Table 95.  Register MEMB ADDR 0x1D
Name Bit # R/W Default Description
MEMB 7:0 R/W 0x00 Memory bank B
Table 96.  Register MEMC ADDR 0x1E
Name Bit # R/W Default Description
MEMC 7:0 R/W 0x00 Memory bank C
Table 97.  Register MEMD ADDR 0x1F
Name Bit # R/W Default Description
MEMD 7:0 R/W 0x00 Memory bank D
Table 98.  Status interrupt register 0 (INTSTAT0)
Address: 0x05 functional page Access: User read/write (71)
 76543210
R
THERM130I THERM125I THERM120I THERM110I LOWVINI PWRONI
W
Default00000000
= Unimplemented or Reserved
Notes
71. Read: Anytime  
Write: Anytime

FUNCTIONAL DESCRIPTION AND APPLICATION INFORMATION
70 NXP Semiconductors
PF3000
6.6.5.3.2 Interrupt status mask register 0 (INTMASK0)
INTMASK0 is the mask register for the status interrupt register INTSTAT0. Write a logic 0 to a bit to unmask the corresponding interrupt. 
When unmasked, the corresponding interrupt state is reflected on the INTB pin.
Table 99.  INTSTAT0 field descriptions  
Field Description
5
THERM130I
130 °C Thermal interrupt bit — THERM130I is set to 1 when the THERM130 threshold specified in is crossed in either direction (bi-
directional). This flag can only be cleared by writing a 1. Writing a 0 has no effect.
0 Die temperature has not crossed THERM130 threshold.
1 Die temperature has crossed THERM130 threshold.
4
THERM125I
125 °C Thermal interrupt bit — THERM125I is set to 1 when the THERM125 threshold specified in is crossed in either direction (bi-
directional). This flag can only be cleared by writing a 1. Writing a 0 has no effect.
0 Die temperature has not crossed THERM125 threshold.
1 Die temperature has crossed THERM125 threshold.
3
THERM120I
120 °C Thermal interrupt bit — THERM120I is set to 1 when the THERM120 threshold specified in is crossed in either direction (bi-
directional). This flag can only be cleared by writing a 1. Writing a 0 has no effect.
0 Die temperature has not crossed THERM120 threshold.
1 Die temperature has crossed THERM120 threshold.
2
THERM110I
110 °C Thermal interrupt bit — THERM110I is set to 1 when the THERM110 threshold specified in 
 is crossed in either direction (bi-directional). This flag can only be cleared by writing a 1. Writing a 0 has no effect.
0 Die temperature has not crossed THERM110 threshold.
1 Die temperature has crossed THERM110 threshold.
1
LOWVINI
Low-voltage interrupt bit — LOWVINI is set to 1 when a low-voltage event occurs on VIN. This flag can only be cleared by writing a 
1. Writing a 0 has no effect.
0V
IN > 2.7 V (typical)
1V
IN < 2.7 V (typical)
0
PWRONI
Power on interrupt bit —PWRONI is set to 1 when the turn on event occurs. This flag can only be cleared by writing a 1. Writing a 0 
has no effect.
0 Power on has not occurred.
1 Power on has occurred.
Table 100.  Interrupt status mask register 0 (INTMASK0)
Address: 0x06 functional page Access: User read/write (72)
 76543210
R
THERM130M THERM125M THERM120M THERM110M LOWVINM PWRONM
W
Default 0 0 1 1 1 1 1 1
= Unimplemented or Reserved
Notes
72. Read: Anytime 
Write: Anytime
 
 
 
 
 
 
 
 
 
 
 
 
 
 
 
 
 
 
 
 
 
m) as) as) as) as) (75) (m
 
 
 
 
 
 
 
 
 
 
 
FUNCTIONAL DESCRIPTION AND APPLICATION INFORMATION
NXP Semiconductors 71
PF3000
6.6.5.3.3 Interrupt sense register 0 (INTSENSE0)
This register has seven read-only sense bits. These sense bits reflects the actual state of the corresponding function.
Table 101.  INTMASK0 field descriptions  
Field Description
5
THERM130M
130 °C Thermal interrupt mask bit 
0 THERM130I Unmasked
1 THERM130I Masked
4
THERM125M
125 °C Thermal interrupt mask bit
0 THERM125I Unmasked
1 THERM125I Masked
3
THERM120M
120 °C Thermal interrupt mask bit
0 THERM120I Unmasked
1 THERM120I Masked
2
THERM110M
110 °C Thermal interrupt mask bit
0 THERM110I Unmasked
1 THERM110I Masked
1
LOWVINM
Low-voltage interrupt mask bit
0 LOWVINI Unmasked
1 LOWVINI Masked
0
PWRONM
Power on interrupt mask bit
0PWRONI Unmasked
1 PWRONI Masked
Table 102.  Interrupt sense register 0 (INTSENSE0)
Address: 0x07 functional page Access: User read-only (73)
 76543210
R VDDOTPS THERM130S THERM125S THERM120S THERM110S LOWVINS PWRONS
W
Default X (77) 0X 
(76) X (76) X (76) X (76) X (75) X (74)
= Unimplemented or Reserved
Notes
73. Read: Anytime
74. Default value depends on the initial PWRON pin state.
75. Default value depends on the initial VIN voltage.
76. Default value depends on the initial temperature of the die.
77. Default value depends on the initial VDDOTP pin state.
Table 103.  INTSENSE0 field descriptions  
Field Description
7
VDDOTPS
VDDOTP voltage sense bit
0 VDDOTP grounded.
1 VDDOTP to VCOREDIG or greater.
5
THERM130S
130 °C thermal interrupt sense bit 
0 Die temperature below THERM130 threshold.
1 Die temperature above THERM130 threshold.
4
THERM125S
125 °C thermal interrupt sense bit
0 Die temperature below THERM125 threshold.
1 Die temperature has crossed THERM125 threshold.

FUNCTIONAL DESCRIPTION AND APPLICATION INFORMATION
72 NXP Semiconductors
PF3000
6.6.5.3.4 Interrupt status register 1 (INTSTAT1)
INSTAT1 is one of the four status interrupt registers. This register contains four status flags. Write a logic 1 to clear a flag.
3
THERM120S
120 °C thermal interrupt sense bit
0 Die temperature below THERM120 threshold.
1 Die temperature has crossed THERM120 threshold.
2
THERM110S
110 °C thermal interrupt sense bit
0 Die temperature below THERM110 threshold.
1 Die temperature has crossed THERM110 threshold.
1
LOWVINS
Low-voltage interrupt sense bit
0V
IN > 2.7 V (typical)
1V
IN < 2.7 V (typical)
0
PWRONS
Power on interrupt sense bit 
0PWRON low.
1 PWRON high.
Table 104.  Status interrupt register 1 (INTSTAT1)
Address: 0x08 functional page Access: User read/write (78)
 76543210
R
SW3FAULTI SW2FAULTI SW1BFAULTI SW1AFAULTI
W
Default 0 0 0 0 0 0 0 0
= Unimplemented or Reserved
Notes
78. Read: Anytime 
Write: Anytime
Table 105.  INTSTAT1 field descriptions
Field Description
4
SW3FAULTI
SW3 overcurrent interrupt bit — SW3FAULTI is set to 1 when the SW3 regulator is in current limit protection. This flag can only be 
cleared by writing a 1. Writing a 0 has no effect.
0 SW3 in normal operation
1 SW3 above current limit
3
SW2FAULTI
SW2 overcurrent interrupt bit — SW2FAULTI is set to 1 when the SW2 regulator is in current limit protection. This flag can only be 
cleared by writing a 1. Writing a 0 has no effect.
0 SW2 in normal operation
1 SW2 above current limit
1
SW1BFAULTI
SW1B overcurrent interrupt bit — SW1BFAULTI is set to 1 when the SW1B regulator is in current limit protection. This flag can only 
be cleared by writing a 1. Writing a 0 has no effect.
0 SW1B in normal operation
1 SW1B above current limit
0
SW1AFAULTI
SW1A overcurrent interrupt bit — SW1AFAULTI is set to 1 when the SW1A regulator is in current limit protection. This flag can only 
be cleared by writing a 1. Writing a 0 has no effect.
0 SW1A in normal operation
1 SW1A above current limit
Table 103.  INTSENSE0 field descriptions (continued)
Field Description
 
 
 
 
 
 
 
 
 
 
 
 
 
 
 
 
 
 
 
 
 
 
 
 
 
 
 
 
 
 
(an (an (an (an
 
 
 
FUNCTIONAL DESCRIPTION AND APPLICATION INFORMATION
NXP Semiconductors 73
PF3000
6.6.5.3.5 Interrupt status mask register 1 (INTMASK1)
INTMASK1 is the mask register for the status interrupt register INTSTAT1. Write a logic 0 to a bit to unmask the corresponding interrupt. 
When unmasked, the corresponding interrupt state is reflected on the INTB pin.
6.6.5.3.6 Interrupt sense register 1 (INTSENSE1)
This register has four read-only sense bits. These sense bits reflect the actual state of the corresponding function.
Table 106.  Interrupt status mask register 1 (INTMASK1)
Address: 0x09 functional page Access: User read/write (79)
 76543210
R
SW3FAULTM SW2FAULTM SW1BFAULTM SW1AFAULTM
W
Default00011011
= Unimplemented or Reserved
Notes
79. Read: Anytime 
Write: Anytime
Table 107.  INTMASK1 field descriptions
Field Description
4
SW3FAULTM
SW3 overcurrent interrupt mask bit 
0 SW3FAULTI Unmasked
1 SW3FAULTI Masked
3
SW2FAULTM
SW2 overcurrent interrupt mask bit 
0 SW2FAULTI Unmasked
1 SW2FAULTI Masked
1
SW1BFAULTM
SW1B overcurrent interrupt mask bit
0 SW1BFAULTI Unmasked
1 SW1BFAULTI Masked
0
SW1AFAULTM
SW1A overcurrent interrupt mask bit 
0 SW1AFAULTI Unmasked
1 SW1AFAULTI Masked
Table 108.  Interrupt sense register 1 (INTSENSE1)
Address: 0x0A functional page Access: User read-only (80)
 76543210
R SW3FAULTS SW2FAULTS SW1BFAULTS SW1AFAULTS
W
Default 0 0 0 X (81) X (81) 0X 
(81) X (81)
= Unimplemented or Reserved
Notes
80. Read: Anytime
81. Default value depends on the regulator initial state

FUNCTIONAL DESCRIPTION AND APPLICATION INFORMATION
74 NXP Semiconductors
PF3000
6.6.5.3.7 Interrupt status register 3 (INTSTAT3)
INSTAT3 is one of the four status interrupt registers. This register contains four status flags. Write a logic 1 to clear a flag.
Table 109.  INTSENSE1 field descriptions
Field Description
4
SW3FAULTS
SW3 overcurrent sense bit
0 SW3 in normal operation
1 SW3 above current limit
3
SW2FAULTS
SW2 overcurrent sense bit
0 SW2 in normal operation
1 SW2 above current limit
1
SW1BFAULTS
SW1B overcurrent sense bit
0 SW1B in normal operation
1 SW1B above current limit
0
SW1AFAULTS
SW1A overcurrent sense bit
0 SW1A in normal operation
1 SW1A above current limit
Table 110.  Status Interrupt Register 3 (INTSTAT3)
Address: 0x0E functional page Access: User read/write (82)
 7654321 0
R
OTP_ECCI OTP_AUTO_BL
OW_DONEI VPWROVI SWBSTFAULTI
W
Default 0 0 0 0 0 0 0 0
= Unimplemented or Reserved
Notes
82. Read: Anytime 
Write: Anytime
Table 111.  INTSTAT3 field descriptions
Field Description
7
OTP_ECCI
OTP error interrupt bit — OTP_ECCI is set to 1 when an error is detected in OTP registers. This flag can only be cleared by writing 
a 1. Writing a 0 has no effect.
0 No error detected
1 OTP error detected
6
OTP_AUTO_BL
OW_DONEI
OTP auto fuse blow interrupt bit — OTP_AUTO_BLOW_DONEI is set to 1 after the auto fuse blow sequence is completed. This 
flag can only be cleared by writing a 1. Writing a 0 has no effect.
0 OTP auto fuse blow sequence not completed
1 OTP auto fuse blow sequence completed
2
VPWROVI
VPWR overvoltage interrupt bit — High when an overvoltage event is detected in the front-end LDO circuit. This flag can only be 
cleared by writing a 1. Writing a 0 has no effect.
0 VPWR in normal operation range.
1 VPWR in overvoltage range.
0
SWBSTFAULTI
SWBST overcurrent limit interrupt bit — SWBSTFAULTI is set to 1 when the SWBST regulator is in current limit protection. This 
flag can only be cleared by writing a 1. Writing a 0 has no effect.
0 SWBST in normal operation
1 SWBST above current limit
 
 
 
 
 
 
 
 
 
 
 
 
 
 
 
 
 
 
 
 
 
 
 
 
 
 
 
 
 
 
 
(as
)
 
 
 
 
FUNCTIONAL DESCRIPTION AND APPLICATION INFORMATION
NXP Semiconductors 75
PF3000
6.6.5.3.8 Interrupt status mask register 3 (INTMASK3)
INTMASK3 is the mask register for the status interrupt register INTSTAT3. Write a logic 0 to a bit to unmask the corresponding interrupt. 
When unmasked, the corresponding interrupt state is reflected on the INTB pin.
6.6.5.3.9 Interrupt sense register 3 (INTSENSE3)
This register has four read-only sense bits. These sense bits reflect the actual state of the corresponding function.
Table 112.  Interrupt status mask register 3 (INTMASK3)
Address: 0x0F functional page Access: User read/write (83)
 7654321 0
R
OTP_ECCM OTP_AUTO_BL
OW_DONEM VPWROVM SWBSTFAULTM
W
Default1100010 1
= Unimplemented or Reserved
Notes
83. Read: Anytime 
Write: Anytime
Table 113.  INTMASK3 field descriptions
Field Description
7
OTP_ECCM
OTP error interrupt mask bit
0 OTP_ECCI Unmasked
1 OTP_ECCI Masked
6
OTP_AUTO_BLO
W_DONEM
OTP auto blow mask bit 
0 OTP_AUTO_BLOW_DONEI Unmasked
1 OTP_AUTO_BLOW_DONEI Masked
2
VPWROVM
VPWR overvoltage interrupt mask bit
0 VPWROVI Unmasked
1 VPWROVI Masked
0
SWBSTFAULTM
SWBST overcurrent limit interrupt mask bit
0 SWBSTFAULTI Unmasked
1 SWBSTFAULTI Masked
Table 114.  Interrupt sense register 3 (INTSENSE3)
Address: 0x10 functional page Access: User read-only (84)
 7654321 0
ROTP_ECCS
OTP_AUTO_B
LOW_DONES VPWROVS SWBSTFAULTS
W
Default0000000X 
(85)
= Unimplemented or Reserved
Notes
84. Read: Anytime
85. Default value depends on the regulator initial state

FUNCTIONAL DESCRIPTION AND APPLICATION INFORMATION
76 NXP Semiconductors
PF3000
6.6.5.3.10 Interrupt status register 4 (INTSTAT4)
INSTAT4 is one of the four status interrupt registers. This register contains six status flags. Write a logic 1 to clear a flag.
Table 115.  INTSENSE3 field descriptions
Field Description
7
OTP_ECCS
OTP error sense bit
0 No error detected
1 OTP error detected
6
OTP_AUTO_BLO
W_DONES
OTP auto blow sense bit — This bit is high while the auto blow sequence is running. Do not read/write the OTP TBB registers 
while this bit is 1.
0 SW2 in normal operation
1 SW2 at current limit
2
VPWROVS
VPWR overvoltage interrupt sense bit 
0 VPWR in normal operation range.
1 VPWR in overvoltage range.
0
SWBSTFAULTS
SWBST overcurrent limit sense bit
0 SWBST in normal operation
1 SWBST above current limit
Table 116.  Status interrupt register 4 (INTSTAT4)
Address: 0x11 functional page Access: User read/write (86)
 7654321 0
R
VLDO4FAULTI VLDO3FAULTI V33FAULTI VCC_SDFAULT
IVLDO2FAULTI VLDO1FAULTI
W
Default 0 0 0 0 0 0 0 0
= Unimplemented or Reserved
Notes
86. Read: Anytime 
Write: Anytime
Table 117.  INTSTAT4 field descriptions  
Field Description
5 
VLDO4FAULTI
VLDO4 overcurrent interrupt bit — VLDO4FAULTI is set to 1 when the VLDO4 regulator is in current limit protection. This flag can 
only be cleared by writing a 1. Writing a 0 has no effect.
0 VLDO4 in normal operation
1 VLDO4 above current limit
4
VLDO3FAULTI
VLDO3 overcurrent interrupt bit — VLDO3FAULTI is set to 1 when the VLDO3 regulator is in current limit protection. This flag can 
only be cleared by writing a 1. Writing a 0 has no effect.
0 VLDO3 in normal operation
1 VLDO3 above current limit
3
V33FAULTI
V33 overcurrent interrupt bit — V33FAULTI is set to 1 when the V33 regulator is in current limit protection. This flag can only be 
cleared by writing a 1. Writing a 0 has no effect.
0 V33 in normal operation
1 V33 above current limit

FUNCTIONAL DESCRIPTION AND APPLICATION INFORMATION
NXP Semiconductors 77
PF3000
6.6.5.3.11 Interrupt status mask register 4 (INTMASK4)
INTMASK4 is the mask register for the status interrupt register INTSTAT4. Write a logic 0 to a bit to unmask the corresponding interrupt. 
When unmasked, the corresponding interrupt state is reflected on the INTB pin.
2
VCC_SDFAULTI
VCC_SD overcurrent interrupt bit — VCC_SDFAULTI is set to 1 when the VCC_SD regulator is in current limit protection. This 
flag can only be cleared by writing a 1. Writing a 0 has no effect.
0 VCC_SD in normal operation
1 VCC_SD above current limit
1
VLDO2FAULTI
VLDO2 overcurrent interrupt bit — VLDO2FAULTI is set to 1 when the VLDO2 regulator is in current limit protection. This flag can 
only be cleared by writing a 1. Writing a 0 has no effect.
0 VLDO2 in normal operation range.
1 VLDO2 above current limit
0
VLDO1FAULTI
VLDO1 overcurrent interrupt bit — SWBSTFAULTI is set to 1 when the SWBST regulator is in current limit protection. This flag 
can only be cleared by writing a 1. Writing a 0 has no effect.
0 VLDO1 in normal operation range.
1 VLDO1 above current limit
Table 118.  Interrupt status mask register 4 (INTMASK4)
Address: 0x12 functional page Access: User read/write (87)
 7654321 0
RVLDO4FAULT
M
VLDO3FAULT
MV33FAULTM VCC_SDFAUL
TM
VLDO2FAULT
MVLDO1FAULTM
W
Default0011111 1
= Unimplemented or Reserved
Notes
87. Read: Anytime 
Write: Anytime
Table 119.  INTMASK4 field descriptions
Field Description
5
VLDO4FAULTM
VLDO4 overcurrent interrupt mask bit
0 VLDO4FAULTI Unmasked
1 VLDO4FAULTI Masked
4
VLDO3FAULTM
VLDO3 overcurrent interrupt mask bit
0 VLDO3FAULTI Unmasked
1 VLDO3FAULTI Masked
3
V33FAULTM
V33 overcurrent interrupt mask bit
0 V33FAULTI Unmasked
1 V33FAULTI Masked
2
VCC_SDFAULTM
VCC_SD overcurrent interrupt mask bit
0 VCC_SDFAULTI Unmasked
1 VCC_SDFAULTI Masked
1
VLDO2FAULTM
VLDO2 Overcurrent interrupt mask bit
0 VLDO2FAULTI Unmasked
1 VLDO2FAULTI Masked
0
VLDO1FAULTM
VLDO1 overcurrent interrupt mask bit
0 VLDO1FAULTI Unmasked
1 VLDO1FAULTI Masked
Table 117.  INTSTAT4 field descriptions (continued)
Field Description
 
 
 
 
 
 
 
 
 
 
may 1m (as. (may {asp (asp
 
 
 
 
 
 
 
 
 
 
 
 
 
FUNCTIONAL DESCRIPTION AND APPLICATION INFORMATION
78 NXP Semiconductors
PF3000
6.6.5.3.12 Interrupt sense register 4 (INTSENSE4)
This register has four read-only sense bits. These sense bits reflect the actual state of the corresponding function.
Address: 0x13 functional page Access: User read-only (88)
 76543210
R VLDO4FAULTS VLDO3FAULTS V33FAULTS VCC_SDFAULT
SVLDO2FAULTS VLDO1FAULTS
W
Default 0 0 X (89) X (89) X (89) X (89) X (89) X (89)
= Unimplemented or Reserved
Notes
88. Read: Anytime
89. Default value depends on the regulator initial state
Table 120.  INTSENSE4 Field Descriptions
Field Description
5
VLDO4FAULTS
VLDO4 overcurrent sense bit
0 VLDO4 in normal operation
1 VLDO4 above current limit
4
VLDO3FAULTS
VLDO3 overcurrent sense bit
0 VLDO3 in normal operation
1 VLDO3 above current limit
3
V33FAULTS
V33 overcurrent sense bit
0 V33 in normal operation
1 V33 above current limit
2
VCC_SDFAULT
S
VCC_SD overcurrent sense bit
0 VCC_SD in normal operation
1 VCC_SD above current limit
1
VLDO2FAULTS
VLDO2 overcurrent sense bit
0 VLDO2 in normal operation
1 VLDO2 above current limit
0
VLDO1FAULTS
VLDO1 overcurrent sense bit
0 VLDO1 in normal operation
1 VLDO1 above current limit

FUNCTIONAL DESCRIPTION AND APPLICATION INFORMATION
NXP Semiconductors 79
PF3000
6.6.5.3.13 Coin cell control register (COINCTL)
This register is used to control the coin cell charger.
6.6.5.3.14 Power control register (PWRCTL)
Table 121.  Coin cell control register (COINCTL)
Address: 0x1A functional page Access: User read/write (90)
 7654321 0
R
COINCHEN VCOIN
W
Default0000000 0
= Unimplemented or Reserved
Notes
90. Read: Anytime 
Write: Anytime
Table 122.  COINCTL field descriptions
Field Description
3
COINCHEN
Coin cell charger enable bit
0 Coin cell charger disabled.
1 Coin cell charger enabled.
2:0
VCOIN
Coin cell charger output voltage selection — This field is used to set the coin cell charging voltage from 2.50 V to 3.30 V. See 
Table 70 for all options selectable through these bits.
Table 123.  Power control register (PWRCTL)
Address: 0x1B functional page Access: User read/write (91)
 76543210
R
REGSCPEN STANDBYINV STBYDLY PWRONBDBNC PWRONRSTE
NRESTARTEN
W
Default00010000
= Unimplemented or Reserved
Notes
91. Read: Anytime 
Write: Anytime

FUNCTIONAL DESCRIPTION AND APPLICATION INFORMATION
80 NXP Semiconductors
PF3000
6.6.5.3.15 Embedded memory register A (MEMA)
Table 124.  PWRCTL field descriptions
Field Description
7
REGSCPEN
Short-circuit protection enable bit — When REGSCPEN is set to 1, whenever a current limit event occurs on a LDO regulator, this 
regulator is shutdown.
0 Short-circuit protection disabled
1 Short-circuit protection enabled
6
STANDBYINV
STANDBY inversion bit —STANDBYINV is used to control the polarity of the STANDBY pin.
0 STANDBY pin is active high
1 STANDBY pin is active low
4:3
STBYDLY
STANDBY delay bits — STBYDLY is used to set the delay between a standby request from the STANDBY pin and the entering in 
standby mode. 
00 No delay
01 One 32 kHz period (default)
10 Two 32 kHz periods
11 Three 32 kHz periods
3:2
PWRONDBNC
PWRON programmable debouncer bits — PWRONDBNC is used to set the debounce time for the PWRON input pin. For 
configuration, see Table 36.
1
PWRONRSTEN
PWRON reset enable bit — When set to 1, the PF3000 can enter OFF mode when the PWRON pin is held low for 4 seconds or 
longer. See PWRON Pin section for details.
0 Disallow OFF mode after PWRON held low
1 Allow OFF mode after PWRON held low
0
RESTARTEN
Restart enable bit — When set to 1, the PF3000 restarts automatically after a power off event generated by the PWRON (held low 
for 4 seconds or longer) when PWR_CFG bit = 1.
0 Automatic restart disabled.
1 Automatic restart enabled.
Table 125.  Embedded memory register A (MEMA)
Address: 0x1C functional page Access: User read/write (92)
 76543210
R
MEMA
W
Default00000000
= Unimplemented or Reserved
Notes
92. Read: Anytime 
Write: Anytime
Table 126.  MEMA field descriptions
Field Description
7:0
MEMA
Memory bank A — This register is maintained in case of a main battery loss as long as the coin cell is present. The contents of the 
embedded memory are reset by COINPORB.

FUNCTIONAL DESCRIPTION AND APPLICATION INFORMATION
NXP Semiconductors 81
PF3000
6.6.5.3.16 Embedded memory register B (MEMB)
6.6.5.3.17 Embedded memory register C (MEMC)
Table 127.  Embedded memory register B (MEMB)
Address: 0x1D functional page Access: User read/write
 76543210
R
MEMB
W
Default00000000
= Unimplemented or Reserved
Notes
93. Read: Anytime 
Write: Anytime
Table 128.  MEMB field descriptions
Field Description
7:0
MEMB
Memory bank B — This register is maintained in case of a main battery loss as long as the coin cell is present. The contents of the 
embedded memory are reset by COINPORB.
Table 129.  Embedded Memory Register C (MEMC)
Address: 0x1E functional page Access: User read/write (94)
 76543210
R
MEMC
W
Default00000000
= Unimplemented or Reserved
Notes
94. Read: Anytime 
Write: Anytime
Table 130.  MEMC field descriptions
Field Description
7:0
MEMC
Memory bank C — This register is maintained in case of a main battery loss as long as the coin cell is present. The contents of the 
embedded memory are reset by COINPORB.
 
 
 
 
 
 
 
 
 
 
 
 
 
(97) (97»
(97)
(97) ‘ [97)
 
 
 
 
 
 
 
 
 
FUNCTIONAL DESCRIPTION AND APPLICATION INFORMATION
82 NXP Semiconductors
PF3000
6.6.5.3.18 Embedded memory register D (MEMD)
6.6.5.3.19 SW1A voltage control register (SW1AVOLT)
This register is used to set the output voltage of the SW1A regulator in normal operation.
Table 131.  Embedded memory register D (MEMD)
Address: 0x1F functional page Access: User read/write (95)
 76543210
R
MEMD
W
Default00000000
= Unimplemented or Reserved
Notes
95. Read: Anytime 
Write: Anytime
Table 132.  MEMD field descriptions
Field Description
7:0
MEMD
Memory bank D — This register is maintained in case of a main battery loss as long as the coin cell is present. The contents of the 
embedded memory are reset by COINPORB.
Table 133.  SW1A voltage control register (SW1AVOLT)
Address: 0x20 functional page Access: User read/write (96)
 7654321 0
R
SW1A
W
Default 0 0 0 X (97) X (97) X (97) X (97) X (97)
= Unimplemented or Reserved
Notes
96. Read: Anytime 
Write: Anytime
97. Default value depends on OTP content.
Table 134.  SW1AVOLT field descriptions
Field Description
4:0
SW1A SW1A output voltage — Refer to Table 53
 
 
 
 
 
 
(99>
‘ (99}
(99>
(99)
(99)
 
 
 
 
 
 
 
 
 
 
 
(1m)
‘ (1m)
(1m)
(101)
Mm»
 
 
 
 
 
 
 
 
 
 
FUNCTIONAL DESCRIPTION AND APPLICATION INFORMATION
NXP Semiconductors 83
PF3000
6.6.5.3.20 SW1A standby voltage control register (SW1ASTBY)
This register is used to set the output voltage of the SW1A regulator in standby operation.
6.6.5.3.21 SW1A sleep mode voltage control register (SW1AOFF)
This register is used to set the output voltage of the SW1A regulator in sleep mode operation.
Table 135.  SW1A standby voltage control register (SW1ASTBY)
Address: 0x21 functional page Access: User read/write (98)
 7654321 0
R
SW1ASTBY
W
Default 0 0 0 X (99) X (99) X (99) X (99) X (99)
= Unimplemented or Reserved
Notes
98. Read: Anytime 
Write: Anytime
99. Default value depends on OTP content.
Table 136.  SW1ASTBY field descriptions
Field Description
4:0
SW1ASTBY SW1A standby output voltage — Refer to Table 53
Table 137.  SW1A sleep mode voltage control register (SW1AOFF)
Address: 0x22 functional page Access: User read/write (100)
 7654321 0
R
SW1AOFF
W
Default 0 0 0 X (101) X (101) X (101) X (101) X (101)
= Unimplemented or Reserved
Notes
100. Read: Anytime 
Write: Anytime
101. Default value depends on OTP content.
Table 138.  SW1AOFF field descriptions
Field Description
4:0
SW1ASTBY SW1A sleep mode output voltage — Refer to Table 53
 
 
 
 
 
 
mm mm 1103. (may
 
 
 
 
 
 
 
 
 
 
 
 
 
mm 1105p 1105p (may
 
 
 
 
 
FUNCTIONAL DESCRIPTION AND APPLICATION INFORMATION
84 NXP Semiconductors
PF3000
6.6.5.3.22 SW1A switching mode selector register (SW1AMODE)
This register is used to set the switching mode of the SW1A regulator.
6.6.5.3.23 SW1A configuration register (SW1ACONF)
This register is used to configure DVS, switching frequency, phase and current limit settings of the SW1A regulator.
Table 139.  SW1A switching mode selector register (SW1AMODE)
Address: 0x23 functional page Access: User read/write (102)
 76543210
R
SW1AOMODE SW1AMODE
W
Default0000X 
(103) X (103) X (103) X (103)
= Unimplemented or Reserved
Notes
102. Read: Anytime 
Write: Anytime
103. Default value depends on OTP content.
Table 140.  SW1AMODE field descriptions
Field Description
5
SW1AOMODE
SW1A Off mode bit— This bit configures the mode entered by SW1A after a turn-off event 
0 OFF mode entered after a turn-off event.
1 Sleep mode entered after a turn-off event.
3:0
SW1AMODE SW1A switching mode selector — Refer to Table 47
Table 141.  SW1A configuration register (SW1ACONF)
Address: 0x24 functional page Access: User read/write (104)
 76543210
RSW1ADVSSPE
ED SW1APHASE SW1AFREQ SW1AILIM
W
Default 0 X (105) 00X 
(105) X (105) 0X 
(105)
= Unimplemented or Reserved
Notes
104. Read: Anytime 
Write: Anytime
105. Default value depends on OTP content.
 
 
 
 
 
 
 
 
 
 
 
 
 
1107b
‘ mm
nun
1107?
mm
 
 
 
 
 
 
 
 
 
FUNCTIONAL DESCRIPTION AND APPLICATION INFORMATION
NXP Semiconductors 85
PF3000
6.6.5.3.24 SW1B voltage control register (SW1BVOLT)
This register is used to set the output voltage of the SW1B regulator in normal operation.
Table 142.  SW1ACONF field descriptions
Field Description
6
SW1ADVSSPEED
SW1A DVS speed bit— This bit configures the DVS stepping rates speed for SW1A. Refer to the Table 48.
0 25 mV step each 2.0 μs.
1 25 mV step each 4.0 μs.
5:4
SW1APHASE SW1A phase clock bit— SW1APHASE is used to set the phase clock for SW1A. Refer to Table 49.
3:2
SW1AFREQ SW1A switching frequency— SW1APHASE is used to set the desired switching frequency for SW1A. Refer to Table 51.
0
SW1AILIM
SW1A current limiter bit— This bit configures the current limit for SW1A.
0 2.75 A (typ).
1 2.0 A (typ).
Table 143.  SW1B voltage control register (SW1BVOLT)
Address: 0x2E functional page Access: User read/write (106)
 7654321 0
R
SW1B
W
Default 0 0 0 X (107) X (107) X (107) X (107) X (107)
= Unimplemented or Reserved
Notes
106. Read: Anytime 
Write: Anytime
107. Default value depends on OTP content.
Table 144.  SW1BVOLT field descriptions
Field Description
4:0
SW1B SW1B output voltage — Refer to Table 53.
 
 
 
 
 
 
(may
‘ (map
(may
mm
(may
 
 
 
 
 
 
 
 
 
 
11m
‘ 1110
(my
mm
1110
 
 
 
 
 
 
 
 
 
FUNCTIONAL DESCRIPTION AND APPLICATION INFORMATION
86 NXP Semiconductors
PF3000
6.6.5.3.25 SW1B standby voltage control register (SW1BSTBY)
This register is used to set the output voltage of the SW1B regulator in standby operation.
6.6.5.3.26 SW1B sleep mode voltage control register (SW1BOFF)
This register is used to set the output voltage of the SW1B regulator in sleep mode operation.
Table 145.  SW1B standby voltage control register (SW1BSTBY)
Address: 0x2F functional page Access: User read/write (108)
 7654321 0
R
SW1BSTBY
W
Default 0 0 0 X (109) X (109) X (109) X (109) X (109)
= Unimplemented or Reserved
Notes
108. Read: Anytime 
Write: Anytime
109. Default value depends on OTP content.
Table 146.  SW1BSTBY field descriptions
Field Description
4:0
SW1BSTBY SW1B standby output voltage — Refer to Table 53.
Table 147.  SW1B sleep mode voltage control register (SW1BOFF)
Address: 0x30 functional page Access: User read/write (110)
 7654321 0
R
SW1BOFF
W
Default 0 0 0 X (111) X (111) X (111) X (111) X (111)
= Unimplemented or Reserved
Notes
110. Read: Anytime 
Write: Anytime
111. Default value depends on OTP content.
Table 148.  SW1BOFF field descriptions
Field Description
4:0
SW1BSTBY SW1B sleep mode output voltage — Refer to Table 53.
 
 
 
 
 
 
 
(nu) ma) may may
 
 
 
 
 
 
 
 
 
 
 
 
 
may 1115} (115) (115)
 
 
 
 
FUNCTIONAL DESCRIPTION AND APPLICATION INFORMATION
NXP Semiconductors 87
PF3000
6.6.5.3.27 SW1B switching mode selector register (SW1BMODE)
This register is used to set the switching mode of the SW1B regulator.
6.6.5.3.28 SW1B configuration register (SW1BCONF)
This register is used to configure DVS, switching frequency, phase and current limit settings of the SW1B regulator.
Table 149.  SW1B switching mode selector register (SW1BMODE)
Address: 0x31 functional page Access: User read/write (112)
 76543210
RSW1BOMOD
ESW1BMODE
W
Default0000X 
(113) X (113) X (113) X (113)
= Unimplemented or Reserved
Notes
112. Read: Anytime 
Write: Anytime
113. Default value depends on OTP content.
Table 150.  SW1BMODE field descriptions
Field Description
5
SW1BOMODE
SW1B Off mode bit— This bit configures the mode entered by SW1B after a turn-off event 
0 OFF mode entered after a turn-off event.
1 Sleep mode entered after a turn-off event.
3:0
SW1BMODE SW1B switching mode selector — Refer to Table 47.
Table 151.  SW1B configuration register (SW1BCONF)
Address: 0x32 functional page Access: User read/write X (114)
 76543210
R
SW1BDVSSPEED SW1BPHASE SW1BFREQ SW1BILIM
W
Default 0 X (115) 00X 
(115) X (115) 0X 
(115)
= Unimplemented or Reserved
Notes
114. Read: Anytime 
Write: Anytime
115. Default value depends on OTP content.
 
 
 
 
 
 
 
 
 
 
 
 
11m 1117p ‘ 1117’ (my um 1117p
 
 
 
 
 
 
 
 
 
FUNCTIONAL DESCRIPTION AND APPLICATION INFORMATION
88 NXP Semiconductors
PF3000
6.6.5.3.29 SW2 voltage control register (SW2VOLT)
This register is used to set the output voltage of the SW2 regulator in normal operation.
Table 152.  SW1BCONF field descriptions
Field Description
6
SW1BDVSSPEED
SW1B DVS speed bit— This bit configures the DVS stepping rates speed for SW1B. Refer to the Table 48.
0 25 mV step each 2.0 μs.
1 25 mV step each 4.0 μs.
5:4
SW1BPHASE SW1B phase clock bit— SW1BPHASE is used to set the phase clock for SW1B. Refer to Table 49.
3:2
SW1BFREQ SW1B switching frequency— SW1BPHASE is used to set the desired switching frequency for SW1B. Refer to Table 51.
0
SW1BILIM
SW1B current limiter bit— This bit configures the current limit for SW1B.
0 2.75 A (typ).
1 2.0 A (typ).
Table 153.  SW2 voltage control register (SW2VOLT)
Address: 0x35 functional page Access: User read/write (116)
 7654321 0
R
SW2_HI SW2
W
Default 0 0 X (117) X (117) X (117) X (117) X (117) X (117)
= Unimplemented or Reserved
Notes
116. Read: Anytime 
Write: Anytime
117. Default value depends on OTP content.
Table 154.  SW2VOLT field descriptions
Field Description
4:0
SW2 SW2 output voltage — Refer to Table 55.
5
SW2_HI
SW2 Output voltage range —This bit configures the range of SW2 Output voltage. Refer to Table 55.
0 Low output voltage settings
1 High output voltage settings
 
 
 
 
 
 
11m 11m ‘ 11m 11m 11m {119)
 
 
 
 
 
 
 
 
 
 
 
 
11m 11m ‘ 11m 1111} 11m (111)
 
 
 
 
FUNCTIONAL DESCRIPTION AND APPLICATION INFORMATION
NXP Semiconductors 89
PF3000
6.6.5.3.30 SW2 standby voltage control register (SW2STBY)
This register is used to set the output voltage of the SW2 regulator in standby operation.
6.6.5.3.31 SW2 sleep mode voltage control register (SW2OFF)
This register is used to set the output voltage of the SW2 regulator in sleep mode operation.
Table 155.  SW2 standby voltage control register (SW2STBY)
Address: 0x36 functional page Access: User read/write (118)
 7654321 0
R
SW2_HI SW2STBY
W
Default 0 0 X (119) X (119) X (119) X (119) X (119) X (119)
= Unimplemented or Reserved
Notes
118. Read: Anytime 
Write: Anytime
119. Default value depends on OTP content.
Table 156.  SW2STBY field descriptions
Field Description
4:0
SW2STBY SW2 standby output voltage — Refer to Table 55.
5
SW2_HI
SW2 output voltage range —This bit configures the range of SW2 Output voltage. Refer to Table 55.
0 Low output voltage settings
1 High output voltage settings
Table 157.  SW2 sleep mode voltage control register (SW2OFF)
Address: 0x37 functional page Access: User read/write (120)
 7654321 0
R
SW2_HI SW2OFF
W
Default 0 0 X (121) X (121) X (121) X (121) X (121) X (121)
= Unimplemented or Reserved
Notes
120. Read: Anytime 
Write: Anytime
121. Default value depends on OTP content.
 
 
 
 
 
 
 
 
 
 
 
map (my (123) may
 
 
 
 
 
 
 
 
FUNCTIONAL DESCRIPTION AND APPLICATION INFORMATION
90 NXP Semiconductors
PF3000
6.6.5.3.32 SW2 switching mode selector register (SW2MODE)
This register is used to set the switching mode of the SW2 regulator.
Table 158.  SW2OFF field descriptions
Field Description
4:0
SW2STBY SW2 sleep mode output voltage — Refer to Table 55.
5
SW2_HI
SW2 output voltage range —This bit configures the range of SW2 Output voltage. Refer to Table 55.
0 Low output voltage settings
1 High output voltage settings
Table 159.  SW2 switching mode selector register (SW2MODE)
Address: 0x38 functional page Access: User read/write (122)
 76543210
R
SW2OMODE SW2MODE
W
Default0000X 
(123) X (123) X (123) X (123)
= Unimplemented or Reserved
Notes
122. Read: Anytime 
Write: Anytime
123. Default value depends on OTP content.
Table 160.  SW2MODE field descriptions
Field Description
5
SW2OMODE
SW2 Off mode bit— This bit configures the mode entered by SW2 after a turn-off event 
0 OFF mode entered after a turn-off event.
1 Sleep mode entered after a turn-off event.
3:0
SW2MODE SW2 switching mode selector — Refer to Table 47.
 
 
 
 
 
 
 
(125: my my may
 
 
 
 
 
 
 
 
 
 
 
 
 
 
 
1127p ‘ 1127p 11277 1127p 1127p
 
 
 
 
FUNCTIONAL DESCRIPTION AND APPLICATION INFORMATION
NXP Semiconductors 91
PF3000
6.6.5.3.33 SW2 configuration register (SW2CONF)
This register is used to configure DVS, switching frequency, phase and current limit settings of the SW2 regulator.
6.6.5.3.34 SW3 voltage control register (SW3VOLT)
This register is used to set the output voltage of the SW3 regulator in normal operation.
Table 161.  SW2 configuration register (SW2CONF)
Address: 0x39 functional page Access: User read/write (124)
 76543210
RSW2DVSSPEE
DSW2PHASE SW2FREQ SW2ILIM
W
Default 0 X (125) 00X 
(125) X (125) 0X 
(125)
= Unimplemented or Reserved
Notes
124. Read: Anytime 
Write: Anytime
125. Default value depends on OTP content.
Table 162.  SW2CONF field descriptions
Field Description
6
SW2DVSSPEED
SW2 DVS speed bit- This bit configures the DVS stepping rates speed for SW2. Refer to the Table 48. 
0 25 mV step each 2.0 μs.
1 25 mV step each 4.0 μs.
5:4
SW2PHASE SW2 phase clock bit— SW2PHASE is used to set the phase clock for SW2. Refer to Table 49.
3:2
SW2FREQ SW2 switching frequency— SW2PHASE is used to set the desired switching frequency for SW2. Refer to Table 51.
0
SW2ILIM
SW2 current limiter bit— This bit configures the current limit for SW2.
0 2.75 A (typ).
1 2.0 A (typ).
Table 163.  SW3 voltage control register (SW3VOLT)
Address: 0x3C functional page Access: User read/write (126)
 7654321 0
R
SW3
W
Default 0 0 0 X (127) X (127) X (127) X (127) X (127)
= Unimplemented or Reserved
Notes
126. Read: Anytime 
Write: Anytime
127. Default value depends on OTP content.
 
 
 
 
 
 
 
 
 
(1 29}
‘ (1m
1129p
(12:)
n 29}
 
 
 
 
 
 
 
 
 
 
1131p
‘ 1130
{my
nan
1131p
 
 
 
 
 
FUNCTIONAL DESCRIPTION AND APPLICATION INFORMATION
92 NXP Semiconductors
PF3000
6.6.5.3.35 SW3 standby voltage control register (SW3STBY)
This register is used to set the output voltage of the SW3 regulator in standby operation.
6.6.5.3.36 SW3 sleep mode voltage control register (SW3OFF)
This register is used to set the output voltage of the SW3 regulator in sleep mode operation.
Table 164.  SW3VOLT field descriptions
Field Description
4:0
SW3 SW3 output voltage — Refer to Table 57.
Table 165.  SW3 standby voltage control register (SW3STBY)
Address: 0x3D functional page Access: User read/write (128)
 7654321 0
R
SW3STBY
W
Default 0 0 0 X (129) X (129) X (129) X (129) X (129)
= Unimplemented or Reserved
Notes
128. Read: Anytime 
Write: Anytime
129. Default value depends on OTP content.
Table 166.  SW3STBY field descriptions
Field Description
4:0
SW3STBY SW3 standby output voltage — Refer to Table 57.
Table 167.  SW3 sleep mode voltage control register (SW3OFF)
Address: 0x3E functional page Access: User read/write (130)
 7654321 0
R
SW3OFF
W
Default 0 0 0 X (131) X (131) X (131) X (131) X (131)
= Unimplemented or Reserved
Notes
130. Read: Anytime 
Write: Anytime
131. Default value depends on OTP content.
 
 
 
 
 
 
 
 
 
 
(my 1133} (my (my
 
 
 
 
 
 
 
 
 
 
 
 
 
 
(135) m5} (115) (1357
 
 
 
 
 
 
FUNCTIONAL DESCRIPTION AND APPLICATION INFORMATION
NXP Semiconductors 93
PF3000
6.6.5.3.37 SW3 switching mode selector register (SW3MODE)
This register is used to set the switching mode of the SW3 regulator.
6.6.5.3.38 SW3 configuration register (SW3CONF)
This register is used to configure DVS, switching frequency, phase and current limit settings of the SW3 regulator.
Table 168.  SW3OFF field descriptions
Field Description
4:0
SW3STBY SW3 sleep mode output voltage — Refer to Refer to Table 57.
Table 169.  SW3 switching mode selector register (SW3MODE)
Address: 0x3F functional page Access: User read/write (132)
 76543210
R
SW3OMODE SW3MODE
W
Default 0 0 0 0 X (133) X (133) X (133) X (133)
= Unimplemented or Reserved
Notes
132. Read: Anytime 
Write: Anytime
133. Default value depends on OTP content.
Table 170.  SW3MODE field descriptions
Field Description
5
SW3OMODE
SW3 Off mode bit— This bit configures the mode entered by SW3 after a turn-off event 
0 OFF mode entered after a turn-off event.
1 Sleep mode entered after a turn-off event.
3:0
SW3MODE SW3 switching mode selector — Refer to Table 47.
Table 171.  SW3 configuration register (SW3CONF)
Address: 0x40 functional page Access: User read/write (134)
 76543210
RSW3DVSSPEE
DSW3PHASE SW3FREQ SW3ILIM
W
Default 0 X (135) 00X 
(135) X (135) 0X 
(135)
= Unimplemented or Reserved
Notes
134. Read: Anytime 
Write: Anytime
135. Default value depends on OTP content.
 
 
 
 
 
 
 
 
 
 
 
 
um (my nan um 1131. (my
 
 
 
 
 
 
 
 
 
 
 
FUNCTIONAL DESCRIPTION AND APPLICATION INFORMATION
94 NXP Semiconductors
PF3000
6.6.5.3.39 SWBST setup and control register (SWBSTCTL)
This register is used to configure both the output voltage and switching modes of the SWBST regulator.
Table 172.  SW3CONF field descriptions
Field Description
6
SW3DVSSPEED
SW3 DVS speed bit— This bit configures the DVS stepping rates speed for SW3. Refer to the Table 48.
0 25 mV step each 2.0 μs.
1 25 mV step each 4.0 μs.
5:4
SW3PHASE SW3 phase clock bit— SW3PHASE is used to set the phase clock for SW3. Refer to Table 49.
3:2
SW3FREQ SW3 switching frequency— SW3PHASE is used to set the desired switching frequency for SW3. Refer to Table 51.
0
SW3ILIM
SW3 current limiter bit— This bit configures the current limit for SW3.
0 2.75 A (typ).
1 2.0 A (typ).
Table 173.  SWBST configuration register (SWBSTCTL)
Address: 0x66 functional page Access: User read/write (136)
 76543210
R
SWBST1STBYMODE SWBST1MODE SWBST1VOLT
W
Default 0X (137) X (137) 0X (137) X (137) X (137) X (137)
= Unimplemented or Reserved
Notes
136. Read: Anytime 
Write: Anytime
137. Default value depends on OTP content.
Table 174.  SWBSTCTL field descriptions
Field Description
6:5
SWBST1STBYMODE
SWBST switching mode in standby— SWBST1MODE is used to set the switching mode in standby mode.
00 OFF
01 PFM
10 Auto (138)
11 APS
3:2
SWBST1MODE
SWBST switching mode in normal operation— SWBST1MODE is used to set the switching mode on normal operation.
00 OFF
01 PFM
10 Auto (138)
11 APS
1:0
SWBST1VOLT
SWBST output voltage— SWBST1VOLT is used to set the output voltage for SWBST.
00 5.000 V (typ.)
01 5.050 V (typ.)
10 5.100 V (typ.)
11 5.150 V (typ.)
Notes
138. In auto mode, the controller automatically switches between PFM and APS modes depending on the load current. Regulator switches in auto mode 
if enabled in the startup sequence.

FUNCTIONAL DESCRIPTION AND APPLICATION INFORMATION
NXP Semiconductors 95
PF3000
6.6.5.3.40 Front-end LDO control register (LDOGCTL)
This register is used to configure the front-end LDO standby mode operation.
6.6.5.3.41 VREFDDR control register (VREFDDRCTL)
This register is used to control the VREFDDR supply operation.
Table 175.  Front-end LDO control register (LDOGCTL)
Address: 0x69 functional page Access: User read/write (139)
 76543210
RSTBY_LOWPO
WER_B
W
Default00000000
= Unimplemented or Reserved
Notes
139. Read: Anytime 
Write: Anytime
Table 176.  LDOGCTL field descriptions
Field Description
0
STBY_LOWPOWER_B
Front-end LDO standby mode operation bit— When STBY_LOWPOWER_B bit is set to 1, the front-end LDO does not enter 
in low-power mode during IC standby mode.
0 Low-power mode enabled during IC standby mode.
1 Low-power mode disabled during IC standby mode.
Table 177.  VREFDDR control register (VREFDDRCTL)
Address: 0x6A functional page Access: User read/write (140)
 76543210
R
VREFDDREN
W
Default00000000
= Unimplemented or Reserved
Notes
140. Read: Anytime 
Write: Anytime
Table 178.  VREFDDR field descriptions
Field Description
0
VREFDDREN
VREFDDR supply enable bit— VREFDDREN is used to enable or disable the VREFDDR supply.
0 VREFDDR supply disabled
1 VREFDDR supply enabled
 
 
 
 
 
 
 
um um um
 
 
 
 
 
 
 
 
 
 
 
mm 1144’ mm W, (144}
 
 
 
 
FUNCTIONAL DESCRIPTION AND APPLICATION INFORMATION
96 NXP Semiconductors
PF3000
6.6.5.3.42 VSNVS control register (VSNVSCTL)
This register is used to control the VSNVS supply operation.
6.6.5.3.43 VLDO1 control register (VLDO1CTL)
This register is used to configure output voltage, normal and standby mode operation of the VLDO1 regulator.
Table 179.  VSNVS control register (VSNVSCTL)
Address: 0x6B functional page Access: User read/write (141)
 76543 2 1 0
R
VSNVSVOLT
W
Default00000X 
(142) X (142) X (142)
= Unimplemented or Reserved
Notes
141. Read: Anytime 
Write: Anytime
142. Default value depends on OTP content.
Table 180.  VSNVSCTL field descriptions
Field Description
2:0
VSNVSVOLT
VSNVS output voltage configuration— VSNVSVOLT is used to configure the VSNVS output voltage. Values below are 
typical voltages.
000 = RSVD
001 = RSVD
010 = RSVD
011 = RSVD
100 = RSVD
101 = RSVD
110 = 3.0 V (default)
111 = RSVD
Table 181.  VLDO1 control register (VLDO1CTL)
Address: 0x6C functional page Access: User read/write (143)
 7654321 0
R
LDO1OMODE VLDO1LPWR VLDO1STBY VLDO1EN VLDO1
W
Default 0 0 0 X (144) X (144) X (144) X (144) X (144)
= Unimplemented or Reserved
Notes
143. Read: Anytime 
Write: Anytime
144. Default value depends on OTP content.
 
 
 
 
 
 
 
 
 
 
 
 
 
 
(146} map map may (“6)
 
 
 
 
FUNCTIONAL DESCRIPTION AND APPLICATION INFORMATION
NXP Semiconductors 97
PF3000
6.6.5.3.44 VLDO2 control register (VLDO2CTL)
This register is used to configure output voltage, normal, and standby mode operation of the VLDO2 regulator.
Table 182.  VLDO1CTL field descriptions
Field Description
7
LDO1OMODE
VLDO1 OFF mode bit—LDO1OMODE is used to configure VLDO1 operating mode when a PWRON turn-off event occurs.
0 VLDO1 in OFF mode if a PWRON turn off event occurs
1 VLDO1 in sleep mode if a PWRON turn off event occurs
6
VLDO1LPWR
VLDO1 Low-power mode enable bit— When VLDO1LPWR is set to 1, VLDO1 can enter Low-power mode per the conditions in 
the Table 66.
0 Low-power mode disabled
1 Low-power mode enabled
5
VLDO1STBY
VLDO1 standby enable bit— When VLDO1STBY is set to 1, VLDO1 is turned off during standby mode. Refer to Table 66.
0 VLDO1 is ON during standby mode.
1 VLDO1 is OFF during standby mode.
4
VLDO1EN
VLDO1 enable bit — VLDO1EN is used to enable or disable the VLDO1 regulator.
0 VLDO1 disabled
1 VLDO1 enabled
3:0
VLDO1 VLDO1 output voltage configuration— Refer to Table 62.
Table 183.  VLDO2 control register (VLDO2CTL)
Address: 0x6D functional page Access: User read/write (145)
 7654321 0
R
LDO2OMODE VLDO2LPWR VLDO2STBY VLDO2EN VLDO2
W
Default 0 0 0 X (146) X (146) X (146) X (146) X (146)
= Unimplemented or Reserved
Notes
145. Read: Anytime 
Write: Anytime
146. Default value depends on OTP content.
 
 
 
 
 
 
 
 
 
 
 
 
 
 
 
(an) 1148} may
 
 
 
FUNCTIONAL DESCRIPTION AND APPLICATION INFORMATION
98 NXP Semiconductors
PF3000
6.6.5.3.45 VCC_SD control register (VCC_SDCTL)
This register is used to configure output voltage, normal and standby mode operation of the VCC_SD regulator.
Table 184.  VLDO2CTL field descriptions
Field Description
7
LDO2OMODE
VLDO2 OFF mode bit—LDO2OMODE is used to configure VLDO2 operating mode when a PWRON turn-off event occurs.
0 VLDO2 in OFF mode if a PWRON turn off event occurs
1 VLDO2 in Sleep mode if a PWRON turn off event occurs
6
VLDO2LPWR
VLDO2 low-power mode enable bit— When VLDO2LPWR is set to 1, VLDO2 can enter low-power mode per the conditions in 
the LDO control table.
0 Low-power mode disabled
1 Low-power mode enabled
5
VLDO2STBY
VLDO2 standby enable bit— When VLDO2STBY is set to 1, VLDO2 is turned off during standby mode. Refer to Table 66.
0 VLDO2 is ON during standby mode.
1 VLDO2 is OFF during standby mode.
4
VLDO2EN
VLDO2 enable bit — VLDO2EN is used to enable or disable the VLDO2 regulator.
0 VLDO2 disabled
1 VLDO2 enabled
3:0
VLDO2 VLDO2 output voltage configuration— Refer to Table 62.
Table 185.  CC_SD control register (VCC_SDCTL)
Address: 0x6E functional page Access: User read/write (147)
 76543210
RVCC_SDOMOD
EVCC_SDLPWR VCC_SDSTBY VCC_SDEN VCC_SD
W
Default 0 0 0 X (148) 00X (148) X (148)
= Unimplemented or Reserved
Notes
147. Read: Anytime 
Write: Anytime
148. Default value depends on OTP content.
 
 
 
 
 
 
 
 
 
 
 
 
 
 
 
 
nsn) nan) (15m
 
 
 
 
 
 
 
 
 
 
 
 
 
 
FUNCTIONAL DESCRIPTION AND APPLICATION INFORMATION
NXP Semiconductors 99
PF3000
6.6.5.3.46 V33 control register (V33CTL)
This register is used to configure output voltage, normal, and standby mode operation of the V33 regulator.
Table 186.  VCC_SDCTL field descriptions
Field Description
7
VCC_SDOMODE
VCC_SD OFF mode bit— VCC_SDOMODE is used to configure VCC_SD operating mode when a PWRON turn-off event occurs.
0 VCC_SD in OFF mode if a PWRON turn off event occurs
1 VCC_SD in Sleep mode if a PWRON turn off event occurs
6
VCC_SDLPWR
VCC_SD low-power mode enable bit— When VCC_SDLPWR is set to 1, VCC_SD can enter low-power mode per the conditions 
in the Table 66.
0 Low-power mode disabled
1 Low-power mode enabled
5
VCC_SDSTBY
VCC_SD standby enable bit— When VCC_SDSTBY is set to 1, VCC_SD is turned off during standby mode. Refer to Table 66.
0 VCC_SD is ON during standby mode.
1 VCC_SD is OFF during standby mode.
4
VCC_SDEN
VCC_SD enable bit — VCC_SDEN is used to enable or disable the VCC_SD regulator.
0 VCC_SD disabled
1 VCC_SD enabled
1:0
VCC_SD VCC_SD output voltage configuration— Refer to Table 65.
Table 187.  V33 control register (V33CTL)
Address: 0x6F functional page Access: User read/write (149)
 76543210
R
V33OMODE V33LPWR V33STBY V33EN V33
W
Default 0 0 0 X (150) 00X 
(150) X (150)
= Unimplemented or Reserved
Notes
149. Read: Anytime 
Write: Anytime
150. Default value depends on OTP content.
Table 188.  V33CTL field descriptions
Field Description
7
V33OMODE
V33 OFF mode bit— V33OMODE is used to configure V33 operating mode when a PWRON turn-off event occurs.
0 V33 in OFF mode if a PWRON turn off event occurs
1 V33 in sleep mode if a PWRON turn off event occurs
6
V33LPWR
V33 low-power mode enable bit— When V33LPWR is set to 1, V33 can enter low-power mode per the conditions in the Table 66.
0 Low-power mode disabled
1 Low-power mode enabled
5
V33STBY
V33 standby enable bit— When V33STBY is set to 1, V33 is turned off during standby mode. Refer to Table 66.
0 V33 is ON during standby mode.
1 V33 is OFF during standby mode.
4
V33EN
V33 Enable bit — V33EN is used to enable or disable the VLDO2 regulator.
0 V33 disabled
1 V33 enabled
1:0
V33 V33 output voltage configuration— Refer to Table 64.
 
 
 
 
 
 
(my 1152} new (152} (152)
 
 
 
 
 
 
 
 
 
 
 
FUNCTIONAL DESCRIPTION AND APPLICATION INFORMATION
100 NXP Semiconductors
PF3000
6.6.5.3.47 VLDO3 control register (VLDO3CTL)
This register is used to configure output voltage, normal, and standby mode operation of the VLDO3 regulator.
Table 189.  VLDO3 control register (VLDO3CTL)
Address: 0x70 functional page Access: User read/write (151)
 7654321 0
R
LDO3OMODE VLDO3LPWR VLDO3STBY VLDO3EN VLDO3
W
Default 0 0 0 X (152) X (152) X (152) X (152) X (152)
= Unimplemented or Reserved
Notes
151. Read: Anytime 
Write: Anytime
152. Default value depends on OTP content.
Table 190.  VLDO3CTL field descriptions
Field Description
7
LDO3OMODE
VLDO3 OFF mode bit—LDO3OMODE is used to configure VLDO3 operating mode when a PWRON turn-off event occurs.
0 VLDO3 in OFF mode if a PWRON turn off event occurs
1 VLDO3 in sleep mode if a PWRON turn off event occurs
6
VLDO3LPWR
VLDO3 low-power mode enable bit— When VLDO3LPWR is set to 1, VLDO3 can enter low-power mode per the conditions in 
the Table 66.
0 Low-power mode disabled
1 Low-power mode enabled
5
VLDO3STBY
VLDO3 standby enable bit— When VLDO3STBY is set to 1, VLDO3 is turned off during standby mode. Refer to Table 66.
0 VLDO3 is ON during standby mode.
1 VLDO3 is OFF during standby mode.
4
VLDO3EN
VLDO3 enable bit — VLDO3EN is used to enable or disable the VLDO3 regulator.
0 VLDO3 disabled
1 VLDO3 enabled
3:0
VLDO3 VLDO3 output voltage configuration— Refer to Table 63.
 
 
 
 
 
 
(155) (my (154} 1154p (154.
 
 
 
 
 
 
 
 
 
 
 
 
 
 
 
 
 
 
 
 
 
FUNCTIONAL DESCRIPTION AND APPLICATION INFORMATION
NXP Semiconductors 101
PF3000
6.6.5.3.48 VLDO4 control register (VLDO4CTL)
This register is used to configure output voltage, normal, and standby mode operation of the VLDO4 regulator.
6.6.5.3.49 Page selection register
This register is used to access the extended register pages.
Table 191.  VLDO4 control register (VLDO4CTL)
Address: 0x71 functional page Access: User read/write (153)
 7654321 0
R
LDO4OMODE VLDO4LPWR VLDO4STBY VLDO4EN VLDO4
W
Default 0 0 0 X (154) X (154) X (154) X (154) X (154)
= Unimplemented or Reserved
Notes
153. Read: Anytime 
Write: Anytime
154. Default value depends on OTP content.
Table 192.  VLDO4CTL field descriptions
Field Description
7
LDO4OMODE
VLDO4 OFF mode bit—LDO4OMODE is used to configure VLDO4 operating mode when a PWRON turn-off event occurs.
0 VLDO4 in OFF mode if a PWRON turn off event occurs
1 VLDO4 in sleep mode if a PWRON turn off event occurs
6
VLDO4LPWR
VLDO4 low-power mode enable bit— When VLDO4LPWR is set to 1, VLDO4 can enter low-power mode per the conditions in 
the Table 66.
0 Low-power mode disabled
1 Low-power mode enabled
5
VLDO4STBY
VLDO4 standby enable bit— When VLDO4STBY is set to 1, VLDO4 is turned off during standby mode. Refer to Table 66.
0 VLDO4 is ON during standby mode.
1 VLDO4 is OFF during standby mode.
4
VLDO4EN
VLDO4 enable bit — VLDO4EN is used to enable or disable the VLDO4 regulator.
0 VLDO4 disabled
1 VLDO4 enabled
3:0
VLDO4 VLDO4 output voltage configuration— Refer to Table 63.
Table 193.  Page selection register
Address: 0x7F functional page Access: User read/write (155)
 7654321 0
R
PAGE
W
Default0000000 0
= Unimplemented or Reserved
Notes
155. Read: Anytime 
Write: Anytime

FUNCTIONAL DESCRIPTION AND APPLICATION INFORMATION
102 NXP Semiconductors
PF3000
6.6.6 Register map
The register map is comprised of thirty-two pages, and its address and data fields are each eight bits wide. Only the first two pages can 
be accessed. On each page, registers 0 to 0x7F are referred to as 'functional', and registers 0x80 to 0xFF as 'extended'. On each page, 
the functional registers are the same, but the extended registers are different. To access registers in Extended page 1, one must first write 
0x01 to the page register at address 0x7F, and to access registers Extended page 2, one must first write 0x02 to the page register at 
address 0x7F. To access the Functional page from one of the extended pages, no write to the page register is necessary. 
Registers that are missing in the sequence are reserved; reading from them returns a value 0x00, and writing to them has no effect. The 
contents of all registers are given in the tables defined in this chapter; each table is structure as follows:
Name: Name of the bit
Bit #: The bit location in the register (7-0)
R/W: Read / Write access and control
• R is read-only access
• R/W is read and write access
• RW1C is read and write access with write 1 to clear
Reset: Reset signals are color coded based on the following legend.
Default: The value after reset, as noted in the default column of the memory map.
• Fixed defaults are explicitly declared as 0 or 1.
• “X” corresponds to Read/Write bits that are initialized at start-up, based on the OTP fuse settings or default if VDDOTP = 1.5 V. Bits are 
subsequently I2C modifiable, when their reset has been released. “X” may also refer to bits that may have other dependencies. For 
example, some bits may depend on the version of the IC, or a value from an analog block, for instance the sense bits for the interrupts.
Table 194.  Page register field descriptions
Field Description
3:0
PAGE
Register page selection — The PAGE field is used to select one of the three available register pages.
0000   Functional page selected
0001   Extended page 1 selected
0010   Extended page 2 selected
Bits reset by SC and VCOREDIG_PORB
Bits reset by PWRON or loaded default or OTP configuration
Bits reset by DIGRESETB
Bits reset by PORB or RESETBMCU
Bits reset by VCOREDIG_PORB
Bits reset by POR or OFFB

FUNCTIONAL DESCRIPTION AND APPLICATION INFORMATION
NXP Semiconductors 103
PF3000
6.6.6.1 Register map
Table 195.  Functional page  
BITS[7:0]
Add Register 
name R/W  Default 76543210
00 DeviceID  R8'b0011_0000
– – – – DEVICE ID [3:0]
00110000
03 SILICONREVI
DR8'b0001_0000
FULL_LAYER_REV[3:0] METAL_LAYER_REV[3:0]
00010000
04 FABID R8'b0000_0000
–––– FAB[1:0] FIN[1:0]
00000000
05 INTSTAT0 RW1C 8'b0000_0000
––THERM130I THERM125I THERM120I THERM110I LOWVINI PWRONI
00000000
06 INTMASK0 R/W 8'b0011_1111
––
THERM130M THERM125M THERM120M THERM110M LOWVINM PWRONM
00111111
07 INTSENSE0 R8'b00xx_xxxx
VDDOTPS ICTESTS THERM130S THERM125S THERM120S THERM110S LOWVINS PWRONS
00xxxxxx
08 INTSTAT1 RW1C 8'b0000_0000
–––SW3FAULTI SW2FAULTI – SW1BFAULTI SW1AFAULTI
00000x00
09 INTMASK1 R/W 8'b0111_1111
–––SW3FAULTM SW2FAULTM – SW1BFAULTM SW1AFAULTM
01111111
0A INTSENSE1 R8'b0xxx_xxxx
– – – SW3FAULTS SW2FAULTS – SW1BFAULTS SW1AFAULTS
0xxxxxxx
0E INTSTAT3 RW1C 8'b0000_0000
OTP_ECCI OTP AUTO 
BLOW DONE –––VPWROVI –
SWBSTFAULT
I
00000000
0F INTMASK3 R/W 8'b1100_0101
OTP_ECCM OTP_AUTO_B
LOW_DONEM –––VPWROVI – SWBSTFAULT
M
11000101
10 INTSENSE3 R8'b0000_000x
OTP_ECCS OTP_AUTO_B
LOW_DONES –––VPWROVS–
SWBSTFAULT
S
00000000
11 INTSTAT4 RW1C 8'b0000_0000
––
VLDO4FAULTI VLDO3FAULTI V33FAULTI VCC_SDFAUL
TI VLDO2FAULTI VLDO1FAULTI
00000000
12 INTMASK4 R/W 8'b0011_1111
––
VLDO4
FAULTM
VLDO3
FAULTM
V33
FAULTM
VCC_SDFAUL
TM
VLDO2FAULT
M
VLDO1FAULT
M
00111111
13 INTSENSE4 R8'b00xx_xxxx
––
VLDO4
FAULTS
VLDO3
FAULTS
V33
FAULTS
VCC_SD
FAULTS
VLDO2
FAULTS
VLDO1
FAULTS
00xxxxxx
1A COINCTL R/W 8'b0000_0000
––––
COINCHEN VCOIN[2:0]
00000000

FUNCTIONAL DESCRIPTION AND APPLICATION INFORMATION
104 NXP Semiconductors
PF3000
1B PWRCTL  R/W 8'b0001_0000
REGSCPEN STANDBYINV STBYDLY[1:0] PWRONBDBNC[1:0] PWRONRSTE
NRESTARTEN
00010000
1C MEMA R/W 8'b0000_0000
MEMA[7:0]
00000000
1D MEMB R/W 8'b0000_0000
MEMB[7:0]
00000000
1E MEMC R/W 8'b0000_0000
MEMC[7:0]
00000000
1F MEMD R/W 8'b0000_0000
MEMD[7:0]
00000000
20 SW1AVOLT R/W 8'b000x_xxxx
––– SW1A[4:0] 
000–––––
21 SW1ASTBY R/W 8'b000x_xxxx
––– SW1ASTBY[4:0] 
000–––––
22 SW1AOFF R/W 8'b000x_xxxx
––– SW1AOFF[4:0] 
000–––––
23 SW1AMODE R/W 8'b0000_xxxx
––SW1AOMODE – SW1AMODE[3:0]
000x––––
24 SW1ACONF R/W 8'bxx00_0100
–SW1ADVSSP
EED SW1APHASE[1:0] SW1AFREQ[1:0] – SW1AILIM 
x-100––00
2E SW1BVOLT R/W 8'b0xx1_0010
––– SW1B[4:0] 
0xx10000
2F SW1BSTBY R/W 8'b0xx1_0010
––– SW1BSTBY[4:0] 
0xx10010
30 SW1BOFF R/W 8'b0xx1_0010
––– SW1BOFF[4:0]
0xx10010
31 SW1BMODE R/W 8'b0001_1000
––SW1BOMODE – SW1BMODE[3:0]
000–––––
32 SW1BCONF R/W 8'bx100_0100
–SW1BDVS
SPEED SW1BPHASE[1:0] SW1BFREQ[1:0] – SW1BILIM
x–00––00
35 SW2VOLT R/W 8'b0xxx_0110
––––SW2_HI SW2[2:0]
0xxx––––-
36 SW2STBY R/W 8'b0xxx_xxxx
––––SW2_HI SW2STBY[2:0]
0xxx––––-
37 SW2OFF R/W 8'b0xxx_xxxx
––––SW2_HI SW2STBY[2:0]
0xxx––––-
Table 195.  Functional page (continued)
BITS[7:0]
Add Register 
name R/W  Default 76543210

FUNCTIONAL DESCRIPTION AND APPLICATION INFORMATION
NXP Semiconductors 105
PF3000
38 SW2MODE R/W 8'b0010_1000
––SW2OMODE – SW2MODE[3:0]
00101000
39 SW2CONF R/W 8'bxx01_0100
–SW2DVS
SPEED SW2PHASE[1:0] SW2FREQ[1:0] – SW2ILIM
x–01––00
3C SW3VOLT R/W 8'b0xxx_1100
–––– SW3[3:0]
0xxx––––
3D SW3STBY R/W 8'b0xxx_1100
–––– SW3STBY[3:0]
0xxx––––
3E SW3OFF R/W 8'b0xxx_1100
–––– SW3OFF[3:0]
0xxx––––
3F SW3MODE R/W 8'b0011_1000
––SW3OMODE – SW3MODE[3:0]
00111000
40 SW3CONF R/W 8'bxx10_0100
–SW3DVS
SPEED SW3PHASE[1:0] SW3FREQ[1:0] – SW3ILIM
x–10––00
66 SWBSTCTL R/W 8'b0xx0_10xx
–SWBST1STBYMODE[1:0] – SWBST1MODE[1:0]
–SWBST1VOLT[1:0]
0––0––––
69 LDOGCTL R/W 8'b0xxx_xxx0
–––––––STBY_LP_B
0xxxxxxx
6A VREFDDRCTL R/W 8'b000x_0000
–––VREFDDREN – – – –
000–0000
6B VSNVSCTL R/W 8'b0000_0110
––––– VSNVSVOLT[2:0]
00000110
6C VLDO1CTL R/W 8'b010x_1110
LDO1OMODE VLDO1LPWR VLDO1STBY VLDO1EN VLDO1[3:0]
000–––––-
6D VLDO2CTL R/W 8'b000x_1000
LDO2OMODE VLDO2LPWR VLDO2STBY VLDO2EN VLDO2[3:0]
000–––––-
6E VCC_SDCTL R/W 8'b000x_xx10
VCC_SDOMO
DE
VCC_SDLPW
RVCC_SDSTBY VCC_SDEN – – VCC_SD[1:0]
000–xx––
6F V33CTL R/W 8'b000x_xx10
V33OMODE V33LPWR V33STBY V33EN – – V33[1:0]
000–xx––
70 VLDO3CTL R/W 8'b010x_0000
VLDO3OMOD
EVLDO3LPWR VLDO3STBY VLDO3EN VLDO3[3:0]
000–––––
71 VLDO4CTL R/W 8'b000x_xxxx
VLDO4OMOD
EVLDO4LPWR VLDO4STBY VLDO4EN VLDO4[3:0]
000–––––
7F Page Register R/W 8'b0000_0000
––– PAGE[4:0]
00000000
Table 195.  Functional page (continued)
BITS[7:0]
Add Register 
name R/W  Default 76543210

FUNCTIONAL DESCRIPTION AND APPLICATION INFORMATION
106 NXP Semiconductors
PF3000
Table 196.  Extended page 1  
Address Register 
Name TYPE Default
BITS[7:0]
7 6 5 4 3 2 1 0
80 OTP FUSE 
READ EN R/W 8'b000x_xxx0
–––––––
OTP FUSE
 READ EN
000xxxxx
84 OTP LOAD 
MASK R/W 8'b0000_0000
START RL PWBRTN FORCE 
PWRCTL RL PWRCTL RL OTP RL OTP ECC RL   OTP 
FUSE RL TRIM FUSE
00000000
8A OTP ECC SE1 R8'bxxx0_0000
– – – ECC5_SE ECC4_SE ECC3_SE ECC2_SE ECC1_SE
xxx00000
8B RSVD R8'bxxx0_0000
8C OTP ECC DE1 R8'bxxx0_0000
– – – ECC5_DE ECC4_DE ECC3_DE ECC2_DE ECC1_DE
xxx00000
8D RSVD R8'bxxx0_0000
A0 OTP SW1A 
VOLT R/W 8'b00xx_xxxx
OTP_SW1A_VOLT[4:0]
xxxxxxxx
A1 OTP SW1A 
SEQ
OTP_SW1A_SEQ[2:0]
A2 OTP SW1x 
CONFIG R/W 8'b000x_xxXx
––––OTP_SW1_CONFIG[1:0] OTP_SW1x_FREQ[1:0]
xxxxxxxx
A8 OTP SW1B 
VOLT R/W 8'b00xx_xxxx
OTP_SW1B_VOLT[4:0]
xxxxxxxx
A9 OTP SW1B 
SEQ R/W 8'b00xx_xxxx
OTP_SW1B_SEQ[2:0]
xxxxxxxx
AA RSVD R/W 8'b00xx_xxxx
xxxxxxxx
AC OTP SW2 
VOLT R/W 8'b0xxx_xxxx
OTP_SW2_HI OTP_SW2_VOLT[2:0]
xxxxxxxx
AD OTP SW2 SEQ R/W 8'b0xxx_xxxx
–OTP_SW2_SEQ[2:0]
xxxxxxxx
AE OTP SW2 
CONFIG R/W 8'b0000_00xx
––––––OTP_SW2_FREQ[1:0]
000xx0xx
B0 OTP SW3 
VOLT R/W 8'b0xxx_xxxx
–OTP_SW3_VOLT[3:0]
xxxxxxxx
B1 OTP SW3 SEQ R/W 8'b0xxx_xxxx
–OTP_SW3_SEQ[2:0]
xxxxxxxx
B2 OTP SW3 
CONFIG R/W 8'b0xxx_xxxx
–OTP_SW3_FREQ[1:0]
xxxxxxxx
BC OTP SWBST 
VOLT R/W 8'b0000_00xx
––––––
OTP_SWBST_VOLT[1:0]
00000000

FUNCTIONAL DESCRIPTION AND APPLICATION INFORMATION
NXP Semiconductors 107
PF3000
BD OTP SWBST 
SEQ R/W 8'b0000_xxxx
––––– OTP_SWBST_SEQ[2:0]
00000000
C0 OTP VSNVS 
VOLT R/W 8'b0000_0xxx
––––– OTP_VSNVS_VOLT[2:0]
00000000
C4 RSVD R/W 8'b000x_x0xx
––––––––
000xxxxx
C8 OTP VLDO1 
VOLT R/W 8'b0000_xxxx
OTP_VLDO1_VOLT[3:0]
0000xxxx
C9 OTP VLDO1 
SEQ R/W 8'b0000_xxxx
OTP_VLDO1_SEQ[3:0]
0000xxxx
CC OTP VLDO2 
VOLT R/W 8'b0000_xxxx
OTP_VLDO2_VOLT[3:0]
0000xxxx
CD OTP VLDO2 
SEQ R/W 8'b0000_xxxx
OTP_VLDO2_SEQ[3:0]
0000xxxx
D0 OTP VCC_SD 
VOLT R/W 8'b0000_xxxx
–OTP_VCC_SD_VOLT[2:0]
0000xxxx
D1 OTP VCC_SD 
SEQ R/W 8'b0000_xxxx
OTP_VCC_SD_SEQ[2:0]
00000xxx
D4 OTP V33 
VOLT R/W 8'b0000_xxxx
OTP_V33_VOLT[2:0]
0000xxxx
D5 OTP V33 SEQ R/W 8'b0000_xxxx
OTP_V33_SEQ[3:0]
0000xxxx
D8 OTP VLDO3 
VOLT R/W 8'b0000_xxxx
OTP_VLDO3_VOLT[3:0]
0000xxxx
D9 OTP VLDO3 
SEQ R/W 8'b0000_xxxx
OTP_VLDO3_SEQ[3:0]
0000xxxx
DC OTP VLDO4 
VOLT R/W 8'b0000_xxxx
OTP_VLDO4_VOLT[3:0]
0000xxxx
DD OTP VLDO4 
SEQ R/W 8'b0000_xxxx
OTP_VLDO4_SEQ[3:0]
0000xxxx
E0 OTP PU 
CONFIG1 R/W 8'b000x_xxxx
OTP_PWRON
_CFG
OTP_SWDVS
_CLK
OTP_SEQ_CL
K_SPEED
xxxxxxxx
E4 OTP FUSE 
POR1 R/W 8'b0000_00x0
TBB_POR – ––––––
000000x0
E5 RSVD R/W 8'b0000_00x0
–––––– –
000000 0
E6 RSVD R/W 8'b0000_00x0
–––––– –
000000 0
Table 196.  Extended page 1 (continued)
Address Register 
Name TYPE Default
BITS[7:0]
76543210

FUNCTIONAL DESCRIPTION AND APPLICATION INFORMATION
108 NXP Semiconductors
PF3000
E7 RSVD R  8'b0000_00x0
–––––– –
000000 0
E8 OTP PWRGD 
EN R/W/M 8'b0000_000x
–––––––OTP_PG_EN
000000x0
F0 RSVD R/W 8'b000x_xxxx
–––
000xxxxx
F1 RSVD R/W 8'b000x_xxxx
–––
000xxxxx
F7 OTP BLOWN R/W 8'b0000_000x
–––––––OTP_BLOWN
0000000x
FF OTP I2C 
ADDR R/W 8'b0000_1xxx
USE_DEFAUL
T_ADD –I2C_SLV 
ADDR[3] OTP_I2C_SLV ADDR[2:0]
00001xxx
Table 197.  Extended page 2  
Address Register 
Name TYPE Default
BITS[7:0]
7 6 5 4 3 2 1 0
81 SW1A 
PWRSTG R/W 8'b1111_1111
RSVD RSVD RSVD RSVD RSVD SW1A_PWRSTG[2:0]
11111111
83 SW1B 
PWRSTG R8'b1111_1111
RSVD RSVD RSVD RSVD RSVD SW1B_PWRSTG[2:0]
RSVD
11111111
84 SW2 PWRSTG R8'b1111_1111
RSVD RSVD RSVD RSVD RSVD SW2_PWRSTG[2:0]
RSVD
11111111
85 SW3 PWRSTG R8'b1111_1111
RSVD RSVD RSVD RSVD RSVD SW3_PWRSTG[2:0]
RSVD
11111111
88 PWRCTRL 
OTP CTRL R8'b0000_0001
––––––
OTP_PWRGD
_EN
PG_SHDWN_
EN
00000001
8D
I2C WRITE 
ADDRESS 
TRAP
R/W 8'b0000_0000
I2C_WRITE_ADDRESS_TRAP[7:0]
00000000
8E I2C TRAP 
PAGE R/W 8'b0000_0000
LET_IT_ ROLL RSVD RSVD I2C_TRAP_PAGE[4:0]
00000000
8F I2C TRAP 
CNTR R/W 8'b0000_0000
I2C_WRITE_ADDRESS_COUNTER[7:0]
00000000
90 IO DRV R/W 8'b00xx_xxxx
SDA_DRV[1:0] RSVD INTB_DRV[1:0] RESETBMCU_DRV[1:0]
00xxxxxx
D0 OTP AUTO 
ECC0 R/W 8'b0000_0000
–––
AUTO_ECC 
_BANK5
AUTO_ECC 
_BANK4
AUTO_ECC_B
ANK3
AUTO_ECC 
_BANK2
AUTO_ECC_B
ANK1
00000000
D8 Reserved –8'b0000_0000
AUTO_BLOW_TIME[7:0] 
00000000
D9 Reserved –8'b0000_0000
START RELOAD EN_RW AUTO_FUSE_
BLOW5
AUTO_FUSE_
BLOW4
AUTO_FUSE_
BLOW3
AUTO_FUSE_
BLOW2
AUTO_FUSE_
BLOW1
00000000
Table 196.  Extended page 1 (continued)
Address Register 
Name TYPE Default
BITS[7:0]
7 6 5 4 3 2 1 0

FUNCTIONAL DESCRIPTION AND APPLICATION INFORMATION
NXP Semiconductors 109
PF3000
E1 OTP ECC 
CTRL1 R/W 8'b0000_0000
RSVD ECC1_CALC_
CIN ECC1_CIN_TBB[5:0]
00000000
E2 OTP ECC 
CTRL2 R/W 8'b0000_0000
RSVD ECC2_CALC_
CIN ECC2_CIN_TBB[5:0]
00000000
E3 OTP ECC 
CTRL3 R/W 8'b0000_0000
RSVD ECC3_CALC_
CIN ECC3_CIN_TBB[5:0]
00000000
E4 OTP ECC 
CTRL4 R/W 8'b0000_0000
RSVD ECC4_CALC_
CIN ECC4_CIN_TBB[5:0]
00000000
E5 OTP ECC 
CTRL5 R/W 8'b0000_0000
RSVD ECC5_CALC_
CIN ECC5_CIN_TBB[5:0]
00000000
F1 OTP FUSE 
CTRL1 R/W 8'b0000_0000
––––
ANTIFUSE1_E
N
ANTIFUSE1_L
OAD
ANTIFUSE1_R
WBYPASS1
00000 0 00
F2 OTP FUSE 
CTRL2 R/W 8'b0000_0000
––––
ANTIFUSE2_E
N
ANTIFUSE2_L
OAD
ANTIFUSE2_R
WBYPASS2
00000 0 00
F3 OTP FUSE 
CTRL3 R/W 8'b0000_0000
––––
ANTIFUSE3_E
N
ANTIFUSE3_L
OAD
ANTIFUSE3_R
WBYPASS3
00000 0 00
F4 OTP FUSE 
CTRL4 R/W 8'b0000_0000
––––
ANTIFUSE4_E
N
ANTIFUSE4_L
OAD
ANTIFUSE4_R
WBYPASS4
00000 0 00
F5 OTP FUSE 
CTRL5 R/W 8'b0000_0000
––––
ANTIFUSE5_E
N
ANTIFUSE5_L
OAD
ANTIFUSE5_R
WBYPASS5
00000 0 00
Table 197.  Extended page 2 (continued)
Address Register 
Name TYPE Default
BITS[7:0]
76543210
Cure Carmel \ugm
 
\mhshzahun Slaw Macmne
 
 
 
on: Suvulwes
Canlm‘
 
|:|
E
l
 
 
 
  
 
 
  
 
‘\>—(
q>—< ‘w—t="" ‘w—(f=""><>TYPICAL APPLICATIONS
110 NXP Semiconductors
PF3000
7 Typical applications
7.1 Application diagram
Figure 36.  Typical application schematic
VIN
INTB
LICELL
SWBSTFB
SWBSTLX
O/P
Drive
SWBST
600 mA
Boost
PWRON
STANDBY
ICTEST
Output Pin
Input Pin
Bi-directional Pin
Package Pin Legend
SCL
SDA
VDDIO
VCOREDIG
VCOREREF
GNDREF
220nF
Coin Cell 
Battery
1.0uF
220nF
VIN
2 x 22uF
SWBSTOUT
2.2uH 10uF
To/From Processor
VSNVS
VSNVS
0.47uF
Li Cell 
Charger
RESETBMCU
VLDO1 
100 mA
VLDO1
VLDO1IN
2.2uF
VLDO2 
250 mA
VLDO2
4.7uF
VLDO3 
100 mA
VLDO3
VLDO34IN
2.2uF
VLDO4 
350 mA
VLDO4
4.7uF
VCC_SD
100 mA
VCC_SD
2.2uF
V33
350 mA
V33
4.7uF
Best 
of 
Supply
OTP
VREFDDR
1.0uF
VDDOTP
VINREFDDR
VHALF
100nF
100nF
VCORE
100k
100k
4.7k
PF3000
CONTROL
Clocks
32kHz and 16MHz
Initialization State Machine
I2C 
Interface
Clocks and 
resets
I2C 
Register 
map
Trim-In-Package
4.7k
1.0uF
Supplies 
Control
DVS Control
DVS CONTROL
Reference 
Generation
SW3OUT
VIN*
Core Control logic
VIN
VDDIO
VDDIO
1.0uF
1.0uF
VDDIO
To 
MCU
VLDO2IN
1.0uF
VIN
V33
SW1A 
1.0 A 
Buck SW1AFB
SW1ALX
O/P
Drive SW1AIN
100nF
1.5uH
SW1AOUT
2 x 22uF
VIN
4.7uF
SW2 
1.25 A 
Buck SW2FB
SW2LX
O/P
Drive SW2IN
100nF
1.5uH
SW2OUT
2 x 22uF
VIN
4.7uF
SW1B 
1.75 A 
Buck SW1BFB
SW1BLX
O/P
Drive SW1BIN
100nF
1.5uH
SW1BOUT
2 x 22uF
VIN
GNDREF1
4.7uF
SW3 
1.5 A 
Buck SW3FB
SW3LX
O/P
Drive SW3IN
100nF
1.5uH
SW3OUT
2 x 22uF
VIN
GNDREF2
4.7uF
LDO
LDOG
VPWR
VREF
2 x 47uF
4.7uF 100nF
+5V
2 x 47uF
Notes:
*: The PF3000 can also be powered through VIN directly  (ie. 3.7V Li-ion Battery 
application). In this case, the Front-End LDO regulator is not used : the external 
MOSFET has to be unpopulated and VPWR pin must be connected to GND . 
The capacitors on VPWR can be removed and only a  2.2uF capacitor on VIN to 
ground is necessary in this case.
- Unused BUCK and BOOST: Connect input pin SWxIN to VIN with a 0.1 uF 
bypass capacitor to ground. Leave LX and FB pins floating.
- Unused LDO: output can be left floating. Connect input pin to GND if not shared
with other LDOs.
VIN2
10uF VIN
VIN2
1.0uF
SD_VSEL
100nF
100nF
1.0uF

BILL OF MATERIALS
NXP Semiconductors 111
PF3000
8 Bill of materials
The following table provides a complete list of the recommended components on a full featured system using the PF3000 Device for 
-40 °C to 85 °C applications. Components are provided with an example part number; equivalent components may be used.
Table 198.  Bill of materials for -40 °C to 85 °C applications  
Value Qty Description Part# Manufacturer Component/Pin
PMIC
N/A 1 Power management IC PF3000 NXP IC
Buck regulators
1.5 µH 4
IND PWR 1.5 μH at 1.0 MHz 2.9 A 
20% 2016 DFE201610E-1R5M TOKO INC. SW1A, SW1B, SW2, SW3 
inductors
IND PWR 1.5 μH at 1.0 MHz 2.2 A 
20% 1210 BRL3225T1R5M Taiyo Yuden Alternate for low-power 
applications
4.7 µF 4CAP CER 4.7 µF 10 V 20% X5R 
0402 GRM155R61A475MEAA Murata SW1A, SW1B, SW2, SW3 input 
capacitors
0.1 µF 4CAP CER 0.1 µF 10 V 20% X5R 
0201 GRM033R61A104ME84 Murata SW1A, SW1B, SW2, SW3 input 
capacitors (optional)
22 µF 8CAP CER 22 µF 10 V 20% X5R 
0603 GRM188R61A226ME15 Murata SW1A, SW1B, SW2, SW3 output 
capacitors
Boost regulator
2.2 µH 1
IND PWR 2.2 µH at 1.0 MHz 2.4 A 
20% 2016 DFE201610E-2R2M TOKO INC. SWBST inductor
IND PWR 2.2 µH at 1.0 MHz 
1.85 A 20% 1210 BRL3225T2R2M Taiyo Yuden Alternate for low-power 
applications
10 µF 1CAP CER 10 µF 10 V 20% X5R 
0402 GRM155R61A106ME11 Murata SWBST input capacitor
N/A 1 DIODE SCH PWR RECT 1.0 A 
20 V SMT MBR120LSFT3G ON Semi SWBST diode
22 µF 2CAP CER 22 µF 10 V 20% X5R 
0603 GRM188R61A226ME15D Murata SWBST output capacitors
Linear regulators
1.0 µF 3CAP CER 1.0 µF 10 V 20% X5R 
0201 GRM033R61A105ME44 Murata VLDO1, VLDO2, VLDO3 and 
VLDO4 input capacitors
2.2 µF 3CAP CER 2.2 µF 10 V 20% X5R 
0201 GRM033R61A225ME47 Murata VLDO1, VLDO3, VCC_SD 
output capacitors
10 µF 1CAP CER 10 µF 10 V 20% X5R 
0402 GRM155R61A106ME11 Murata V33 and VCC_SD input 
capacitor
4.7 µF 3CAP CER 4.7 µF 10 V 20% X5R 
0402 GRM155R61A475MEAA Murata VLDO2, VLDO4, V33 output 
capacitors
Miscellaneous
1.0 µF 4CAP CER 1.0 µF 10 V 20% X5R 
0201 GRM033R61A105ME44 Murata
VCORE, VCOREDIG, 
VREFDDR, VINREFDDR 
capacitors
0.22 µF 2CAP CER 0.22 µF 10 V 20% X5R 
0201 GRM033R61A224ME90 Murata VCOREREF and Coin Cell 
output capacitors
0.47 µF 1CAP CER 0.47 µF 10 V 20% X5R 
0201 GRM033R61A474ME90 Murata VSNVS output capacitor
47 µF 4CAP CER 47 µF 10 V 20% X5R 
0805 GRM21BR61A476ME15 Murata Front-end LDO capacitors for 
VIN and VPWR.

BILL OF MATERIALS
112 NXP Semiconductors
PF3000
The following table provides a complete list of the recommended components on a full featured system using the PF3000 Device for  
-40 °C to 105 °C applications. Components are provided with an example part number, equivalent components may be used.
2.2 µF 1CAP CER 2.2 µF 10 V 20% X5R 
0201 GRM033R61A225ME47 Murata VIN input capacitor when not 
using Front-end LDO
0.1 µF 5CAP CER 0.1 µF 10 V 10% X5R 
0201 GRM033R61A104KE84 Murata VDDIO, VHALF, VPWR, VIN 
input capacitors (optional)
N/A 1 TRAN PMOS 11. A 12 V 12 SOT-
1220 PMPB15XP NXP External MOSFET
100 k 2RES MF 100 k 1/16 W 1% 0402 RC0402FR-07100KL Yageo America Pull-up resistors
4.7 k 2RES MF 4.70 k 1/20 W 1% 0201 RC0201FR-074K7L Yageo America I²C pull-up resistors
Table 199.  Bill of materials for -40 °C to 105 °C applications  
Value Qty Description Part# Manufacturer Component/Pin
PMIC
N/A 1 Power management IC PF3000 NXP IC
Buck regulators
1.5 µH 4
IND PWR 1.5 µH at 1.0 MHz 2.9 A 
20% 2016 DFE201610E-1R5M Toko Inc. SW1A, SW1B, SW2, SW3 
inductors
IND PWR 1.5 µH at 1.0 MHz 2.2 A 
20% 1210 BRL3225T1R5M Taiyo Yuden Alternate for low-power 
applications
4.7 µF 4CAP CER 4.7 µF 10 V 10% X7S 
0603 GRM188C71A475KE11 Murata SW1A, SW1B, SW2, SW3 input 
capacitors
0.1 µF 4CAP CER 0.1 µF 10 V 10% X7S 
0201 GRM033C71A104KE14 Murata SW1A, SW1B, SW2, SW3 input 
capacitors (optional)
22 µF 8CAP CER 22 µF 10 V 20% X7T 
0805 GRM21BD71A226ME44 Murata SW1A, SW1B, SW2, SW3 output 
capacitors
Boost regulator
2.2 µH 1
IND PWR 2.2 µH at 1.0 MHz 2.4 A 
20% 2016 DFE201610E-2R2M Toko Inc. SWBST Inductor
IND PWR 2.2 µH at 1.0 MHz 
1.85 A 20% 1210 BRL3225T2R2M Taiyo Yuden Alternate for low-power 
applications
10 µF 1CAP CER 10 µF 10 V 20% X7T 
0603 GRM188D71A106MA73 Murata SWBST input capacitor
N/A 1 DIODE SCH PWR RECT 1.0 A 
20 V SMT MBR120LSFT3G ON Semi SWBST diode
22 µF 2CAP CER 22 µF 10 V 20% X5R 
0603 GRM188R61A226ME15D Murata SWBST output capacitors
Linear regulators
1.0 µF 3CAP CER 1.0 µF 10 V 10% X7S 
0402 GRM155C71A105KE11 Murata VLDO1, VLDO2, VLDO3 and 
VLDO4 input capacitors
2.2 µF 3CAP CER 2.2 µF 10 V 10% X7S 
0402 GRM155C71A225KE11 Murata VLDO1, VLDO3, VCC_SD 
output capacitors
10 µF 1CAP CER 10 µF 10 V 20% X7T 
0603 GRM188D71A106MA73 Murata V33 and VCC_SD input capacitor
Table 198.  Bill of materials for -40 °C to 85 °C applications (continued)
Value Qty Description Part# Manufacturer Component/Pin

BILL OF MATERIALS
NXP Semiconductors 113
PF3000
4.7 µF 3CAP CER 4.7 µF 10 V 10% X7S 
0603 GRM188C71A475KE11 Murata VLDO2, VLDO4, V33 output 
capacitors
Miscellaneous
1.0 µF 4CAP CER 1.0 µF 10 V 10% X7R 
0402 GRM155C71A105KE11 Murata
VCORE, VCOREDIG, 
VREFDDR, VINREFDDR 
capacitors
0.22 µF 2CAP CER 0.22 µF 10 V 10% X7R 
0402 GRM155R71A224KE01 Murata VCOREREF and coin cell output 
capacitors
0.47 µF 1CAP CER 0.47 µF 10 V 20% X5R 
0201 GRM155R71A474KE01 Murata VSNVS output capacitor
47 µF 4CAP CER 47 µF 10 V 20% X7R 
1210 GRM32ER71A476ME15 Murata Front-end LDO capacitors for 
VIN and VPWR.
2.2 µF 1CAP CER 2.2 µF 10 V 10% X7S 
0402 GRM155C71A225KE11 Murata VIN input capacitor when not 
using front-end LDO
0.1 µF 5CAP CER 0.1 µF 10 V 10% X7S 
0201 GRM033C71A104KE14 Murata VDDIO, VHALF, VPWR, VIN 
input capacitors (optional)
N/A 1 TRAN PMOS 11. A 12 V 12 SOT-
1220 PMPB15XP NXP External MOSFET
100 k 2RES MF 100k 1/16 W 1% 0402 RC0402FR-07100KL Yageo America Pull-up resistors
4.7 k 2RES MF 4.70k 1/20 W 1% 0201 RC0201FR-074K7L Yageo America I²C pull-up resistors
Table 199.  Bill of materials for -40 °C to 105 °C applications (continued)
Value Qty Description Part# Manufacturer Component/Pin

THERMAL INFORMATION
114 NXP Semiconductors
PF3000
9 Thermal information
9.1 Rating data
The thermal rating data of the packages has been simulated with the results listed in Thermal ratings. Junction to ambient thermal 
resistance nomenclature: the JEDEC specification reserves the symbol RθJA or θJA (Theta-JA) strictly for junction-to-ambient thermal 
resistance on a 1s test board in natural convection environment. RθJMA or θJMA (Theta-JMA) is used for both junction-to-ambient on a 
2s2p test board in natural convection and for junction-to-ambient with forced convection on both 1s and 2s2p test boards. It is anticipated 
that the generic name, Theta-JA, continues to be commonly used. The JEDEC standards can be consulted at http://www.jedec.org.
9.2 Estimation of junction temperature 
An estimation of the chip junction temperature TJ can be obtained from the equation:
TJ = TA + (RθJA x PD) 
with: 
TA = Ambient temperature for the package in °C
RθJA = Junction to ambient thermal resistance in °C/W
PD = Power dissipation in the package in W
The junction to ambient thermal resistance is an industry standard value that provides a quick and easy estimation of thermal performance. 
Unfortunately, there are two values in common usage: the value determined on a single layer board RθJA and the value obtained on a four 
layer board RθJMA. Actual application PCBs show a performance close to the simulated four layer board value although this may be 
somewhat degraded in case of significant power dissipated by other components placed close to the device.
At a known board temperature, the junction temperature TJ is estimated using the following equation 
TJ = TB + (RθJB x PD) with
TB = Board temperature at the package perimeter in °C
RθJB = Junction to board thermal resistance in °C/W
PD = Power dissipation in the package in W
When the heat loss from the package case to the air can be ignored, acceptable predictions of junction temperature can be made.
 
 
 
 
 
 
PW 1
 
\NDEX AREA DETATL c
@ 2x
17 o m c
 
 
E71 /+
 
 
 
 
 
 
 
 
 
 
 
 
 
 
 
 
 
 
 
 
 
 
 
 
 
 
 
EXPOSED UTE
ATTACH FAD
0'30
123 C25 {45X (MB
, { a} OWN/HEM
3 C t o.ob®\c\
3 C
3 C
3 C
3 + C
3 C
3 C
3 C
* € 0'45
1 3 C 35 Fax 055
mmmmmmmmmmmmi
PW 1 \D 45 37 f
0 35mm
@ “£335ij _ g; ‘ MECHANICAL ommg \ mm vmsm NDT To sum
T‘TLEV DOCUMENT NOSEASAUUWQD REVV a
 
 
QFN, THERMALLY ENHANCED,
7 x 7 x 0.85, 0.5 PTTCH. 4a TERMTNAL STANDARD: NUN’JEDEC
 
 
27 JUN 2014
 
 
 
PACKAGING
NXP Semiconductors 115
PF3000
10 Packaging
10.1 Packaging dimensions
Package dimensions are provided in package drawings. To find the most current package outline drawing, go to www.nxp.com and 
perform a keyword search for the drawing's document number. See the Thermal Characteristics section for specific thermal characteristics 
for each package.
Table 200.  Package drawing information
Package  Suffix Package outline drawing number
48-pin QFN 7X7 mm - 0.5mm pitch EP 98ASA00719D
48 QFN 7.0 mm x 7.0 mm WF-type (wettable flank) ES 98ASA00933D
l (02) ,
f 005 L ‘TLW 25)
(0.5)
DETA‘L G
 
     
   
 
sEmNc PLAVE
WEW ROTATED QO'CW
 
 
"‘1 MECHANICAL OUTLINE
Wm VERS‘ON NOT TO SCALE
 
 
 
DCCUMEVT NO. geAsAoomgn
REV u
 
OF\, THEN/ALLY EVHANCED,
STAN)ARD NuNwEDEc
 
7 X 7 X 085‘ 0.5 F‘TCH. 48 TERM‘NAL
 
77 JUN 7OM
 
 
 
PACKAGING
116 NXP Semiconductors
PF3000
NOTES.
T, ALL DTNENSTONS ARE TN NTLLTMETERS.
2. DTNENsToNTNG AND TDLEHANCTNG PER ASHE VMSMETQQA,
3. THTS T5 A NoNrJEDEc REGTSTERED PACKAGE.
AcoPLANARTTV APPLES To LEADS AND DTE ATTACH FLAG
ADTMENSTM APPLTES m METALLTZED TERMTNAL AND Ts MEASLlRED BETWEEN m5 AND 3.3 MM
ERoN TERMTNAL TTP TE THE TERMTNAL HAS THE DPTTDNAL RADTDS ON THE OTHER END OF
THE TERMWALT THE DTNENsToN SHDDLD NoT BE MEASURED TN THAT RADTDS AREA,
 
     
LE EMA
, w 1
ALL mm a [mi
MECHANICAL ouTLTNE
PRTNT vERsToN NoT To SCALE
 
 
QFN’ THERMALLY ENHANCED;
7 X 7 X 0.85. 0.5 PTTCH. 48 TERMTNAL
DucDNENT ND: SEASADG7T9D
REV: a
 
STANDARD NoNrJEDEC
 
 
27 JUN 2014
 
 
 
PACKAGING
NXP Semiconductors 117
PF3000
PW T
 
 
 
 
 
 
 
 
 
 
 
 
 
 
 
 
 
 
 
 
 
 
 
 
 
 
 
 
 
 
 
DETATL G
 
 
 
 
\NDEX AREA
7
2X
4 M
94
*«MAX 0.03
EXPOSED DTE
ATTACH PAD T3 24
WWWWWWWWWWWW 0,3
12 3 € 25 481 0'2
3 T E $ 0 ‘® I
3 \ \ e V 70.05%)-
3 6
3 € __44x D 5
3 W W e A3
3 e 7
3 E f
3 e
3 T E
3 ‘ E 0,45
T 3 € 36 A“ 0.35
mmmmmmmmmmmmi
PW 1 TD 423 37 T
n,35xo.35
MECHANICAL OUTLINE ‘ PRTNT VERSTON NOT To SCALE
DOCUMENT N029EASA00933D REV: a
 
QFN, THERMALLY ENHANCED;
7 X 7 X 0.85, 035 P‘TCH. 48 TERM‘NAL
 
STANDARD: NONrJEDEC
 
 
23 SEP 2m5
 
 
 
PACKAGING
118 NXP Semiconductors
PF3000
 
 
 
DETA‘L G
VTEW ROTATED SD'CW
48X
5- A
 
 
SEATTNG PLANE
 
MECHANICAL OUTLINE
PRTNT VERSTON NOT To SCALE
 
 
 
DOCUMENT No: QBASADDQJBD
REV: 0
 
QFN, THERMALLY ENHANCED,
7 X 7 X 0,85. 0.5 P‘TCH, 4B TERM‘NAL
STANDARD NDNrJEDEC
 
 
23 SEP 2015
 
 
 
PACKAGING
NXP Semiconductors 119
PF3000
NOTES:
1. ALL DTMENSTONS APE TN MTLLTMETEPS.
2. DTMENSTDNTNG AND TOLERANCTNG PEP ASME NASA/14994.
3. THTS TS A NONHJEDEC REGTSTERED PACKAGE.
ACOPLANARTTY APPLTES To LEADS. CORNER LEADS AND BE ATTACH PAD.
5. MW METAL GAP SHOULD BE 02 MM.
 
"‘ MECHANICAL OUTLINE
PRTNT VERSTON NOT To SCALE
 
 
 
QFN, THERMALLY ENHANCED,
7 X 7 X 0.85, 0.5 P‘TCH, 4B TERM‘NAL
DOCUMENT ND: 95A5A0u9330
PEv: a
 
STANDARD: NONidEDEC
 
 
23 SEP 2015
 
 
 
PACKAGING
120 NXP Semiconductors
PF3000
 
 
VREFDDR umpm accuracy spec re-furmafled
 
Correcled Regwster \NTSENSEU - ADDR 0x07
 
Inemded LMX Senes pmoessor
 
Rep‘aced ‘ MX Senes by I.MX 7
 
Added MCSQFFSDUUAGEP‘ MC34PF3000AEEP‘ McazFFsouuNEF, and MCSAPFGDOOA‘IEP parts
 
Added BBASAUDSSSD and me page 1 package \mage 4dr weuame flank
 
Changed FCSSFFSDUUAOES‘ PCSSPFSUDDASES, PCSSPFGOOOAAES‘ PCSSPFSDDUASES‘
 
 
Added MCSQFFSDUUASEP and MCSAPFSDDUASEP pans m Tame 1
 
 
 
 
 
 
 
REVISION HISTORY
NXP Semiconductors 121
PF3000
11 Revision history
Revision Date Description of changes
1.0 11/2014 • Initial release
2.0 2/2015
• VREFDDR output accuracy spec re-formatted
• Added typical performance waveforms
• Corrected OTP option 1 set points
• LDO current limit specifications updated
• VPWR LDO output voltage accuracy specification updated
• Updated register names of Extended Page 1 registers to maintain consistency throughout document
• Added typical bill of materials
3.0 2/2015 • Corrected Register INTSENSE0 - ADDR 0x07
• Added orderable part numbers PC32PF3000A5EP and PC34PF3000A5EP
4.0 6/2015
• Included i.MX Series processor
• Redefined voltages for SW1A and SW1A/B
• Corrected typographic errors
• Improved bill of materials capacitors
• Updated SW1A/B, SW1A, and SW1B Output Voltage Accuracy 
• Added note on LICELL for Operating Input Voltage
• Improved temperature range to 105 °C 
• Updated ILIM max values for Linear regulators
• VCOREDIG/VCOREREF tables updated
• Updated LSL of ISW1BLIM to 2.4 A
5.0 6/2015
• Replaced i.MX Series by i.MX 7
• Added i.MX 6UL processor
• Updated Bill of Materials Table 199
6.0 8/2015
• Added MC32PF3000A6EP, MC34PF3000A6EP, MC32PF3000A7EP, and MC34PF3000A7EP parts 
to the Orderable Part Variations Table
• Updated Table 42
• Removed i.MX 6 DL note on Power Virus
• Updated the definition of rated current for switchers and linear regulators
7.0
3/2016
• Added 98ASA00933D and the page 1 package image for wettable flank
• Changed Table 2, pins 7, 10, 18, and 28, from Bypass with at least a 10 μF to Bypass with at least a 
4.7 μF
• Added PC33PF3000A0ES, PC33PF3000A3ES, PC33PF3000A4ES, PC33PF3000A5ES, 
PC33PF3000A6ES, and PC33PF3000A7ES to Table 1
8/2016 • Changed PC33PF3000A0ES, PC33PF3000A3ES, PC33PF3000A4ES, PC33PF3000A5ES, 
PC33PF3000A6ES, and PC33PF3000A7ES to MC parts in Table 1
9/2016 • Updated Table 66 LDO Control to accurately describe all modes
8.0 3/2017
• Added MC32PF3000A8EP and MC34PF3000A8EP parts to Table 1
• Added new note (2) to Table 1
• Updated VSW1AACC parameter in Table 7
• Added OTP configuration for A8 to Table 42
• Updated Table 80 (changed default value to 1)
9.0 8/2017 • Updated notes (47) and (49) as per 201707041I
\/RoHs
Information in this document is provided solely to enable system and software implementers to use NXP products. 
There are no expressed or implied copyright licenses granted hereunder to design or fabricate any integrated circuits 
based on the information in this document. NXP reserves the right to make changes without further notice to any 
products herein.
NXP makes no warranty, representation, or guarantee regarding the suitability of its products for any particular 
purpose, nor does NXP assume any liability arising out of the application or use of any product or circuit, and 
specifically disclaims any and all liability, including without limitation, consequential or incidental damages. "Typical" 
parameters that may be provided in NXP data sheets and/or specifications can and do vary in different applications, 
and actual performance may vary over time. All operating parameters, including "typicals," must be validated for each 
customer application by the customer's technical experts. NXP does not convey any license under its patent rights nor 
the rights of others. NXP sells products pursuant to standard terms and conditions of sale, which can be found at the 
following address: 
http://www.nxp.com/terms-of-use.html.
How to Reach Us:
Home Page: 
NXP.com 
Web Support: 
http://www.nxp.com/support
NXP, the NXP logo, Freescale, the Freescale logo, and SMARTMOS are trademarks of NXP B.V. All other product or 
service names are the property of their respective owners. All rights reserved.
© NXP B.V. 2017.
Document Number:  PF3000
Rev. 9.0
8/2017
Products related to this Datasheet
POWER MANAGEMENT IC I.MX7 PRE-
        
    POWER MANAGEMENT IC I.MX7 PRE-
        
    POWER MANAGEMENT IC I.MX7 PRE-
        
    POWER MANAGEMENT IC I.MX7 PRE-
        
    POWER MANAGEMENT IC I.MX7 PRE-
        
    POWER MANAGEMENT IC I.MX7 PRE-
        
    POWER MANAGEMENT IC I.MX7 PRE-
        
    POWER MANAGEMENT IC I.MX7 PRE-
        
    POWER MANAGEMENT IC I.MX7 PRE-
        
    POWER MANAGEMENT IC I.MX7 PRE-
        
    POWER MANAGEMENT IC I.MX7 PRE-
        
    POWER MANAGEMENT IC I.MX7 PRE-
        
    POWER MANAGEMENT IC I.MX7 PRE-
        
    POWER MANAGEMENT IC I.MX7 PRE-
        
    POWER MANAGEMENT IC I.MX7 PRE-
        
    POWER MANAGEMENT IC I.MX7 PRE-
        
    POWER MANAGEMENT IC I.MX7 PRE-
        
    POWER MANAGEMENT IC I.MX7 PRE-
        
    POWER MANAGEMENT IC I.MX7 PRE-
        
    POWER MANAGEMENT IC I.MX7 PRE-
        
    POWER MANAGEMENT IC I.MX7 PRE-
        
    POWER MANAGEMENT IC I.MX7 PRE-
        
    POWER MANAGEMENT IC I.MX7 PRE-
        
    POWER MANAGEMENT IC I.MX7 PRE-
        
    POWER MANAGEMENT IC I.MX7 PRE-
        
    POWER MANAGEMENT IC I.MX7 PRE-
        
    POWER MANAGEMENT IC I.MX7 PRE-
        
    POWER MANAGEMENT IC I.MX7 PRE-
        
    POWER MANAGEMENT IC I.MX7 PRE-
        
    POWER MANAGEMENT IC I.MX7 PRE-