®
Altera Corporation  1
ACEX 1K
Programmable Logic Device Family
May 2003, ver. 3.4 Data Sheet
DS-ACEX-3.4
Development
13
Tools
Features... ■Programmable logic devices (PLDs), providing low cost 
system-on-a-programmable-chip (SOPC) integration in a single 
device
– Enhanced embedded array for implementing megafunctions 
such as efficient memory and specialized logic functions 
– Dual-port capability with up to 16-bit width per embedded array 
block (EAB)
– Logic array for general logic functions
■High density
– 10,000 to 100,000 typical gates (see Table 1)
– Up to 49,152 RAM bits (4,096 bits per EAB, all of which can be 
used without reducing logic capacity)
■Cost-efficient programmable architecture for high-volume 
applications
– Cost-optimized process
– Low cost solution for high-performance communications 
applications
■System-level features
– MultiVoltTM I/O pins can drive or be driven by 2.5-V, 3.3-V, or 
5.0-V devices
– Low power consumption
– Bidirectional I/O performance (setup time [tSU] and clock-to-
output delay [tCO]) up to 250 MHz
– Fully compliant with the peripheral component interconnect 
Special Interest Group (PCI SIG) PCI Local Bus Specification, 
Revision 2.2 for 3.3-V operation at 33 MHz or 66 MHz
■Extended temperature range
Table 1. ACEXTM 1K Device Features
Feature EP1K10 EP1K30 EP1K50 EP1K100
Typical gates 10,000 30,000 50,000 100,000
Maximum system gates 56,000 119,000 199,000 257,000
Logic elements (LEs) 576 1,728 2,880 4,992
EABs 3 6 10 12
Total RAM bits 12,288 24,576 40,960 49,152
Maximum user I/O pins 136 171 249 333

2Altera Corporation
ACEX 1K Programmable Logic Device Family Data Sheet
...and More 
Features
– -1 speed grade devices are compliant with PCI Local Bus 
Specification, Revision 2.2 for 5.0-V operation
– Built-in Joint Test Action Group (JTAG) boundary-scan test 
(BST) circuitry compliant with IEEE Std. 1149.1-1990, available 
without consuming additional device logic.
– Operate with a 2.5-V internal supply voltage
– In-circuit reconfigurability (ICR) via external configuration 
devices, intelligent controller, or JTAG port
– ClockLockTM and ClockBoostTM options for reduced clock delay, 
clock skew, and clock multiplication
– Built-in, low-skew clock distribution trees
–100% functional testing of all devices; test vectors or scan chains 
are not required
– Pull-up on I/O pins before and during configuration
■Flexible interconnect
–FastTrack
® Interconnect continuous routing structure for fast, 
predictable interconnect delays
– Dedicated carry chain that implements arithmetic functions such 
as fast adders, counters, and comparators (automatically used by 
software tools and megafunctions)
– Dedicated cascade chain that implements high-speed, 
high-fan-in logic functions (automatically used by software tools 
and megafunctions)
– Tri-state emulation that implements internal tri-state buses
– Up to six global clock signals and four global clear signals
■Powerful I/O pins
– Individual tri-state output enable control for each pin
– Open-drain option on each I/O pin
– Programmable output slew-rate control to reduce switching 
noise
–Clamp to V
CCIO user-selectable on a pin-by-pin basis
– Supports hot-socketing

Altera Corporation  3
ACEX 1K Programmable Logic Device Family Data Sheet
Development
13
Tools
■Software design support and automatic place-and-route provided by 
Altera development systems for Windows-based PCs and Sun 
SPARCstation, and HP 9000 Series 700/800 workstations
■Flexible package options are available in 100 to 484 pins, including 
the innovative FineLine BGATM packages (see Tables 2 and 3)
■Additional design entry and simulation support provided by EDIF 
2 0 0 and 3 0 0 netlist files, library of parameterized modules (LPM), 
DesignWare components, Verilog HDL, VHDL, and other interfaces 
to popular EDA tools from manufacturers such as Cadence, 
Exemplar Logic, Mentor Graphics, OrCAD, Synopsys, Synplicity, 
VeriBest, and Viewlogic
Notes:
(1) ACEX 1K device package types include thin quad flat pack (TQFP), plastic quad flat pack (PQFP), and FineLine 
BGA packages.
(2) Devices in the same package are pin-compatible, although some devices have more I/O pins than others. When 
planning device migration, use the I/O pins that are common to all devices. 
(3) This option is supported with a 256-pin FineLine BGA package. By using SameFrameTM pin migration, all FineLine 
BGA packages are pin-compatible. For example, a board can be designed to support 256-pin and 484-pin FineLine 
BGA packages. 
Table 2. ACEX 1K Package Options & I/O Pin Count Notes (1), (2)
Device 100-Pin TQFP 144-Pin TQFP 208-Pin PQFP 256-Pin
FineLine BGA 484-Pin
FineLine BGA
EP1K10 66 92 120 136 136 (3)
EP1K30 102 147 171 171 (3)
EP1K50 102 147 186 249
EP1K100 147 186 333
Table 3. ACEX 1K Package Sizes
Device 100-Pin TQFP 144-Pin TQFP 208-Pin PQFP 256-Pin
FineLine BGA 484-Pin
FineLine BGA
Pitch (mm) 0.50 0.50 0.50 1.0 1.0
Area (mm2) 256 484 936 289 529
Length × width
(mm × mm)
16 × 16 22 × 22 30.6 × 30.6 17 × 17 23 × 23

4Altera Corporation
ACEX 1K Programmable Logic Device Family Data Sheet
General 
Description
Altera® ACEX 1K devices provide a die-efficient, low-cost architecture by 
combining look-up table (LUT) architecture with EABs. LUT-based logic 
provides optimized performance and efficiency for data-path, register 
intensive, mathematical, or digital signal processing (DSP) designs, while 
EABs implement RAM, ROM, dual-port RAM, or first-in first-out (FIFO) 
functions. These elements make ACEX 1K suitable for complex logic 
functions and memory functions such as digital signal processing, wide 
data-path manipulation, data transformation and microcontrollers, as 
required in high-performance communications applications. Based on 
reconfigurable CMOS SRAM elements, the ACEX 1K architecture 
incorporates all features necessary to implement common gate array 
megafunctions, along with a high pin count to enable an effective interface 
with system components. The advanced process and the low voltage 
requirement of the 2.5-V core allow ACEX 1K devices to meet the 
requirements of low-cost, high-volume applications ranging from DSL 
modems to low-cost switches.
The ability to reconfigure ACEX 1K devices enables complete testing prior 
to shipment and allows the designer to focus on simulation and design 
verification. ACEX 1K device reconfigurability eliminates inventory 
management for gate array designs and test vector generation for fault 
coverage.
Table 4 shows ACEX 1K device performance for some common designs. 
All performance results were obtained with Synopsys DesignWare or 
LPM functions. Special design techniques are not required to implement 
the applications; the designer simply infers or instantiates a function in a 
Verilog HDL, VHDL, Altera Hardware Description Language (AHDL), or 
schematic design file.
Notes:
(1) This application uses combinatorial inputs and outputs.
(2) This application uses registered inputs and outputs.
Table 4. ACEX 1K Device Performance
Application Resources 
Used Performance
LEs EABs Speed Grade Units
-1 -2 -3
16-bit loadable counter 16 0 285 232 185 MHz
16-bit accumulator 16 0 285 232 185 MHz
16-to-1 multiplexer (1) 10 0 3.5 4.5 6.6 ns
16-bit multiplier with 3-stage pipeline(2) 592 0 156 131 93 MHz
256 × 16 RAM read cycle speed (2) 0 1 278 196 143 MHz
256 × 16 RAM write cycle speed (2) 0 1 185 143 111 MHz
 
 
Altera Corporation  5
ACEX 1K Programmable Logic Device Family Data Sheet
Development
13
Tools
Table 5 shows ACEX 1K device performance for more complex designs. 
These designs are available as Altera MegaCoreTM functions.
Each ACEX 1K device contains an embedded array and a logic array. The 
embedded array is used to implement a variety of memory functions or 
complex logic functions, such as digital signal processing (DSP), wide 
data-path manipulation, microcontroller applications, and data-
transformation functions. The logic array performs the same function as 
the sea-of-gates in the gate array and is used to implement general logic 
such as counters, adders, state machines, and multiplexers. The 
combination of embedded and logic arrays provides the high 
performance and high density of embedded gate arrays, enabling 
designers to implement an entire system on a single device.
ACEX 1K devices are configured at system power-up with data stored in 
an Altera serial configuration device or provided by a system controller. 
Altera offers EPC16, EPC2, EPC1, and EPC1441 configuration devices, 
which configure ACEX 1K devices via a serial data stream. Configuration 
data can also be downloaded from system RAM or via the Altera 
MasterBlasterTM, ByteBlasterMVTM, or BitBlasterTM download cables. After 
an ACEX 1K device has been configured, it can be reconfigured in-circuit 
by resetting the device and loading new data. Because reconfiguration 
requires less than 40 ms, real-time changes can be made during system 
operation.
ACEX 1K devices contain an interface that permits microprocessors to 
configure ACEX 1K devices serially or in parallel, and synchronously or 
asynchronously. The interface also enables microprocessors to treat an 
ACEX 1K device as memory and configure it by writing to a virtual 
memory location, simplifying device reconfiguration.
Table 5. ACEX 1K Device Performance for Complex Designs
Application LEs 
Used Performance
Speed Grade Units
-1 -2 -3
16-bit, 8-tap parallel finite impulse response (FIR) 
filter
597 192 156 116 MSPS
8-bit, 512-point Fast Fourier transform (FFT) 
function
1,854 23.4 28.7 38.9 µs
113 92 68 MHz
a16450 universal asynchronous 
receiver/transmitter (UART)
342 36 28 20.5 MHz

6Altera Corporation
ACEX 1K Programmable Logic Device Family Data Sheet
fFor more information on the configuration of ACEX 1K devices, see the 
following documents:
■Configuration Devices for ACEX, APEX, FLEX, & Mercury Devices Data 
Sheet
■MasterBlaster Serial/USB Communications Cable Data Sheet
■ByteBlasterMV Parallel Port Download Cable Data Sheet
■BitBlaster Serial Download Cable Data Sheet
ACEX 1K devices are supported by Altera development systems, which 
are integrated packages that offer schematic, text (including AHDL), and 
waveform design entry, compilation and logic synthesis, full simulation 
and worst-case timing analysis, and device configuration. The software 
provides EDIF 2 0 0 and 3 0 0, LPM, VHDL, Verilog HDL, and other 
interfaces for additional design entry and simulation support from other 
industry-standard PC- and UNIX workstation-based EDA tools. 
The Altera software works easily with common gate array EDA tools for 
synthesis and simulation. For example, the Altera software can generate 
Verilog HDL files for simulation with tools such as Cadence Verilog-XL. 
Additionally, the Altera software contains EDA libraries that use device-
specific features such as carry chains, which are used for fast counter and 
arithmetic functions. For instance, the Synopsys Design Compiler library 
supplied with the Altera development system includes DesignWare 
functions that are optimized for the ACEX 1K device architecture. 
The Altera development systems run on Windows-based PCs and Sun 
SPARCstation, and HP 9000 Series 700/800 workstations.
fFor more information, see the MAX+PLUS II Programmable Logic 
Development System & Software Data Sheet and the Quartus Programmable 
Logic Development System & Software Data Sheet.
Functional 
Description
Each ACEX 1K device contains an enhanced embedded array that 
implements memory and specialized logic functions, and a logic array 
that implements general logic.
The embedded array consists of a series of EABs. When implementing 
memory functions, each EAB provides 4,096 bits, which can be used to 
create RAM, ROM, dual-port RAM, or first-in first-out (FIFO) functions. 
When implementing logic, each EAB can contribute 100 to 600 gates 
towards complex logic functions such as multipliers, microcontrollers, 
state machines, and DSP functions. EABs can be used independently, or 
multiple EABs can be combined to implement larger functions.

Altera Corporation  7
ACEX 1K Programmable Logic Device Family Data Sheet
Development
13
Tools
The logic array consists of logic array blocks (LABs). Each LAB contains 
eight LEs and a local interconnect. An LE consists of a 4-input LUT, a 
programmable flipflop, and dedicated signal paths for carry and cascade 
functions. The eight LEs can be used to create medium-sized blocks of 
logic—such as 8-bit counters, address decoders, or state machines—or 
combined across LABs to create larger logic blocks. Each LAB represents 
about 96 usable logic gates.
Signal interconnections within ACEX 1K devices (as well as to and from 
device pins) are provided by the FastTrack Interconnect routing structure, 
which is a series of fast, continuous row and column channels that run the 
entire length and width of the device. 
Each I/O pin is fed by an I/O element (IOE) located at the end of each row 
and column of the FastTrack Interconnect routing structure. Each IOE 
contains a bidirectional I/O buffer and a flipflop that can be used as either 
an output or input register to feed input, output, or bidirectional signals. 
When used with a dedicated clock pin, these registers provide exceptional 
performance. As inputs, they provide setup times as low as 1.1 ns and 
hold times of 0 ns. As outputs, these registers provide clock-to-output 
times as low as 2.5 ns. IOEs provide a variety of features, such as JTAG 
BST support, slew-rate control, tri-state buffers, and open-drain outputs. 
Figure 1 shows a block diagram of the ACEX 1K device architecture. Each 
group of LEs is combined into an LAB; groups of LABs are arranged into 
rows and columns. Each row also contains a single EAB. The LABs and 
EABs are interconnected by the FastTrack Interconnect routing structure. 
IOEs are located at the end of each row and column of the FastTrack 
Interconnect routing structure.
 
2::
 
 
 
 
 
 
 
 
 
 
 
 
 
 
 
 
 
 
 
 
 
 
 
 
 
 
 
 
 
 
 
 
 
 
 
 
fiéflfififi
 
8Altera Corporation
ACEX 1K Programmable Logic Device Family Data Sheet
Figure 1. ACEX 1K Device Block Diagram
ACEX 1K devices provide six dedicated inputs that drive the flipflops’ 
control inputs and ensure the efficient distribution of high-speed, low-
skew (less than 1.0 ns) control signals. These signals use dedicated routing 
channels that provide shorter delays and lower skews than the FastTrack 
Interconnect routing structure. Four of the dedicated inputs drive four 
global signals. These four global signals can also be driven by internal 
logic, providing an ideal solution for a clock divider or an internally 
generated asynchronous clear signal that clears many registers in the 
device. 
I/O Element
(IOE)
Logic Array
Block (LAB)
Row
Interconnect
IOEIOE
IOEIOE
IOE
IOE
IOE
Local Interconnec
t
IOEIOE
IOEIOE IOEIOE
IOEIOE
IOEIOE
Logic Element (LE
)
Column
Interconnect
IOE
EAB
EAB
Logic
Array
IOEIOE
IOEIOE IOEIOE
Embedded Array Block (EAB)
Embedded Array
IOE
IOE
Logic Array
IOE
IOE

Altera Corporation  9
ACEX 1K Programmable Logic Device Family Data Sheet
Development
13
Tools
Embedded Array Block
The EAB is a flexible block of RAM, with registers on the input and output 
ports, that is used to implement common gate array megafunctions. 
Because it is large and flexible, the EAB is suitable for functions such as 
multipliers, vector scalars, and error correction circuits. These functions 
can be combined in applications such as digital filters and 
microcontrollers. 
Logic functions are implemented by programming the EAB with a read-
only pattern during configuration, thereby creating a large LUT. With 
LUTs, combinatorial functions are implemented by looking up the results 
rather than by computing them. This implementation of combinatorial 
functions can be faster than using algorithms implemented in general 
logic, a performance advantage that is further enhanced by the fast access 
times of EABs. The large capacity of EABs enables designers to implement 
complex functions in a single logic level without the routing delays 
associated with linked LEs or field-programmable gate array (FPGA) 
RAM blocks. For example, a single EAB can implement any function with 
8 inputs and 16 outputs. Parameterized functions, such as LPM functions, 
can take advantage of the EAB automatically.
The ACEX 1K enhanced EAB supports dual-port RAM. The dual-port 
structure is ideal for FIFO buffers with one or two clocks. The ACEX 1K 
EAB can also support up to 16-bit-wide RAM blocks. The ACEX 1K EAB 
can act in dual-port or single-port mode. When in dual-port mode, 
separate clocks may be used for EAB read and write sections, allowing the 
EAB to be written and read at different rates. It also has separate 
synchronous clock enable signals for the EAB read and write sections, 
which allow independent control of these sections.
The EAB can also be used for bidirectional, dual-port memory 
applications where two ports read or write simultaneously. To implement 
this type of dual-port memory, two EABs are used to support two 
simultaneous reads or writes.
Alternatively, one clock and clock enable can be used to control the input 
registers of the EAB, while a different clock and clock enable control the 
output registers (see Figure 2).
 
 
 
10 Altera Corporation
ACEX 1K Programmable Logic Device Family Data Sheet
Figure 2. ACEX 1K Device in Dual-Port RAM Mode  Note (1)
Notes:
(1) All registers can be asynchronously cleared by EAB local interconnect signals, global signals, or the chip-wide reset.
(2) EP1K10, EP1K30, and EP1K50 devices have 88 EAB local interconnect channels; EP1K100 devices have 104 EAB 
local interconnect channels. 
The EAB can use Altera megafunctions to implement dual-port RAM 
applications where both ports can read or write, as shown in Figure 3. The 
ACEX 1K EAB can also be used in a single-port mode (see Figure 4).
Column Interconnect
E
AB Local
I
nterconnect (2) 
Dedicated Clocks
24
D
ENA
Q
D
ENA
Q
D
ENA
Q
D
ENA
Q
D
ENA
Q
data[ ]
rdaddress[ ]
 wraddress[ ]
 RAM/ROM
256 × 16
512 × 8
1,024 × 4
2,048 × 2
Data In
Read Address
Write Address
Read Enable
Write Enable
Data Out
4, 8, 16, 32
4, 8, 16, 32
outclocken
inclocken
inclock
outclock
D
ENA
Q
Write
Pulse
Generator
rden
wren
Multiplexers allow read
address and read
enable registers to be
clocked by inclock or
outclock signals.
Row Interconnect
4, 8
Dedicated Inputs &
Global Signals

Altera Corporation  11
ACEX 1K Programmable Logic Device Family Data Sheet
Development
13
Tools
Figure 3. ACEX 1K EAB in Dual-Port RAM Mode
Figure 4. ACEX 1K Device in Single-Port RAM Mode 
Note:
(1) EP1K10, EP1K30, and EP1K50 devices have 88 EAB local interconnect channels; EP1K100 devices have 104 EAB 
local interconnect channels. 
Port A Port B
address_a[] address_b[]
data_a[] data_b[]
we_a we_b
clkena_a clkena_b
Clock A Clock B
Column Interconnect
EAB Local
Interconnect (1)
Dedicated Inputs
& Global Signals
DQ
DQ
 RAM/ROM
256 × 16
512 × 8
1,024 × 4
2,048 × 2
Data In
Address
Write Enable
Data Out
4, 8, 16, 32
4, 8, 16, 32
DQ
DQ
4
8, 4, 2, 1
8, 9, 10, 11
Row Interconnect
Dedicated
Clocks
2
4, 8
Chip-Wide
Reset

12 Altera Corporation
ACEX 1K Programmable Logic Device Family Data Sheet
EABs can be used to implement synchronous RAM, which is easier to use 
than asynchronous RAM. A circuit using asynchronous RAM must 
generate the RAM write enable signal, while ensuring that its data and 
address signals meet setup and hold time specifications relative to the 
write enable signal. In contrast, the EAB’s synchronous RAM generates its 
own write enable signal and is self-timed with respect to the input or write 
clock. A circuit using the EAB’s self-timed RAM must only meet the setup 
and hold time specifications of the global clock.
When used as RAM, each EAB can be configured in any of the following 
sizes: 256 ×16; 512 ×8; 1,024 ×4; or 2,048 ×2. Figure 5 shows the ACEX 1K 
EAB memory configurations.
Figure 5. ACEX 1K EAB Memory Configurations
Larger blocks of RAM are created by combining multiple EABs. For 
example, two 256 × 16 RAM blocks can be combined to form a 256 ×32 
block, and two 512 ×8 RAM blocks can be combined to form a 
512 ×16 block. Figure 6 shows examples of multiple EAB combination.
Figure 6. Examples of Combining ACEX 1K EABs
256 × 16 512 × 8 1,024 × 4 2,048 × 2
512 × 8
512 × 8
256 × 16
256 × 16
256 × 32 512 × 16

Altera Corporation  13
ACEX 1K Programmable Logic Device Family Data Sheet
Development
13
Tools
If necessary, all EABs in a device can be cascaded to form a single RAM 
block. EABs can be cascaded to form RAM blocks of up to 2,048 words 
without impacting timing. Altera software automatically combines EABs 
to meet a designer’s RAM specifications.
EABs provide flexible options for driving and controlling clock signals. 
Different clocks and clock enables can be used for reading and writing to 
the EAB. Registers can be independently inserted on the data input, EAB 
output, write address, write enable signals, read address, and read enable 
signals. The global signals and the EAB local interconnect can drive 
write-enable, read-enable, and clock-enable signals. The global signals, 
dedicated clock pins, and EAB local interconnect can drive the EAB clock 
signals. Because the LEs drive the EAB local interconnect, the LEs can 
control write-enable, read-enable, clear, clock, and clock-enable signals. 
An EAB is fed by a row interconnect and can drive out to row and column 
interconnects. Each EAB output can drive up to two row channels and up 
to two column channels; the unused row channel can be driven by other 
LEs. This feature increases the routing resources available for EAB 
outputs (see Figures 2 and 4). The column interconnect, which is adjacent 
to the EAB, has twice as many channels as other columns in the device.
Logic Array Block
An LAB consists of eight LEs, their associated carry and cascade chains, 
LAB control signals, and the LAB local interconnect. The LAB provides 
the coarse-grained structure to the ACEX 1K architecture, facilitating 
efficient routing with optimum device utilization and high performance. 
Figure 7 shows the ACEX 1K LAB.

14 Altera Corporation
ACEX 1K Programmable Logic Device Family Data Sheet
Figure 7. ACEX 1K LAB
Notes:
(1) EP1K10, EP1K30, and EP1K50 devices have 22 inputs to the LAB local interconnect channel from the row; EP1K100 
devices have 26.
(2) EP1K10, EP1K30, and EP1K50 devices have 30 LAB local interconnect channels; EP1K100 devices have 34. 
2
8
Carry-In &
Cascade-In
LE1
LE8
LE2
LE3
LE4
LE5
LE6
LE7
Column
Interconnect
Row Interconnect
(1)
LAB Local
Interconnect (2)
Column-to-Row
Interconnect
Carry-Out &
Cascade-Out
16
 24
LAB Control
Signals
See Figure 13
for details.
6
Dedicated Inputs &
Global Signals
16
6
8
4
4
4
4
4
4
4
4
4
428

Altera Corporation  15
ACEX 1K Programmable Logic Device Family Data Sheet
Development
13
Tools
Each LAB provides four control signals with programmable inversion 
that can be used in all eight LEs. Two of these signals can be used as clocks, 
the other two can be used for clear/preset control. The LAB clocks can be 
driven by the dedicated clock input pins, global signals, I/O signals, or 
internal signals via the LAB local interconnect. The LAB preset and clear 
control signals can be driven by the global signals, I/O signals, or internal 
signals via the LAB local interconnect. The global control signals are 
typically used for global clock, clear, or preset signals because they 
provide asynchronous control with very low skew across the device. If 
logic is required on a control signal, it can be generated in one or more LEs 
in any LAB and driven into the local interconnect of the target LAB. In 
addition, the global control signals can be generated from LE outputs.
Logic Element
The LE, the smallest unit of logic in the ACEX 1K architecture, has a 
compact size that provides efficient logic utilization. Each LE contains a 
4-input LUT, which is a function generator that can quickly compute any 
function of four variables. In addition, each LE contains a programmable 
flipflop with a synchronous clock enable, a carry chain, and a cascade 
chain. Each LE drives both the local and the FastTrack Interconnect 
routing structure. Figure 8 shows the ACEX 1K LE.
 
 
 
16 Altera Corporation
ACEX 1K Programmable Logic Device Family Data Sheet
Figure 8. ACEX 1K Logic Element
The programmable flipflop in the LE can be configured for D, T, JK, or SR 
operation. The clock, clear, and preset control signals on the flipflop can 
be driven by global signals, general-purpose I/O pins, or any internal 
logic. For combinatorial functions, the flipflop is bypassed and the LUT’s 
output drives the LE’s output. 
The LE has two outputs that drive the interconnect: one drives the local 
interconnect, and the other drives either the row or column FastTrack 
Interconnect routing structure. The two outputs can be controlled 
independently. For example, the LUT can drive one output while the 
register drives the other output. This feature, called register packing, can 
improve LE utilization because the register and the LUT can be used for 
unrelated functions.
The ACEX 1K architecture provides two types of dedicated high-speed 
data paths that connect adjacent LEs without using local interconnect 
paths: carry chains and cascade chains. The carry chain supports high-
speed counters and adders, and the cascade chain implements wide-input 
functions with minimum delay. Carry and cascade chains connect all LEs 
in a LAB and all LABs in the same row. Intensive use of carry and cascade 
chains can reduce routing flexibility. Therefore, the use of these chains 
should be limited to speed-critical portions of a design.
To LAB Local
Interconnect
Carry-In
Clock
Select
Carry-Out
Look-Up
Table
(LUT)
Clear/
Preset
Logic
Carry
Chain Cascade
Chain
Cascade-In
Cascade-Out
To FastTrack
Interconnect
Programmable
Register
PRN
CLRN
DQ
ENA
Register Bypass
data1
data2
data3
data4
labctrl1
labctrl2
labctrl4
labctrl3
Chip-Wide
Reset

Altera Corporation  17
ACEX 1K Programmable Logic Device Family Data Sheet
Development
13
Tools
Carry Chain
The carry chain provides a very fast (as low as 0.2 ns) carry-forward 
function between LEs. The carry-in signal from a lower-order bit drives 
forward into the higher-order bit via the carry chain, and feeds into both 
the LUT and the next portion of the carry chain. This feature allows the 
ACEX 1K architecture to efficiently implement high-speed counters, 
adders, and comparators of arbitrary width. Carry chain logic can be 
created automatically by the compiler during design processing, or 
manually by the designer during design entry. Parameterized functions, 
such as LPM and DesignWare functions, automatically take advantage of 
carry chains.
Carry chains longer than eight LEs are automatically implemented by 
linking LABs together. For enhanced fitting, a long carry chain skips 
alternate LABs in a row. A carry chain longer than one LAB skips either 
from even-numbered LAB to even-numbered LAB, or from odd-
numbered LAB to odd-numbered LAB. For example, the last LE of the 
first LAB in a row carries to the first LE of the third LAB in the row. The 
carry chain does not cross the EAB at the middle of the row. For instance, 
in the EP1K50 device, the carry chain stops at the eighteenth LAB, and a 
new carry chain begins at the nineteenth LAB.
Figure 9 shows how an n-bit full adder can be implemented in n+1 LEs 
with the carry chain. One portion of the LUT generates the sum of two bits 
using the input signals and the carry-in signal; the sum is routed to the 
output of the LE. The register can be bypassed for simple adders or used 
for an accumulator function. Another portion of the LUT and the carry 
chain logic generates the carry-out signal, which is routed directly to the 
carry-in signal of the next-higher-order bit. The final carry-out signal is 
routed to an LE, where it can be used as a general-purpose signal. 

18 Altera Corporation
ACEX 1K Programmable Logic Device Family Data Sheet
Figure 9. ACEX 1K Carry Chain Operation (n-Bit Full Adder)
LUT
a1
b1
Carry Chain
s1
LE1
Register
a2
b2
Carry Chain
s2
LE2
Register
Carry Chain
sn
LEn
Register
an
bn
Carry Chain
Carry-Out
LEn + 1
Register
Carry-In
LUT
LUT
LUT
 
 
 
 
 
 
 
 
f w w
 
 
 
 
 
 
 
 
 
f m w
 
 
 
Altera Corporation  19
ACEX 1K Programmable Logic Device Family Data Sheet
Development
13
Tools
Cascade Chain
With the cascade chain, the ACEX 1K architecture can implement 
functions that have a very wide fan-in. Adjacent LUTs can be used to 
compute portions of the function in parallel; the cascade chain serially 
connects the intermediate values. The cascade chain can use a logical AND 
or logical OR (via De Morgan’s inversion) to connect the outputs of 
adjacent LEs. With a delay as low as 0.6 ns per LE, each additional LE 
provides four more inputs to the effective width of a function. Cascade 
chain logic can be created automatically by the compiler during design 
processing, or manually by the designer during design entry.
Cascade chains longer than eight bits are implemented automatically by 
linking several LABs together. For easier routing, a long cascade chain 
skips every other LAB in a row. A cascade chain longer than one LAB 
skips either from even-numbered LAB to even-numbered LAB, or from 
odd-numbered LAB to odd-numbered LAB (e.g., the last LE of the first 
LAB in a row cascades to the first LE of the third LAB). The cascade chain 
does not cross the center of the row (e.g., in the EP1K50 device, the cascade 
chain stops at the eighteenth LAB, and a new one begins at the nineteenth 
LAB). This break is due to the EAB’s placement in the middle of the row.
Figure 10 shows how the cascade function can connect adjacent LEs to 
form functions with a wide fan-in. These examples show functions of 4n 
variables implemented with n LEs. The LE delay is 1.3 ns; the cascade 
chain delay is 0.6 ns. With the cascade chain, decoding a 16-bit address 
requires 3.1 ns.
Figure 10. ACEX 1K Cascade Chain Operation
LE1
LUT
LE2
LUT
d[3..0]
d[7..4]
d[(4
n – 
1)..(4
n – 
4)]
d[3..0]
d[7..4]
LE
n
LE1
LE2
LE
n
LUT
LUT
LUT
LUT
AND Cascade Chain OR Cascade Chain
d[(4
n – 
1)..(4
n – 
4)]

20 Altera Corporation
ACEX 1K Programmable Logic Device Family Data Sheet
LE Operating Modes
The ACEX 1K LE can operate in the following four modes:
■Normal mode
■Arithmetic mode
■Up/down counter mode
■Clearable counter mode
Each of these modes uses LE resources differently. In each mode, seven 
available inputs to the LE—the four data inputs from the LAB local 
interconnect, the feedback from the programmable register, and the 
carry-in and cascade-in from the previous LE—are directed to different 
destinations to implement the desired logic function. Three inputs to the 
LE provide clock, clear, and preset control for the register. The Altera 
software, in conjunction with parameterized functions such as LPM and 
DesignWare functions, automatically chooses the appropriate mode for 
common functions such as counters, adders, and multipliers. If required, 
the designer can also create special-purpose functions that use a specific 
LE operating mode for optimal performance.
The architecture provides a synchronous clock enable to the register in all 
four modes. The Altera software can set DATA1 to enable the register 
synchronously, providing easy implementation of fully synchronous 
designs.
Figure 11 shows the ACEX 1K LE operating modes.
 
 
 
 
 
 
 
 
 
 
 
 
 
 
 
 
 
 
 
 
 
 
 
 
 
 
Altera Corporation  21
ACEX 1K Programmable Logic Device Family Data Sheet
Development
13
Tools
Figure 11. ACEX 1K LE Operating Modes
ENA
PRN
CLRN
DQ
4-Input
LUT
Carry-In
Cascade-Out
Cascade-In
LE-Out to FastTrack
Interconnect
LE-Out to Local
Interconnect
ENA
Normal Mode
PRN
CLRN
DQ
Cascade-Out
LE-Out
Cascade-In
3-Input
LUT
Carry-In
3-Input
LUT
Carry-Out
Arithmetic Mode
Up/Down Counter Mode
PRN
CLRN
DQ
3-Input
LUT
Carry-In Cascade-In
LE-Out
3-Input
LUT
Carry-Out
1
0
Cascade-Out
Clearable Counter Mode
PRN
CLRN
DQ
3-Input
LUT
Carry-In
LE-Out
3-Input
LUT
Carry-Out
1
0
Cascade-Out
ENA
ENA
data1
data4
data3
data2
data1
data2
data1 (ena)
data2 (u/d)
data4 (nload)
data3 (data)
data1 (ena)
data2 (nclr)
data4 (nload)
data3 (data)

22 Altera Corporation
ACEX 1K Programmable Logic Device Family Data Sheet
Normal Mode
The normal mode is suitable for general logic applications and wide 
decoding functions that can take advantage of a cascade chain. In normal 
mode, four data inputs from the LAB local interconnect and the carry-in 
are inputs to a 4-input LUT. The compiler automatically selects the carry-
in or the DATA3 signal as one of the inputs to the LUT. The LUT output 
can be combined with the cascade-in signal to form a cascade chain 
through the cascade-out signal. Either the register or the LUT can be used 
to drive both the local interconnect and the FastTrack Interconnect routing 
structure at the same time. 
The LUT and the register in the LE can be used independently (register 
packing). To support register packing, the LE has two outputs; one drives 
the local interconnect, and the other drives the FastTrack Interconnect 
routing structure. The DATA4 signal can drive the register directly, 
allowing the LUT to compute a function that is independent of the 
registered signal; a 3-input function can be computed in the LUT, and a 
fourth independent signal can be registered. Alternatively, a 4-input 
function can be generated, and one of the inputs to this function can be 
used to drive the register. The register in a packed LE can still use the clock 
enable, clear, and preset signals in the LE. In a packed LE, the register can 
drive the FastTrack Interconnect routing structure while the LUT drives 
the local interconnect, or vice versa.
Arithmetic Mode
The arithmetic mode offers two 3-input LUTs that are ideal for 
implementing adders, accumulators, and comparators. One LUT 
computes a 3-input function; the other generates a carry output. As shown 
in Figure 11, the first LUT uses the carry-in signal and two data inputs 
from the LAB local interconnect to generate a combinatorial or registered 
output. For example, in an adder, this output is the sum of three signals: 
a, b, and carry-in. The second LUT uses the same three signals to generate 
a carry-out signal, thereby creating a carry chain. The arithmetic mode 
also supports simultaneous use of the cascade chain.
Up/Down Counter Mode
The up/down counter mode offers counter enable, clock enable, 
synchronous up/down control, and data loading options. These control 
signals are generated by the data inputs from the LAB local interconnect, 
the carry-in signal, and output feedback from the programmable register. 
Two 3-input LUTs are used; one generates the counter data, and the other 
generates the fast carry bit. A 2-to-1 multiplexer provides synchronous 
loading. Data can also be loaded asynchronously with the clear and preset 
register control signals without using the LUT resources.

Altera Corporation  23
ACEX 1K Programmable Logic Device Family Data Sheet
Development
13
Tools
Clearable Counter Mode
The clearable counter mode is similar to the up/down counter mode, but 
it supports a synchronous clear instead of the up/down control. The clear 
function is substituted for the cascade-in signal in the up/down counter 
mode. Two 3-input LUTs are used; one generates the counter data, and the 
other generates the fast carry bit. Synchronous loading is provided by a 
2-to-1 multiplexer. The output of this multiplexer is AND ed with a 
synchronous clear signal. 
Internal Tri-State Emulation 
Internal tri-state emulation provides internal tri-states without the 
limitations of a physical tri-state bus. In a physical tri-state bus, the 
tri-state buffers’ output enable (OE) signals select which signal drives the 
bus. However, if multiple OE signals are active, contending signals can be 
driven onto the bus. Conversely, if no OE signals are active, the bus will 
float. Internal tri-state emulation resolves contending tri-state buffers to a 
low value and floating buses to a high value, thereby eliminating these 
problems. The Altera software automatically implements tri-state bus 
functionality with a multiplexer. 
Clear & Preset Logic Control
Logic for the programmable register’s clear and preset functions is 
controlled by the DATA3, LABCTRL1, and LABCTRL2 inputs to the LE. The 
clear and preset control structure of the LE asynchronously loads signals 
into a register. Either LABCTRL1 or LABCTRL2 can control the 
asynchronous clear. Alternatively, the register can be set up so that 
LABCTRL1 implements an asynchronous load. The data to be loaded is 
driven to DATA3; when LABCTRL1 is asserted, DATA3 is loaded into the 
register.
During compilation, the compiler automatically selects the best control 
signal implementation. Because the clear and preset functions are active-
low, the Compiler automatically assigns a logic high to an unused clear or 
preset. 
The clear and preset logic is implemented in one of the following six 
modes chosen during design entry: 
■Asynchronous clear
■Asynchronous preset
■Asynchronous clear and preset
■Asynchronous load with clear
■Asynchronous load with preset
■Asynchronous load without clear or preset
 
 
 
 
 
 
 
 
 
 
 
 
 
 
 
 
 
 
 
 
 
 
 
 
 
 
#111?"
 
 
 
 
 
 
 
 
 
 
 
24 Altera Corporation
ACEX 1K Programmable Logic Device Family Data Sheet
In addition to the six clear and preset modes, ACEX 1K devices provide a 
chip-wide reset pin that can reset all registers in the device. Use of this 
feature is set during design entry. In any of the clear and preset modes, the 
chip-wide reset overrides all other signals. Registers with asynchronous 
presets may be preset when the chip-wide reset is asserted. Inversion can 
be used to implement the asynchronous preset. Figure 12 shows examples 
of how to setup the preset and clear inputs for the desired functionality.
Figure 12. ACEX 1K LE Clear & Preset Modes
Asynchronous Clear Asynchronous Preset Asynchronous Preset & Clear
Asynchronous Load without Clear or Preset
labctrl1
(Asynchronous
 Load)
PRN
CLRN
DQ
NOT
NOT
labctrl1
(Asynchronous
Load)
Asynchronous Load with Clear
labctrl2
(Clear)
PRN
CLRN
DQ
NOT
NOT
(Asynchronous
 Load)
Asynchronous Load with Preset
NOT
NOT
PRN
CLRN
DQ
labctrl1 or
labctrl2
PRN
CLRN
DQ
VCC
Chip-Wide   Reset
Chip-Wide   Reset
Chip-Wide   Reset
Chip-Wide   Reset
PRN
CLRN
DQ
PRN
CLRN
DQ
VCC
Chip-Wide    Reset
Chip-Wide   Reset
data3
(Data)
labctrl1
labctrl2
(Preset)
data3
(Data)
data3
(Data)
labctrl1 or
labctrl2
labctrl1
labctrl2

Altera Corporation  25
ACEX 1K Programmable Logic Device Family Data Sheet
Development
13
Tools
Asynchronous Clear
The flipflop can be cleared by either LABCTRL1 or LABCTRL2. In this 
mode, the preset signal is tied to VCC to deactivate it.
Asynchronous Preset
An asynchronous preset is implemented as an asynchronous load, or with 
an asynchronous clear. If DATA3 is tied to VCC, asserting LABCTRL1 
asynchronously loads a one into the register. Alternatively, the Altera 
software can provide preset control by using the clear and inverting the 
register’s input and output. Inversion control is available for the inputs to 
both LEs and IOEs. Therefore, if a register is preset by only one of the two 
LABCTRL signals, the DATA3 input is not needed and can be used for one 
of the LE operating modes.
Asynchronous Preset & Clear
When implementing asynchronous clear and preset, LABCTRL1 controls 
the preset, and LABCTRL2 controls the clear. DATA3 is tied to VCC, so that 
asserting LABCTRL1 asynchronously loads a one into the register, 
effectively presetting the register. Asserting LABCTRL2 clears the register.
Asynchronous Load with Clear
When implementing an asynchronous load in conjunction with the clear, 
LABCTRL1 implements the asynchronous load of DATA3 by controlling 
the register preset and clear. LABCTRL2 implements the clear by 
controlling the register clear; LABCTRL2 does not have to feed the preset 
circuits.
Asynchronous Load with Preset
When implementing an asynchronous load in conjunction with preset, the 
Altera software provides preset control by using the clear and inverting 
the input and output of the register. Asserting LABCTRL2 presets the 
register, while asserting LABCTRL1 loads the register. The Altera software 
inverts the signal that drives DATA3 to account for the inversion of the 
register’s output.
Asynchronous Load without Preset or Clear
When implementing an asynchronous load without preset or clear, 
LABCTRL1 implements the asynchronous load of DATA3 by controlling 
the register preset and clear.

26 Altera Corporation
ACEX 1K Programmable Logic Device Family Data Sheet
FastTrack Interconnect Routing Structure
In the ACEX 1K architecture, connections between LEs, EABs, and device 
I/O pins are provided by the FastTrack Interconnect routing structure, 
which is a series of continuous horizontal and vertical routing channels 
that traverse the device. This global routing structure provides 
predictable performance, even in complex designs. In contrast, the 
segmented routing in FPGAs requires switch matrices to connect a 
variable number of routing paths, increasing the delays between logic 
resources and reducing performance.
The FastTrack Interconnect routing structure consists of row and column 
interconnect channels that span the entire device. Each row of LABs is 
served by a dedicated row interconnect. The row interconnect can drive 
I/O pins and feed other LABs in the row. The column interconnect routes 
signals between rows and can drive I/O pins.
Row channels drive into the LAB or EAB local interconnect. The row 
signal is buffered at every LAB or EAB to reduce the effect of fan-out on 
delay. A row channel can be driven by an LE or by one of three column 
channels. These four signals feed dual 4-to-1 multiplexers that connect to 
two specific row channels. These multiplexers, which are connected to 
each LE, allow column channels to drive row channels even when all eight 
LEs in a LAB drive the row interconnect. 
Each column of LABs or EABs is served by a dedicated column 
interconnect. The column interconnect that serves the EABs has twice as 
many channels as other column interconnects. The column interconnect 
can then drive I/O pins or another row’s interconnect to route the signals 
to other LABs or EABs in the device. A signal from the column 
interconnect, which can be either the output of a LE or an input from an 
I/O pin, must be routed to the row interconnect before it can enter a LAB 
or EAB. Each row channel that is driven by an IOE or EAB can drive one 
specific column channel.
Access to row and column channels can be switched between LEs in 
adjacent pairs of LABs. For example, a LE in one LAB can drive the row 
and column channels normally driven by a particular LE in the adjacent 
LAB in the same row, and vice versa. This flexibility enables routing 
resources to be used more efficiently. Figure 13 shows the ACEX 1K LAB.
 
 
 
 
 
 
 
 
Altera Corporation  27
ACEX 1K Programmable Logic Device Family Data Sheet
Development
13
Tools
Figure 13. ACEX 1K LAB Connections to Row & Column Interconnect
From Adjacent LAB
Row Channels
Column
Channels
Each LE can drive two
row channels.
LE 2 
LE 8 
LE 1   To Adjacent LAB 
Each LE can switch
interconnect access
with an LE in the
adjacent LAB.
At each intersection,
six row channels can
drive column channels.
To Other Rows
To LAB Local
Interconnect
To Other
Columns

28 Altera Corporation
ACEX 1K Programmable Logic Device Family Data Sheet
For improved routing, the row interconnect consists of a combination of 
full-length and half-length channels. The full-length channels connect to 
all LABs in a row; the half-length channels connect to the LABs in half of 
the row. The EAB can be driven by the half-length channels in the left half 
of the row and by the full-length channels. The EAB drives out to the full-
length channels. In addition to providing a predictable, row-wide 
interconnect, this architecture provides increased routing resources. Two 
neighboring LABs can be connected using a half-row channel, thereby 
saving the other half of the channel for the other half of the row.
Table 6 summarizes the FastTrack Interconnect routing structure 
resources available in each ACEX 1K device.
In addition to general-purpose I/O pins, ACEX 1K devices have six 
dedicated input pins that provide low-skew signal distribution across the 
device. These six inputs can be used for global clock, clear, preset, and 
peripheral output-enable and clock-enable control signals. These signals 
are available as control signals for all LABs and IOEs in the device. The 
dedicated inputs can also be used as general-purpose data inputs because 
they can feed the local interconnect of each LAB in the device. 
Figure 14 shows the interconnection of adjacent LABs and EABs, with 
row, column, and local interconnects, as well as the associated cascade 
and carry chains. Each LAB is labeled according to its location: a letter 
represents the row and a number represents the column. For example, 
LAB B3 is in row B, column 3.
Table 6. ACEX 1K FastTrack Interconnect Resources
Device Rows Channels per 
Row Columns Channels per
Column
EP1K10 3 144 24 24
EP1K30 6 216 36 24
EP1K50 10 216 36 24
EP1K100 12 312 52 24
 
/ \
x
l : ‘
Y’E ’
\ 1/
>>
 
 
 
Hf,
,
 
4 \
 
 
 
 
Hf,
,
 
 
 
 
 
 
 
 
 
 
 
Hg
4’
 
 
 
 
 
 
 
 
 
 
 
 
Altera Corporation  29
ACEX 1K Programmable Logic Device Family Data Sheet
Development
13
Tools
Figure 14. ACEX 1K Interconnect Resources
I/O Element
An IOE contains a bidirectional I/O buffer and a register that can be used 
either as an input register for external data that requires a fast setup time 
or as an output register for data that requires fast clock-to-output 
performance. In some cases, using an LE register for an input register will 
result in a faster setup time than using an IOE register. IOEs can be used 
as input, output, or bidirectional pins. The compiler uses the 
programmable inversion option to invert signals from the row and 
column interconnect automatically where appropriate. For bidirectional 
registered I/O implementation, the output register should be in the IOE 
and the data input and output enable registers should be LE registers 
placed adjacent to the bidirectional pin. Figure 15 shows the bidirectional 
I/O registers.
I/O Element (IOE)
Row
Interconnect
IOE
IOE
IOE
IOE
Column
Interconnect
LAB
B1
See Figure 17
for details.
See Figure 16
for details.
LAB
A3
LAB
B3
LAB
A1 LAB
A2
LAB
B2
IOE
IOE
Cascade &
To LAB B4
To LAB A4
To LAB B5
To LAB A5
IOE IOEIOE IOE
IOE IOE
IOEIOE IOEIOE IOEIOE
IOE
IOE
Carry Chains
 
 
30 Altera Corporation
ACEX 1K Programmable Logic Device Family Data Sheet
Figure 15. ACEX 1K Bidirectional I/O Registers 
VCC
OE[7..0]
CLK[1..0]
ENA[5..0]
CLRN[1..0]
Peripheral
Control Bus
CLRN
DQ
ENA
VCC
2 Dedicated
Clock Inputs
Slew-Rate
Control
Open-Drain
Output
Chip-Wide
Output Enable
CLK[3..2]
2
12
VCC
VCC
Chip-Wide
Reset
Programmable Delay
4 Dedicated
Inputs
Row and Column
Interconnect
4
VCC
CLRN
DQ
ENA
Chip-Wide
Reset
CLRN
DQ
ENA
Chip-Wide
Reset
VCC
Input Register
Output Register
OE Register

Altera Corporation  31
ACEX 1K Programmable Logic Device Family Data Sheet
Development
13
Tools
On all ACEX 1K devices, the input path from the I/O pad to the FastTrack 
Interconnect has a programmable delay element that can be used to 
guarantee a zero hold time. Depending on the placement of the IOE 
relative to what it is driving, the designer may choose to turn on the 
programmable delay to ensure a zero hold time or turn it off to minimize 
setup time. This feature is used to reduce setup time for complex pin-to-
register paths (e.g., PCI designs).
Each IOE selects the clock, clear, clock enable, and output enable controls 
from a network of I/O control signals called the peripheral control bus. 
The peripheral control bus uses high-speed drivers to minimize signal 
skew across devices and provides up to 12 peripheral control signals that 
can be allocated as follows:
■Up to eight output enable signals
■Up to six clock enable signals
■Up to two clock signals
■Up to two clear signals
If more than six clock-enable or eight output-enable signals are required, 
each IOE on the device can be controlled by clock enable and output 
enable signals driven by specific LEs. In addition to the two clock signals 
available on the peripheral control bus, each IOE can use one of two 
dedicated clock pins. Each peripheral control signal can be driven by any 
of the dedicated input pins or the first LE of each LAB in a particular row. 
In addition, a LE in a different row can drive a column interconnect, which 
causes a row interconnect to drive the peripheral control signal. The chip-
wide reset signal resets all IOE registers, overriding any other control 
signals.
When a dedicated clock pin drives IOE registers, it can be inverted for all 
IOEs in the device. All IOEs must use the same sense of the clock. For 
example, if any IOE uses the inverted clock, all IOEs must use the inverted 
clock, and no IOE can use the non-inverted clock. However, LEs can still 
use the true or complement of the clock on an LAB-by-LAB basis. 
The incoming signal may be inverted at the dedicated clock pin and will 
drive all IOEs. For the true and complement of a clock to be used to drive 
IOEs, drive it into both global clock pins. One global clock pin will supply 
the true, and the other will supply the complement. 
When the true and complement of a dedicated input drives IOE clocks, 
two signals on the peripheral control bus are consumed, one for each 
sense of the clock.

32 Altera Corporation
ACEX 1K Programmable Logic Device Family Data Sheet
When dedicated inputs drive non-inverted and inverted peripheral clears, 
clock enables, and output enables, two signals on the peripheral control 
bus will be used.
Table 7 lists the sources for each peripheral control signal and shows how 
the output enable, clock enable, clock, and clear signals share 
12 peripheral control signals. Table 7 also shows the rows that can drive 
global signals.
Signals on the peripheral control bus can also drive the four global signals, 
referred to as GLOBAL0 through GLOBAL3. An internally generated signal 
can drive a global signal, providing the same low-skew, low-delay 
characteristics as a signal driven by an input pin. An LE drives the global 
signal by driving a row line that drives the peripheral bus which then 
drives the global signal. This feature is ideal for internally generated clear 
or clock signals with high fan-out. However, internally driven global 
signals offer no advantage over the general-purpose interconnect for 
routing data signals.
The chip-wide output enable pin is an active-high pin that can be used to 
tri-state all pins on the device. This option can be set in the Altera 
software. The built-in I/O pin pull-up resistors (which are active during 
configuration) are active when the chip-wide output enable pin is 
asserted. The registers in the IOE can also be reset by the chip-wide reset 
pin.
Table 7. Peripheral Bus Sources for ACEX Devices
Peripheral Control Signal EP1K10 EP1K30 EP1K50 EP1K100
OE0 Row ARow ARow ARow A
OE1 Row A Row B Row B Row C
OE2 Row B Row C Row D Row E
OE3 Row B Row D Row F Row L
OE4 Row C Row E Row H Row I
OE5 Row C Row F Row J Row K
CLKENA0/CLK0/GLOBAL0 Row A Row A Row A Row F
CLKENA1/OE6/GLOBAL1 Row A Row B Row C Row D
CLKENA2/CLR0 Row B Row C Row E Row B
CLKENA3/OE7/GLOBAL2 Row B Row D Row G Row H
CLKENA4/CLR1 Row C Row E Row I Row J
CLKENA5/CLK1/GLOBAL3 Row C Row F Row J Row G
 
 
 
 
 
 
 
 
Altera Corporation  33
ACEX 1K Programmable Logic Device Family Data Sheet
Development
13
Tools
Row-to-IOE Connections
When an IOE is used as an input signal, it can drive two separate row 
channels. The signal is accessible by all LEs within that row. When an IOE 
is used as an output, the signal is driven by a multiplexer that selects a 
signal from the row channels. Up to eight IOEs connect to each side of 
each row channel (see Figure 16).
Figure 16. ACEX 1K Row-to-IOE Connections  Note (1)
Note:
(1) The values for m and n are shown in Table 8.
Table 8 lists the ACEX 1K row-to-IOE interconnect resources.
n
n
Each IOE is driven by an
m-to-1 multiplexer.
Each IOE can drive two
row channels.
IOE8
IOE1
m
m
Row FastTrack
Interconnect
n
Table 8. ACEX 1K Row-to-IOE Interconnect Resources
Device Channels per Row (n) Row Channels per Pin (m)
EP1K10 144 18
EP1K30 216 27
EP1K50 216 27
EP1K100 312 39
 
 
 
 
 
 
 
 
34 Altera Corporation
ACEX 1K Programmable Logic Device Family Data Sheet
Column-to-IOE Connections
When an IOE is used as an input, it can drive up to two separate column 
channels. When an IOE is used as an output, the signal is driven by a 
multiplexer that selects a signal from the column channels. Two IOEs 
connect to each side of the column channels. Each IOE can be driven by 
column channels via a multiplexer. The set of column channels is different 
for each IOE (see Figure 17).
Figure 17. ACEX 1K Column-to-IOE Connections Note (1)
Note:
(1) The values for m and n are shown in Table 9.
Table 9 lists the ACEX 1K column-to-IOE interconnect resources.
Table 9.  ACEX 1K Column-to-IOE Interconnect Resources
Device Channels per Column (n) Column Channels per Pin (m)
EP1K10 24 16
EP1K30 24 16
EP1K50 24 16
EP1K100 24 16
Each IOE is driven by
a m-to-1 multiplexer
Each IOE can drive two
column channels.
Column
Interconnect
n
n
m
m
n
IOE1
IOE1
 
 
 
 
 
 
 
 
 
 
 
 
 
 
 
 
Altera Corporation  35
ACEX 1K Programmable Logic Device Family Data Sheet
Development
13
Tools
SameFrame 
Pin-Outs
ACEX 1K devices support the SameFrame pin-out feature for 
FineLine BGA packages. The SameFrame pin-out feature is the 
arrangement of balls on FineLine BGA packages such that the lower-ball-
count packages form a subset of the higher-ball-count packages. 
SameFrame pin-outs provide the flexibility to migrate not only from 
device to device within the same package, but also from one package to 
another. A given printed circuit board (PCB) layout can support multiple 
device density/package combinations. For example, a single board layout 
can support a range of devices from an EP1K10 device in a 256-pin 
FineLine BGA package to an EP1K100 device in a 484-pin FineLine BGA 
package.
The Altera software provides support to design PCBs with SameFrame 
pin-out devices. Devices can be defined for present and future use. The 
Altera software generates pin-outs describing how to lay out a board that 
takes advantage of this migration. Figure 18 shows an example of 
SameFrame pin-out.
Figure 18. SameFrame Pin-Out Example
Table 10 shows the ACEX 1K device/package combinations that support 
SameFrame pin-outs for ACEX 1K devices. All FineLine BGA packages 
support SameFrame pin-outs, providing the flexibility to migrate not only 
from device to device within the same package, but also from one package 
to another. The I/O count will vary from device to device. 
Designed for 484-Pin FineLine BGA Package
Printed Circuit Board
256-Pin FineLine BGA Package
(Reduced I/O Count or
Logic Requirements)
484-Pin FineLine BGA Package
(Increased I/O Count or
Logic Requirements)
256-Pin
FineLine
BGA
484-Pin
FineLine
BGA

36 Altera Corporation
ACEX 1K Programmable Logic Device Family Data Sheet
fFor more information, search for “SameFrame” in MAX+PLUS II Help. 
Note:
(1) This option is supported with a 256-pin FineLine BGA package and SameFrame 
migration.
ClockLock & 
ClockBoost 
Features
To support high-speed designs, -1 and -2 speed grade ACEX 1K devices 
offer ClockLock and ClockBoost circuitry containing a phase-locked loop 
(PLL) that is used to increase design speed and reduce resource usage. The 
ClockLock circuitry uses a synchronizing PLL that reduces the clock delay 
and skew within a device. This reduction minimizes clock-to-output and 
setup times while maintaining zero hold times. The ClockBoost circuitry, 
which provides a clock multiplier, allows the designer to enhance device 
area efficiency by sharing resources within the device. The ClockBoost 
feature allows the designer to distribute a low-speed clock and multiply 
that clock on-device. Combined, the ClockLock and ClockBoost features 
provide significant improvements in system performance and 
bandwidth.
The ClockLock and ClockBoost features in ACEX 1K devices are enabled 
through the Altera software. External devices are not required to use these 
features. The output of the ClockLock and ClockBoost circuits is not 
available at any of the device pins.
The ClockLock and ClockBoost circuitry lock onto the rising edge of the 
incoming clock. The circuit output can drive the clock inputs of registers 
only; the generated clock cannot be gated or inverted.
The dedicated clock pin (GCLK1) supplies the clock to the ClockLock and 
ClockBoost circuitry. When the dedicated clock pin is driving the 
ClockLock or ClockBoost circuitry, it cannot drive elsewhere in the device.
Table 10.  ACEX 1K SameFrame Pin-Out Support
Device 256-Pin
FineLine
BGA 
484-Pin
FineLine
BGA
EP1K10 v(1)
EP1K30 v(1)
EP1K50 vv
EP1K100 vv

Altera Corporation  37
ACEX 1K Programmable Logic Device Family Data Sheet
Development
13
Tools
For designs that require both a multiplied and non-multiplied clock, the 
clock trace on the board can be connected to the GCLK1 pin. In the Altera 
software, the GCLK1 pin can feed both the ClockLock and ClockBoost 
circuitry in the ACEX 1K device. However, when both circuits are used, 
the other clock pin cannot be used.
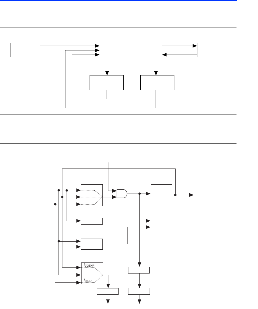
ClockLock & ClockBoost Timing Parameters
For the ClockLock and ClockBoost circuitry to function properly, the 
incoming clock must meet certain requirements. If these specifications are 
not met, the circuitry may not lock onto the incoming clock, which 
generates an erroneous clock within the device. The clock generated by 
the ClockLock and ClockBoost circuitry must also meet certain 
specifications. If the incoming clock meets these requirements during 
configuration, the ClockLock and ClockBoost circuitry will lock onto the 
clock during configuration. The circuit will be ready for use immediately 
after configuration. Figure 19 shows the incoming and generated clock 
specifications.
Figure 19. Specifications for the Incoming & Generated Clocks  Note (1)
Note:
(1) The tI parameter refers to the nominal input clock period; the tO parameter refers to the nominal output clock 
period.
Input
Clock
ClockLock
Generated
Clock
tCLK1 tINDUTY tI+tCLKDEV
tRtFtOtI+tINCLKSTB
tOtOtJITTER
tO+tJITTER
tOUTDUTY

38 Altera Corporation
ACEX 1K Programmable Logic Device Family Data Sheet
Tables 11 and 12 summarize the ClockLock and ClockBoost parameters 
for -1 and -2 speed-grade devices, respectively.
Table 11. ClockLock & ClockBoost Parameters for -1 Speed-Grade Devices
Symbol Parameter Condition Min Typ Max Unit
tRInput rise time 5ns
tFInput fall time 5ns
tINDUTY Input duty cycle 40 60 %
fCLK1 Input clock frequency (ClockBoost clock 
multiplication factor equals 1)
25 180 MHz
fCLK2 Input clock frequency (ClockBoost clock 
multiplication factor equals 2)
16 90 MHz
fCLKDEV Input deviation from user specification in the 
Altera software (1)
25,000 
(2)
PPM
tINCLKSTB Input clock stability (measured between 
adjacent clocks)
100 ps
tLOCK Time required for ClockLock or ClockBoost 
to acquire lock (3)
10 µs
tJITTER Jitter on ClockLock or ClockBoost-
generated clock (4)
tINCLKSTB <100 250 (4) ps
tINCLKSTB < 50 200 (4) ps
tOUTDUTY Duty cycle for ClockLock or ClockBoost-
generated clock
40 50 60 %

Altera Corporation  39
ACEX 1K Programmable Logic Device Family Data Sheet
Development
13
Tools
Notes to tables:
(1) To implement the ClockLock and ClockBoost circuitry with the Altera software, designers must specify the input 
frequency. The Altera software tunes the PLL in the ClockLock and ClockBoost circuitry to this frequency. The 
fCLKDEV parameter specifies how much the incoming clock can differ from the specified frequency during device 
operation. Simulation does not reflect this parameter.
(2) Twenty-five thousand parts per million (PPM) equates to 2.5% of input clock period.
(3) During device configuration, the ClockLock and ClockBoost circuitry is configured before the rest of the device. If 
the incoming clock is supplied during configuration, the ClockLock and ClockBoost circuitry locks during 
configuration because the tLOCK value is less than the time required for configuration.
(4) The tJITTER specification is measured under long-term observation. The maximum value for tJITTER is 200 ps if 
tINCLKSTB is lower than 50 ps.
I/O 
Configuration
This section discusses the PCI pull-up clamping diode option, slew-rate 
control, open-drain output option, and MultiVolt I/O interface for 
ACEX 1K devices. The PCI pull-up clamping diode, slew-rate control, and 
open-drain output options are controlled pin-by-pin via Altera software 
logic options. The MultiVolt I/O interface is controlled by connecting 
VCCIO to a different voltage than VCCINT. Its effect can be simulated in the 
Altera software via the Global Project Device Options dialog box (Assign 
menu).
Table 12. ClockLock & ClockBoost Parameters for -2 Speed-Grade Devices
Symbol Parameter Condition Min Typ Max Unit
tRInput rise time 5ns
tFInput fall time 5ns
tINDUTY Input duty cycle 40 60 %
fCLK1 Input clock frequency (ClockBoost clock 
multiplication factor equals 1)
25 80 MHz
fCLK2 Input clock frequency (ClockBoost clock 
multiplication factor equals 2)
16 40 MHz
fCLKDEV Input deviation from user specification in 
the software (1)
25,000 PPM
tINCLKSTB Input clock stability (measured between 
adjacent clocks)
100 ps
tLOCK Time required for ClockLock or ClockBoost 
to acquire lock (3)
10 µs
tJITTER Jitter on ClockLock or ClockBoost-
generated clock (4)
tINCLKSTB < 100 250 (4) ps
tINCLKSTB < 50 200 (4) ps
tOUTDUTY Duty cycle for ClockLock or ClockBoost-
generated clock
40 50 60 %

40 Altera Corporation
ACEX 1K Programmable Logic Device Family Data Sheet
PCI Pull-Up Clamping Diode Option
ACEX 1K devices have a pull-up clamping diode on every I/O, dedicated 
input, and dedicated clock pin. PCI clamping diodes clamp the signal to 
the VCCIO value and are required for 3.3-V PCI compliance. Clamping 
diodes can also be used to limit overshoot in other systems.
Clamping diodes are controlled on a pin-by-pin basis. When VCCIO is 
3.3 V, a pin that has the clamping diode option turned on can be driven by 
a 2.5-V or 3.3-V signal, but not a 5.0-V signal. When VCCIO is 2.5 V, a pin 
that has the clamping diode option turned on can be driven by a 2.5-V 
signal, but not a 3.3-V or 5.0-V signal. Additionally, a clamping diode can 
be activated for a subset of pins, which allows a device to bridge between 
a 3.3-V PCI bus and a 5.0-V device.
Slew-Rate Control
The output buffer in each IOE has an adjustable output slew rate that can 
be configured for low-noise or high-speed performance. A slower slew 
rate reduces system noise and adds a maximum delay of 4.3 ns. The fast 
slew rate should be used for speed-critical outputs in systems that are 
adequately protected against noise. Designers can specify the slew rate 
pin-by-pin or assign a default slew rate to all pins on a device-wide basis. 
The slow slew rate setting affects only the falling edge of the output.
Open-Drain Output Option
ACEX 1K devices provide an optional open-drain output (electrically 
equivalent to open-collector output) for each I/O pin. This open-drain 
output enables the device to provide system-level control signals (e.g., 
interrupt and write enable signals) that can be asserted by any of several 
devices. It can also provide an additional wired-OR plane. 
MultiVolt I/O Interface 
The ACEX 1K device architecture supports the MultiVolt I/O interface 
feature, which allows ACEX 1K devices in all packages to interface with 
systems of differing supply voltages. These devices have one set of VCC 
pins for internal operation and input buffers (VCCINT), and another set for 
I/O output drivers (VCCIO). 

Altera Corporation  41
ACEX 1K Programmable Logic Device Family Data Sheet
Development
13
Tools
The VCCINT pins must always be connected to a 2.5-V power supply. 
With a 2.5-V VCCINT level, input voltages are compatible with 2.5-V, 3.3-
V, and 5.0-V inputs. The VCCIO pins can be connected to either a 2.5-V or 
3.3-V power supply, depending on the output requirements. When the 
VCCIO pins are connected to a 2.5-V power supply, the output levels are 
compatible with 2.5-V systems. When the VCCIO pins are connected to a 
3.3-V power supply, the output high is at 3.3 V and is therefore compatible 
with 3.3-V or 5.0-V systems. Devices operating with VCCIO levels higher 
than 3.0 V achieve a faster timing delay of tOD2 instead of tOD1.
Table 13 summarizes ACEX 1K MultiVolt I/O support.
Notes:
(1) The PCI clamping diode must be disabled on an input which is driven with a 
voltage higher than VCCIO.
(2) When VCCIO = 3.3 V, an ACEX 1K device can drive a 2.5-V device that has 3.3-V 
tolerant inputs.
Open-drain output pins on ACEX 1K devices (with a pull-up resistor to 
the 5.0-V supply) can drive 5.0-V CMOS input pins that require a higher 
VIH than LVTTL. When the open-drain pin is active, it will drive low. 
When the pin is inactive, the resistor will pull up the trace to 5.0 V, thereby 
meeting the CMOS VOH requirement. The open-drain pin will only drive 
low or tri-state; it will never drive high. The rise time is dependent on the 
value of the pull-up resistor and load impedance. The IOL current 
specification should be considered when selecting a pull-up resistor.
Power 
Sequencing & 
Hot-Socketing
Because ACEX 1K devices can be used in a mixed-voltage environment, 
they have been designed specifically to tolerate any possible power-up 
sequence. The VCCIO and VCCINT power planes can be powered in any 
order.
Signals can be driven into ACEX 1K devices before and during power up 
without damaging the device. Additionally, ACEX 1K devices do not 
drive out during power up. Once operating conditions are reached, 
ACEX 1K devices operate as specified by the user.
Table 13. ACEX 1K MultiVolt I/O Support
VCCIO (V) Input Signal (V) Output Signal (V)
2.5 3.3 5.0 2.5 3.3 5.0
2.5 vv(1) v (1) v
3.3 vvv (1) v (2) vv

42 Altera Corporation
ACEX 1K Programmable Logic Device Family Data Sheet
IEEE Std. 
1149.1 (JTAG) 
Boundary-Scan 
Support
All ACEX 1K devices provide JTAG BST circuitry that complies with the 
IEEE Std. 1149.1-1990 specification. ACEX 1K devices can also be 
configured using the JTAG pins through the ByteBlasterMV or BitBlaster 
download cable, or via hardware that uses the JamTM Standard Test and 
Programming Language (STAPL), JEDEC standard JESD-71. JTAG 
boundary-scan testing can be performed before or after configuration, but 
not during configuration. ACEX 1K devices support the JTAG 
instructions shown in Table 14.
The instruction register length of ACEX 1K devices is 10 bits. The 
USERCODE register length in ACEX 1K devices is 32 bits; 7 bits are 
determined by the user, and 25 bits are pre-determined. Tables 15 and 16 
show the boundary-scan register length and device IDCODE information 
for ACEX 1K devices.
Table 14. ACEX 1K JTAG Instructions
JTAG Instruction Description
SAMPLE/PRELOAD Allows a snapshot of signals at the device pins to be captured and examined during 
normal device operation and permits an initial data pattern to be output at the device 
pins.
EXTEST Allows the external circuitry and board-level interconnections to be tested by forcing a 
test pattern at the output pins and capturing test results at the input pins.
BYPASS Places the 1-bit bypass register between the TDI and TDO pins, allowing the BST data 
to pass synchronously through a selected device to adjacent devices during normal 
operation.
USERCODE Selects the user electronic signature (USERCODE) register and places it between the 
TDI and TDO pins, allowing the USERCODE to be serially shifted out of TDO.
IDCODE Selects the IDCODE register and places it between TDI and TDO, allowing the IDCODE 
to be serially shifted out of TDO.
ICR Instructions These instructions are used when configuring an ACEX 1K device via JTAG ports using 
a MasterBlaster, ByteBlasterMV, or BitBlaster download cable, or a Jam File (.jam) or 
Jam Byte-Code File (.jbc) via an embedded processor.
Table 15. ACEX 1K Boundary-Scan Register Length
Device Boundary-Scan Register Length
EP1K10 438
EP1K30 690
EP1K50 798
EP1K100 1,050

Altera Corporation  43
ACEX 1K Programmable Logic Device Family Data Sheet
Development
13
Tools
Notes to tables:
(1) The most significant bit (MSB) is on the left.
(2) The least significant bit (LSB) for all JTAG IDCODEs is 1.
ACEX 1K devices include weak pull-up resistors on the JTAG pins.
fFor more information, see the following documents:
■Application Note 39 (IEEE Std. 1149.1 (JTAG) Boundary-Scan Testing in 
Altera Devices) 
■ByteBlasterMV Parallel Port Download Cable Data Sheet
■BitBlaster Serial Download Cable Data Sheet
■Jam Programming & Test Language Specification
Figure 20 shows the timing requirements for the JTAG signals.
Table 16.  32-Bit IDCODE for ACEX 1K Devices Note (1)
Device IDCODE (32 Bits)
Version 
(4 Bits) Part Number (16 Bits) Manufacturer’s
Identity (11 Bits) 1 (1 Bit) (2)
EP1K10  0001 0001 0000 0001 0000 00001101110 1
EP1K30 0001 0001 0000 0011 0000 00001101110 1
EP1K50 0001 0001 0000 0101 0000 00001101110 1
EP1K100 0010 0000 0001 0000 0000 00001101110 1
 
 
 
 
 
 
 
 
44 Altera Corporation
ACEX 1K Programmable Logic Device Family Data Sheet
Figure 20. ACEX 1K JTAG Waveforms
Table 17 shows the timing parameters and values for ACEX 1K devices.
TDO
TCK
t
JPZX
t
JPCO
t
JPH
t
JPXZ
 t
JCP
 t
JPSU
 t
JCL
 t
JCH
TDI
TMS
Signal
to Be
Captured
Signal
to Be
Driven
t
JSZX
t
JSSU
t
JSH
t
JSCO
t
JSXZ
Table 17. ACEX 1K JTAG Timing Parameters & Values
Symbol Parameter Min Max Unit
tJCP TCK clock period  100 ns
tJCH TCK clock high time  50 ns
tJCL TCK clock low time  50 ns
tJPSU JTAG port setup time  20 ns
tJPH JTAG port hold time  45 ns
tJPCO JTAG port clock to output 25 ns
tJPZX JTAG port high impedance to valid output 25 ns
tJPXZ JTAG port valid output to high impedance 25 ns
tJSSU Capture register setup time 20 ns
tJSH Capture register hold time 45 ns
tJSCO Update register clock to output 35 ns
tJSZX Update register high impedance to valid output 35 ns
tJSXZ Update register valid output to high impedance 35 ns
 
 
 
 
 
 
“>7
 
 
Altera Corporation  45
ACEX 1K Programmable Logic Device Family Data Sheet
Development
13
Tools
Generic Testing Each ACEX 1K device is functionally tested. Complete testing of each 
configurable static random access memory (SRAM) bit and all logic 
functionality ensures 100% yield. AC test measurements for ACEX 1K 
devices are made under conditions equivalent to those shown in 
Figure 21. Multiple test patterns can be used to configure devices during 
all stages of the production flow.
Figure 21. ACEX 1K AC Test Conditions
Operating 
Conditions
Tables 18 through 21 provide information on absolute maximum ratings, 
recommended operating conditions, DC operating conditions, and 
capacitance for 2.5-V ACEX 1K devices.
To Test
System
C1 (includes
JIG capacitance)
Device input
rise and fall
times < 3 ns
Device
Output
703 Ω
8.06 k Ω
[481    ]
Ω
[481    ]
Ω
VCCIO
Power supply transients can affect AC
measurements. Simultaneous transitions of 
multiple outputs should be avoided for 
accurate measurement. Threshold tests 
must not be performed under AC 
conditions. Large-amplitude, fast-ground-
current transients normally occur as the 
device outputs discharge the load 
capacitances. When these transients flow 
through the parasitic inductance between 
the device ground pin and the test system 
ground, significant reductions in 
observable noise immunity can result. 
Numbers in brackets are for 2.5-V devices 
or outputs. Numbers without brackets are 
for 3.3-V devices or outputs.
Table 18. ACEX 1K Device Absolute Maximum Ratings Note (1)
Symbol Parameter Conditions Min Max Unit
VCCINT Supply voltage With respect to ground (2) –0.5 3.6 V
VCCIO –0.5 4.6 V
VIDC input voltage –2.0 5.75 V
IOUT DC output current, per pin –25 25 mA
TSTG Storage temperature No bias –65 150 ° C
TAMB Ambient temperature Under bias –65 135 ° C
TJJunction temperature PQFP, TQFP, and BGA packages, under 
bias
135 ° C

46 Altera Corporation
ACEX 1K Programmable Logic Device Family Data Sheet
Table 19.  ACEX 1K Device Recommended Operating Conditions
Symbol Parameter Conditions Min Max Unit
VCCINT Supply voltage for internal logic 
and input buffers
(3), (4) 2.375 
(2.375)
2.625 
(2.625)
V
VCCIO Supply voltage for output buffers, 
3.3-V operation
(3), (4) 3.00 (3.00) 3.60 (3.60) V
Supply voltage for output buffers, 
2.5-V operation
(3), (4) 2.375 
(2.375)
2.625 
(2.625)
V
VIInput voltage (2), (5) –0.5 5.75 V
VOOutput voltage 0 VCCIO V
TAAmbient temperature Commercial range 0 70 ° C
Industrial range –40 85 ° C
TJJunction temperature Commercial range 0 85 ° C
Industrial range –40 100 ° C
Extended range –40 125 ° C
tRInput rise time 40 ns
tFInput fall time 40 ns
Table 20. ACEX 1K Device DC Operating Conditions  (Part 1 of 2) Notes (6), (7)
Symbol Parameter Conditions Min Typ Max Unit
VIH High-level input voltage 1.7,
0.5 × VCCIO (8)
5.75 V
VIL Low-level input voltage –0.5 0.8, 
0.3 × VCCIO (8)
V
VOH 3.3-V high-level TTL output 
voltage
IOH = –8 mA DC, 
VCCIO =3.00 V (9)
2.4 V
3.3-V high-level CMOS output 
voltage
IOH = –0.1 mA DC, 
VCCIO =3.00 V (9)
VCCIO –0.2 V
3.3-V high-level PCI output 
voltage
IOH = –0.5 mA DC, 
VCCIO = 3.00 to 3.60 V 
(9)
0.9 ׆VCCIO V
2.5-V high-level output voltage IOH = –0.1 mA DC, 
VCCIO = 2.375 V (9)
2.1 V
IOH = –1 mA DC, 
VCCIO = 2.375 V (9)
2.0 V
IOH = –2 mA DC, 
VCCIO = 2.375 V (9)
1.7 V

Altera Corporation  47
ACEX 1K Programmable Logic Device Family Data Sheet
Development
13
Tools
VOL 3.3-V low-level TTL output 
voltage
IOL = 12 mA DC, 
VCCIO = 3.00 V (10)
0.45 V
3.3-V low-level CMOS output 
voltage
IOL = 0.1 mA DC, 
VCCIO = 3.00 V (10)
0.2 V
3.3-V low-level PCI output 
voltage
IOL = 1.5 mA DC, 
VCCIO = 3.00 to 3.60 V 
(10)
0.1 × VCCIO V
2.5-V low-level output voltage IOL = 0.1 mA DC, 
VCCIO = 2.375 V (10)
0.2 V
IOL = 1 mA DC, 
VCCIO = 2.375 V (10)
0.4 V
IOL = 2 mA DC, 
VCCIO = 2.375 V (10)
0.7 V
IIInput pin leakage current VI = 5.3 to –0.3 V (11) –10 10 µA
IOZ Tri-stated I/O pin leakage 
current
VO = 5.3 to –0.3 V (11) –10 10 µA
ICC0 VCC supply current (standby) VI = ground, no load, 
no toggling inputs
5mA
VI = ground, no load, 
no toggling inputs (12)
10 mA
RCONF Value of I/O pin pull-up 
resistor before and during 
configuration
VCCIO =3.0 V (13) 20 50 kΩ
VCCIO = 2.375 V (13) 30 80 kΩ
Table 20. ACEX 1K Device DC Operating Conditions  (Part 2 of 2) Notes (6), (7)
Symbol Parameter Conditions Min Typ Max Unit

48 Altera Corporation
ACEX 1K Programmable Logic Device Family Data Sheet
Notes to tables:
(1) See the Operating Requirements for Altera Devices Data Sheet.
(2) Minimum DC input voltage is –0.5 V. During transitions, the inputs may undershoot to –2.0 V for input currents 
less than 100 mA and periods shorter than 20 ns.
(3) Numbers in parentheses are for industrial- and extended-temperature-range devices.
(4) Maximum VCC rise time is 100 ms, and VCC must rise monotonically.
(5) All pins, including dedicated inputs, clock, I/O, and JTAG pins, may be driven before VCCINT and VCCIO are 
powered.
(6) Typical values are for TA = 25° C, VCCINT = 2.5 V, and VCCIO = 2.5 V or 3.3 V.
(7) These values are specified under the ACEX 1K Recommended Operating Conditions shown in Table 19 on page 46.
(8) The ACEX 1K input buffers are compatible with 2.5-V, 3.3-V (LVTTL and LVCMOS), and 5.0-V TTL and CMOS 
signals. Additionally, the input buffers are 3.3-V PCI compliant when VCCIO and VCCINT meet the relationship 
shown in Figure 22.
(9) The IOH parameter refers to high-level TTL, PCI, or CMOS output current.
(10) The IOL parameter refers to low-level TTL, PCI, or CMOS output current. This parameter applies to open-drain pins 
as well as output pins.
(11) This value is specified for normal device operation. The value may vary during power-up.
(12) This parameter applies to -1 speed grade commercial temperature devices and -2 speed grade industrial and 
extended temperature devices.
(13) Pin pull-up resistance values will be lower if the pin is driven higher than VCCIO by an external source.
(14) Capacitance is sample-tested only.
Table 21.  ACEX 1K Device Capacitance Note (14)
Symbol Parameter Conditions Min Max Unit
CIN Input capacitance VIN = 0 V, f = 1.0 MHz 10 pF
CINCLK Input capacitance on 
dedicated clock pin
VIN = 0 V, f = 1.0 MHz 12 pF
COUT Output capacitance VOUT = 0 V, f = 1.0 MHz 10 pF

Altera Corporation  49
ACEX 1K Programmable Logic Device Family Data Sheet
Development
13
Tools
Figure 22 shows the required relationship between VCCIO and VCCINT to 
satisfy 3.3-V PCI compliance.
Figure 22. Relationship between VCCIO & VCCINT for 3.3-V PCI Compliance
Figure 23 shows the typical output drive characteristics of ACEX 1K 
devices with 3.3-V and 2.5-V VCCIO. The output driver is compliant to the 
3.3-V PCI Local Bus Specification, Revision 2.2 (when VCCIO pins are 
connected to 3.3 V). ACEX 1K devices with a -1 speed grade also comply 
with the drive strength requirements of the PCI Local Bus Specification, 
Revision 2.2 (when VCCINT pins are powered with a minimum supply of 
2.375 V, and VCCIO pins are connected to 3.3 V). Therefore, these devices 
can be used in open 5.0-V PCI systems.
3.0 3.1 3.3
VCCIOIO 
3.6
2.3
2.5
2.7
V
CCINT
II (V)
(V)
PCI-Compliant Region
 
 
 
 
 
50 Altera Corporation
ACEX 1K Programmable Logic Device Family Data Sheet
Figure 23. Output Drive Characteristics of ACEX 1K Devices
Timing Model The continuous, high-performance FastTrack Interconnect routing 
resources ensure accurate simulation and timing analysis as well as 
predictable performance. This predictable performance contrasts with 
that of FPGAs, which use a segmented connection scheme and, therefore, 
have an unpredictable performance. 
Device performance can be estimated by following the signal path from a 
source, through the interconnect, to the destination. For example, the 
registered performance between two LEs on the same row can be 
calculated by adding the following parameters: 
■LE register clock-to-output delay (tCO)
■Interconnect delay (tSAMEROW)
■LE look-up table delay (tLUT)
■LE register setup time (tSU)
The routing delay depends on the placement of the source and destination 
LEs. A more complex registered path may involve multiple combinatorial 
LEs between the source and destination LEs. 
Timing simulation and delay prediction are available with the simulator 
and Timing Analyzer, or with industry-standard EDA tools. The 
Simulator offers both pre-synthesis functional simulation to evaluate logic 
design accuracy and post-synthesis timing simulation with 0.1-ns 
resolution. The Timing Analyzer provides point-to-point timing delay 
information, setup and hold time analysis, and device-wide performance 
analysis.
VO Output Voltage (V)
IOL
IOH IOH
V
V
VCCINT = 2.5 
VCCIO = 2.5 
Room Temperature 
V
V
VCCINT = 2.5 
VCCIO = 3.3 
Room Temperature 
123
10
20
30
50
60
40
70
80
90
VO Output Voltage (V)
123
10
20
30
50
60
40
70
80
90 IOL
O
Typical I
Output
Current (mA)
O
Typical I
Output
Current (mA)
 
 
 
 
 
 
 
 
 
 
 
 
 
 
 
 
 
 
 
 
 
 
 
 
 
 
 
 
 
 
 
 
 
 
 
 
 
 
 
 
 
 
 
 
 
 
 
 
 
 
 
 
 
V
V
4:7»
V
V
I Imam V
4V V,
I ‘ocu
Altera Corporation  51
ACEX 1K Programmable Logic Device Family Data Sheet
Development
13
Tools
Figure 24 shows the overall timing model, which maps the possible paths 
to and from the various elements of the ACEX 1K device.
Figure 24. ACEX 1K Device Timing Model
Figures 25 through 28 show the delays that correspond to various paths 
and functions within the LE, IOE, EAB, and bidirectional timing models.
Figure 25. ACEX 1K Device LE Timing Model
Dedicated
Clock/Input Interconnect I/O Element
Logic
Element Embedded Array
Block
t
CGENR
t
CO
t
COMB
t
SU
t
H
t
PRE
t
CLR
Register
Delays
LUT Delay
t
LUT
t
RLUT
t
CLUT
Carry Chain
Delay
Carry-In Cascade-In
Data-Out
t
CGEN
t
CICO
Packed Register
Delay
t
PACKED
Register Control
Delay
t
C
t
EN
Data-In
Control-In
t
CASC
Cascade-Out
Carry-Out
t
LABCARRY
t
LABCASC
 
 
 
 
 
 
 
 
 
 
 
 
 
 
 
H
 
 
fill
 
 
 
 
 
 
 
 
 
 
 
 
 
 
 
H
 
 
 
 
 
 
 
 
 
52 Altera Corporation
ACEX 1K Programmable Logic Device Family Data Sheet
Figure 26. ACEX 1K Device IOE Timing Model
Figure 27. ACEX 1K Device EAB Timing Model
Data-In
I/O Register
Delays
t
IOCO
t
IOCOMB
t
IOSU
t
IOH
t
IOCLR
Output Data
Delay
t
IOD
I/O Element
Contol Delay
t
IOC
Input Register Delay
t
INREG
Output
Delays
t
OD1
t
OD2
t
OD3
t
XZ
t
ZX1
t
ZX2
t
ZX3
I/O Register
Feedback Delay
t
IOFD
Input Delay
t
INCOMB
Clock Enable
Clear
Data Feedback
into FastTrack
Interconnect
Clock
Output Enable
EAB Data Input
Delays
t
EABDATA1
t
EABDATA2
Data-In
Write Enable
Input Delays
t
EABWE1
t
EABWE2
EAB Clock
Delay
t
EABCLK
Input Register
Delays
t
EABCO
t
EABBYPASS
t
EABSU
t
EABH
t
EABCH
t
EABCL
t
EABRE1
t
EABRE2
RAM/ROM
Block Delays
t
AA
t
RP
t
RASU
t
RAH
t
DD
t
WP
t
WDSU
t
WDH
t
WASU
t
WAH
t
WO
Output Register
Delays
t
EABCO
t
EABBYPASS
t
EABSU
t
EABH
t
EABCH
t
EABCL
t
EABOUT
Address
WE
Input Register
Clock
Output Register
Clock
Data-Out
EAB Output
Delay
Read Enable
Input Delays
RE

Altera Corporation  53
ACEX 1K Programmable Logic Device Family Data Sheet
Development
13
Tools
Figure 28. Synchronous Bidirectional Pin External Timing Model
Tables 29 and 30 show the asynchronous and synchronous timing 
waveforms, respectively, for the EAB macroparameters in Table 24.
Figure 29. EAB Asynchronous Timing Waveforms
PRN
CLRN
DQ
PRN
CLRN
DQ
PRN
CLRN
DQ
Dedicated
Clock
Bidirectional
Pin
Output Register
tINSUBIDIR
tOUTCOBIDIR
tXZBIDIR
tZXBIDIR
tINHBIDIR
OE Register
Input Register
EAB Asynchronous Write
EAB Asynchronous Read
WE
a0
d0 d3
 t
EABRCCOMB
a1 a2 a3
d2
 t
EABAA
d1
Address
Data-Out
WE
a0
din1 dout2
t
EABDD
a1 a2
din1
din0
t
EABWCCOMB
t
EABWASU
t
EABWAH
t
EABWDH
t
EABWDSU
t
EABWP
din0
Data-In
Address
Data-Out
 
 
 
 
 
 
 
 
 
 
 
 
 
 
 
54 Altera Corporation
ACEX 1K Programmable Logic Device Family Data Sheet
Figure 30. EAB Synchronous Timing Waveforms
Tables 22 through 26 describe the ACEX 1K device internal timing 
parameters. 
WE
CLK
EAB Synchronous Read
a0
d2
tEABDATASU  tEABRCREG
 tEABDATACO
a1 a2 a3
d1
 tEABDATAH
a0
WE
CLK
dout0 din1 din2 din3 din2
tEABWESU
tEABWCREG
tEABWEH
tEABDATACO
a1 a2 a3 a2
din3
din2
din1
tEABDATAH
tEABDATASU
EAB Synchronous Write (EAB Output Registers Used)
dout1
Address
Data-Out
Address
Data-Out
Data-In
Table 22. LE Timing Microparameters  (Part 1 of 2) Note (1)
Symbol Parameter Conditions
tLUT LUT delay for data-in
tCLUT LUT delay for carry-in
tRLUT LUT delay for LE register feedback
tPACKED Data-in to packed register delay
tEN LE register enable delay
tCICO Carry-in to carry-out delay
tCGEN Data-in to carry-out delay
tCGENR LE register feedback to carry-out delay

Altera Corporation  55
ACEX 1K Programmable Logic Device Family Data Sheet
Development
13
Tools
tCASC Cascade-in to cascade-out delay
tCLE register control signal delay
tCO LE register clock-to-output delay
tCOMB Combinatorial delay
tSU LE register setup time for data and enable signals before clock; LE register 
recovery time after asynchronous clear, preset, or load
tHLE register hold time for data and enable signals after clock
tPRE LE register preset delay
tCLR LE register clear delay
tCH Minimum clock high time from clock pin
tCL Minimum clock low time from clock pin
Table 23. IOE Timing Microparameters Note (1)
Symbol Parameter Conditions
tIOD IOE data delay
tIOC IOE register control signal delay
tIOCO IOE register clock-to-output delay
tIOCOMB IOE combinatorial delay
tIOSU IOE register setup time for data and enable signals before clock; IOE register 
recovery time after asynchronous clear
tIOH IOE register hold time for data and enable signals after clock
tIOCLR IOE register clear time
tOD1 Output buffer and pad delay, slow slew rate = off, VCCIO = 3.3 V C1 = 35 pF (2)
tOD2 Output buffer and pad delay, slow slew rate = off, VCCIO = 2.5 V C1 = 35 pF (3)
tOD3 Output buffer and pad delay, slow slew rate = on C1 = 35 pF (4)
tXZ IOE output buffer disable delay
tZX1 IOE output buffer enable delay, slow slew rate = off, VCCIO = 3.3 V C1 = 35 pF (2)
tZX2 IOE output buffer enable delay, slow slew rate = off, VCCIO = 2.5 V C1 = 35 pF (3)
tZX3 IOE output buffer enable delay, slow slew rate = on C1 = 35 pF (4)
tINREG IOE input pad and buffer to IOE register delay
tIOFD IOE register feedback delay
tINCOMB IOE input pad and buffer to FastTrack Interconnect delay
Table 22. LE Timing Microparameters  (Part 2 of 2) Note (1)
Symbol Parameter Conditions

56 Altera Corporation
ACEX 1K Programmable Logic Device Family Data Sheet
Table 24. EAB Timing Microparameters Note (1)
Symbol Parameter Conditions
tEABDATA1 Data or address delay to EAB for combinatorial input
tEABDATA2 Data or address delay to EAB for registered input
tEABWE1 Write enable delay to EAB for combinatorial input
tEABWE2 Write enable delay to EAB for registered input
tEABRE1 Read enable delay to EAB for combinatorial input
tEABRE2 Read enable delay to EAB for registered input
tEABCLK EAB register clock delay
tEABCO EAB register clock-to-output delay
tEABBYPASS Bypass register delay
tEABSU EAB register setup time before clock
tEABH EAB register hold time after clock
tEABCLR EAB register asynchronous clear time to output delay
tAA Address access delay (including the read enable to output delay)
tWP Write pulse width
tRP Read pulse width
tWDSU Data setup time before falling edge of write pulse (5)
tWDH Data hold time after falling edge of write pulse (5)
tWASU Address setup time before rising edge of write pulse (5)
tWAH Address hold time after falling edge of write pulse (5)
tRASU Address setup time before rising edge of read pulse
tRAH Address hold time after falling edge of read pulse
tWO Write enable to data output valid delay
tDD Data-in to data-out valid delay
tEABOUT Data-out delay
tEABCH Clock high time
tEABCL Clock low time

Altera Corporation  57
ACEX 1K Programmable Logic Device Family Data Sheet
Development
13
Tools
Table 25. EAB Timing Macroparameters Notes (1), (6)
Symbol Parameter Conditions
tEABAA EAB address access delay
tEABRCCOMB EAB asynchronous read cycle time
tEABRCREG EAB synchronous read cycle time
tEABWP EAB write pulse width
tEABWCCOMB EAB asynchronous write cycle time
tEABWCREG EAB synchronous write cycle time
tEABDD EAB data-in to data-out valid delay
tEABDATACO EAB clock-to-output delay when using output registers
tEABDATASU EAB data/address setup time before clock when using input register
tEABDATAH EAB data/address hold time after clock when using input register
tEABWESU EAB WE setup time before clock when using input register
tEABWEH EAB WE hold time after clock when using input register
tEABWDSU EAB data setup time before falling edge of write pulse when not using input 
registers
tEABWDH EAB data hold time after falling edge of write pulse when not using input 
registers
tEABWASU EAB address setup time before rising edge of write pulse when not using 
input registers
tEABWAH EAB address hold time after falling edge of write pulse when not using input 
registers
tEABWO EAB write enable to data output valid delay

58 Altera Corporation
ACEX 1K Programmable Logic Device Family Data Sheet
Notes to tables:
(1) Microparameters are timing delays contributed by individual architectural elements. These parameters cannot be 
measured explicitly.
(2) Operating conditions: VCCIO = 3.3 V ± 10% for commercial or industrial and extended use in ACEX 1K devices
(3) Operating conditions: VCCIO = 2.5 V ± 5% for commercial or industrial and extended use in ACEX 1K devices.
(4) Operating conditions: VCCIO = 2.5 V or 3.3 V.
(5) Because the RAM in the EAB is self-timed, this parameter can be ignored when the WE signal is registered. 
(6) EAB macroparameters are internal parameters that can simplify predicting the behavior of an EAB at its boundary; 
these parameters are calculated by summing selected microparameters. 
(7) These parameters are worst-case values for typical applications. Post-compilation timing simulation and timing 
analysis are required to determine actual worst-case performance.
Table 26. Interconnect Timing Microparameters Note (1)
Symbol Parameter Conditions
tDIN2IOE Delay from dedicated input pin to IOE control input (7)
tDIN2LE Delay from dedicated input pin to LE or EAB control input (7)
tDIN2DATA Delay from dedicated input or clock to LE or EAB data (7)
tDCLK2IOE Delay from dedicated clock pin to IOE clock (7)
tDCLK2LE Delay from dedicated clock pin to LE or EAB clock  (7)
tSAMELAB Routing delay for an LE driving another LE in the same LAB (7)
tSAMEROW Routing delay for a row IOE, LE, or EAB driving a row IOE, LE, or EAB in the 
same row
(7)
tSAMECOLUMN Routing delay for an LE driving an IOE in the same column (7)
tDIFFROW Routing delay for a column IOE, LE, or EAB driving an LE or EAB in a different 
row
(7)
tTWOROWS Routing delay for a row IOE or EAB driving an LE or EAB in a different row (7)
tLEPERIPH Routing delay for an LE driving a control signal of an IOE via the peripheral 
control bus
(7)
tLABCARRY Routing delay for the carry-out signal of an LE driving the carry-in signal of a 
different LE in a different LAB
tLABCASC Routing delay for the cascade-out signal of an LE driving the cascade-in 
signal of a different LE in a different LAB

Altera Corporation  59
ACEX 1K Programmable Logic Device Family Data Sheet
Development
13
Tools
Tables 27 through 29 describe the ACEX 1K external timing parameters 
and their symbols. 
Notes to tables:
(1) External reference timing parameters are factory-tested, worst-case values specified by Altera. A representative 
subset of signal paths is tested to approximate typical device applications.
(2) Contact Altera Applications for test circuit specifications and test conditions.
(3) These timing parameters are sample-tested only.
(4) This parameter is measured with the measurement and test conditions, including load, specified in the PCI Local 
Bus Specification, Revision 2.2.
Table 27. External Reference Timing Parameters Note (1)
Symbol Parameter Conditions
tDRR Register-to-register delay via four LEs, three row interconnects, and four local 
interconnects
(2)
Table 28. External Timing Parameters
Symbol Parameter Conditions
tINSU Setup time with global clock at IOE register (3)
tINH Hold time with global clock at IOE register (3)
tOUTCO Clock-to-output delay with global clock at IOE register (3)
tPCISU Setup time with global clock for registers used in PCI designs (3), (4)
tPCIH Hold time with global clock for registers used in PCI designs (3), (4)
tPCICO Clock-to-output delay with global clock for registers used in PCI designs (3), (4)
Table 29. External Bidirectional Timing Parameters Note (3)
Symbol Parameter Conditions
tINSUBIDIR Setup time for bidirectional pins with global clock at same-row or same-
column LE register
tINHBIDIR Hold time for bidirectional pins with global clock at same-row or same-column 
LE register
tOUTCOBIDIR Clock-to-output delay for bidirectional pins with global clock at IOE register CI = 35 pF
tXZBIDIR Synchronous IOE output buffer disable delay CI = 35 pF
tZXBIDIR Synchronous IOE output buffer enable delay, slow slew rate = off CI = 35 pF

60 Altera Corporation
ACEX 1K Programmable Logic Device Family Data Sheet
Tables 30 through 36 show EP1K10 device internal and external timing 
parameters. 
Table 30. EP1K10 Device LE Timing Microparameters Note (1)
Symbol Speed Grade Unit
-1 -2 -3
Min Max Min Max Min Max
tLUT 0.7 0.8 1.1 ns
tCLUT 0.5 0.6 0.8 ns
tRLUT 0.6 0.7 1.0 ns
tPACKED 0.4 0.4 0.5 ns
tEN 0.9 1.0 1.3 ns
tCICO 0.1 0.1 0.2 ns
tCGEN 0.4 0.5 0.7 ns
tCGENR 0.1 0.1 0.2 ns
tCASC 0.7 0.9 1.1 ns
tC1.1 1.3 1.7 ns
tCO 0.5 0.7 0.9 ns
tCOMB 0.4 0.5 0.7 ns
tSU 0.7 0.8 1.0 ns
tH0.9 1.0 1.1 ns
tPRE 0.8 1.0 1.4 ns
tCLR 0.9 1.0 1.4 ns
tCH 2.0 2.5 2.5 ns
tCL 2.0 2.5 2.5 ns

Altera Corporation  61
ACEX 1K Programmable Logic Device Family Data Sheet
Development
13
Tools
Table 31. EP1K10 Device IOE Timing Microparameters Note (1)
Symbol Speed Grade Unit
-1 -2 -3
Min Max Min Max Min Max
tIOD 2.6 3.1 4.0 ns
tIOC 0.3 0.4 0.5 ns
tIOCO 0.9 1.0 1.4 ns
tIOCOMB 0.0 0.0 0.0 ns
tIOSU 1.3 1.5 2.0 ns
tIOH 0.9 1.0 1.4 ns
tIOCLR 1.1 1.3 1.7 ns
tOD1 3.1 3.7 4.1 ns
tOD2 2.6 3.3 3.9 ns
tOD3 5.8 6.9 8.3 ns
tXZ 3.8 4.5 5.9 ns
tZX1 3.8 4.5 5.9 ns
tZX2 3.3 4.1 5.7 ns
tZX3 6.5 7.7 10.1 ns
tINREG 3.7 4.3 5.7 ns
tIOFD 0.9 1.0 1.4 ns
tINCOMB 1.9 2.3 3.0 ns

62 Altera Corporation
ACEX 1K Programmable Logic Device Family Data Sheet
Table 32. EP1K10 Device EAB Internal Microparameters Note (1)
Symbol Speed Grade Unit
-1 -2 -3
Min Max Min Max Min Max
tEABDATA1 1.8 1.9 1.9 ns
tEABDATA2 0.6 0.7 0.7 ns
tEABWE1 1.2 1.2 1.2 ns
tEABWE2 0.4 0.4 0.4 ns
tEABRE1 0.9 0.9 0.9 ns
tEABRE2 0.4 0.4 0.4 ns
tEABCLK 0.0 0.0 0.0 ns
tEABCO 0.3 0.3 0.3 ns
tEABBYPASS 0.5 0.6 0.6 ns
tEABSU 1.0 1.0 1.0 ns
tEABH 0.5 0.4 0.4 ns
tEABCLR 0.3 0.3 0.3 ns
tAA 3.4 3.6 3.6 ns
tWP 2.7 2.8 2.8 ns
tRP 1.0 1.0 1.0 ns
tWDSU 1.0 1.0 1.0 ns
tWDH 0.1 0.1 0.1 ns
tWASU 1.8 1.9 1.9 ns
tWAH 1.9 2.0 2.0 ns
tRASU 3.1 3.5 3.5 ns
tRAH 0.2 0.2 0.2 ns
tWO 2.7 2.8 2.8 ns
tDD 2.7 2.8 2.8 ns
tEABOUT 0.5 0.6 0.6 ns
tEABCH 1.5 2.0 2.0 ns
tEABCL 2.7 2.8 2.8 ns

Altera Corporation  63
ACEX 1K Programmable Logic Device Family Data Sheet
Development
13
Tools
Table 33. EP1K10 Device EAB Internal Timing Macroparameters Note (1)
Symbol Speed Grade Unit
-1 -2 -3
Min Max Min Max Min Max
tEABAA 6.7 7.3 7.3 ns
tEABRCCOMB 6.7 7.3 7.3 ns
tEABRCREG 4.7 4.9 4.9 ns
tEABWP 2.7 2.8 2.8 ns
tEABWCCOMB 6.4 6.7 6.7 ns
tEABWCREG 7.4 7.6 7.6 ns
tEABDD 6.0 6.5 6.5 ns
tEABDATACO 0.8 0.9 0.9 ns
tEABDATASU 1.6 1.7 1.7 ns
tEABDATAH 0.0 0.0 0.0 ns
tEABWESU 1.4 1.4 1.4 ns
tEABWEH 0.1 0.0 0.0 ns
tEABWDSU 1.6 1.7 1.7 ns
tEABWDH 0.0 0.0 0.0 ns
tEABWASU 3.1 3.4 3.4 ns
tEABWAH 0.6 0.5 0.5 ns
tEABWO 5.4 5.8 5.8 ns

64 Altera Corporation
ACEX 1K Programmable Logic Device Family Data Sheet
Table 34. EP1K10 Device Interconnect Timing Microparameters Note (1)
Symbol Speed Grade Unit
-1 -2 -3
Min Max Min Max Min Max
tDIN2IOE 2.3 2.7 3.6 ns
tDIN2LE 0.8 1.1 1.4 ns
tDIN2DATA 1.1 1.4 1.8 ns
tDCLK2IOE 2.3 2.7 3.6 ns
tDCLK2LE 0.8 1.1 1.4 ns
tSAMELAB 0.1 0.1 0.2 ns
tSAMEROW 1.8 2.1 2.9 ns
tSAMECOLUMN 0.3 0.4 0.7 ns
tDIFFROW 2.1 2.5 3.6 ns
tTWOROWS 3.9 4.6 6.5 ns
tLEPERIPH 3.3 3.7 4.8 ns
tLABCARRY 0.3 0.4 0.5 ns
tLABCASC 0.9 1.0 1.4 ns
Table 35. EP1K10 External Timing Parameters Note (1)
Symbol Speed Grade Unit
-1 -2 -3
Min Max Min Max Min Max
tDRR 7.5 9.5 12.5 ns
tINSU (2), (3) 2.4 2.7 3.6 ns
tINH (2), (3) 0.0 0.0 0.0 ns
tOUTCO (2), (3) 2.0 6.6 2.0 7.8 2.0 9.6 ns
tINSU (4), (3) 1.4 1.7 – ns
tINH (4), (3) 0.5 5.1 0.5 6.4 – – ns
tOUTCO (4), (3) 0.0 0.0 – ns
tPCISU (3) 3.0 4.2 6.4 ns
tPCIH (3) 0.0 0.0 – ns
tPCICO (3) 2.0 6.0 2.0 7.5 2.0 10.2 ns

Altera Corporation  65
ACEX 1K Programmable Logic Device Family Data Sheet
Development
13
Tools
Notes to tables:
(1) All timing parameters are described in Tables 22 through 29 in this data sheet.
(2) This parameter is measured without the use of the ClockLock or ClockBoost circuits.
(3) These parameters are specified by characterization.
(4) This parameter is measured with the use of the ClockLock or ClockBoost circuits.
Tables 37 through 43 show EP1K30 device internal and external timing 
parameters.  
Table 36. EP1K10 External Bidirectional Timing Parameters Notes (1), (3)
Symbol Speed Grade Unit
-1 -2 -3
Min Max Min Max Min Max
tINSUBIDIR (2) 2.2 2.3 3.2 ns
tINHBIDIR (2) 0.0 0.0 0.0 ns
tOUTCOBIDIR (2) 2.0 6.6 2.0 7.8 2.0 9.6 ns
tXZBIDIR (2) 8.8 11.2 14.0 ns
tZXBIDIR (2) 8.8 11.2 14.0 ns
tINSUBIDIR (4) 3.1 3.3 – –
tINHBIDIR (4) 0.0 0.0 –
tOUTCOBIDIR (4) 0.5 5.1 0.5 6.4 – – ns
tXZBIDIR(4) 7.3 9.2 – ns
tZXBIDIR (4) 7.3 9.2 – ns
Table 37. EP1K30 Device LE Timing Microparameters  (Part 1 of 2) Note (1)
Symbol Speed Grade Unit
-1 -2 -3
Min Max Min Max Min Max
tLUT 0.7 0.8 1.1 ns
tCLUT 0.5 0.6 0.8 ns
tRLUT 0.6 0.7 1.0 ns
tPACKED 0.3 0.4 0.5 ns
tEN 0.6 0.8 1.0 ns
tCICO 0.1 0.1 0.2 ns
tCGEN 0.4 0.5 0.7 ns
tCGENR 0.1 0.1 0.2 ns
tCASC 0.6 0.8 1.0 ns
tC0.0 0.0 0.0 ns
tCO 0.3 0.4 0.5 ns

66 Altera Corporation
ACEX 1K Programmable Logic Device Family Data Sheet
tCOMB 0.4 0.4 0.6 ns
tSU 0.4 0.6 0.6 ns
tH0.7 1.0 1.3 ns
tPRE 0.8 0.9 1.2 ns
tCLR 0.8 0.9 1.2 ns
tCH 2.0 2.5 2.5 ns
tCL 2.0 2.5 2.5 ns
Table 38. EP1K30 Device IOE Timing Microparameters Note (1)
Symbol Speed Grade Unit
-1 -2 -3
Min Max Min Max Min Max
tIOD 2.4 2.8 3.8 ns
tIOC 0.3 0.4 0.5 ns
tIOCO 1.0 1.1 1.6 ns
tIOCOMB 0.0 0.0 0.0 ns
tIOSU 1.2 1.4 1.9 ns
tIOH 0.3 0.4 0.5 ns
tIOCLR 1.0 1.1 1.6 ns
tOD1 1.9 2.3 3.0 ns
tOD2 1.4 1.8 2.5 ns
tOD3 4.4 5.2 7.0 ns
tXZ 2.7 3.1 4.3 ns
tZX1 2.7 3.1 4.3 ns
tZX2 2.2 2.6 3.8 ns
tZX3 5.2 6.0 8.3 ns
tINREG 3.4 4.1 5.5 ns
tIOFD 0.8 1.3 2.4 ns
tINCOMB 0.8 1.3 2.4 ns
Table 37. EP1K30 Device LE Timing Microparameters  (Part 2 of 2) Note (1)
Symbol Speed Grade Unit
-1 -2 -3
Min Max Min Max Min Max

Altera Corporation  67
ACEX 1K Programmable Logic Device Family Data Sheet
Development
13
Tools
Table 39. EP1K30 Device EAB Internal Microparameters Note (1)
Symbol Speed Grade Unit
-1 -2 -3
Min Max Min Max Min Max
tEABDATA1 1.7 2.0 2.3 ns
tEABDATA1 0.6 0.7 0.8 ns
tEABWE1 1.1 1.3 1.4 ns
tEABWE2 0.4 0.4 0.5 ns
tEABRE1 0.8 0.9 1.0 ns
tEABRE2 0.4 0.4 0.5 ns
tEABCLK 0.0 0.0  0.0 ns
tEABCO 0.3 0.3 0.4 ns
tEABBYPASS 0.5 0.6 0.7 ns
tEABSU 0.9 1.0 1.2 ns
tEABH 0.4 0.4 0.5 ns
tEABCLR 0.3 0.3 0.3 ns
tAA 3.2 3.8 4.4 ns
tWP 2.5 2.9 3.3 ns
tRP 0.9 1.1 1.2 ns
tWDSU 0.9 1.0 1.1 ns
tWDH 0.1 0.1 0.1 ns
tWASU 1.7 2.0 2.3 ns
tWAH 1.8 2.1 2.4 ns
tRASU 3.1 3.7 4.2 ns
tRAH 0.2 0.2 0.2 ns
tWO 2.5 2.9 3.3 ns
tDD 2.5 2.9 3.3 ns
tEABOUT 0.5 0.6 0.7 ns
tEABCH 1.5 2.0 2.3 ns
tEABCL 2.5 2.9 3.3 ns

68 Altera Corporation
ACEX 1K Programmable Logic Device Family Data Sheet
Table 40. EP1K30 Device EAB Internal Timing Macroparameters Note (1)
Symbol Speed Grade Unit
-1 -2 -3
Min Max Min Max Min Max
tEABAA 6.4 7.6 8.8 ns
tEABRCOMB 6.4 7.6 8.8 ns
tEABRCREG 4.4 5.1 6.0 ns
tEABWP 2.5 2.9 3.3 ns
tEABWCOMB 6.0 7.0 8.0 ns
tEABWCREG 6.8 7.8 9.0 ns
tEABDD 5.7 6.7 7.7 ns
tEABDATACO 0.8 0.9 1.1 ns
tEABDATASU 1.5 1.7 2.0 ns
tEABDATAH 0.0 0.0 0.0 ns
tEABWESU 1.3 1.4 1.7 ns
tEABWEH 0.0 0.0 0.0 ns
tEABWDSU 1.5 1.7 2.0 ns
tEABWDH 0.0 0.0 0.0 ns
tEABWASU 3.0 3.6 4.3 ns
tEABWAH 0.5 0.5 0.4 ns
tEABWO 5.1 6.0 6.8 ns

Altera Corporation  69
ACEX 1K Programmable Logic Device Family Data Sheet
Development
13
Tools
Table 41. EP1K30 Device Interconnect Timing Microparameters Note (1)
Symbol Speed Grade Unit
-1 -2 -3
Min Max Min Max Min Max
tDIN2IOE 1.8 2.4 2.9 ns
tDIN2LE 1.5 1.8 2.4 ns
tDIN2DATA 1.5 1.8 2.2 ns
tDCLK2IOE 2.2 2.6 3.0 ns
tDCLK2LE 1.5 1.8 2.4 ns
tSAMELAB 0.1 0.2 0.3 ns
tSAMEROW 2.0 2.4 2.7 ns
tSAMECOLUMN 0.7 1.0 0.8 ns
tDIFFROW 2.7 3.4 3.5 ns
tTWOROWS 4.7 5.8 6.2 ns
tLEPERIPH 2.7 3.4 3.8 ns
tLABCARRY 0.3 0.4 0.5 ns
tLABCASC 0.8 0.8 1.1 ns
Table 42. EP1K30 External Timing Parameters Notes (1), (2)
Symbol Speed Grade Unit
-1 -2 -3
Min Max Min Max Min Max
tDRR 8.0 9.5 12.5 ns
tINSU (3) 2.1 2.5 3.9 ns
tINH (3) 0.0 0.0 0.0 ns
tOUTCO (3) 2.0  4.9 2.0 5.9 2.0 7.6 ns
tINSU (4) 1.1 1.5 – ns
tINH (4) 0.0 0.0 – ns
tOUTCO (4) 0.5 3.9 0.5 4.9 – – ns
tPCISU 3.0 4.2 – ns
tPCIH 0.0 0.0 – ns
tPCICO 2.0 6.0 2.0 7.5 – – ns

70 Altera Corporation
ACEX 1K Programmable Logic Device Family Data Sheet
Notes to tables:
(1) All timing parameters are described in Tables 22 through 29 in this data sheet.
(2) These parameters are specified by characterization.
(3) This parameter is measured without the use of the ClockLock or ClockBoost circuits.
(4) This parameter is measured with the use of the ClockLock or ClockBoost circuits.
Tables 44 through 50 show EP1K50 device external timing parameters. 
Table 43. EP1K30 External Bidirectional Timing Parameters Notes (1), (2)
Symbol Speed Grade Unit
-1 -2 -3
Min Max Min Max Min Max
tINSUBIDIR (3) 2.8 3.9 5.2 ns
tINHBIDIR (3) 0.0 0.0 0.0 ns
tINSUBIDIR (4) 3.8 4.9 – ns
tINHBIDIR (4) 0.0 0.0 – ns
tOUTCOBIDIR (3) 2.0 4.9 2.0 5.9 2.0 7.6 ns
tXZBIDIR (3) 6.1 7.5 9.7 ns
tZXBIDIR (3) 6.1 7.5 9.7 ns
tOUTCOBIDIR (4)  0.5 3.9 0.5 4.9 – – ns
tXZBIDIR (4) 5.1  6.5 – ns
tZXBIDIR (4) 5.1  6.5 – ns
Table 44. EP1K50 Device LE Timing Microparameters  (Part 1 of 2) Note (1)
Symbol Speed Grade Unit
-1 -2 -3
Min Max Min Max Min Max
tLUT 0.6 0.8 1.1 ns
tCLUT 0.5 0.6 0.8 ns
tRLUT 0.6 0.7 0.9 ns
tPACKED 0.2 0.3 0.4 ns
tEN 0.6 0.7 0.9 ns
tCICO 0.1 0.1 0.1 ns
tCGEN 0.4 0.5 0.6 ns
tCGENR 0.1 0.1 0.1 ns
tCASC 0.5 0.8 1.0 ns
tC0.5 0.6 0.8 ns

Altera Corporation  71
ACEX 1K Programmable Logic Device Family Data Sheet
Development
13
Tools
tCO 0.6 0.6 0.7 ns
tCOMB 0.3 0.4 0.5 ns
tSU 0.5 0.6 0.7 ns
tH0.5 0.6 0.8 ns
tPRE 0.4 0.5 0.7 ns
tCLR 0.8 1.0 1.2 ns
tCH 2.0 2.5 3.0 ns
tCL 2.0 2.5 3.0 ns
Table 45. EP1K50 Device IOE Timing Microparameters Note (1)
Symbol Speed Grade Unit
-1 -2 -3
Min Max Min Max Min Max
tIOD 1.3 1.3 1.9 ns
tIOC 0.3 0.4 0.4 ns
tIOCO 1.7 2.1 2.6 ns
tIOCOMB 0.5 0.6 0.8 ns
tIOSU 0.8 1.0 1.3 ns
tIOH 0.4 0.5 0.6 ns
tIOCLR 0.2 0.2 0.4 ns
tOD1 1.2 1.2 1.9 ns
tOD2 0.7 0.8 1.7 ns
tOD3 2.7 3.0 4.3 ns
tXZ 4.7 5.7 7.5 ns
tZX1 4.7 5.7 7.5 ns
tZX2 4.2 5.3 7.3 ns
tZX3 6.2 7.5 9.9 ns
tINREG 3.5 4.2 5.6 ns
tIOFD 1.1 1.3 1.8 ns
tINCOMB 1.1 1.3 1.8 ns
Table 44. EP1K50 Device LE Timing Microparameters  (Part 2 of 2) Note (1)
Symbol Speed Grade Unit
-1 -2 -3
Min Max Min Max Min Max

72 Altera Corporation
ACEX 1K Programmable Logic Device Family Data Sheet
Table 46. EP1K50 Device EAB Internal Microparameters Note (1)
Symbol Speed Grade Unit
-1 -2 -3
Min Max Min Max Min Max
tEABDATA1 1.7 2.4 3.2 ns
tEABDATA2 0.4 0.6 0.8 ns
tEABWE1 1.0 1.4 1.9 ns
tEABWE2 0.0 0.0 0.0 ns
tEABRE1 0.0 0.0 0.0
tEABRE2 0.4 0.6 0.8
tEABCLK 0.0 0.0 0.0 ns
tEABCO 0.8 1.1 1.5 ns
tEABBYPASS 0.0 0.0 0.0 ns
tEABSU 0.7 1.0 1.3 ns
tEABH 0.4 0.6 0.8 ns
tEABCLR 0.8 1.1 1.5
tAA 2.0 2.8 3.8 ns
tWP 2.0 2.8 3.8 ns
tRP 1.0 1.4 1.9
tWDSU 0.5 0.7 0.9 ns
tWDH 0.1 0.1 0.2 ns
tWASU 1.0 1.4 1.9 ns
tWAH 1.5 2.1 2.9 ns
tRASU 1.5 2.1 2.8
tRAH 0.1 0.1 0.2
tWO 2.1 2.9 4.0 ns
tDD 2.1 2.9 4.0 ns
tEABOUT 0.0 0.0 0.0 ns
tEABCH 1.5 2.0 2.5 ns
tEABCL 1.5 2.0 2.5 ns

Altera Corporation  73
ACEX 1K Programmable Logic Device Family Data Sheet
Development
13
Tools
Table 47. EP1K50 Device EAB Internal Timing Macroparameters Note (1)
Symbol Speed Grade Unit
-1 -2 -3
Min Max Min Max Min Max
tEABAA 3.7 5.2 7.0 ns
tEABRCCOMB 3.7 5.2 7.0 ns
tEABRCREG 3.5 4.9 6.6 ns
tEABWP 2.0 2.8 3.8 ns
tEABWCCOMB 4.5 6.3 8.6 ns
tEABWCREG 5.6 7.8 10.6 ns
tEABDD 3.8 5.3 7.2 ns
tEABDATACO 0.8 1.1 1.5 ns
tEABDATASU 1.1 1.6 2.1 ns
tEABDATAH 0.0 0.0 0.0 ns
tEABWESU 0.7 1.0 1.3 ns
tEABWEH 0.4 0.6 0.8 ns
tEABWDSU 1.2 1.7 2.2 ns
tEABWDH 0.0 0.0 0.0 ns
tEABWASU 1.6 2.3 3.0 ns
tEABWAH 0.9 1.2 1.8 ns
tEABWO 3.1 4.3 5.9 ns

74 Altera Corporation
ACEX 1K Programmable Logic Device Family Data Sheet
Table 48. EP1K50 Device Interconnect Timing Microparameters Note (1)
Symbol Speed Grade Unit
-1 -2 -3
Min Max Min Max Min Max
tDIN2IOE 3.1 3.7 4.6 ns
tDIN2LE 1.7 2.1 2.7 ns
tDIN2DATA 2.7 3.1 5.1 ns
tDCLK2IOE 1.6 1.9 2.6 ns
tDCLK2LE 1.7 2.1 2.7 ns
tSAMELAB 0.1 0.1 0.2 ns
tSAMEROW 1.5 1.7 2.4 ns
tSAMECOLUMN 1.0 1.3 2.1 ns
tDIFFROW 2.5 3.0 4.5 ns
tTWOROWS 4.0 4.7 6.9 ns
tLEPERIPH 2.6 2.9 3.4 ns
tLABCARRY 0.1 0.2 0.2 ns
tLABCASC 0.8 1.0 1.3 ns
Table 49. EP1K50 External Timing Parameters Note (1)
Symbol Speed Grade Unit
-1 -2 -3
Min Max Min Max Min Max
tDRR 8.0 9.5 12.5 ns
tINSU (2) 2.4 2.9 3.9 ns
tINH (2) 0.0 0.0 0.0 ns
tOUTCO (2) 2.0 4.3 2.0  5.2 2.0 7.3 ns
tINSU (3) 2.4 2.9 – ns
tINH (3) 0.0 0.0 – ns
tOUTCO (3) 0.5 3.3 0.5 4.1 – – ns
tPCISU  2.4 2.9 – ns
tPCIH  0.0  0.0 – ns
tPCICO  2.0  6.0  2.0 7.7 – – ns

Altera Corporation  75
ACEX 1K Programmable Logic Device Family Data Sheet
Development
13
Tools
Notes to tables:
(1) All timing parameters are described in Tables 22 through 29.
(2) This parameter is measured without use of the ClockLock or ClockBoost circuits.
(3) This parameter is measured with use of the ClockLock or ClockBoost circuits
Table 50. EP1K50 External Bidirectional Timing Parameters Note (1)
Symbol Speed Grade Unit
-1 -2 -3
Min Max Min Max Min Max
tINSUBIDIR (2) 2.7 3.2 4.3 ns
tINHBIDIR (2) 0.0 0.0 0.0 ns
tINSUBIDIR (3) 3.7 4.2 – ns
tINHBIDIR (3) 0.0 0.0 – ns
tOUTCOBIDIR (2) 2.0 4.5 2.0 5.2 2.0 7.3 ns
tXZBIDIR (2) 6.8 7.8 10.1 ns
tZXBIDIR (2) 6.8 7.8 10.1 ns
tOUTCOBIDIR (3) 0.5 3.5 0.5 4.2 – –
tXZBIDIR (3) 6.8 8.4 – ns
tZXBIDIR (3) 6.8 8.4 – ns

76 Altera Corporation
ACEX 1K Programmable Logic Device Family Data Sheet
Tables 51 through 57 show EP1K100 device internal and external timing 
parameters.  
Table 51. EP1K100 Device LE Timing Microparameters Note (1)
Symbol Speed Grade Unit
-1 -2 -3
Min Max Min Max Min Max
tLUT 0.7 1.0 1.5 ns
tCLUT 0.5 0.7 0.9 ns
tRLUT 0.6 0.8 1.1 ns
tPACKED 0.3 0.4 0.5 ns
tEN 0.2 0.3 0.3 ns
tCICO 0.1 0.1 0.2 ns
tCGEN 0.4 0.5 0.7 ns
tCGENR 0.1 0.1 0.2 ns
tCASC 0.6 0.9 1.2 ns
tC0.8 1.0 1.4 ns
tCO 0.6 0.8 1.1 ns
tCOMB 0.4 0.5 0.7 ns
tSU 0.4 0.6 0.7 ns
tH0.5 0.7 0.9 ns
tPRE 0.8 1.0 1.4 ns
tCLR 0.8 1.0 1.4 ns
tCH 1.5 2.0 2.5 ns
tCL 1.5 2.0 2.5 ns

Altera Corporation  77
ACEX 1K Programmable Logic Device Family Data Sheet
Development
13
Tools
Table 52. EP1K100 Device IOE Timing Microparameters Note (1)
Symbol Speed Grade Unit
-1 -2 -3
Min Max Min Max Min Max
tIOD 1.7 2.0 2.6 ns
tIOC 0.0 0.0 0.0 ns
tIOCO 1.4 1.6 2.1 ns
tIOCOMB 0.5 0.7 0.9 ns
tIOSU 0.8 1.0 1.3 ns
tIOH 0.7 0.9 1.2 ns
tIOCLR 0.5 0.7 0.9 ns
tOD1 3.0 4.2 5.6 ns
tOD2 3.0 4.2 5.6 ns
tOD3 4.0 5.5 7.3 ns
tXZ 3.5 4.6 6.1 ns
tZX1 3.5 4.6 6.1 ns
tZX2 3.5 4.6 6.1 ns
tZX3 4.5 5.9 7.8 ns
tINREG 2.0 2.6 3.5 ns
tIOFD 0.5 0.8 1.2 ns
tINCOMB 0.5 0.8 1.2 ns

78 Altera Corporation
ACEX 1K Programmable Logic Device Family Data Sheet
Table 53. EP1K100 Device EAB Internal Microparameters Note (1)
Symbol Speed Grade Unit
-1 -2 -3
Min Max Min Max Min Max
tEABDATA1 1.5 2.0 2.6 ns
tEABDATA1 0.0 0.0 0.0 ns
tEABWE1 1.5 2.0 2.6 ns
tEABWE2 0.3 0.4 0.5 ns
tEABRE1 0.3 0.4 0.5 ns
tEABRE2 0.0 0.0 0.0 ns
tEABCLK 0.0 0.0 0.0 ns
tEABCO 0.3 0.4 0.5 ns
tEABBYPASS 0.1 0.1 0.2 ns
tEABSU 0.8 1.0 1.4 ns
tEABH 0.1 0.1 0.2 ns
tEABCLR 0.3 0.4 0.5 ns
tAA 4.0 5.1 6.6 ns
tWP 2.7 3.5 4.7 ns
tRP 1.0 1.3 1.7 ns
tWDSU 1.0 1.3 1.7 ns
tWDH 0.2 0.2 0.3 ns
tWASU 1.6 2.1 2.8 ns
tWAH 1.6 2.1 2.8 ns
tRASU 3.0 3.9 5.2 ns
tRAH 0.1 0.1 0.2 ns
tWO 1.5 2.0 2.6 ns
tDD 1.5 2.0 2.6 ns
tEABOUT 0.2 0.3 0.3 ns
tEABCH 1.5 2.0 2.5 ns
tEABCL 2.7 3.5 4.7 ns

Altera Corporation  79
ACEX 1K Programmable Logic Device Family Data Sheet
Development
13
Tools
Table 54. EP1K100 Device EAB Internal Timing Macroparameters Note (1)
Symbol Speed Grade Unit
-1 -2 -3
Min Max Min Max Min Max
tEABAA 5.9 7.6 9.9 ns
tEABRCOMB 5.9 7.6 9.9 ns
tEABRCREG 5.1 6.5 8.5 ns
tEABWP 2.7 3.5 4.7 ns
tEABWCOMB 5.9 7.7 10.3 ns
tEABWCREG 5.4 7.0 9.4 ns
tEABDD 3.4 4.5 5.9 ns
tEABDATACO 0.5 0.7 0.8 ns
tEABDATASU 0.8 1.0 1.4 ns
tEABDATAH 0.1 0.1 0.2 ns
tEABWESU 1.1 1.4 1.9 ns
tEABWEH 0.0 0.0 0.0 ns
tEABWDSU 1.0 1.3 1.7 ns
tEABWDH 0.2 0.2 0.3 ns
tEABWASU 4.1 5.2 6.8 ns
tEABWAH 0.0 0.0 0.0 ns
tEABWO 3.4 4.5 5.9 ns

80 Altera Corporation
ACEX 1K Programmable Logic Device Family Data Sheet
Table 55. EP1K100 Device Interconnect Timing Microparameters Note (1)
Symbol Speed Grade Unit
-1 -2 -3
Min Max Min Max Min Max
tDIN2IOE 3.1 3.6 4.4 ns
tDIN2LE 0.3 0.4 0.5 ns
tDIN2DATA 1.6 1.8 2.0 ns
tDCLK2IOE 0.8 1.1 1.4 ns
tDCLK2LE 0.3 0.4 0.5 ns
tSAMELAB 0.1 0.1 0.2 ns
tSAMEROW 1.5 2.5 3.4 ns
tSAMECOLUMN 0.4 1.0 1.6 ns
tDIFFROW 1.9 3.5 5.0 ns
tTWOROWS 3.4 6.0 8.4 ns
tLEPERIPH 4.3 5.4 6.5 ns
tLABCARRY 0.5 0.7 0.9 ns
tLABCASC 0.8 1.0 1.4 ns
Table 56. EP1K100 External Timing Parameters Notes (1), (2)
Symbol Speed Grade Unit
-1 -2 -3
Min Max Min Max Min Max
tDRR 9.0 12.0 16.0 ns
tINSU (3) 2.0 2.5 3.3 ns
tINH (3) 0.0 0.0 0.0 ns
tOUTCO (3) 2.0 5.2 2.0 6.9 2.0 9.1 ns
tINSU (4) 2.0 2.2 – ns
tINH (4) 0.0 0.0 – ns
tOUTCO (4) 0.5 3.0 0.5 4.6 – – ns
tPCISU 3.0 6.2 – ns
tPCIH 0.0 0.0 – ns
tPCICO 2.0 6.0 2.0 6.9 – – ns

Altera Corporation  81
ACEX 1K Programmable Logic Device Family Data Sheet
Development
13
Tools
Notes to tables:
(1) All timing parameters are described in Tables 22 through 29 in this data sheet.
(2) These parameters are specified by characterization.
(3) This parameter is measured without the use of the ClockLock or ClockBoost circuits.
(4) This parameter is measured with the use of the ClockLock or ClockBoost circuits.
Power 
Consumption
The supply power (P) for ACEX 1K devices can be calculated with the 
following equation:
P = PINT + PIO = (ICCSTANDBY + ICCACTIVE) × VCC + PIO
The ICCACTIVE value depends on the switching frequency and the 
application logic. This value is calculated based on the amount of current 
that each LE typically consumes. The PIO value, which depends on the 
device output load characteristics and switching frequency, can be 
calculated using the guidelines given in Application Note 74 (Evaluating 
Power for Altera Devices).
1Compared to the rest of the device, the embedded array 
consumes a negligible amount of power. Therefore, the 
embedded array can be ignored when calculating supply 
current.
Table 57. EP1K100 External Bidirectional Timing Parameters Notes (1), (2)
Symbol Speed Grade Unit
-1 -2 -3
Min Max Min Max Min Max
tINSUBIDIR (3) 1.7 2.5 3.3 ns
tINHBIDIR (3) 0.0 0.0 0.0 ns
tINSUBIDIR (4) 2.0 2.8 – ns
tINHBIDIR (4) 0.0 0.0 – ns
tOUTCOBIDIR (3) 2.0 5.2 2.0 6.9 2.0 9.1 ns
tXZBIDIR (3) 5.6 7.5 10.1 ns
tZXBIDIR (3) 5.6 7.5  10.1 ns
tOUTCOBIDIR (4) 0.5 3.0 0.5 4.6 – – ns
tXZBIDIR (4) 4.6 6.5 – ns
tZXBIDIR (4) 4.6  6.5 – ns

82 Altera Corporation
ACEX 1K Programmable Logic Device Family Data Sheet
The ICCACTIVE value can be calculated with the following equation:
ICCACTIVE = K × fMAX × N × togLC (µA)
Where:
fMAX =  Maximum operating frequency in MHz
N  =  Total number of LEs used in the device 
togLC  =  Average percent of LEs toggling at each clock 
(typically 12.5%)
K = Constant
Table 58 provides the constant (K) values for ACEX 1K devices.
This supply power calculation provides an ICC estimate based on typical 
conditions with no output load. The actual ICC should be verified during 
operation because this measurement is sensitive to the actual pattern in 
the device and the environmental operating conditions.
To better reflect actual designs, the power model (and the constant K in 
the power calculation equations) for continuous interconnect ACEX 1K 
devices assumes that LEs drive FastTrack Interconnect channels. In 
contrast, the power model of segmented FPGAs assumes that all LEs drive 
only one short interconnect segment. This assumption may lead to 
inaccurate results when compared to measured power consumption for 
actual designs in segmented FPGAs.
Figure 31 shows the relationship between the current and operating 
frequency of ACEX 1K devices. For information on other ACEX 1K 
devices, contact Altera Applications at (800) 800-EPLD.
Table 58.  ACEX 1K Constant Values
Device K Value
EP1K10 4.5
EP1K30 4.5
EP1K50 4.5
EP1K100 4.5
 
V /
 
Altera Corporation  83
ACEX 1K Programmable Logic Device Family Data Sheet
Development
13
Tools
Figure 31. ACEX 1K ICCACTIVE vs. Operating Frequency
Configuration & 
Operation
The ACEX 1K architecture supports several configuration schemes. This 
section summarizes the device operating modes and available device 
configuration schemes. 
Operating Modes
The ACEX 1K architecture uses SRAM configuration elements that 
require configuration data to be loaded every time the circuit powers up. 
The process of physically loading the SRAM data into the device is called 
configuration. Before configuration, as VCC rises, the device initiates a 
Power-On Reset (POR). This POR event clears the device and prepares it 
for configuration. The ACEX 1K POR time does not exceed 50 µs.
1When configuring with a configuration device, refer to the 
relevant configuration device data sheet for POR timing 
information.
0
Frequency (MHz)
300
200
100
50 100
EP1K100
ICC 
Supply 
Current (mA)
0
Frequency (MHz)
ICC 
Supply 
Current (mA)
100
80
60
40
20
50 100
EP1K30
0
Frequency (MHz)
ICC 
Supply 
Current (mA)
200
150
100
50
50 100
EP1K50

84 Altera Corporation
ACEX 1K Programmable Logic Device Family Data Sheet
During initialization, which occurs immediately after configuration, the 
device resets registers, enables I/O pins, and begins to operate as a logic 
device. Before and during configuration, all I/O pins (except dedicated 
inputs, clock, or configuration pins) are pulled high by a weak pull-up 
resistor. Together, the configuration and initialization processes are called 
command mode; normal device operation is called user mode.
SRAM configuration elements allow ACEX 1K devices to be reconfigured 
in-circuit by loading new configuration data into the device. Real-time 
reconfiguration is performed by forcing the device into command mode 
with a device pin, loading different configuration data, re-initializing the 
device, and resuming user-mode operation. The entire reconfiguration 
process requires less than 40 ms and can be used to reconfigure an entire 
system dynamically. In-field upgrades can be performed by distributing 
new configuration files.
Configuration Schemes
The configuration data for an ACEX 1K device can be loaded with one of 
five configuration schemes (see Table 59), chosen on the basis of the target 
application. An EPC16, EPC2, EPC1, or EPC1441 configuration device, 
intelligent controller, or the JTAG port can be used to control the 
configuration of a ACEX 1K device, allowing automatic configuration on 
system power-up.
Multiple ACEX 1K devices can be configured in any of the five 
configuration schemes by connecting the configuration enable (nCE) and 
configuration enable output (nCEO) pins on each device. Additional 
APEX 20K, APEX 20KE, FLEX 10K, FLEX 10KA, FLEX 10KE, ACEX 1K, 
and FLEX 6000 devices can be configured in the same serial chain.
Device Pin-
Outs See the Altera web site (http://www.altera.com) or the Altera Documen-
tation Library for pin-out information.
Table 59. Data Sources for ACEX 1K Configuration
Configuration Scheme Data Source
Configuration device EPC16, EPC2, EPC1, or EPC1441 configuration device
Passive serial (PS) BitBlaster or ByteBlasterMV download cables, or serial data 
source
Passive parallel asynchronous (PPA) Parallel data source
Passive parallel synchronous (PPS) Parallel data source
JTAG BitBlaster or ByteBlasterMV download cables, or 
microprocessor with a Jam STAPL File or JBC File

Altera Corporation  85
ACEX 1K Programmable Logic Device Family Data Sheet
Development
13
Tools
Revision 
History
The information contained in the ACEX 1K Programmable Logic Device 
Family Data Sheet version 3.4 supersedes information published in 
previous versions. 
The following changes were made to the ACEX 1K Programmable Logic 
Device Family Data Sheet version 3.4: added extended temperature 
support.
 
 
 
AIEIERA
1
01 Innovation Drive
S
an Jose, CA 95134
(
408) 544-7000
w
ww.altera.com
A
pplications Hotline:
(
800) 800-EPLD
L
iterature Services:
l
it_req@altera.com
Copyright © 2003 Altera Corporation. All rights reserved. Altera, The Programmable Solutions Compan
y,
the stylized Altera logo, specific device designations, and all other words and logos that are identified a
s
trademarks and/or service marks are, unless noted otherwise, the trademarks and service marks of Alte
ra
Corporation in the U.S. and other countries. All other product or service names are the property of their r
e-
spective holders. Altera products are protected under numerous U.S. and foreign patents and pendin
g
applications, maskwork rights, and copyrights. Altera warrants performance of its semiconductor produc
ts
to current specifications in accordance with Altera's standard warranty, but reserves the right to make chan
g-
es to any products and services at any time without notice. Altera assumes no responsibility or liabili
ty
arising out of the application or use of any information, product, or service described
herein except as expressly agreed to in writing by Altera Corporation. Altera customers
are advised to obtain the latest version of device specifications before relying on any pub-
lished information and before placing orders for products or services.
ACEX 1K Programmable Logic Device Family Data Sheet
86 Altera Corporation
Printed on Recycled Paper.
Products related to this Datasheet
IC FPGA 333 I/O 484FBGA
        
    IC FPGA 333 I/O 484FBGA
        
    IC FPGA 333 I/O 484FBGA
        
    IC FPGA 147 I/O 208QFP
        
    IC FPGA 147 I/O 208QFP
        
    IC FPGA 147 I/O 208QFP
        
    IC FPGA 147 I/O 208QFP
        
    IC FPGA 147 I/O 208QFP
        
    IC FPGA 147 I/O 208QFP
        
    IC FPGA 147 I/O 208QFP
        
    IC FPGA 147 I/O 208QFP
        
    IC FPGA 147 I/O 208QFP
        
    IC FPGA 147 I/O 208QFP
        
    IC FPGA 147 I/O 208QFP
        
    IC FPGA 186 I/O 256FBGA
        
    IC FPGA 186 I/O 256FBGA
        
    IC FPGA 186 I/O 256FBGA
        
    IC FPGA 136 I/O 256FBGA
        
    IC FPGA 66 I/O 100TQFP
        
    IC FPGA 171 I/O 256FBGA
        
    IC FPGA 171 I/O 256FBGA
        
    IC FPGA 186 I/O 256FBGA
        
    IC FPGA 186 I/O 256FBGA
        
    IC FPGA 186 I/O 256FBGA
        
    IC FPGA 186 I/O 256FBGA
        
    IC FPGA 333 I/O 484FBGA
        
    IC FPGA 333 I/O 484FBGA
        
    IC FPGA 92 I/O 144TQFP
        
    IC FPGA 102 I/O 144TQFP
        
    IC FPGA 102 I/O 144TQFP