Infineon
0/
Never smn xhinking
Microcontrollers
Data Sheet, V1.2, Oct. 2007
XC866
8-Bit Single-Chip Microcontroller

Edition 2007-10
Published by Infineon Technologies AG,
81726 München, Germany
© Infineon Technologies AG 2007.
All Rights Reserved.
Legal Disclaimer
The information given in this document shall in no event be regarded as a guarantee of conditions or
characteristics (“Beschaffenheitsgarantie”). With respect to any examples or hints given herein, any typical values
stated herein and/or any information regarding the application of the device, Infineon Technologies hereby
disclaims any and all warranties and liabilities of any kind, including without limitation warranties of non-
infringement of intellectual property rights of any third party.
Information
For further information on technology, delivery terms and conditions and prices please contact your nearest
Infineon Technologies Office (www.infineon.com).
Warnings
Due to technical requirements components may contain dangerous substances. For information on the types in
question please contact your nearest Infineon Technologies Office.
Infineon Technologies Components may only be used in life-support devices or systems with the express written
approval of Infineon Technologies, if a failure of such components can reasonably be expected to cause the failure
of that life-support device or system, or to affect the safety or effectiveness of that device or system. Life support
devices or systems are intended to be implanted in the human body, or to support and/or maintain and sustain
and/or protect human life. If they fail, it is reasonable to assume that the health of the user or other persons may
be endangered.
(Infineon
Never stop thinking
Microcontrollers
Data Sheet, V1.2, Oct. 2007
XC866
8-Bit Single-Chip Microcontroller

XC866 Data Sheet
Revision History: 2007-10 V1.2
Previous Version: V 0.1, 2005-01
V1.0, 2006-02
V1.1, 2006-12
Page Subjects (major changes since last revision)
3Device summary table is updated for Flash 4-Kb and ROM variants.
13 Footnote is added to MBC pin; description of VDDP pin is updated.
25 Section on bit protection scheme and access type of register bit field
PASSWD.PASS are updated.
26 Access type of PAGE bits of all module page registers are corrected to rwh.
29 Access type of Px_DIR register bits are corrected to rwh
38 New bullet point on Flash delivery state is added to the feature list.
88 Digital power supply voltage are differentiated for 5V and 3.3V variants.
89 New parameters on XTAL1 hysteresis and Voltage on GPIO pins during
VDDP power-off condition are added.
104 Figure on Power-on reset timing is updated.
We Listen to Your Comments
Any information within this document that you feel is wrong, unclear or missing at all?
Your feedback will help us to continuously improve the quality of this document.
Please send your proposal (including a reference to this document) to:
mcdocu.comments@infineon.com
(ifineon
Data Sheet 1 V1.2, 2007-10
XC8668-Bit Single-Chip Microcontroller
XC800 Family
1 Summary of Features
• High-performance XC800 Core
– compatible with standard 8051 processor
– two clocks per machine cycle architecture (for memory access without wait state)
– two data pointers
• On-chip memory
– 8 Kbytes of Boot ROM
– 256 bytes of RAM
– 512 bytes of XRAM
– 4/8/16 Kbytes of Flash; or
8/16 Kbytes of ROM, with additional 4 Kbytes of Flash
(includes memory protection strategy)
• I/O port supply at 3.3 V/5.0 V and core logic supply at 2.5 V (generated by embedded
voltage regulator)
(further features are on next page)
Figure 1 XC866 Functional Units
Port 0
Port 1
Port 2
Port 3
XC800 Core
UART
ADC
10-bit
8-channel
Boot ROM
8K Bytes
XRAM
512 Bytes
RAM
256 Bytes
On-Chip Debug Support
Timer 0
16-bit
Timer 1
16-bit
Timer 2
16-bit
Watchdog
Timer
SSC
4K/ 8K/16K Bytes Flash
or 8K/16K Bytes ROM
1)
Capture/Com pare Unit
16-bit
Com pare Unit
16-bit
6-bit Digital I/O
5-bit Digital I/O
8-bit Digital I/O
8-bit Digital/Analog Input
1) All ROM devices include 4K bytes Flash
,/
Infineon
XC866
Summary of Features
Data Sheet 2 V1.2, 2007-10
Features (continued):
• Reset generation
– Power-On reset
– Hardware reset
– Brownout reset for core logic supply
– Watchdog timer reset
– Power-Down Wake-up reset
• On-chip OSC and PLL for clock generation
– PLL loss-of-lock detection
• Power saving modes
– slow-down mode
– idle mode
– power-down mode with wake-up capability via RXD or EXINT0
– clock gating control to each peripheral
• Programmable 16-bit Watchdog Timer (WDT)
• Four ports
– 19 pins as digital I/O
– 8 pins as digital/analog input
• 8-channel, 10-bit ADC
• Three 16-bit timers
– Timer 0 and Timer 1 (T0 and T1)
–Timer 2
• Capture/compare unit for PWM signal generation (CCU6)
• Full-duplex serial interface (UART)
• Synchronous serial channel (SSC)
• On-chip debug support
– 1 Kbyte of monitor ROM (part of the 8-Kbyte Boot ROM)
– 64 bytes of monitor RAM
• PG-TSSOP-38 pin package
• Temperature range TA:
– SAF (-40 to 85 °C)
– SAK (-40 to 125 °C)
Inflneon
XC866
Summary of Features
Data Sheet 3 V1.2, 2007-10
XC866 Variant Devices
The XC866 product family features devices with different configurations and program
memory sizes, temperature and quality profiles (Automotive or Industrial), offering cost-
effective solution for different application requirements.
The configuration of LIN BSL for XC866 devices are summarized in Table 1.
The list of XC866 devices and their differences are summarized in Table 2.
Table 1 Device Configuration for LIN BSL
Device Name LIN BSL Support
XC866 No
XC866L Yes
Table 2 Device Summary
Device
Type
Device Name Power
Supply
(V)
P-Flash
Size
(Kbytes)
D-Flash
Size
(Kbytes)
ROM
Size
(Kbytes)
Quality
Profile1)
Flash2) SAK-XC866*-4FRA 5.0 12 4 – Automotive
SAK-XC866*-4FRI 5.0 12 4 – Industrial
SAK-XC866*-2FRA 5.0 4 4 – Automotive
SAK-XC866*-2FRI 5.0 4 4 – Industrial
SAK-XC866*-1FRA 5.0 – 4 – Automotive
SAK-XC866*-1FRI 5.0 – 4 – Industrial
SAF-XC866*-4FRA 5.0 12 4 – Automotive
SAF-XC866*-4FRI 5.0 12 4 – Industrial
SAF-XC866*-2FRA 5.0 4 4 – Automotive
SAF-XC866*-2FRI 5.0 4 4 – Industrial
SAF-XC866*-1FRA 5.0 – 4 – Automotive
SAF-XC866*-1FRI 5.0 – 4 – Industrial
SAK-XC866*-4FRA 3V 3.3 12 4 – Automotive
SAK-XC866*-4FRI 3V 3.3 12 4 – Industrial
SAK-XC866*-2FRA 3V 3.3 4 4 – Automotive
SAK-XC866*-2FRI 3V 3.3 4 4 – Industrial
SAK-XC866*-1FRA 3V 3.3 – 4 – Automotive
n/
Infineon
XC866
Summary of Features
Data Sheet 4 V1.2, 2007-10
Note: The asterisk (*) above denotes the device configuration letters from Table 1.
SAK-XC866*-1FRI 3V 3.3 – 4 – Industrial
SAF-XC866*-4FRA 3V 3.3 12 4 – Automotive
SAF-XC866*-4FRI 3V 3.3 12 4 – Industrial
SAF-XC866*-2FRA 3V 3.3 4 4 – Automotive
SAF-XC866*-2FRI 3V 3.3 4 4 – Industrial
SAF-XC866*-1FRA 3V 3.3 – 4 – Automotive
SAF-XC866*-1FRI 3V 3.3 – 4 – Industrial
ROM SAK-XC866*-4RRA 5.0 – 4 16 Automotive
SAK-XC866*-4RRI 5.0 – 4 16 Industrial
SAK-XC866*-2RRA 5.0 – 4 8 Automotive
SAK-XC866*-2RRI 5.0 – 4 8 Industrial
SAF-XC866*-4RRA 5.0 – 4 16 Automotive
SAF-XC866*-4RRI 5.0 – 4 16 Industrial
SAF-XC866*-2RRA 5.0 – 4 8 Automotive
SAF-XC866*-2RRI 5.0 – 4 8 Industrial
SAK-XC866*-4RRA 3V 3.3 – 4 16 Automotive
SAK-XC866*-4RRI 3V 3.3 – 4 16 Industrial
SAK-XC866*-2RRA 3V 3.3 – 4 8 Automotive
SAK-XC866*-2RRI 3V 3.3 – 4 8 Industrial
SAF-XC866*-4RRA 3V 3.3 – 4 16 Automotive
SAF-XC866*-4RRI 3V 3.3 – 4 16 Industrial
SAF-XC866*-2RRA 3V 3.3 – 4 8 Automotive
SAF-XC866*-2RRI 3V 3.3 – 4 8 Industrial
1) Industrial is not for Automotive usage
2) The flash memory (P-Flash and D-Flash) can be used for code or data.
Table 2 Device Summary
,/
Infineon
XC866
Summary of Features
Data Sheet 5 V1.2, 2007-10
Ordering Information
The ordering code for Infineon Technologies microcontrollers provides an exact
reference to the required product. This ordering code identifies:
• The derivative itself, i.e. its function set, the temperature range, and the supply voltage
• the package and the type of delivery
For the available ordering codes for the XC866, please refer to your responsible sales
representative or your local distributor.
As this document refers to all the derivatives, some descriptions may not apply to a
specific product. For simplicity all versions are referred to by the term XC866 throughout
this document.
@neon
XC866
General Device Information
Data Sheet 6 V1.2, 2007-10
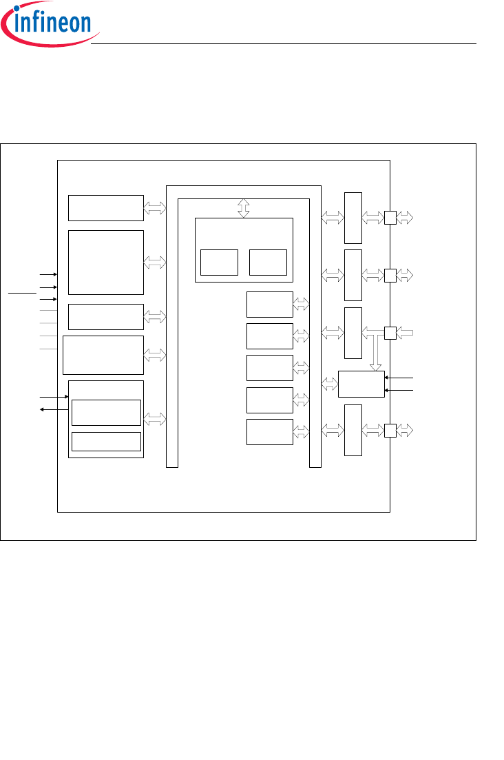
2 General Device Information
2.1 Block Diagram
Figure 2 XC866 Block Diagram
ADC
Port 0Port 1Port 2Port 3
CCU6
Timer 2
SSC
WDT
OCDS
8-Kbyte
Boot ROM
1)
256-byte RAM
+
64-byte monitor
RAM
512-byte XRAM
4/8/16-Kbyte Flash
or
8/16-Kbyte ROM
2)
XC800 Core
T0 & T1 UART
1) Includes 1-Kbyte monitor ROM
2) Includes additional 4-Kbyte Flash
P0.0 - P0.5
P1.0 - P1.1
P1.5-P1.7
P3.0 - P3.7
P2.0 - P2.7
V
AREF
V
AGND
Clock Generator
10 MHz
On-chip OSC
PLL
XTAL1
XTAL2
Internal Bus
V
DDP
V
SSP
V
DDC
V
SSC
RESET
TMS
MBC
XC866
Inflneon
XC866
General Device Information
Data Sheet 7 V1.2, 2007-10
2.2 Logic Symbol
Figure 3 XC866 Logic Symbol
XC866
V
DDP
V
SSP
V
DDC
V
SSC
V
AREF
V
AGND
XTAL1
XTAL2
TMS
RESET
MBC
Port 0 6-Bit
Port 1 5-Bit
Port 3 8-Bit
Port 2 8-Bit
jjjjjjjjjjjjjjjjjjj
KEEKEEEEEEEEEEEEEKK
XC866
General Device Information
Data Sheet 8 V1.2, 2007-10
2.3 Pin Configuration
Figure 4 XC866 Pin Configuration, PG-TSSOP-38 Package (top view)
P0.0/TCK_0/T12HR_1/CC61_1/CLKOUT/RXDO_1
1
2
3
4
5
6
7
8
9
10
11
12
13
14
15
16
17
18
19
28
27
26
25
24
23
22
21
20
37
36
35
34
33
32
31
30
29
38
XC866
P2.0/CCPOS0_0/EXINT1/T12HR_2/TCK_1/CC61_3/AN0
P0.2/CTRAP_2/TDO_0/TXD_1
P0.3/SCLK_1/COUT63_1
P0.4/MTSR_1/CC62_1
P0.5/MRST_1/EXINT0_0/COUT62_1
P1.0/RXD_0/T2EX
P1.1/EXINT3/TDO_1/TXD_0
P1.5/CCPOS0_1/EXINT5/EXF2_0/RXDO_0
P1.6/CCPOS1_1/T12HR_0/EXINT6
P1.7/CCPOS2_1/T13HR_0
P2.4/AN4
P2.1/CCPOS1_0/EXINT2/T13HR_2/TDI_1/CC62_3/AN1
P2.2/CCPOS2_0/CTRAP_1/CC60_3/AN2
P2.3/AN3
P2.7/AN7
P2.5/AN5
P2.6/AN6
P3.0/CCPOS1_2/CC60_0
P3.1/CCPOS0_2/CC61_2/COUT60_0
P3.2/CCPOS2_2/CC61_0
P3.3/COUT61_0
P3.4/CC62_0
P3.5/COUT62_0
P3.6/CTRAP_0
P3.7/EXINT4/COUT63_0
V
DDP
V
SSP
V
DDC
V
SSC
V
AREF
V
AGND
XTAL1
XTAL2
TMS
RESET
MBC
P0.1/TDI_0/T13HR_1/RXD_1/EXF2_1/COUT61_1
n/
Infineon
XC866
General Device Information
Data Sheet 9 V1.2, 2007-10
2.4 Pin Definitions and Functions
Table 3 Pin Definitions and Functions
Symbol Pin
Number
Type Reset
State
Function
P0 I/O Port 0
Port 0 is a 6-bit bidirectional general purpose I/O
port. It can be used as alternate functions for the
JTAG, CCU6, UART, and the SSC.
P0.0 12 Hi-Z TCK_0 JTAG Clock Input
T12HR_1 CCU6 Timer 12 Hardware Run
Input
CC61_1 Input/Output of Capture/Compare
channel 1
CLKOUT Clock Output
RXDO_1 UART Transmit Data Output
P0.1 14 Hi-Z TDI_0 JTAG Serial Data Input
T13HR_1 CCU6 Timer 13 Hardware Run
Input
RXD_1 UART Receive Data Input
COUT61_1 Output of Capture/Compare
channel 1
EXF2_1 Timer 2 External Flag Output
P0.2 13 PU CTRAP_2 CCU6 Trap Input
TDO_0 JTAG Serial Data Output
TXD_1 UART Transmit Data Output/
Clock Output
P0.3 2 Hi-Z SCK_1 SSC Clock Input/Output
COUT63_1 Output of Capture/Compare
channel 3
P0.4 3 Hi-Z MTSR_1 SSC Master Transmit Output/
Slave Receive Input
CC62_1 Input/Output of Capture/Compare
channel 2
P0.5 4 Hi-Z MRST_1 SSC Master Receive Input/
Slave Transmit Output
EXINT0_0 External Interrupt Input 0
COUT62_1 Output of Capture/Compare
channel 2
n/
Infineon
XC866
General Device Information
Data Sheet 10 V1.2, 2007-10
P1 I/O Port 1
Port 1 is a 5-bit bidirectional general purpose I/O
port. It can be used as alternate functions for the
JTAG, CCU6, UART, and the SSC.
P1.0 27 PU RXD_0 UART Receive Data Input
T2EX Timer 2 External Trigger Input
P1.1 28 PU EXINT3 External Interrupt Input 3
TDO_1 JTAG Serial Data Output
TXD_0 UART Transmit Data Output/
Clock Output
P1.5 29 PU CCPOS0_1 CCU6 Hall Input 0
EXINT5 External Interrupt Input 5
EXF2_0 TImer 2 External Flag Output
RXDO_0 UART Transmit Data Output
P1.6 9 PU CCPOS1_1 CCU6 Hall Input 1
T12HR_0 CCU6 Timer 12 Hardware Run
Input
EXINT6 External Interrupt Input 6
P1.7 10 PU CCPOS2_1 CCU6 Hall Input 2
T13HR_0 CCU6 Timer 13 Hardware Run
Input
P1.5 and P1.6 can be used as a software chip
select output for the SSC.
Table 3 Pin Definitions and Functions (cont’d)
Symbol Pin
Number
Type Reset
State
Function
n/
Infineon
XC866
General Device Information
Data Sheet 11 V1.2, 2007-10
P2 IPort 2
Port 2 is an 8-bit general purpose input-only port. It
can be used as alternate functions for the digital
inputs of the JTAG and CCU6. It is also used as the
analog inputs for the ADC.
P2.0 15 Hi-Z CCPOS0_0 CCU6 Hall Input 0
EXINT1 External Interrupt Input 1
T12HR_2 CCU6 Timer 12 Hardware Run
Input
TCK_1 JTAG Clock Input
CC61_3 Input of Capture/Compare channel 1
AN0 Analog Input 0
P2.1 16 Hi-Z CCPOS1_0 CCU6 Hall Input 1
EXINT2 External Interrupt Input 2
T13HR_2 CCU6 Timer 13 Hardware Run
Input
TDI_1 JTAG Serial Data Input
CC62_3 Input of Capture/Compare channel 2
AN1 Analog Input 1
P2.2 17 Hi-Z CCPOS2_0 CCU6 Hall Input 2
CTRAP_1 CCU6 Trap Input
CC60_3 Input of Capture/Compare channel 0
AN2 Analog Input 2
P2.3 20 Hi-Z AN3 Analog Input 3
P2.4 21 Hi-Z AN4 Analog Input 4
P2.5 22 Hi-Z AN5 Analog Input 5
P2.6 23 Hi-Z AN6 Analog Input 6
P2.7 26 Hi-Z AN7 Analog Input 7
Table 3 Pin Definitions and Functions (cont’d)
Symbol Pin
Number
Type Reset
State
Function
n/
Infineon
XC866
General Device Information
Data Sheet 12 V1.2, 2007-10
P3 IPort 3
Port 3 is a bidirectional general purpose I/O port. It
can be used as alternate functions for the CCU6.
P3.0 32 Hi-Z CCPOS1_2 CCU6 Hall Input 1
CC60_0 Input/Output of Capture/Compare
channel 0
P3.1 33 Hi-Z CCPOS0_2 CCU6 Hall Input 0
CC61_2 Input/Output of Capture/Compare
channel 1
COUT60_0 Output of Capture/Compare
channel 0
P3.2 34 Hi-Z CCPOS2_2 CCU6 Hall Input 2
CC61_0 Input/Output of Capture/Compare
channel 1
P3.3 35 Hi-Z COUT61_0 Output of Capture/Compare
channel 1
P3.4 36 Hi-Z CC62_0 Input/Output of Capture/Compare
channel 2
P3.5 37 Hi-Z COUT62_0 Output of Capture/Compare
channel 2
P3.6 30 PD CTRAP_0 CCU6 Trap Input
P3.7 31 Hi-Z EXINT4 External Interrupt Input 4
COUT63_0 Output of Capture/Compare
channel 3
Table 3 Pin Definitions and Functions (cont’d)
Symbol Pin
Number
Type Reset
State
Function
Inflneon
1)
XC866
General Device Information
Data Sheet 13 V1.2, 2007-10
VDDP 18 – – I/O Port Supply (3.3 V/5.0 V)
Also used by EVR and analog modules.
VSSP 19 – – I/O Port Ground
VDDC 8––Core Supply Monitor (2.5 V)
VSSC 7––Core Supply Ground
VAREF 25 – – ADC Reference Voltage
VAGND 24 – – ADC Reference Ground
XTAL1 6IHi-ZExternal Oscillator Input
(NC if not needed)
XTAL2 5OHi-ZExternal Oscillator Output
(NC if not needed)
TMS 11 I PD Test Mode Select
RESET 38 I PU Reset Input
MBC1) 1IPUMonitor & BootStrap Loader Control
1) An external pull-up device in the range of 4.7 kΩ to 100 kΩ is required to enter user mode. Alternatively MBC
can be tied to high if alternate functions (for debugging) of the pin are not utilized.
Table 3 Pin Definitions and Functions (cont’d)
Symbol Pin
Number
Type Reset
State
Function
n/
Infineon
XC866
Functional Description
Data Sheet 14 V1.2, 2007-10
3 Functional Description
3.1 Processor Architecture
The XC866 is based on a high-performance 8-bit Central Processing Unit (CPU) that is
compatible with the standard 8051 processor. While the standard 8051 processor is
designed around a 12-clock machine cycle, the XC866 CPU uses a 2-clock machine
cycle. This allows fast access to ROM or RAM memories without wait state. Access to
the Flash memory, however, requires an additional wait state (one machine cycle). The
instruction set consists of 45% one-byte, 41% two-byte and 14% three-byte instructions.
The XC866 CPU provides a range of debugging features, including basic stop/start,
single-step execution, breakpoint support and read/write access to the data memory,
program memory and SFRs.
Figure 5 shows the CPU functional blocks.
Figure 5 CPU Block Diagram
Register Interface
ALU
UART
Core SFRs
16-bit Registers &
Memory Interface
Opcode Decoder
State Machine &
Power Saving
Interrupt
Controller
Multiplier / Divider
Opcode &
Immediate
Registers
Timer 0 / Timer 1
Internal Data
Memory
External SFRs
External Data
Memory
Program Memory
f
CCLK
Memory Wait
Reset
Legacy External Interrupts (IEN0, IEN1)
External Interrupts
Non-Maskable Interrupt
n/
Infineon
XC866
Functional Description
Data Sheet 15 V1.2, 2007-10
3.2 Memory Organization
The XC866 CPU operates in the following five address spaces:
• 8 Kbytes of Boot ROM program memory
• 256 bytes of internal RAM data memory
• 512 bytes of XRAM memory
(XRAM can be read/written as program memory or external data memory)
• a 128-byte Special Function Register area
• 4/8/16 Kbytes of Flash program memory (Flash devices); or
8/16 Kbytes of ROM program memory, with additional 4 Kbytes of Flash
(ROM devices)
Figure 6 illustrates the memory address spaces of the XC866-4FR device.
Figure 6 Memory Map of XC866 Flash Devices
0000
H
1000
H
2000
H
3000
H
F000
H
C000
H
E000
H
F200
H
FFFF
H
A000
H
B000
H
P-Flash Bank 1
4 Kbytes
2)
P-Flash Bank 2
4 Kbytes
2)
Boot ROM
8 Kbytes
XRAM
512 bytes
F000
H
F200
H
0000
H
FFFF
H
Special Function
Registers
Indirect
Address
Direct
Address
80
H
FF
H
00
H
Program Space External Data Space Internal Data Space
Internal RAM
XRAM
512 bytes
7F
H
Internal RAM
P-Flash Bank 0
4 Kbytes
1)
D-Flash Bank
4 Kbytes
1)
1) For XC866-1FR device, physically one 4KByte D-Flash bank is mapped to both address range 0000H - 0FFFH and A000H - AFFFH,
and the shaded banks are not available.
2) For XC866-2FR device, the shaded banks are not available.
n/
Infineon
XC866
Functional Description
Data Sheet 16 V1.2, 2007-10
Figure 7 illustrates the memory address spaces of the XC866-4RR device.
Figure 7 Memory Map of XC866 ROM Devices
0000
H
3000
H
F000
H
C000
H
E000
H
F200
H
A000
H
Boot ROM
8 KBytes
XRAM
512 Bytes
F000
H
F200
H
0000
H
FFFF
H
Special Function
Registers
Indirect
Address
Direct
Address
80
H
FF
H
00
H
Code Space External Data Space Internal Data Space
Internal RAM
Memory Map User Mode
XRAM
512 Bytes
7F
H
Internal RAM
User ROM
8 KBytes
1) For XC866-2RR device, the shaded area is not available and Flash is 4 Kbytes.
2) For XC866-4RR device: ROM = (12+X) KBytes, Flash = (4-X) Kbytes.
B000
H
Total 4 KBytes
2)
User ROM (X bytes)
Flash (4K-X bytes)
2000
H
User ROM
4 KBytes
1)
Inflneon
XC866
Functional Description
Data Sheet 17 V1.2, 2007-10
3.2.1 Memory Protection Strategy
The XC866 memory protection strategy includes:
• Read-out protection: The Flash Memory can be enabled for read-out protection and
ROM memory is always protected.
• Program and erase protection: The Flash memory in all devices can be enabled for
program and erase protection.
Flash memory protection is available in two modes:
• Mode 0: Only the P-Flash is protected; the D-Flash is unprotected
• Mode 1: Both the P-Flash and D-Flash are protected
The selection of each protection mode and the restrictions imposed are summarized in
Table 4.
BSL mode 6, which is used for enabling Flash protection, can also be used for disabling
Flash protection. Here, the programmed password must be provided by the user. A
password match triggers an automatic erase of the read-protected Flash contents, see
Table 5 and Table 6, and the programmed password is erased. The Flash protection is
then disabled upon the next reset.
For XC866-2FR and XC866-4FR devices:
The selection of protection type is summarized in Table 5.
Table 4 Flash Protection Modes
Mode 01
Activation Program a valid password via BSL mode 6
Selection MSB of password = 0 MSB of password = 1
P-Flash contents
can be read by
Read instructions in the
P-Flash
Read instructions in the
P-Flash or D-Flash
P-Flash program
and erase
Not possible Not possible
D-Flash contents
can be read by
Read instructions in any program
memory
Read instructions in the
P-Flash or D-Flash
D-Flash program Possible Not possible
D-Flash erase Possible, on the condition that bit
DFLASHEN in register MISC_CON
is set to 1 prior to each erase
operation
Not possible
n/
Infineon
XC866
Functional Description
Data Sheet 18 V1.2, 2007-10
For XC866-1FR device and ROM devices:
The selection of protection type is summarized in Table 6.
Although no protection scheme can be considered infallible, the XC866 memory
protection strategy provides a very high level of protection for a general purpose
microcontroller.
Table 5 Flash Protection Type for XC866-2FR and XC866-4FR devices
PASSWORD Type of Protection Flash Banks to Erase when
Unprotected
1XXXXXXXBFlash Protection Mode 1 All Banks
0XXXXXXXBFlash Protection Mode 0 P-Flash Bank
Table 6 Flash Protection Type for XC866-1FR device and ROM devices
PASSWORD Type of Protection
(Applicable to the
whole Flash)
Sectors to Erase
when Unprotected
Comments
1XXXXXXXBRead/Program/Erase All Sectors Compatible to
Protection mode 1
00001XXXBErase Sector 0
00010XXXBErase Sector 0 and 1
00011XXXBErase Sector 0 to 2
00100XXXBErase Sector 0 to 3
00101XXXBErase Sector 0 to 4
00110XXXBErase Sector 0 to 5
00111XXXBErase Sector 0 to 6
01000XXXBErase Sector 0 to 7
01001XXXBErase Sector 0 to 8
01010XXXBErase All Sectors
Others Erase None
n/
Infineon
XC866
Functional Description
Data Sheet 19 V1.2, 2007-10
3.2.2 Special Function Register
The Special Function Registers (SFRs) occupy direct internal data memory space in the
range 80H to FFH. All registers, except the program counter, reside in the SFR area. The
SFRs include pointers and registers that provide an interface between the CPU and the
on-chip peripherals. As the 128-SFR range is less than the total number of registers
required, address extension mechanisms are required to increase the number of
addressable SFRs. The address extension mechanisms include:
• Mapping
• Paging
3.2.2.1 Address Extension by Mapping
Address extension is performed at the system level by mapping. The SFR area is
extended into two portions: the standard (non-mapped) SFR area and the mapped SFR
area. Each portion supports the same address range 80H to FFH, bringing the number
of addressable SFRs to 256. The extended address range is not directly controlled by
the CPU instruction itself, but is derived from bit RMAP in the system control register
SYSCON0 at address 8FH. To access SFRs in the mapped area, bit RMAP in SFR
SYSCON0 must be set. Alternatively, the SFRs in the standard area can be accessed
by clearing bit RMAP. The SFR area can be selected as shown in Figure 8.
SYSCON0
System Control Register 0 Reset Value: 00H
765432 10
010RMAP
rrwrrw
Field Bits Type Description
RMAP 0rwSpecial Function Register Map Control
0 The access to the standard SFR area is
enabled.
1 The access to the mapped SFR area is
enabled.
12rwReserved
Returns the last value if read; should be written
with 1.
01,[7:3] r Reserved
Returns 0 if read; should be written with 0.
XC866
Functional Description
Data Sheet 20 V1.2, 2007-10
Note: The RMAP bit must be cleared/set by ANL or ORL instructions. The rest bits of
SYSCON0 should not be modified.
As long as bit RMAP is set, the mapped SFR area can be accessed. This bit is not
cleared automatically by hardware. Thus, before standard/mapped registers are
accessed, bit RMAP must be cleared/set, respectively, by software.
Figure 8 Address Extension by Mapping
Module 1 SFRs
…...
SYSCON0.RMAP
SFR Data
(to/from CPU)
rw
Standard Area (RMAP = 0)
…...
80H
FFH
80H
FFH
Direct
Internal Data
Memory Address
Mapped Area (RMAP = 1)
Module 2 SFRs
Module n SFRs
Module (n+1) SFRs
Module (n+2) SFRs
Module m SFRs
Inflneon
XC866
Functional Description
Data Sheet 21 V1.2, 2007-10
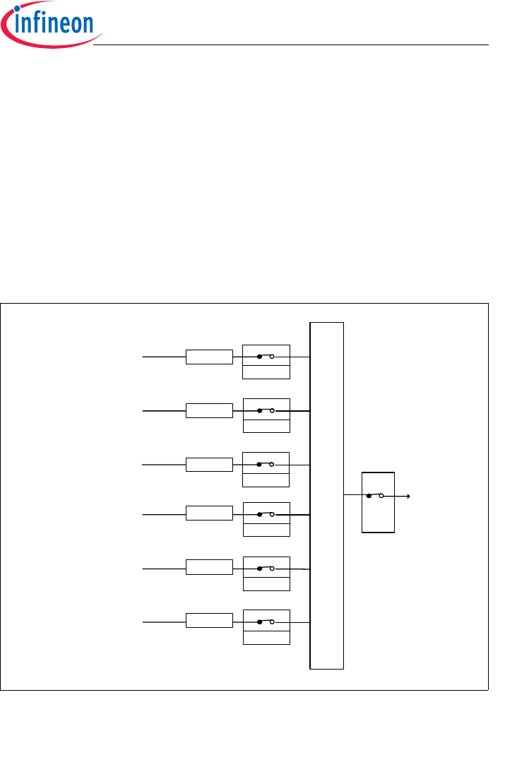
3.2.2.2 Address Extension by Paging
Address extension is further performed at the module level by paging. With the address
extension by mapping, the XC866 has a 256-SFR address range. However, this is still
less than the total number of SFRs needed by the on-chip peripherals. To meet this
requirement, some peripherals have a built-in local address extension mechanism for
increasing the number of addressable SFRs. The extended address range is not directly
controlled by the CPU instruction itself, but is derived from bit field PAGE in the module
page register MOD_PAGE. Hence, the bit field PAGE must be programmed before
accessing the SFR of the target module. Each module may contain a different number
of pages and a different number of SFRs per page, depending on the specific
requirement. Besides setting the correct RMAP bit value to select the SFR area, the user
must also ensure that a valid PAGE is selected to target the desired SFR. A page inside
the extended address range can be selected as shown in Figure 9.
Figure 9 Address Extension by Paging
SFR0
SFR1
SFRx
…...
PAGE 0
SFR0
SFR1
SFRy
…...
PAGE 1
…...
SFR0
SFR1
SFRz
…...
PAGE q
MOD_PAGE.PAGE
SFR Address
(from CPU)
SFR Data
(to/from CPU)
rw
Module
0/
Infineon
XC866
Functional Description
Data Sheet 22 V1.2, 2007-10
In order to access a register located in a page different from the actual one, the current
page must be left. This is done by reprogramming the bit field PAGE in the page register.
Only then can the desired access be performed.
If an interrupt routine is initiated between the page register access and the module
register access, and the interrupt needs to access a register located in another page, the
current page setting can be saved, the new one programmed and finally, the old page
setting restored. This is possible with the storage fields STx (x = 0 - 3) for the save and
restore action of the current page setting. By indicating which storage bit field should be
used in parallel with the new page value, a single write operation can:
• Save the contents of PAGE in STx before overwriting with the new value
(this is done in the beginning of the interrupt routine to save the current page setting
and program the new page number); or
• Overwrite the contents of PAGE with the contents of STx, ignoring the value written to
the bit positions of PAGE
(this is done at the end of the interrupt routine to restore the previous page setting
before the interrupt occurred)
Figure 10 Storage Elements for Paging
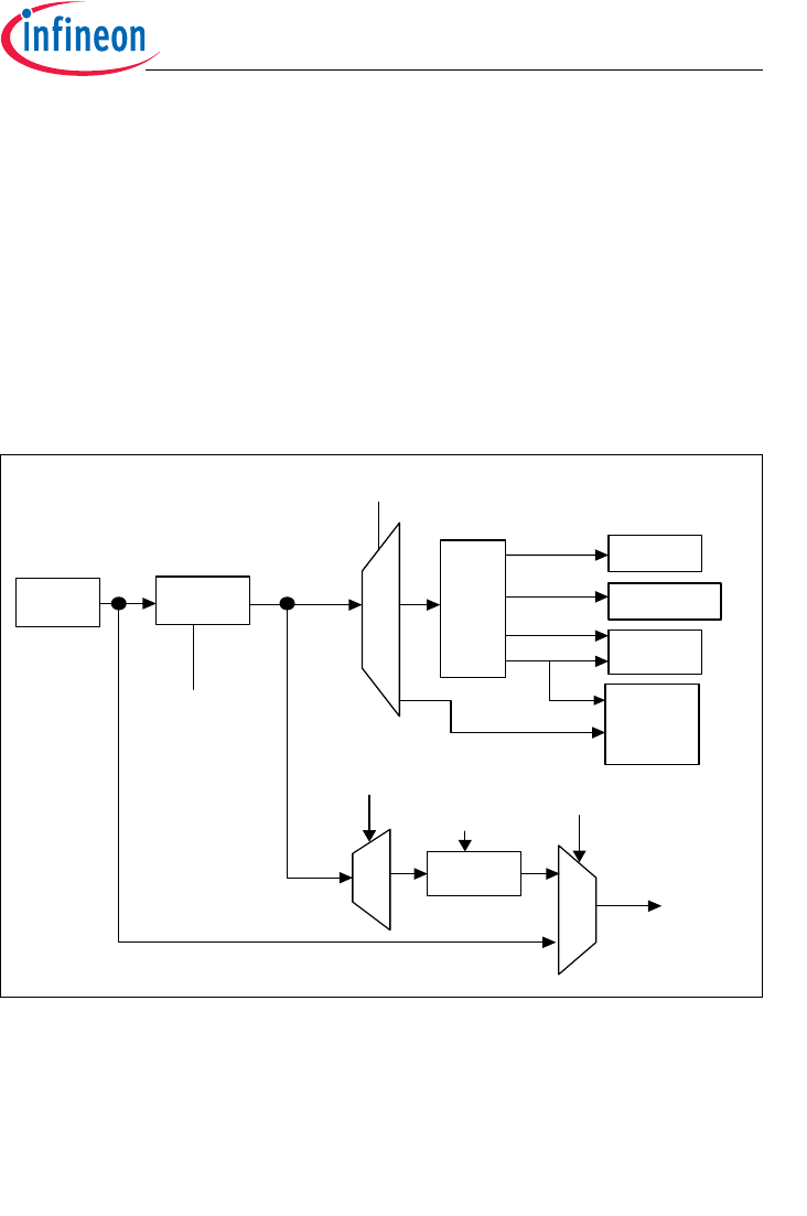
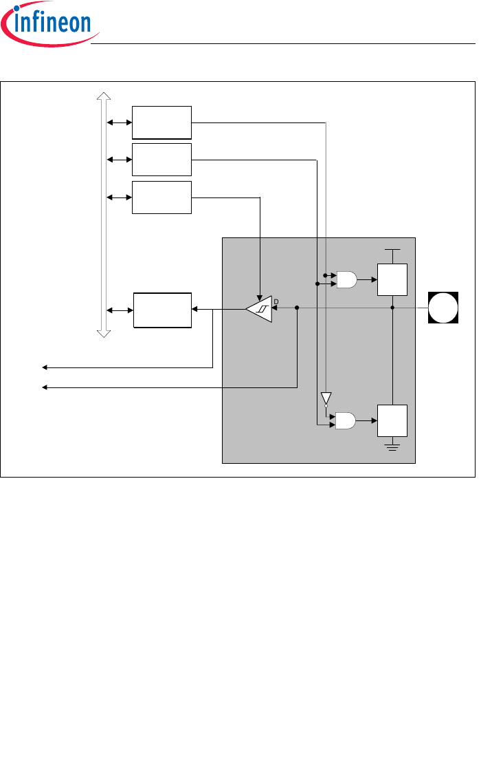
With this mechanism, a certain number of interrupt routines (or other routines) can
perform page changes without reading and storing the previously used page information.
The use of only write operations makes the system simpler and faster. Consequently,
this mechanism significantly improves the performance of short interrupt routines.
The XC866 supports local address extension for:
• Parallel Ports
• Analog-to-Digital Converter (ADC)
• Capture/Compare Unit 6 (CCU6)
• System Control Registers
PAGE
ST0
ST1
ST2
ST3
value update
from CPU
STNR
n/
Infineon
rwh
XC866
Functional Description
Data Sheet 23 V1.2, 2007-10
The page register has the following definition:
MOD_PAGE
Page Register for module MOD Reset Value: 00H
765432 10
OP STNR 0 PAGE
wwrrwh
Field Bits Type Description
PAGE [2:0] rwh Page Bits
When written, the value indicates the new page.
When read, the value indicates the currently active
page.
STNR [5:4] w Storage Number
This number indicates which storage bit field is the
target of the operation defined by bit field OP.
If OP = 10B,
the contents of PAGE are saved in STx before being
overwritten with the new value.
If OP = 11B,
the contents of PAGE are overwritten by the
contents of STx. The value written to the bit positions
of PAGE is ignored.
00 ST0 is selected.
01 ST1 is selected.
10 ST2 is selected.
11 ST3 is selected.
n/
Infineon
XC866
Functional Description
Data Sheet 24 V1.2, 2007-10
OP [7:6] w Operation
0X Manual page mode. The value of STNR is
ignored and PAGE is directly written.
10 New page programming with automatic page
saving. The value written to the bit positions of
PAGE is stored. In parallel, the previous
contents of PAGE are saved in the storage bit
field STx indicated by STNR.
11 Automatic restore page action. The value
written to the bit positions PAGE is ignored
and instead, PAGE is overwritten by the
contents of the storage bit field STx indicated
by STNR.
03r Reserved
Returns 0 if read; should be written with 0.
Field Bits Type Description
n/
Infineon
XC866
Functional Description
Data Sheet 25 V1.2, 2007-10
3.2.3 Bit Protection Scheme
The bit protection scheme prevents direct software writing of selected bits (i.e., protected
bits) using the PASSWD register. When the bit field MODE is 11B, writing 10011B to the
bit field PASS opens access to writing of all protected bits, and writing 10101B to the bit
field PASS closes access to writing of all protected bits. In both cases, the value of the
bit field MODE is not changed even if PASSWD register is written with 98H or A8H. It can
only be changed when bit field PASS is written with 11000B, for example, writing D0H to
PASSWD register disables the bit protection scheme.
The access is opened for maximum 32 CCLKs if the “close access” password is not
written. If “open access” password is written again before the end of 32 CCLK cycles,
there will be a recount of 32 CCLK cycles. The protected bits include NDIV, WDTEN, PD,
and SD.
PASSWD
Password Register Reset Value: 07H
76543210
PASS PROTECT
_S MODE
wrhrw
Field Bits Type Description
MODE [1:0] rw Bit Protection Scheme Control bits
00 Scheme Disabled
11 Scheme Enabled (default)
Others: Scheme Enabled
These two bits cannot be written directly. To change
the value between 11B and 00B, the bit field PASS
must be written with 11000B; only then, will the
MODE[1:0] be registered.
PROTECT_S 2rhBit Protection Signal Status bit
This bit shows the status of the protection.
0 Software is able to write to all protected bits.
1 Software is unable to write to any protected
bits.
PASS [7:3] w Password bits
The Bit Protection Scheme only recognizes three
patterns.
11000BEnables writing of the bit field MODE.
10011BOpens access to writing of all protected bits.
10101BCloses access to writing of all protected bits.
Inflneon
Addr Register Name
XC866
Functional Description
Data Sheet 26 V1.2, 2007-10
3.2.4 XC866 Register Overview
The SFRs of the XC866 are organized into groups according to their functional units. The
contents (bits) of the SFRs are summarized in Table 7 to Table 15, with the addresses
of the bitaddressable SFRs appearing in bold typeface.
The CPU SFRs can be accessed in both the standard and mapped memory areas
(RMAP = 0 or 1).
Table 7 CPU Register Overview
AddrRegister Name Bit 76543210
RMAP = 0 or 1
81HSP Reset: 07H
Stack Pointer Register
Bit Field SP
Type rw
82HDPL Reset: 00H
Data Pointer Register Low
Bit Field DPL7 DPL6 DPL5 DPL4 DPL3 DPL2 DPL1 DPL0
Type rw rw rw rw rw rw rw rw
83HDPH Reset: 00H
Data Pointer Register High
Bit Field DPH7 DPH6 DPH5 DPH4 DPH3 DPH2 DPH1 DPH0
Type rw rw rw rw rw rw rw rw
87HPCON Reset: 00H
Power Control Register
Bit Field SMOD 0GF1 GF0 0IDLE
Type rw r rw rw r rw
88HTCON Reset: 00H
Timer Control Register
Bit Field TF1 TR1 TF0 TR0 IE1 IT1 IE0 IT0
Type rwh rw rwh rw rwh rw rwh rw
89HTMOD Reset: 00H
Timer Mode Register
Bit Field GATE1 0T1M GATE0 0T0M
Type rw r rw rw r rw
8AHTL0 Reset: 00H
Timer 0 Register Low
Bit Field VAL
Type rwh
8BHTL1 Reset: 00H
Timer 1 Register Low
Bit Field VAL
Type rwh
8CHTH0 Reset: 00H
Timer 0 Register High
Bit Field VAL
Type rwh
8DHTH1 Reset: 00H
Timer 1 Register High
Bit Field VAL
Type rwh
98HSCON Reset: 00H
Serial Channel Control Register
Bit Field SM0 SM1 SM2 REN TB8 RB8 TI RI
Type rw rw rw rw rw rwh rwh rwh
99HSBUF Reset: 00H
Serial Data Buffer Register
Bit Field VAL
Type rwh
A2HEO Reset: 00H
Extended Operation Register
Bit Field 0TRAP_
EN
0DPSEL
0
Type r rw r rw
A8HIEN0 Reset: 00H
Interrupt Enable Register 0
Bit Field EA 0ET2 ES ET1 EX1 ET0 EX0
Type rw r rwrwrwrwrwrw
B8HIP Reset: 00H
Interrupt Priority Register
Bit Field 0PT2 PS PT1 PX1 PT0 PX0
Type r rwrwrwrwrwrw
B9HIPH Reset: 00H
Interrupt Priority Register High
Bit Field 0PT2H PSH PT1H PX1H PT0H PX0H
Type r rwrwrwrwrwrw
D0HPSW Reset: 00H
Program Status Word Register
Bit Field CY AC F0 RS1 RS0 OV F1 P
Type rw rwh rwh rw rw rwh rwh rh
E0HACC Reset: 00H
Accumulator Register
Bit Field ACC7 ACC6 ACC5 ACC4 ACC3 ACC2 ACC1 ACC0
Type rw rw rw rw rw rw rw rw
E8HIEN1 Reset: 00H
Interrupt Enable Register 1
Bit Field ECCIP
3
ECCIP
2
ECCIP
1
ECCIP
0
EXM EX2 ESSC EADC
Type rw rw rw rw rw rw rw rw
@neon
Addr Register Name
Addr Register Name
XC866
Functional Description
Data Sheet 27 V1.2, 2007-10
The system control SFRs can be accessed in the standard memory area (RMAP = 0).
F0HB Reset: 00H
B Register
Bit Field B7 B6 B5 B4 B3 B2 B1 B0
Type rw rw rw rw rw rw rw rw
F8HIP1 Reset: 00H
Interrupt Priority Register 1
Bit Field PCCIP
3
PCCIP
2
PCCIP
1
PCCIP
0
PXM PX2 PSSC PADC
Type rw rw rw rw rw rw rw rw
F9HIPH1 Reset: 00H
Interrupt Priority Register 1 High
Bit Field PCCIP
3H
PCCIP
2H
PCCIP
1H
PCCIP
0H
PXMH PX2H PSSCH PADC
H
Type rw rw rw rw rw rw rw rw
Table 8 System Control Register Overview
AddrRegister Name Bit 76543210
RMAP = 0 or 1
8FHSYSCON0 Reset: 00H
System Control Register 0
Bit Field 0RMAP
Type r rw
RMAP = 0
BFHSCU_PAGE Reset: 00H
Page Register for System Control
Bit Field OP STNR 0PAGE
Type w w rrwh
RMAP = 0, Page 0
B3HMODPISEL Reset: 00H
Peripheral Input Select Register
Bit Field 0JTAG
TDIS
JTAG
TCKS
0EXINT
0IS
URRIS
Type r rw rw rrw rw
B4HIRCON0 Reset: 00H
Interrupt Request Register 0
Bit Field 0EXINT
6
EXINT
5
EXINT
4
EXINT
3
EXINT
2
EXINT
1
EXINT
0
Type r rwh rwh rwh rwh rwh rwh rwh
B5HIRCON1 Reset: 00H
Interrupt Request Register 1
Bit Field 0ADCS
RC1
ADCS
RC0
RIR TIR EIR
Type r rwh rwh rwh rwh rwh
B7HEXICON0 Reset: 00H
External Interrupt Control Register 0
Bit Field EXINT3 EXINT2 EXINT1 EXINT0
Type rw rw rw rw
BAHEXICON1 Reset: 00H
External Interrupt Control Register 1
Bit Field 0EXINT6 EXINT5 EXINT4
Type r rw rw rw
BBHNMICON Reset: 00H
NMI Control Register
Bit Field 0NMI
ECC
NMI
VDDP
NMI
VDD
NMI
OCDS
NMI
FLASH
NMI
PLL
NMI
WDT
Type r rw rw rw rw rw rw rw
BCHNMISR Reset: 00H
NMI Status Register
Bit Field 0FNMI
ECC
FNMI
VDDP
FNMI
VDD
FNMI
OCDS
FNMI
FLASH
FNMI
PLL
FNMI
WDT
Type r rwh rwh rwh rwh rwh rwh rwh
BDHBCON Reset: 00H
Baud Rate Control Register
Bit Field BGSEL 0BREN BRPRE R
Type rw r rw rw rw
BEHBG Reset: 00H
Baud Rate Timer/Reload Register
Bit Field BR_VALUE
Type rw
E9HFDCON Reset: 00H
Fractional Divider Control Register
Bit Field BGS SYNEN ERRSY
N
EOFSY
N
BRK NDOV FDM FDEN
Type rw rw rwh rwh rwh rwh rw rw
EAHFDSTEP Reset: 00H
Fractional Divider Reload Register
Bit Field STEP
Type rw
EBHFDRES Reset: 00H
Fractional Divider Result Register
Bit Field RESULT
Type rh
RMAP = 0, Page 1
Table 7 CPU Register Overview (cont’d)
AddrRegister Name Bit 76543210
@neon
Addr Register Name
Addr Register Name
XC866
Functional Description
Data Sheet 28 V1.2, 2007-10
The WDT SFRs can be accessed in the mapped memory area (RMAP = 1).
B3HID Reset: 01H
Identity Register
Bit Field PRODID VERID
Type r r
B4HPMCON0 Reset: 00H
Power Mode Control Register 0
Bit Field 0WDT
RST
WKRS WK
SEL
SD PD WS
Type r rwh rwh rw rw rwh rw
B5HPMCON1 Reset: 00H
Power Mode Control Register 1
Bit Field 0T2_DIS CCU
_DIS
SSC
_DIS
ADC
_DIS
Type r rw rw rw rw
B6HOSC_CON Reset: 08H
OSC Control Register
Bit Field 0OSC
PD
XPD OSC
SS
ORD
RES
OSCR
Type r rw rw rw rwh rh
B7HPLL_CON Reset: 20H
PLL Control Register
Bit Field NDIV VCO
BYP
OSC
DISC
RESLD LOCK
Type rw rw rw rwh rh
BAHCMCON Reset: 00H
Clock Control Register
Bit Field VCO
SEL
0CLKREL
Type rw r rw
BBHPASSWD Reset: 07H
Password Register
Bit Field PASS PROTE
CT_S
MODE
Type w rh rw
BCHFEAL Reset: 00H
Flash Error Address Register Low
Bit Field ECCERRADDR[7:0]
Type rh
BDHFEAH Reset: 00H
Flash Error Address Register High
Bit Field ECCERRADDR[15:8]
Type rh
BEHCOCON Reset: 00H
Clock Output Control Register
Bit Field 0TLEN COUT
S
COREL
Type r rw rw rw
E9HMISC_CON Reset: 00H
Miscellaneous Control Register
Bit Field 0DFLAS
HEN
Type r rwh
RMAP = 0, Page 3
B3HXADDRH Reset: F0H
On-Chip XRAM Address Higher Order
Bit Field ADDRH
Type rw
Table 9 WDT Register Overview
AddrRegister Name Bit 76543210
RMAP = 1
BBHWDTCON Reset: 00H
Watchdog Timer Control Register
Bit Field 0WINB
EN
WDT
PR
0WDT
EN
WDT
RS
WDT
IN
Type r rw rh rrw rwh rw
BCHWDTREL Reset: 00H
Watchdog Timer Reload Register
Bit Field WDTREL
Type rw
BDHWDTWINB Reset: 00H
Watchdog Window-Boundary Count
Register
Bit Field WDTWINB
Type rw
BEHWDTL Reset: 00H
Watchdog Timer Register Low
Bit Field WDT[7:0]
Type rh
BFHWDTH Reset: 00H
Watchdog Timer Register High
Bit Field WDT[15:8]
Type rh
Table 8 System Control Register Overview (cont’d)
AddrRegister Name Bit 76543210
@neon
Addr Register Name
XC866
Functional Description
Data Sheet 29 V1.2, 2007-10
The Port SFRs can be accessed in the standard memory area (RMAP = 0).
Table 10 Port Register Overview
AddrRegister Name Bit 76543210
RMAP = 0
B2HPORT_PAGE Reset: 00H
Page Register for PORT
Bit Field OP STNR 0PAGE
Type w w rrwh
RMAP = 0, Page 0
80HP0_DATA Reset: 00H
P0 Data Register
Bit Field 0P5 P4 P3 P2 P1 P0
Type r rwh rwh rwh rwh rwh rwh
86HP0_DIR Reset: 00H
P0 Direction Register
Bit Field 0P5 P4 P3 P2 P1 P0
Type r rw rw rw rw rw rw
90HP1_DATA Reset: 00H
P1 Data Register
Bit Field P7 P6 P5 0P1 P0
Type rwh rwh rwh r rwh rwh
91HP1_DIR Reset: 00H
P1 Direction Register
Bit Field P7 P6 P5 0P1 P0
Type rw rw rw r rw rw
A0HP2_DATA Reset: 00H
P2 Data Register
Bit Field P7 P6 P5 P4 P3 P2 P1 P0
Type rwhrwhrwhrwhrwh rwh rwh rwh
A1HP2_DIR Reset: 00H
P2 Direction Register
Bit Field P7 P6 P5 P4 P3 P2 P1 P0
Type rw rw rw rw rw rw rw rw
B0HP3_DATA Reset: 00H
P3 Data Register
Bit Field P7 P6 P5 P4 P3 P2 P1 P0
Type rwhrwhrwhrwhrwh rwh rwh rwh
B1HP3_DIR Reset: 00H
P3 Direction Register
Bit Field P7 P6 P5 P4 P3 P2 P1 P0
Type rw rw rw rw rw rw rw rw
RMAP = 0, Page 1
80HP0_PUDSEL Reset: FFH
P0 Pull-Up/Pull-Down Select Register
Bit Field 0P5 P4 P3 P2 P1 P0
Type r rw rw rw rw rw rw
86HP0_PUDEN Reset: C4H
P0 Pull-Up/Pull-Down Enable Register
Bit Field 0P5 P4 P3 P2 P1 P0
Type r rw rw rw rw rw rw
90HP1_PUDSEL Reset: FFH
P1 Pull-Up/Pull-Down Select Register
Bit Field P7 P6 P5 0P1 P0
Type rw rw rw r rw rw
91HP1_PUDEN Reset: FFH
P1 Pull-Up/Pull-Down Enable Register
Bit Field P7 P6 P5 0P1 P0
Type rw rw rw r rw rw
A0HP2_PUDSEL Reset: FFH
P2 Pull-Up/Pull-Down Select Register
Bit Field P7 P6 P5 P4 P3 P2 P1 P0
Type rw rw rw rw rw rw rw rw
A1HP2_PUDEN Reset: 00H
P2 Pull-Up/Pull-Down Enable Register
Bit Field P7 P6 P5 P4 P3 P2 P1 P0
Type rw rw rw rw rw rw rw rw
B0HP3_PUDSEL Reset: BFH
P3 Pull-Up/Pull-Down Select Register
Bit Field P7 P6 P5 P4 P3 P2 P1 P0
Type rw rw rw rw rw rw rw rw
B1HP3_PUDEN Reset: 40H
P3 Pull-Up/Pull-Down Enable Register
Bit Field P7 P6 P5 P4 P3 P2 P1 P0
Type rw rw rw rw rw rw rw rw
RMAP = 0, Page 2
80HP0_ALTSEL0 Reset: 00H
P0 Alternate Select 0 Register
Bit Field 0P5 P4 P3 P2 P1 P0
Type r rw rw rw rw rw rw
86HP0_ALTSEL1 Reset: 00H
P0 Alternate Select 1 Register
Bit Field 0P5 P4 P3 P2 P1 P0
Type r rw rw rw rw rw rw
90HP1_ALTSEL0 Reset: 00H
P1 Alternate Select 0 Register
Bit Field P7 P6 P5 0P1 P0
Type rw rw rw r rw rw
91HP1_ALTSEL1 Reset: 00H
P1 Alternate Select 1 Register
Bit Field P7 P6 P5 0P1 P0
Type rw rw rw r rw rw
B0HP3_ALTSEL0 Reset: 00H
P3 Alternate Select 0 Register
Bit Field P7 P6 P5 P4 P3 P2 P1 P0
Type rw rw rw rw rw rw rw rw
@neon
Addr Register Name
Addr Register Name
XC866
Functional Description
Data Sheet 30 V1.2, 2007-10
The ADC SFRs can be accessed in the standard memory area (RMAP = 0).
B1HP3_ALTSEL1 Reset: 00H
P3 Alternate Select 1 Register
Bit Field P7 P6 P5 P4 P3 P2 P1 P0
Type rw rw rw rw rw rw rw rw
RMAP = 0, Page 3
80HP0_OD Reset: 00H
P0 Open Drain Control Register
Bit Field 0P5 P4 P3 P2 P1 P0
Type r rw rw rw rw rw rw
90HP1_OD Reset: 00H
P1 Open Drain Control Register
Bit Field P7 P6 P5 0P1 P0
Type rw rw rw r rw rw
B0HP3_OD Reset: 00H
P3 Open Drain Control Register
Bit Field P7 P6 P5 P4 P3 P2 P1 P0
Type rw rw rw rw rw rw rw rw
Table 11 ADC Register Overview
AddrRegister Name Bit 76543210
RMAP = 0
D1HADC_PAGE Reset: 00H
Page Register for ADC
Bit Field OP STNR 0PAGE
Type w w rrwh
RMAP = 0, Page 0
CAHADC_GLOBCTR Reset: 30H
Global Control Register
Bit Field ANON DW CTC 0
Type rw rw rw r
CBHADC_GLOBSTR Reset: 00H
Global Status Register
Bit Field 0CHNR 0SAM
PLE
BUSY
Type r rh rrh rh
CCHADC_PRAR Reset: 00H
Priority and Arbitration Register
Bit Field ASEN1 ASEN0 0ARBM CSM1 PRIO1 CSM0 PRIO0
Type rw rw r rw rw rw rw rw
CDHADC_LCBR Reset: B7H
Limit Check Boundary Register
Bit Field BOUND1 BOUND0
Type rw rw
CEHADC_INPCR0 Reset: 00H
Input Class Register 0
Bit Field STC
Type rw
CFHADC_ETRCR Reset: 00H
External Trigger Control Register
Bit Field SYNEN
1
SYNEN
0
ETRSEL1 ETRSEL0
Type rw rw rw rw
RMAP = 0, Page 1
CAHADC_CHCTR0 Reset: 00H
Channel Control Register 0
Bit Field 0LCC 0RESRSEL
Type r rw rrw
CBHADC_CHCTR1 Reset: 00H
Channel Control Register 1
Bit Field 0LCC 0RESRSEL
Type r rw rrw
CCHADC_CHCTR2 Reset: 00H
Channel Control Register 2
Bit Field 0LCC 0RESRSEL
Type r rw rrw
CDHADC_CHCTR3 Reset: 00H
Channel Control Register 3
Bit Field 0LCC 0RESRSEL
Type r rw rrw
CEHADC_CHCTR4 Reset: 00H
Channel Control Register 4
Bit Field 0LCC 0RESRSEL
Type r rw rrw
CFHADC_CHCTR5 Reset: 00H
Channel Control Register 5
Bit Field 0LCC 0RESRSEL
Type r rw rrw
D2HADC_CHCTR6 Reset: 00H
Channel Control Register 6
Bit Field 0LCC 0RESRSEL
Type r rw rrw
D3HADC_CHCTR7 Reset: 00H
Channel Control Register 7
Bit Field 0LCC 0RESRSEL
Type r rw rrw
RMAP = 0, Page 2
Table 10 Port Register Overview (cont’d)
AddrRegister Name Bit 76543210
@neon
Addr Register Name
XC866
Functional Description
Data Sheet 31 V1.2, 2007-10
CAHADC_RESR0L Reset: 00H
Result Register 0 Low
Bit Field RESULT[1:0] 0VF DRC CHNR
Type rh r rh rh rh
CBHADC_RESR0H Reset: 00H
Result Register 0 High
Bit Field RESULT[9:2]
Type rh
CCHADC_RESR1L Reset: 00H
Result Register 1 Low
Bit Field RESULT[1:0] 0VF DRC CHNR
Type rh r rh rh rh
CDHADC_RESR1H Reset: 00H
Result Register 1 High
Bit Field RESULT[9:2]
Type rh
CEHADC_RESR2L Reset: 00H
Result Register 2 Low
Bit Field RESULT[1:0] 0VF DRC CHNR
Type rh r rh rh rh
CFHADC_RESR2H Reset: 00H
Result Register 2 High
Bit Field RESULT[9:2]
Type rh
D2HADC_RESR3L Reset: 00H
Result Register 3 Low
Bit Field RESULT[1:0] 0VF DRC CHNR
Type rh r rh rh rh
D3HADC_RESR3H Reset: 00H
Result Register 3 High
Bit Field RESULT[9:2]
Type rh
RMAP = 0, Page 3
CAHADC_RESRA0L Reset: 00H
Result Register 0, View A Low
Bit Field RESULT[2:0] VF DRC CHNR
Type rh rh rh rh
CBHADC_RESRA0H Reset: 00H
Result Register 0, View A High
Bit Field RESULT[10:3]
Type rh
CCHADC_RESRA1L Reset: 00H
Result Register 1, View A Low
Bit Field RESULT[2:0] VF DRC CHNR
Type rh rh rh rh
CDHADC_RESRA1H Reset: 00H
Result Register 1, View A High
Bit Field RESULT[10:3]
Type rh
CEHADC_RESRA2L Reset: 00H
Result Register 2, View A Low
Bit Field RESULT[2:0] VF DRC CHNR
Type rh rh rh rh
CFHADC_RESRA2H Reset: 00H
Result Register 2, View A High
Bit Field RESULT[10:3]
Type rh
D2HADC_RESRA3L Reset: 00H
Result Register 3, View A Low
Bit Field RESULT[2:0] VF DRC CHNR
Type rh rh rh rh
D3HADC_RESRA3H Reset: 00H
Result Register 3, View A High
Bit Field RESULT[10:3]
Type rh
RMAP = 0, Page 4
CAHADC_RCR0 Reset: 00H
Result Control Register 0
Bit Field VFCTR WFR 0IEN 0DRCT
R
Type rw rw r rw rrw
CBHADC_RCR1 Reset: 00H
Result Control Register 1
Bit Field VFCTR WFR 0IEN 0DRCT
R
Type rw rw r rw rrw
CCHADC_RCR2 Reset: 00H
Result Control Register 2
Bit Field VFCTR WFR 0IEN 0DRCT
R
Type rw rw r rw rrw
CDHADC_RCR3 Reset: 00H
Result Control Register 3
Bit Field VFCTR WFR 0IEN 0DRCT
R
Type rw rw r rw rrw
CEHADC_VFCR Reset: 00H
Valid Flag Clear Register
Bit Field 0VFC3 VFC2 VFC1 VFC0
Type r wwww
RMAP = 0, Page 5
Table 11 ADC Register Overview (cont’d)
AddrRegister Name Bit 76543210
@neon
Addr
Register Name
Addr
Register Name
Bil
XC866
Functional Description
Data Sheet 32 V1.2, 2007-10
The Timer 2 SFRs can be accessed in the standard memory area (RMAP = 0).
CAHADC_CHINFR Reset: 00H
Channel Interrupt Flag Register
Bit Field CHINF
7
CHINF
6
CHINF
5
CHINF
4
CHINF
3
CHINF
2
CHINF
1
CHINF
0
Type rh rh rh rh rh rh rh rh
CBHADC_CHINCR Reset: 00H
Channel Interrupt Clear Register
Bit Field CHINC
7
CHINC
6
CHINC
5
CHINC
4
CHINC
3
CHINC
2
CHINC
1
CHINC
0
Type wwwwwwww
CCHADC_CHINSR Reset: 00H
Channel Interrupt Set Register
Bit Field CHINS
7
CHINS
6
CHINS
5
CHINS
4
CHINS
3
CHINS
2
CHINS
1
CHINS
0
Type wwwwwwww
CDHADC_CHINPR Reset: 00H
Channel Interrupt Node Pointer
Register
Bit Field CHINP
7
CHINP
6
CHINP
5
CHINP
4
CHINP
3
CHINP
2
CHINP
1
CHINP
0
Type rw rw rw rw rw rw rw rw
CEHADC_EVINFR Reset: 00H
Event Interrupt Flag Register
Bit Field EVINF
7
EVINF
6
EVINF
5
EVINF
4
0EVINF
1
EVINF
0
Type rh rh rh rh rrh rh
CFHADC_EVINCR Reset: 00H
Event Interrupt Clear Flag Register
Bit Field EVINC
7
EVINC
6
EVINC
5
EVINC
4
0EVINC
1
EVINC
0
Type wwww r w w
D2HADC_EVINSR Reset: 00H
Event Interrupt Set Flag Register
Bit Field EVINS
7
EVINS
6
EVINS
5
EVINS
4
0EVINS
1
EVINS
0
Type wwww r w w
D3HADC_EVINPR Reset: 00H
Event Interrupt Node Pointer Register
Bit Field EVINP
7
EVINP
6
EVINP
5
EVINP
4
0EVINP
1
EVINP
0
Type rw rw rw rw rrw rw
RMAP = 0, Page 6
CAHADC_CRCR1 Reset: 00H
Conversion Request Control Register 1
Bit Field CH7 CH6 CH5 CH4 0
Type rwhrwhrwhrwh r
CBHADC_CRPR1 Reset: 00H
Conversion Request Pending
Register 1
Bit Field CHP7 CHP6 CHP5 CHP4 0
Type rwhrwhrwhrwh r
CCHADC_CRMR1 Reset: 00H
Conversion Request Mode Register 1
Bit Field Rsv LDEV CLR
PND
SCAN ENSI ENTR ENGT
Type r w w rw rw rw rw
CDHADC_QMR0 Reset: 00H
Queue Mode Register 0
Bit Field CEV TREV FLUSH CLRV TRMD ENTR ENGT
Type wwwwrw rw rw
CEHADC_QSR0 Reset: 20H
Queue Status Register 0
Bit Field Rsv 0EMPTY EV 0
Type r r rh rh r
CFHADC_Q0R0 Reset: 00H
Queue 0 Register 0
Bit Field EXTR ENSI RF V 0 REQCHNR
Type rh rh rh rh rrh
D2HADC_QBUR0 Reset: 00H
Queue Backup Register 0
Bit Field EXTR ENSI RF V 0 REQCHNR
Type rh rh rh rh rrh
D2HADC_QINR0 Reset: 00H
Queue Input Register 0
Bit Field EXTR ENSI RF 0REQCHNR
Type www r w
Table 12 Timer 2 Register Overview
AddrRegister Name Bit 76543210
C0HT2_T2CON Reset: 00H
Timer 2 Control Register
Bit Field TF2 EXF2 0EXEN2 TR2 0CP/
RL2
Type rwh rwh r rw rwh rrw
Table 11 ADC Register Overview (cont’d)
AddrRegister Name Bit 76543210
Inflneon
Addr Register Name
XC866
Functional Description
Data Sheet 33 V1.2, 2007-10
The CCU6 SFRs can be accessed in the standard memory area (RMAP = 0).
C1HT2_T2MOD Reset: 00H
Timer 2 Mode Register
Bit Field T2
REGS
T2
RHEN
EDGE
SEL
PREN T2PRE DCEN
Type rw rw rw rw rw rw
C2HT2_RC2L Reset: 00H
Timer 2 Reload/Capture Register Low
Bit Field RC2[7:0]
Type rwh
C3HT2_RC2H Reset: 00H
Timer 2 Reload/Capture Register High
Bit Field RC2[15:8]
Type rwh
C4HT2_T2L Reset: 00H
Timer 2 Register Low
Bit Field THL2[7:0]
Type rwh
C5HT2_T2H Reset: 00H
Timer 2 Register High
Bit Field THL2[15:8]
Type rwh
Table 13 CCU6 Register Overview
AddrRegister Name Bit 76543210
RMAP = 0
A3HCCU6_PAGE Reset: 00H
Page Register for CCU6
Bit Field OP STNR 0PAGE
Type w w rrwh
RMAP = 0, Page 0
9AHCCU6_CC63SRL Reset: 00H
Capture/Compare Shadow Register for
Channel CC63 Low
Bit Field CC63SL
Type rw
9BHCCU6_CC63SRH Reset: 00H
Capture/Compare Shadow Register for
Channel CC63 High
Bit Field CC63SH
Type rw
9CHCCU6_TCTR4L Reset: 00H
Timer Control Register 4 Low
Bit Field T12
STD
T12
STR
0DTRES T12
RES
T12RS T12RR
Type w w r wwww
9DHCCU6_TCTR4H Reset: 00H
Timer Control Register 4 High
Bit Field T13
STD
T13
STR
0T13
RES
T13RS T13RR
Type w w r www
9EHCCU6_MCMOUTSL Reset: 00H
Multi-Channel Mode Output Shadow
Register Low
Bit Field STRM
CM
0MCMPS
Type w r rw
9FHCCU6_MCMOUTSH Reset: 00H
Multi-Channel Mode Output Shadow
Register High
Bit Field STRHP 0CURHS EXPHS
Type w r rw rw
A4HCCU6_ISRL Reset: 00H
Capture/Compare Interrupt Status
Reset Register Low
Bit Field RT12P
M
RT12O
M
RCC62
F
RCC62
R
RCC61
F
RCC61
R
RCC60
F
RCC60
R
Type wwwwwwww
A5HCCU6_ISRH Reset: 00H
Capture/Compare Interrupt Status
Reset Register High
Bit Field RSTR RIDLE RWHE RCHE 0RTRPF RT13
PM
RT13
CM
Type wwww r w w w
A6HCCU6_CMPMODIFL Reset: 00H
Compare State Modification Register
Low
Bit Field 0MCC63
S
0MCC62
S
MCC61
S
MCC60
S
Type r w r www
A7HCCU6_CMPMODIFH Reset: 00H
Compare State Modification Register
High
Bit Field 0MCC63
R
0MCC62
R
MCC61
R
MCC60
R
Type r w r www
FAHCCU6_CC60SRL Reset: 00H
Capture/Compare Shadow Register for
Channel CC60 Low
Bit Field CC60SL
Type rwh
Table 12 Timer 2 Register Overview (cont’d)
@neon
Addr Register Name
XC866
Functional Description
Data Sheet 34 V1.2, 2007-10
FBHCCU6_CC60SRH Reset: 00H
Capture/Compare Shadow Register for
Channel CC60 High
Bit Field CC60SH
Type rwh
FCHCCU6_CC61SRL Reset: 00H
Capture/Compare Shadow Register for
Channel CC61 Low
Bit Field CC61SL
Type rwh
FDHCCU6_CC61SRH Reset: 00H
Capture/Compare Shadow Register for
Channel CC61 High
Bit Field CC61SH
Type rwh
FEHCCU6_CC62SRL Reset: 00H
Capture/Compare Shadow Register for
Channel CC62 Low
Bit Field CC62SL
Type rwh
FFHCCU6_CC62SRH Reset: 00H
Capture/Compare Shadow Register for
Channel CC62 High
Bit Field CC62SH
Type rwh
RMAP = 0, Page 1
9AHCCU6_CC63RL Reset: 00H
Capture/Compare Register for Channel
CC63 Low
Bit Field CC63VL
Type rh
9BHCCU6_CC63RH Reset: 00H
Capture/Compare Register for Channel
CC63 High
Bit Field CC63VH
Type rh
9CHCCU6_T12PRL Reset: 00H
Timer T12 Period Register Low
Bit Field T12PVL
Type rwh
9DHCCU6_T12PRH Reset: 00H
Timer T12 Period Register High
Bit Field T12PVH
Type rwh
9EHCCU6_T13PRL Reset: 00H
Timer T13 Period Register Low
Bit Field T13PVL
Type rwh
9FHCCU6_T13PRH Reset: 00H
Timer T13 Period Register High
Bit Field T13PVH
Type rwh
A4HCCU6_T12DTCL Reset: 00H
Dead-Time Control Register for Timer
T12 Low
Bit Field DTM
Type rw
A5HCCU6_T12DTCH Reset: 00H
Dead-Time Control Register for Timer
T12 High
Bit Field 0DTR2 DTR1 DTR0 0DTE2 DTE1 DTE0
Type r rhrhrh rrw rw rw
A6HCCU6_TCTR0L Reset: 00H
Timer Control Register 0 Low
Bit Field CTM CDIR STE12 T12R T12
PRE
T12CLK
Type rw rh rh rh rw rw
A7HCCU6_TCTR0H Reset: 00H
Timer Control Register 0 High
Bit Field 0STE13 T13R T13
PRE
T13CLK
Type r rh rh rw rw
FAHCCU6_CC60RL Reset: 00H
Capture/Compare Register for Channel
CC60 Low
Bit Field CC60VL
Type rh
FBHCCU6_CC60RH Reset: 00H
Capture/Compare Register for Channel
CC60 High
Bit Field CC60VH
Type rh
FCHCCU6_CC61RL Reset: 00H
Capture/Compare Register for Channel
CC61 Low
Bit Field CC61VL
Type rh
Table 13 CCU6 Register Overview (cont’d)
AddrRegister Name Bit 76543210
@neon
Addr Register Name
XC866
Functional Description
Data Sheet 35 V1.2, 2007-10
FDHCCU6_CC61RH Reset: 00H
Capture/Compare Register for Channel
CC61 High
Bit Field CC61VH
Type rh
FEHCCU6_CC62RL Reset: 00H
Capture/Compare Register for Channel
CC62 Low
Bit Field CC62VL
Type rh
FFHCCU6_CC62RH Reset: 00H
Capture/Compare Register for Channel
CC62 High
Bit Field CC62VH
Type rh
RMAP = 0, Page 2
9AHCCU6_T12MSELL Reset: 00H
T12 Capture/Compare Mode Select
Register Low
Bit Field MSEL61 MSEL60
Type rw rw
9BHCCU6_T12MSELH Reset: 00H
T12 Capture/Compare Mode Select
Register High
Bit Field DBYP HSYNC MSEL62
Type rw rw rw
9CHCCU6_IENL Reset: 00H
Capture/Compare Interrupt Enable
Register Low
Bit Field ENT12
PM
ENT12
OM
ENCC
62F
ENCC
62R
ENCC
61F
ENCC
61R
ENCC
60F
ENCC
60R
Type rw rw rw rw rw rw rw rw
9DHCCU6_IENH Reset: 00H
Capture/Compare Interrupt Enable
Register High
Bit Field ENSTR EN
IDLE
EN
WHE
EN
CHE
0EN
TRPF
ENT13
PM
ENT13
CM
Type rw rw rw rw rrw rw rw
9EHCCU6_INPL Reset: 40H
Capture/Compare Interrupt Node
Pointer Register Low
Bit Field INPCHE INPCC62 INPCC61 INPCC60
Type rw rw rw rw
9FHCCU6_INPH Reset: 39H
Capture/Compare Interrupt Node
Pointer Register High
Bit Field 0INPT13 INPT12 INPERR
Type r rw rw rw
A4HCCU6_ISSL Reset: 00H
Capture/Compare Interrupt Status Set
Register Low
Bit Field ST12P
M
ST12O
M
SCC62
F
SCC62
R
SCC61
F
SCC61
R
SCC60
F
SCC60
R
Type wwwwwwww
A5HCCU6_ISSH Reset: 00H
Capture/Compare Interrupt Status Set
Register High
Bit Field SSTR SIDLE SWHE SCHE SWHC STRPF ST13
PM
ST13
CM
Type wwwwwwww
A6HCCU6_PSLR Reset: 00H
Passive State Level Register
Bit Field PSL63 0PSL
Type rwh r rwh
A7HCCU6_MCMCTR Reset: 00H
Multi-Channel Mode Control Register
Bit Field 0SWSYN 0SWSEL
Type r rw rrw
FAHCCU6_TCTR2L Reset: 00H
Timer Control Register 2 Low
Bit Field 0T13TED T13TEC T13
SSC
T12
SSC
Type r rw rw rw rw
FBHCCU6_TCTR2H Reset: 00H
Timer Control Register 2 High
Bit Field 0T13RSEL T12RSEL
Type r rw rw
FCHCCU6_MODCTRL Reset: 00H
Modulation Control Register Low
Bit Field MC
MEN
0T12MODEN
Type rw r rw
FDHCCU6_MODCTRH Reset: 00H
Modulation Control Register High
Bit Field ECT13
O
0T13MODEN
Type rw r rw
FEHCCU6_TRPCTRL Reset: 00H
Trap Control Register Low
Bit Field 0TRPM2 TRPM1 TRPM0
Type r rw rw rw
Table 13 CCU6 Register Overview (cont’d)
AddrRegister Name Bit 76543210
@neon
Addr Register Name
Addr Register Name
XC866
Functional Description
Data Sheet 36 V1.2, 2007-10
The SSC SFRs can be accessed in the standard memory area (RMAP = 0).
FFHCCU6_TRPCTRH Reset: 00H
Trap Control Register High
Bit Field TRPPE
N
TRPEN
13
TRPEN
Type rw rw rw
RMAP = 0, Page 3
9AHCCU6_MCMOUTL Reset: 00H
Multi-Channel Mode Output Register
Low
Bit Field 0 R MCMP
Type r rh rh
9BHCCU6_MCMOUTH Reset: 00H
Multi-Channel Mode Output Register
High
Bit Field 0CURH EXPH
Type r rh rh
9CHCCU6_ISL Reset: 00H
Capture/Compare Interrupt Status
Register Low
Bit Field T12PM T12OM ICC62F ICC62
R
ICC61F ICC61
R
ICC60F ICC60
R
Type rh rh rh rh rh rh rh rh
9DHCCU6_ISH Reset: 00H
Capture/Compare Interrupt Status
Register High
Bit Field STR IDLE WHE CHE TRPS TRPF T13PM T13CM
Type rh rh rh rh rh rh rh rh
9EHCCU6_PISEL0L Reset: 00H
Port Input Select Register 0 Low
Bit Field ISTRP ISCC62 ISCC61 ISCC60
Type rw rw rw rw
9FHCCU6_PISEL0H Reset: 00H
Port Input Select Register 0 High
Bit Field IST12HR ISPOS2 ISPOS1 ISPOS0
Type rw rw rw rw
A4HCCU6_PISEL2 Reset: 00H
Port Input Select Register 2
Bit Field 0IST13HR
Type r rw
FAHCCU6_T12L Reset: 00H
Timer T12 Counter Register Low
Bit Field T12CVL
Type rwh
FBHCCU6_T12H Reset: 00H
Timer T12 Counter Register High
Bit Field T12CVH
Type rwh
FCHCCU6_T13L Reset: 00H
Timer T13 Counter Register Low
Bit Field T13CVL
Type rwh
FDHCCU6_T13H Reset: 00H
Timer T13 Counter Register High
Bit Field T13CVH
Type rwh
FEHCCU6_CMPSTATL Reset: 00H
Compare State Register Low
Bit Field 0CC63
ST
CCPO
S2
CCPO
S1
CCPO
S0
CC62
ST
CC61
ST
CC60
ST
Type r rhrhrhrh rh rh rh
FFHCCU6_CMPSTATH Reset: 00H
Compare State Register High
Bit Field T13IM COUT
63PS
COUT
62PS
CC62
PS
COUT
61PS
CC61
PS
COUT
60PS
CC60
PS
Type rwhrwhrwhrwhrwh rwh rwh rwh
Table 14 SSC Register Overview
AddrRegister Name Bit 76543210
RMAP = 0
A9HSSC_PISEL Reset: 00H
Port Input Select Register
Bit Field 0 CIS SIS MIS
Type r rw rw rw
AAHSSC_CONL Reset: 00H
Control Register Low
Programming Mode
Bit Field LB PO PH HB BM
Type rw rw rw rw rw
Operating Mode Bit Field 0BC
Type r rh
Table 13 CCU6 Register Overview (cont’d)
AddrRegister Name Bit 76543210
Inflneon
Addr Register Name
XC866
Functional Description
Data Sheet 37 V1.2, 2007-10
The OCDS SFRs can be accessed in the mapped memory area (RMAP = 1).
ABHSSC_CONH Reset: 00H
Control Register High
Programming Mode
Bit Field EN MS 0AREN BEN PEN REN TEN
Type rw rw r rw rw rw rw rw
Operating Mode Bit Field EN MS 0BSY BE PE RE TE
Type rw rw r rh rwh rwh rwh rwh
ACHSSC_TBL Reset: 00H
Transmitter Buffer Register Low
Bit Field TB_VALUE
Type rw
ADHSSC_RBL Reset: 00H
Receiver Buffer Register Low
Bit Field RB_VALUE
Type rh
AEHSSC_BRL Reset: 00H
Baudrate Timer Reload Register Low
Bit Field BR_VALUE[7:0]
Type rw
AFHSSC_BRH Reset: 00H
Baudrate Timer Reload Register High
Bit Field BR_VALUE[15:8]
Type rw
Table 15 OCDS Register Overview
AddrRegister Name Bit 76543210
RMAP = 1
E9HMMCR2 Reset: 0UH
Monitor Mode Control Register 2
Bit Field EXBC_
P
EXBC MBCO
N_P
MBCO
N
MMEP
_P
MMEP MMOD
E
JENA
Type w rw w rwh wrwh rh rh
F1HMMCR Reset: 00H
Monitor Mode Control Register
Bit Field MEXIT
_P
MEXIT MSTEP
_P
MSTEP MRAM
S_P
MRAM
S
TRF RRF
Type w rwh w rw wrwh rh rh
F2HMMSR Reset: 00H
Monitor Mode Status Register
Bit Field MBCA
M
MBCIN EXBF SWBF HWB3
F
HWB2
F
HWB1
F
HWB0
F
Type rw rh rwh rwh rwh rwh rwh rwh
F3HMMBPCR Reset: 00H
BreakPoints Control Register
Bit Field SWBC HWB3C HWB2C HWB1
C
HWB0C
Type rw rw rw rw rw
F4HMMICR Reset: 00H
Monitor Mode Interrupt Control Register
Bit Field DVECT DRETR 0MMUIE
_P
MMUIE RRIE_
P
RRIE
Type rwh rwh r wrw wrw
F5HMMDR Reset: 00H
Monitor Mode Data Register
Receive
Bit Field MMRR
Type rh
Transmit Bit Field MMTR
Type w
F6HHWBPSR Reset: 00H
Hardware Breakpoints Select Register
Bit Field 0BPSEL
_P
BPSEL
Type r w rw
F7HHWBPDR Reset: 00H
Hardware Breakpoints Data Register
Bit Field HWBPxx
Type rw
Table 14 SSC Register Overview
,/
Infineon
XC866
Functional Description
Data Sheet 38 V1.2, 2007-10
3.3 Flash Memory
The Flash memory provides an embedded user-programmable non-volatile memory,
allowing fast and reliable storage of user code and data. It is operated from a single 2.5 V
supply from the Embedded Voltage Regulator (EVR) and does not require additional
programming or erasing voltage. The sectorization of the Flash memory allows each
sector to be erased independently.
Features
• In-System Programming (ISP) via UART
• In-Application Programming (IAP)
• Error Correction Code (ECC) for dynamic correction of single-bit errors
• Background program and erase operations for CPU load minimization
• Support for aborting erase operation
• Minimum program width1) of 32-byte for D-Flash and 32-byte for P-Flash
• 1-sector minimum erase width
• 1-byte read access
• Flash is delivered in erased state (read all zeros)
• Operating supply voltage: 2.5 V ± 7.5 %
• Read access time: 3 × tCCLK = 112.5 ns2)
• Program time: 209440 / fSYS = 2.6 ms3)
• Erase time: 8175360 / fSYS =102 ms
3)
1) P-Flash: 32-byte wordline can only be programmed once, i.e., one gate disturb allowed.
D-Flash: 32-byte wordline can be programmed twice, i.e., two gate disturbs allowed.
2) fsys =80MHz±7.5% (fCCLK = 26.7 MHz ± 7.5 %) is the maximum frequency range for Flash read access.
3) fsys = 80 MHz ± 7.5% is the only frequency range for Flash programming and erasing. fsysmin is used for
obtaining the worst case timing.
Inflneon
ca”
2)
2)
XC866
Functional Description
Data Sheet 39 V1.2, 2007-10
Table 16 shows the Flash data retention and endurance targets.
3.3.1 Flash Bank Sectorization
The XC866 product family offers four Flash devices with either 8 Kbytes or 16 Kbytes of
embedded Flash memory. These Flash memory sizes are made up of two or four
4-Kbyte Flash banks, respectively. Each Flash device consists of Program Flash
(P-Flash) bank(s) and a single Data Flash (D-Flash) bank with different sectorization
shown in Figure 11. Both types can be used for code and data storage. The label “Data”
neither implies that the D-Flash is mapped to the data memory region, nor that it can only
be used for data storage. It is used to distinguish the different Flash bank sectorizations.
The XC866 ROM devices offer a single 4-Kbyte D-Flash bank.
Table 16 Flash Data Retention and Endurance (Operating Conditions apply)
Retention Endurance1)
1) One cycle refers to the programming of all wordlines in a sector and erasing of sector. The Flash endurance
data specified in Table 16 is valid only if the following conditions are fulfilled:
- the maximum number of erase cycles per Flash sector must not exceed 100,000 cycles.
- the maximum number of erase cycles per Flash bank must not exceed 300,000 cycles.
- the maximum number of program cycles per Flash bank must not exceed 2,500,000 cycles.
Size Remarks
Program Flash
20 years 1,000 cycles up to 16 Kbytes2)
2) If no Flash is used for data, the Program Flash size can be up to the maximum Flash size available in the
device variant. Having more Data Flash will mean less Flash is available for Program Flash.
for 16-Kbyte Variant
20 years 1,000 cycles up to 8 Kbytes2) for 8-Kbyte Variant
20 years 1,000 cycles up to 4 Kbytes2) for 4-Kbyte Variant
Data Flash
20 years 1,000 cycles 4 Kbytes
5 years 10,000 cycles 1 Kbyte
2 years 70,000 cycles 512 bytes
2 years 100,000 cycles 128 bytes
n/
Infineon
XC866
Functional Description
Data Sheet 40 V1.2, 2007-10
Figure 11 Flash Bank Sectorization
The internal structure of each Flash bank represents a sector architecture for flexible
erase capability. The minimum erase width is always a complete sector, and sectors can
be erased separately or in parallel. Contrary to standard EPROMs, erased Flash
memory cells contain 0s.
The D-Flash bank is divided into more physical sectors for extended erasing and
reprogramming capability; even numbers for each sector size are provided to allow
greater flexibility and the ability to adapt to a wide range of application requirements.
Sector 9: 128-byte
Sector 5: 256-byte
Sector 3: 512-byte
Sector 1: 1-Kbyte
Sector 0: 1-Kbyte
Sector 7: 128-byte
Sector 8: 128-byte
Sector 6: 128-byte
Sector 4: 256-byte
Sector 2: 512-byte
Sector 0: 3.75-Kbyte
P-Flash D-Flash
Sector 2: 128-byte
Sector 1: 128-byte
Inflneon
_1111
1m",
New;
fauna
uuuu H ‘,
XC866
Functional Description
Data Sheet 41 V1.2, 2007-10
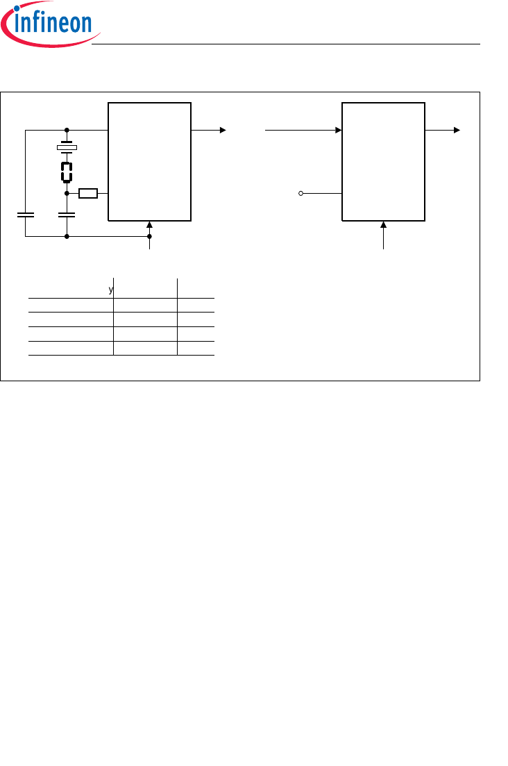
3.3.2 Flash Programming Width
For the P-Flash banks, a programmed wordline (WL) must be erased before it can be
reprogrammed as the Flash cells can only withstand one gate disturb. This means that
the entire sector containing the WL must be erased since it is impossible to erase a
single WL.
For the D-Flash bank, the same WL can be programmed twice before erasing is required
as the Flash cells are able to withstand two gate disturbs. Hence, it is possible to
program the same WL, for example, with 16 bytes of data in two times (see Figure 12).
Figure 12 D-Flash Programming
Note: When programming a D-Flash WL the second time, the previously programmed
Flash memory cells (whether 0s or 1s) should be reprogrammed with 0s to retain
its original contents and to prevent “over-programming”.
0000 ….. 0000
H
0000 ….. 0000
H
32 bytes (1 WL)
1111 ….. 1111
H
0000 ….. 0000
H
16 bytes 16 bytes
0000 ….. 0000
H
1111 ….. 1111
H
Flash memory cells 32-byte write buffers
1111 ….. 0000
H
1111 ….. 1111
H
0000 ….. 0000
H
1111 ….. 0000
H
Program 1
Program 2
Note: A Flash memory cell can be programmed
from 0 to 1, but not from 1 to 0.
Inflneon
XC866
Functional Description
Data Sheet 42 V1.2, 2007-10
3.4 Interrupt System
The XC800 Core supports one non-maskable interrupt (NMI) and 14 maskable interrupt
requests. In addition to the standard interrupt functions supported by the core, e.g.,
configurable interrupt priority and interrupt masking, the XC866 interrupt system
provides extended interrupt support capabilities such as the mapping of each interrupt
vector to several interrupt sources to increase the number of interrupt sources
supported, and additional status registers for detecting and determining the interrupt
source.
3.4.1 Interrupt Source
Figure 13 to Figure 17 give a general overview of the interrupt sources and illustrates
the request and control flags.
Figure 13 Non-Maskable Interrupt Request Sources
0073 H
NMIWDT
NMICON.0
WDT Overflow
>=1
Non
Maskable
Interrupt
NMIPLL
NMICON.1
PLL Loss of Lock
NMIFLASH
Flash Operation
Complete
NMIVDD
NMICON.4
VDD Pre-Warning
FNMIWDT
NMIISR.0
FNMIPLL
NMIISR.1
FNMIFLASH
NMIISR.2
FNMIVDD
NMIISR.4
NMIVDDP
NMICON.5
VDDP Pre-Warning FNMIVDDP
NMIISR.5
NMIECC
NMICON.6
Flash ECC Error FNMIECC
NMIISR.6
0/
Infineon
XC866
Functional Description
Data Sheet 43 V1.2, 2007-10
Figure 14 Interrupt Request Sources (Part 1)
Highest
Lowest
Priority Level
Bit-addressable
Request flag is cleared by hardware
000B H
ET0
IEN0.1
TF0
TCON.5
Timer 0
Overflow
001B H
ET1
IEN0.3
TF1
TCON.7
Timer 1
Overflow
IP.1/
IPH.1
IP.3/
IPH.3
0023 H
ES
IEN0.4 IP.4/
IPH.4
>=1
RI
SCON.0
TI
SCON.1
UART
Transmit
0003 H
EX0
IEN0.0
IE0
TCON.1
IP.0/
IPH.0
0013 HIP.2/
IPH.2
IT0
TCON.0
EX1
IEN0.2
IE1
TCON.3
IT1
TCON.2
IEN0.7
EA
P
o
l
l
i
n
g
S
e
q
u
e
n
c
e
UART
Receive
EXINT0
EXICON0.0/1
EINT0
EXINT1
EXICON0.2/3
EINT1
EXINT0
IRCON0.0
EXINT1
IRCON0.1
Infineon
XC866
Functional Description
Data Sheet 44 V1.2, 2007-10
Figure 15 Interrupt Request Sources (Part 2)
Bit-addressable
Request flag is cleared by hardware
Highest
Lowest
Priority Level
Bit-addressable
Request flag is cleared by hardware
0043 H
EX2
IEN1.2 IP1.2/
IPH1.2
EXINT2
EXICON0.4/5
EXINT2
IRCON0.2
EINT2
002B H
ET2
IEN0.5 IP.5/
IPH.5
>=1
TF2
EXF2
Timer 2
Overflow
EXEN2
T2EX
IEN0.7
EA
004B H
EXM
IEN1.3 IP1.3/
IPH1.3
>=1
P
o
l
l
i
n
g
S
e
q
u
e
n
c
e
EXINT5
EXICON1.2/3
EXINT5
IRCO N0.5
EINT5
EXINT4
EXICON1.0/1
EXINT4
IRCO N0.4
EINT4
EXINT3
EXICON0.6/7
EXINT3
IRCO N0.3
EINT3
EXINT6
EXICON1.4/5
EXINT6
IRCO N0.6
EINT6
EDGES
EL
T2MOD.5 NDOV
FDCON.2
Normal Divider
Overf low
FDCON.6
EOFSYN
FDCON.4
End of
Synch Byte
ERRSYN
Synch Byte
Error
SYNEN
>=1
FDCON.5
T2_T2CON.7
T2_T2CON.6
T2_T2CON.3
FDCON.6
Inflneon
XC866
Functional Description
Data Sheet 45 V1.2, 2007-10
Figure 16 Interrupt Request Sources (Part 3)
IEN0.7
Highest
Lowest
Priority Level
Bit-addressable
Request flag is cleared by hardware
003B H
ESSC
IEN1.1 IP1.1/
IPH1.1
>=1TIR
IRCON1.1
RIR
IRCON1.2
EIR
IRCON1.0
SSC Error
SSC Transmit
SSC Receive
0033 H
EADC
IEN1.0 IP1.0/
IPH1.0
>=1
ADCSRC0
IRCON1.3
ADC Service
Request 0
ADC Service
Request 1 ADCSRC1
IRCON1.4
P
o
l
l
i
n
g
S
e
q
u
e
n
c
e
EA
0053 H
CCU6 Node 0
IP1.4/
IPH1.4
005B H
CCU6 Node 1
IP1.5/
IPH1.5
0063 H
CCU6 Node 2
IP1.6/
IPH1.6
006B H
CCU6 Node 3
IP1.7/
IPH1.7
ECCIP0
IEN1.4
ECCIP1
IEN1.5
ECCIP2
IEN1.6
ECCIP3
IEN1.7
CCU6SR0
IRCON3.0
CCU6SR1
IRCON3.4
CCU6SR2
IRCON4.0
CCU6SR3
IRCON4.4
Inflneon
XC866
Functional Description
Data Sheet 46 V1.2, 2007-10
Figure 17 Interrupt Request Sources (Part 4)
CCU6 Interrupt node
0
CCU6 Interrupt node
1
CCU6 Interrupt node
2
CCU6 Interrupt node
3
>=1
CC60 ENCC60R
IENL.0
ICC60R
ISL.0
ENCC60F
IENL.1
ICC60F
ISL.1 INPL.1 INPL.0
>=1
CC61 ENCC61R
IENL.2
ICC61R
ISL.2
ENCC61F
IENL.3
ICC61F
ISL.3 INPL.3 INPL.2
>=1
CC62 ENCC62R
IENL.4
ICC62R
ISL.4
ENCC62F
IENL.5
ICC62F
ISL.5 INPL.5 INPL.4
>=1
ENT12OM
IENL.6
T12OM
ISL.6
ENT12PM
IENL.7
T12PM
ISL.7 INPH.3 INPH.2
>=1
ENT13CM
IENH.0
T13CM
ISH.0
ENT13PM
IENH.1
T13PM
ISH.1 INPH.5 INPH.4
>=1
ENTRPF
IENH.2
TRPF
ISH.2
ENWHE
IENH.5
WHE
ISH.5 INPH.1 INPH.0
T12
One match
T12
Period match
T13
Compare match
T13
Period match
CTRAP
Wrong Hall
Event
INPL.7 INPL.6
ENCHE
IENH.4
CHE
ISH.4
Correct Hall
Event
>=1
ENSTR
IENH.7
STR
ISH.7
Multi-Channel
Shadow
Transfer
n/
Infineon
XC866
Functional Description
Data Sheet 47 V1.2, 2007-10
3.4.2 Interrupt Source and Vector
Each interrupt source has an associated interrupt vector address. This vector is
accessed to service the corresponding interrupt source request. The interrupt service of
each interrupt source can be individually enabled or disabled via an enable bit. The
assignment of the XC866 interrupt sources to the interrupt vector addresses and the
corresponding interrupt source enable bits are summarized in Table 17.
Table 17 Interrupt Vector Addresses
Interrupt
Source
Vector
Address
Assignment for XC866 Enable Bit SFR
NMI 0073HWatchdog Timer NMI NMIWDT NMICON
PLL NMI NMIPLL
Flash NMI NMIFLASH
VDDC Prewarning NMI NMIVDD
VDDP Prewarning NMI NMIVDDP
Flash ECC NMI NMIECC
XINTR0 0003HExternal Interrupt 0 EX0 IEN0
XINTR1 000BHTimer 0 ET0
XINTR2 0013HExternal Interrupt 1 EX1
XINTR3 001BHTimer 1 ET1
XINTR4 0023HUART ES
XINTR5 002BHT2 ET2
Fractional Divider
(Normal Divider Overflow)
LIN
n/
Infineon
XC866
Functional Description
Data Sheet 48 V1.2, 2007-10
XINTR6 0033HADC EADC IEN1
XINTR7 003BHSSC ESSC
XINTR8 0043HExternal Interrupt 2 EX2
XINTR9 004BHExternal Interrupt 3 EXM
External Interrupt 4
External Interrupt 5
External Interrupt 6
XINTR10 0053HCCU6 INP0 ECCIP0
XINTR11 005BHCCU6 INP1 ECCIP1
XINTR12 0063HCCU6 INP2 ECCIP2
XINTR13 006BHCCU6 INP3 ECCIP3
Table 17 Interrupt Vector Addresses (cont’d)
n/
Infineon
XC866
Functional Description
Data Sheet 49 V1.2, 2007-10
3.4.3 Interrupt Priority
Each interrupt source, except for NMI, can be individually programmed to one of the four
possible priority levels. The NMI has the highest priority and supersedes all other
interrupts. Two pairs of interrupt priority registers (IP and IPH, IP1 and IPH1) are
available to program the priority level of each non-NMI interrupt vector.
A low-priority interrupt can be interrupted by a high-priority interrupt, but not by another
interrupt of the same or lower priority. Further, an interrupt of the highest priority cannot
be interrupted by any other interrupt source.
If two or more requests of different priority levels are received simultaneously, the
request of the highest priority is serviced first. If requests of the same priority are
received simultaneously, then an internal polling sequence determines which request is
serviced first. Thus, within each priority level, there is a second priority structure
determined by the polling sequence shown in Table 18.
Table 18 Priority Structure within Interrupt Level
Source Level
Non-Maskable Interrupt (NMI) (highest)
External Interrupt 0 1
Timer 0 Interrupt 2
External Interrupt 1 3
Timer 1 Interrupt 4
UART Interrupt 5
Timer 2,Fractional Divider, LIN Interrupts 6
ADC Interrupt 7
SSC Interrupt 8
External Interrupt 2 9
External Interrupt [6:3] 10
CCU6 Interrupt Node Pointer 0 11
CCU6 Interrupt Node Pointer 1 12
CCU6 Interrupt Node Pointer 2 13
CCU6 Interrupt Node Pointer 3 14
,/
Infineon
XC866
Functional Description
Data Sheet 50 V1.2, 2007-10
3.5 Parallel Ports
The XC866 has 27 port pins organized into four parallel ports, Port 0 (P0) to Port 3 (P3).
Each pin has a pair of internal pull-up and pull-down devices that can be individually
enabled or disabled. Ports P0, P1 and P3 are bidirectional and can be used as general
purpose input/output (GPIO) or to perform alternate input/output functions for the on-chip
peripherals. When configured as an output, the open drain mode can be selected. Port
P2 is an input-only port, providing general purpose input functions, alternate input
functions for the on-chip peripherals, and also analog inputs for the Analog-to-Digital
Converter (ADC).
Bidirectional Port Features:
• Configurable pin direction
• Configurable pull-up/pull-down devices
• Configurable open drain mode
• Transfer of data through digital inputs and outputs (general purpose I/O)
• Alternate input/output for on-chip peripherals
Input Port Features:
• Configurable input driver
• Configurable pull-up/pull-down devices
• Receive of data through digital input (general purpose input)
• Alternate input for on-chip peripherals
• Analog input for ADC module
infineon
§k
W
XC866
Functional Description
Data Sheet 51 V1.2, 2007-10
Figure 18 General Structure of Bidirectional Port
Px_OD
Open Drain
Control Register
Px_Data
Data Register
Internal Bus
AltDataOut 2
Px_ALTSEL0
Alternate Select
Register 0
Px_ALTSEL1
Alternate Select
Register 1
AltDataIn
Pin
Px_PUDEN
Pull-up/Pull-down
Enable Register
Px_PUDSEL
Pull-up/Pull-down
Select Register
AltDataOut1
Pad
Out
In
Output
Driver
Input
Driver
00
Schmitt Trigger
enable
enable
Pull
Up
Device
Pull
Down
Device
VDDP
enable
enable
Px_DIR
Direction Register
01
10
AltDataOut 3
11
0/
Infineon
,T
‘ {I
v.9
a?
XC866
Functional Description
Data Sheet 52 V1.2, 2007-10
Figure 19 General Structure of Input Port
Px_ DATA
Data Register
Internal Bus
AltDataIn
Px_PUDEN
Pull-up/Pull-down
Enable Regist er
Px_PUDSEL
Pull-up/Pull-down
Select Register
In
Input
Dri ver
Schmitt Trigger
AnalogIn
Px_DIR
Direct ion Regist er
Pad
Pull
Up
Device
Pull
Down
Device
VDDP
enable
enable
enable
Pin
Infineon
XC866
Functional Description
Data Sheet 53 V1.2, 2007-10
3.6 Power Supply System with Embedded Voltage Regulator
The XC866 microcontroller requires two different levels of power supply:
• 3.3 V or 5.0 V for the Embedded Voltage Regulator (EVR) and Ports
• 2.5 V for the core, memory, on-chip oscillator, and peripherals
Figure 20 shows the XC866 power supply system. A power supply of 3.3 V or 5.0 V
must be provided from the external power supply pin. The 2.5 V power supply for the
logic is generated by the EVR. The EVR helps to reduce the power consumption of the
whole chip and the complexity of the application board design.
The EVR consists of a main voltage regulator and a low power voltage regulator. In
active mode, both voltage regulators are enabled. In power-down mode, the main
voltage regulator is switched off, while the low power voltage regulator continues to
function and provide power supply to the system with low power consumption.
Figure 20 XC866 Power Supply System
EVR Features:
• Input voltage (VDDP): 3.3 V/5.0 V
• Output voltage (VDDC): 2.5 V ± 7.5%
• Low power voltage regulator provided in power-down mode
•VDDC and VDDP prewarning detection
•VDDC brownout detection
On-chip
OSC
CPU &
Memory
V
DDC
(2.5V)
V
DDP
(3.3V/5.0V)
V
SSP
GPIO
Ports
(P0-P3)
EVR
Peripheral
logic
FLASH
ADC
PLL
XTAL 1&
XTAL 2
/
infineon
XC866
Functional Description
Data Sheet 54 V1.2, 2007-10
3.7 Reset Control
The XC866 has five types of reset: power-on reset, hardware reset, watchdog timer
reset, power-down wake-up reset, and brownout reset.
When the XC866 is first powered up, the status of certain pins (see Table 20) must be
defined to ensure proper start operation of the device. At the end of a reset sequence,
the sampled values are latched to select the desired boot option, which cannot be
modified until the next power-on reset or hardware reset. This guarantees stable
conditions during the normal operation of the device.
In order to power up the system properly, the external reset pin RESET must be asserted
until VDDC reaches 0.9*VDDC. The delay of external reset can be realized by an external
capacitor at RESET pin. This capacitor value must be selected so that VRESET reaches
0.4 V, but not before VDDC reaches 0.9* VDDC.
A typical application example is shown in Figure 21. VDDP capacitor value is 300 nF.
VDDC capacitor value is 220 nF. The capacitor connected to RESET pin is 100 nF.
Typically, the time taken for VDDC to reach 0.9*VDDC is less than 50 µs once VDDP
reaches 2.3V. Hence, based on the condition that 10% to 90% VDDP (slew rate) is less
than 500 µs, the RESET pin should be held low for 500 µs typically. See Figure 22.
Figure 21 Reset Circuitry
VSSP VDDP VDDC VSSC
3.3V/5V
RESET
EVR
e.g. 300nF 220nF
typ.
100nF
XC866
30k
\
@ineon
XC866
Functional Description
Data Sheet 55 V1.2, 2007-10
Figure 22 VDDP, VDDC and VRESET during Power-on Reset
The second type of reset in XC866 is the hardware reset. This reset function can be used
during normal operation or when the chip is in power-down mode. A reset input pin
RESET is provided for the hardware reset. To ensure the recognition of the hardware
reset, pin RESET must be held low for at least 100 ns.
The Watchdog Timer (WDT) module is also capable of resetting the device if it detects
a malfunction in the system.
Another type of reset that needs to be detected is a reset while the device is in
power-down mode (wake-up reset). While the contents of the static RAM are undefined
after a power-on reset, they are well defined after a wake-up reset from power-down
mode.
VDDP
RESET wit
h
capacitor
2.3V VDDC
< 0.4V
0.9*VDDC
0V
5V
5V
2.5V
Voltage
Voltage
Time
Time
typ. < 50 us
Inflneon
e”
XC866
Functional Description
Data Sheet 56 V1.2, 2007-10
3.7.1 Module Reset Behavior
Table 19 shows how the functions of the XC866 are affected by the various reset types.
A “ ” means that this function is reset to its default state.
3.7.2 Booting Scheme
When the XC866 is reset, it must identify the type of configuration with which to start the
different modes once the reset sequence is complete. Thus, boot configuration
information that is required for activation of special modes and conditions needs to be
applied by the external world through input pins. After power-on reset or hardware reset,
the pins MBC, TMS and P0.0 collectively select the different boot options. Table 20
shows the available boot options in the XC866.
Table 19 Effect of Reset on Device Functions
Module/
Function
Wake-Up
Reset
Watchdog
Reset
Hardware
Reset
Power-On
Reset
Brownout
Reset
CPU Core
Peripherals
On-Chip
Static RAM
Not affected,
reliable
Not affected,
reliable
Not affected,
reliable
Affected, un-
reliable
Affected, un-
reliable
Oscillator,
PLL
Not affected
Port Pins
EVR The voltage
regulator is
switched on
Not affected
FLASH
NMI Disabled Disabled
Table 20 XC866 Boot Selection
MBC TMS P0.0 Type of Mode PC Start Value
1 0 x User Mode; on-chip OSC/PLL non-bypassed 0000H
0 0 x BSL Mode; on-chip OSC/PLL non-bypassed 0000H
010 OCDS Mode
1); on-chip OSC/PLL non-
bypassed
1) The OCDS mode is not accessible if Flash is protected.
0000H
1 1 0 Standalone User (JTAG) Mode2); on-chip
OSC/PLL non-bypassed (normal)
2) Normal user mode with standard JTAG (TCK,TDI,TDO) pins for hot-attach purpose.
0000H
0/
Infineon
DE
XC866
Functional Description
Data Sheet 57 V1.2, 2007-10
3.8 Clock Generation Unit
The Clock Generation Unit (CGU) allows great flexibility in the clock generation for the
XC866. The power consumption is indirectly proportional to the frequency, whereas the
performance of the microcontroller is directly proportional to the frequency. During user
program execution, the frequency can be programmed for an optimal ratio between
performance and power consumption. Therefore the power consumption can be
adapted to the actual application state.
Features:
• Phase-Locked Loop (PLL) for multiplying clock source by different factors
• PLL Base Mode
• Prescaler Mode
• PLL Mode
• Power-down mode support
The CGU consists of an oscillator circuit and a PLL.In the XC866, the oscillator can be
from either of these two sources: the on-chip oscillator (10 MHz) or the external oscillator
(4 MHz to 12 MHz). The term “oscillator” is used to refer to both on-chip oscillator and
external oscillator, unless otherwise stated. After the reset, the on-chip oscillator will be
used by default.The external oscillator can be selected via software. In addition, the PLL
provides a fail-safe logic to perform oscillator run and loss-of-lock detection. This allows
emergency routines to be executed for system recovery or to perform system shut down.
Figure 23 CGU Block Diagram
PLL
core
lock
detect
N:1
P:1
fvco
fn
fp
osc fail
detect
OSC fosc
K:1
fsys
NDIV
OSCR
LOCK
VCOBYP
1
0
OSCDISC
n/
Infineon
XC866
Functional Description
Data Sheet 58 V1.2, 2007-10
The clock system provides three ways to generate the system clock:
PLL Base Mode
The system clock is derived from the VCO base (free running) frequency clock divided
by the K factor.
Prescaler Mode (VCO Bypass Operation)
In VCO bypass operation, the system clock is derived from the oscillator clock, divided
by the P and K factors.
PLL Mode
The system clock is derived from the oscillator clock, multiplied by the N factor, and
divided by the P and K factors. Both VCO bypass and PLL bypass must be inactive for
this PLL mode. The PLL mode is used during normal system operation. .
Table 3-1 shows the settings of bits OSCDISC and VCOBYP for different clock mode
selection.
Note: When oscillator clock is disconnected from PLL, the clock mode is PLL Base mode
regardless of the setting of VCOBYP bit.
System Frequency Selection
For the XC866, the values of P and K are fixed to “1” and “2”, respectively. In order to
obtain the required system frequency, fsys, the value of N can be selected by bit NDIV
for different oscillator inputs. Table 21 provides examples on how fsys = 80 MHz can be
obtained for the different oscillator sources.
Table 3-1 Clock Mode Selection
OSCDISC VCOBYP Clock Working Modes
0 0 PLL Mode
01Prescaler Mode
1 0 PLL Base Mode
1 1 PLL Base Mode
fSYS fVCObase
1
K
----
×=
fSYS fOSC
1
PK×
-------------
×=
fSYS fOSC
N
PK×
-------------
×=
n/
Infineon
XC866
Functional Description
Data Sheet 59 V1.2, 2007-10
Table 22 shows the VCO range for the XC866.
3.8.1 Recommended External Oscillator Circuits
The oscillator circuit, a Pierce oscillator, is designed to work with both, an external crystal
oscillator or an external stable clock source. It basically consists of an inverting amplifier
and a feedback element with XTAL1 as input, and XTAL2 as output.
When using a crystal, a proper external oscillator circuitry must be connected to both
pins, XTAL1 and XTAL2. The crystal frequency can be within the range of 4 MHz
to 12 MHz. Additionally, it is necessary to have two load capacitances CX1 and CX2, and
depending on the crystal type, a series resistor RX2, to limit the current. A test resistor
RQ may be temporarily inserted to measure the oscillation allowance (negative
resistance) of the oscillator circuitry. RQ values are typically specified by the crystal
vendor. The CX1 and CX2 values shown in Figure 24 can be used as starting points for
the negative resistance evaluation and for non-productive systems. The exact values
and related operating range are dependent on the crystal frequency and have to be
determined and optimized together with the crystal vendor using the negative resistance
method. Oscillation measurement with the final target system is strongly recommended
to verify the input amplitude at XTAL1 and to determine the actual oscillation allowance
(margin negative resistance) for the oscillator-crystal system.
When using an external clock signal, the signal must be connected to XTAL1. XTAL2 is
left open (unconnected).
The oscillator can also be used in combination with a ceramic resonator. The final
circuitry must also be verified by the resonator vendor.
Figure 24 shows the recommended external oscillator circuitries for both operating
modes, external crystal mode and external input clock mode.
Table 21 System frequency (fsys =80MHz)
Oscillator fosc N P K fsys
On-chip 10 MHz 16 1 2 80 MHz
External 10 MHz 16 1 2 80 MHz
8 MHz 20 1 2 80 MHz
5 MHz 32 1 2 80 MHz
Table 22 VCO Range
fVCOmin fVCOmax fVCOFREEmin fVCOFREEmax Unit
150 200 20 80 MHz
100 150 10 80 MHz
n/
Infineon
En
L,
XC866
Functional Description
Data Sheet 60 V1.2, 2007-10
Figure 24 External Oscillator Circuitries
Note: For crystal operation, it is strongly recommended to measure the negative
resistance in the final target system (layout) to determine the optimum parameters
for the oscillator operation. Please refer to the minimum and maximum values of
the negative resistance specified by the crystal supplier.
Clock_EXOSC
XC866
Oscillator
V
SS
C
X1
4 - 12
MHz
C
X2
XTAL1
XTAL2
XC866
Oscillator
XTAL1
XTAL2
External Clock
Signal
f
OSC
f
OSC
Fundamental
Mode Crystal
Crystal Frequency C
X1
, C
X2
1)
4 MHz
8 MHz
10 MHz
12 MHz 12 pF
15 pF
18 pF
33 pF
1) Note that these are evaluation start values!
R
X2
1)
0
0
0
0
R
X2
R
Q
V
SS
0/
Infineon
XC866
Functional Description
Data Sheet 61 V1.2, 2007-10
3.8.2 Clock Management
The CGU generates all clock signals required within the microcontroller from a single
clock, fsys. During normal system operation, the typical frequencies of the different
modules are as follow:
• CPU clock: CCLK, SCLK = 26.7 MHz
• CCU6 clock: FCLK = 26.7 MHz
• Other peripherals: PCLK = 26.7 MHz
• Flash Interface clock: CCLK3 = 80 MHz and CCLK = 26.7 MHz
In addition, different clock frequency can output to pin CLKOUT(P0.0). The clock output
frequency can further be divided by 2 using toggle latch (bit TLEN is set to 1), the
resulting output frequency has 50% duty cycle. Figure 25 shows the clock distribution of
the XC866.
Figure 25 Clock Generation from fsys
PLL
N,P,K
fsys
CLKREL
FCLK
CCLK
SCLK
PCLK
/3
CCU6
CORE
Peripherals
OSC
fosc
FLASH
Interface
CCLK3
CLKOUT
COREL
COUTS
Toggle
Latch
TLEN
0/
Infineon
XC866
Functional Description
Data Sheet 62 V1.2, 2007-10
For power saving purposes, the clocks may be disabled or slowed down according to
Table 23.
Table 23 System frequency (fsys =80MHz)
Power Saving Mode Action
Idle Clock to the CPU is disabled.
Slow-down Clocks to the CPU and all the peripherals, including CCU6, are
divided by a common programmable factor defined by bit field
CMCON.CLKREL.
Power-down Oscillator and PLL are switched off.
Inflneon
XC866
Functional Description
Data Sheet 63 V1.2, 2007-10
3.9 Power Saving Modes
The power saving modes of the XC866 provide flexible power consumption through a
combination of techniques, including:
• Stopping the CPU clock
• Stopping the clocks of individual system components
• Reducing clock speed of some peripheral components
• Power-down of the entire system with fast restart capability
After a reset, the active mode (normal operating mode) is selected by default (see
Figure 26) and the system runs in the main system clock frequency. From active mode,
different power saving modes can be selected by software. They are:
• Idle mode
• Slow-down mode
• Power-down mode
Figure 26 Transition between Power Saving Modes
POWER-DOWN
IDLE
ACTIVE
SLOW-DOWN
set PD
bit
set PD
bit
set IDLE
bit
set IDLE
bit
set SD
bit
clear SD
bit
any interrupt
& SD=0
EXINT0/RXD pin
& SD=0
EXINT0/RXD pin
& SD=1
any interrupt
& SD=1
0/
Infineon
W;
XC866
Functional Description
Data Sheet 64 V1.2, 2007-10
3.10 Watchdog Timer
The Watchdog Timer (WDT) provides a highly reliable and secure way to detect and
recover from software or hardware failures. The WDT is reset at a regular interval that is
predefined by the user. The CPU must service the WDT within this interval to prevent the
WDT from causing an XC866 system reset. Hence, routine service of the WDT confirms
that the system is functioning properly. This ensures that an accidental malfunction of
the XC866 will be aborted in a user-specified time period. In debug mode, the WDT is
suspended and stops counting. Therefore, there is no need to refresh the WDT during
debugging.
Features:
• 16-bit Watchdog Timer
• Programmable reload value for upper 8 bits of timer
• Programmable window boundary
• Selectable input frequency of fPCLK/2 or fPCLK/128
• Time-out detection with NMI generation and reset prewarning activation (after which
a system reset will be performed)
The WDT is a 16-bit timer incremented by a count rate of fPCLK/2 or fPCLK/128. This
16-bit timer is realized as two concatenated 8-bit timers. The upper 8 bits of the WDT
can be preset to a user-programmable value via a watchdog service access in order to
modify the watchdog expire time period. The lower 8 bits are reset on each service
access. Figure 27 shows the block diagram of the WDT unit.
Figure 27 WDT Block Diagram
WDTREL
MUX
WDT Low Byte
1:2 Clear
WDT
Control
1:128
WDT High Byte
WDTTO
WDTIN
f
PCLK
Logic
ENWDT
ENWDT_P
WDTRS
T
Overflow/Time-out Control &
Window-boundary control
WDTWINB
@ineon
XC866
Functional Description
Data Sheet 65 V1.2, 2007-10
If the WDT is not serviced before the timer overflow, a system malfunction is assumed.
As a result, the WDT NMI is triggered (assert WDTTO) and the reset prewarning is
entered. The prewarning period lasts for 30H count, after which the system is reset
(assert WDTRST).
The WDT has a “programmable window boundary” which disallows any refresh during
the WDT’s count-up. A refresh during this window boundary constitutes an invalid
access to the WDT, causing the reset prewarning to be entered but without triggering the
WDT NMI. The system will still be reset after the prewarning period is over. The window
boundary is from 0000H to the value obtained from the concatenation of WDTWINB and
00H.
After being serviced, the WDT continues counting up from the value (<WDTREL> * 28).
The time period for an overflow of the WDT is programmable in two ways:
• the input frequency to the WDT can be selected to be either fPCLK/2 or fPCLK/128
• the reload value WDTREL for the high byte of WDT can be programmed in register
WDTREL
The period, PWDT, between servicing the WDT and the next overflow can be determined
by the following formula:
If the Window-Boundary Refresh feature of the WDT is enabled, the period PWDT
between servicing the WDT and the next overflow is shortened if WDTWINB is greater
than WDTREL, see Figure 28. This period can be calculated using the same formula by
replacing WDTREL with WDTWINB. For this feature to be useful, WDTWINB should not
be smaller than WDTREL.
Figure 28 WDT Timing Diagram
PWDT
21WDTIN+6×()
216 WDTREL–2
8
×()×
fPCLK
------------------------------------------------------------------------------------------------------=
WDTREL
WDTWINB
time
Count
FFFF
H
No refresh
allowed Refresh allowed
n/
Infineon
XC866
Functional Description
Data Sheet 66 V1.2, 2007-10
Table 24 lists the possible watchdog time range that can be achieved for different
module clock frequencies . Some numbers are rounded to 3 significant digits.
Table 24 Watchdog Time Ranges
Reload value
in WDTREL
Prescaler for fPCLK
2 (WDTIN = 0) 128 (WDTIN = 1)
26.7 MHz 26.7 MHz
FFH19.2 µs1.23 ms
7FH2.48 ms 159 ms
00H4.92 ms 315 ms
n/
Infineon
XC866
Functional Description
Data Sheet 67 V1.2, 2007-10
3.11 Universal Asynchronous Receiver/Transmitter
The Universal Asynchronous Receiver/Transmitter (UART) provides a full-duplex
asynchronous receiver/transmitter, i.e., it can transmit and receive simultaneously. It is
also receive-buffered, i.e., it can commence reception of a second byte before a
previously received byte has been read from the receive register. However, if the first
byte still has not been read by the time reception of the second byte is complete, one of
the bytes will be lost.
Features:
• Full-duplex asynchronous modes
– 8-bit or 9-bit data frames, LSB first
– fixed or variable baud rate
• Receive buffered
• Multiprocessor communication
• Interrupt generation on the completion of a data transmission or reception
The UART can operate in the four modes as shown in Table 25. Data is transmitted on
TXD and received on RXD.
There are several ways to generate the baud rate clock for the serial port, depending on
the mode in which it is operating. In mode 0, the baud rate for the transfer is fixed at
fPCLK/2. In mode 2, the baud rate is generated internally based on the UART input clock
and can be configured to either fPCLK/32 or fPCLK/64. The variable baud rate is set by
either the underflow rate on the dedicated baud-rate generator, or by the overflow rate
on Timer 1.
Table 25 UART Modes
Operating Mode Baud Rate
Mode 0: 8-bit shift register fPCLK/2
Mode 1: 8-bit shift UART Variable
Mode 2: 9-bit shift UART fPCLK/32 or fPCLK/64
Mode 3: 9-bit shift UART Variable
0/
Infineon
|:F
|:F
D
XC866
Functional Description
Data Sheet 68 V1.2, 2007-10
3.11.1 Baud-Rate Generator
The baud-rate generator is based on a programmable 8-bit reload value, and includes
divider stages (i.e., prescaler and fractional divider) for generating a wide range of baud
rates based on its input clock fPCLK, see Figure 29.
Figure 29 Baud-rate Generator Circuitry
The baud rate timer is a count-down timer and is clocked by either the output of the
fractional divider (fMOD) if the fractional divider is enabled (FDCON.FDEN = 1), or the
output of the prescaler (fDIV) if the fractional divider is disabled (FDEN = 0). For baud rate
generation, the fractional divider must be configured to fractional divider mode
(FDCON.FDM = 0). This allows the baud rate control run bit BCON.R to be used to start
or stop the baud rate timer. At each timer underflow, the timer is reloaded with the 8-bit
reload value in register BG and one clock pulse is generated for the serial channel.
Enabling the fractional divider in normal divider mode (FDEN = 1 and FDM = 1) stops the
baud rate timer and nullifies the effect of bit BCON.R. See Section 3.12.
The baud rate (fBR) value is dependent on the following parameters:
• Input clock fPCLK
• Prescaling factor (2BRPRE) defined by bit field BRPRE in register BCON
• Fractional divider (STEP/256) defined by register FDSTEP
(to be considered only if fractional divider is enabled and operating in fractional divider
mode)
FDSTEP
1
FDM
Adder
FDRES
FDEN&FDM
clk
Fractional Divider
Prescaler
NDOV
‘0’
FDEN
00
01
10
11
11
10
01
00
01
(overflow)
0
f
BR
8-Bit Baud Rate Timer
8-Bit Reload Value
R
0
1
f
DIV
f
DIV
f
PCL K
f
MOD
n/
Infineon
XC866
Functional Description
Data Sheet 69 V1.2, 2007-10
• 8-bit reload value (BR_VALUE) for the baud rate timer defined by register BG
The following formulas calculate the final baud rate without and with the fractional divider
respectively:
The maximum baud rate that can be generated is limited to fPCLK/32. Hence, for a module
clock of 26.7 MHz, the maximum achievable baud rate is 0.83 MBaud.
Standard LIN protocal can support a maximum baud rate of 20kHz, the baud rate
accuracy is not critical and the fractional divider can be disabled. Only the prescaler is
used for auto baud rate calculation. For LIN fast mode, which supports the baud rate of
20kHz to 115.2kHz, the higher baud rates require the use of the fractional divider for
greater accuracy.
Table 26 lists the various commonly used baud rates with their corresponding parameter
settings and deviation errors. The fractional divider is disabled and a module clock of
26.7 MHz is used.
The fractional divider allows baud rates of higher accuracy (lower deviation error) to be
generated. Table 27 lists the resulting deviation errors from generating a baud rate of
Table 26 Typical Baud rates for UART with Fractional Divider disabled
Baud rate Prescaling Factor
(2BRPRE)
Reload Value
(BR_VALUE + 1)
Deviation Error
19.2 kBaud 1 (BRPRE=000B) 87 (57H) -0.22 %
9600 Baud 1 (BRPRE=000B)174 (AE
H) -0.22 %
4800 Baud 2 (BRPRE=001B)174 (AE
H) -0.22 %
2400 Baud 4 (BRPRE=010B)174 (AE
H) -0.22 %
baud rate fPCLK
16 2BRPRE BR_VALUE 1+()××
----------------------------------------------------------------------------------- where 2BRPRE BR_VALUE 1+()1>×=
baud rate fPCLK
16 2BRPRE BR_VALUE 1+()××
----------------------------------------------------------------------------------- STEP
256
---------------
×=
n/
Infineon
XC866
Functional Description
Data Sheet 70 V1.2, 2007-10
115.2 kHz, using different module clock frequencies. The fractional divider is enabled
(fractional divider mode) and the corresponding parameter settings are shown.
Table 27 Deviation Error for UART with Fractional Divider enabled
fPCLK Prescaling Factor
(2BRPRE)
Reload Value
(BR_VALUE + 1)
STEP Deviation
Error
26.67 MHz 1 10 (AH) 177 (B1H) +0.03 %
13.33 MHz 1 7 (7H)248 (F8
H) +0.11 %
6.67 MHz 1 3 (3H)212 (D4
H) -0.16 %
,/
Infineon
XC866
Functional Description
Data Sheet 71 V1.2, 2007-10
3.11.2 Baud Rate Generation using Timer 1
In UART modes 1 and 3, Timer 1 can be used for generating the variable baud rates. In
theory, this timer could be used in any of its modes. But in practice, it should be set into
auto-reload mode (Timer 1 mode 2), with its high byte set to the appropriate value for the
required baud rate. The baud rate is determined by the Timer 1 overflow rate and the
value of SMOD as follows:
[3.1]
3.12 Normal Divider Mode (8-bit Auto-reload Timer)
Setting bit FDM in register FDCON to 1 configures the fractional divider to normal divider
mode, while at the same time disables baud rate generation (see Figure 29). Once the
fractional divider is enabled (FDEN = 1), it functions as an 8-bit auto-reload timer (with
no relation to baud rate generation) and counts up from the reload value with each input
clock pulse. Bit field RESULT in register FDRES represents the timer value, while bit
field STEP in register FDSTEP defines the reload value. At each timer overflow, an
overflow flag (FDCON.NDOV) will be set and an interrupt request generated. This gives
an output clock fMOD that is 1/n of the input clock fDIV, where n is defined by 256 - STEP.
The output frequency in normal divider mode is derived as follows:
[3.2]
Mode 1, 3 baud rate 2SMOD fPCLK
×
32 2 256 TH1–()××
-----------------------------------------------------=
fMOD fDIV
1
256 STEP–
------------------------------
×=
0/
Infineon
ifl/WWW
fihmfimfl
XC866
Functional Description
Data Sheet 72 V1.2, 2007-10
3.13 LIN Protocol
The UART can be used to support the Local Interconnect Network (LIN) protocol for both
master and slave operations. The LIN baud rate detection feature provides the capability
to detect the baud rate within LIN protocol using Timer 2. This allows the UART to be
synchronized to the LIN baud rate for data transmission and reception.
LIN is a holistic communication concept for local interconnected networks in vehicles.
The communication is based on the SCI (UART) data format, a single-master/multiple-
slave concept, a clock synchronization for nodes without stabilized time base. An
attractive feature of LIN is self-synchronization of the slave nodes without a crystal or
ceramic resonator, which significantly reduces the cost of hardware platform. Hence, the
baud rate must be calculated and returned with every message frame.
The structure of a LIN frame is shown in Figure 30. The frame consists of the:
• header, which comprises a Break (13-bit time low), Synch Byte (55H), and ID field
• response time
• data bytes (according to UART protocol)
• checksum
Figure 30 Structure of LIN Frame
3.13.1 LIN Header Transmission
LIN header transmission is only applicable in master mode. In the LIN communication,
a master task decides when and which frame is to be transferred on the bus. It also
identifies a slave task to provide the data transported by each frame. The information
needed for the handshaking between the master and slave tasks is provided by the
master task through the header portion of the frame.
The header consists of a break and synch pattern followed by an identifier. Among these
three fields, only the break pattern cannot be transmitted as a normal 8-bit UART data.
Frame slot
Frame
Response
Inter-
frame
space
Response
space
Header
Synch Protected
identifier
Data 1 Data 2 Data N Checksum
,/
Infineon
XC866
Functional Description
Data Sheet 73 V1.2, 2007-10
The break must contain a dominant value of 13 bits or more to ensure proper
synchronization of slave nodes.
In the LIN communication, a slave task is required to be synchronized at the beginning
of the protected identifier field of frame. For this purpose, every frame starts with a
sequence consisting of a break field followed by a synch byte field. This sequence is
unique and provides enough information for any slave task to detect the beginning of a
new frame and be synchronized at the start of the identifier field.
Upon entering LIN communication, a connection is established and the transfer speed
(baud rate) of the serial communication partner (host) is automatically synchronized in
the following steps:
STEP 1: Initialize interface for reception and timer for baud rate measurement
STEP 2: Wait for an incoming LIN frame from host
STEP 3: Synchronize the baud rate to the host
STEP 4: Enter for Master Request Frame or for Slave Response Frame
Note: Re-synchronization and setup of baud rate are always done for every Master
Request Header or Slave Response Header LIN frame.
,/
Infineon
XC866
Functional Description
Data Sheet 74 V1.2, 2007-10
3.14 High-Speed Synchronous Serial Interface
The High-Speed Synchronous Serial Interface (SSC) supports full-duplex and
half-duplex synchronous communication. The serial clock signal can be generated by
the SSC internally (master mode), using its own 16-bit baud-rate generator, or can be
received from an external master (slave mode). Data width, shift direction, clock polarity
and phase are programmable. This allows communication with SPI-compatible devices
or devices using other synchronous serial interfaces.
Features:
• Master and slave mode operation
– Full-duplex or half-duplex operation
• Transmit and receive buffered
• Flexible data format
– Programmable number of data bits: 2 to 8 bits
– Programmable shift direction: LSB or MSB shift first
– Programmable clock polarity: idle low or high state for the shift clock
– Programmable clock/data phase: data shift with leading or trailing edge of the shift
clock
• Variable baud rate
• Compatible with Serial Peripheral Interface (SPI)
• Interrupt generation
– On a transmitter empty condition
– On a receiver full condition
– On an error condition (receive, phase, baud rate, transmit error)
0/
Infineon
XC866
Functional Description
Data Sheet 75 V1.2, 2007-10
Data is transmitted or received on lines TXD and RXD, which are normally connected to
the pins MTSR (Master Transmit/Slave Receive) and MRST (Master Receive/Slave
Transmit). The clock signal is output via line MS_CLK (Master Serial Shift Clock) or input
via line SS_CLK (Slave Serial Shift Clock). Both lines are normally connected to the pin
SCLK. Transmission and reception of data are double-buffered.
Figure 31 shows the block diagram of the SSC.
Figure 31 SSC Block Diagram
PCLK SS_CLK
RIR
TIR
EIR
Receive Int. Request
Transmit Int. Request
Error Int. Request
ControlStatus
TXD(Mas ter)
RXD(Slave)
Shift
Clock
MS_CLK
RXD(Master)
TXD(Slave)
Internal Bus
Baud-rate
Generator
Clock
Control
SSC Control Block
Register CON
Pin
Control
16-Bit Shift
Register
Transmit Buffer
Register TB
Receive Buffer
Register RB
n/
Infineon
XC866
Functional Description
Data Sheet 76 V1.2, 2007-10
3.15 Timer 0 and Timer 1
Timers 0 and 1 are count-up timers which are incremented every machine cycle, or in
terms of the input clock, every 2 PCLK cycles. They are fully compatible and can be
configured in four different operating modes for use in a variety of applications, see
Table 28. In modes 0, 1 and 2, the two timers operate independently, but in mode 3, their
functions are specialized.
Table 28 Timer 0 and Timer 1 Modes
Mode Operation
0 13-bit timer
The timer is essentially an 8-bit counter with a divide-by-32 prescaler.
This mode is included solely for compatibility with Intel 8048 devices.
1 16-bit timer
The timer registers, TLx and THx, are concatenated to form a 16-bit
counter.
2 8-bit timer with auto-reload
The timer register TLx is reloaded with a user-defined 8-bit value in THx
upon overflow.
3 Timer 0 operates as two 8-bit timers
The timer registers, TL0 and TH0, operate as two separate 8-bit counters.
Timer 1 is halted and retains its count even if enabled.
n/
Infineon
XC866
Functional Description
Data Sheet 77 V1.2, 2007-10
3.16 Timer 2
Timer 2 is a 16-bit general purpose timer (THL2) that has two modes of operation, a
16-bit auto-reload mode and a 16-bit one channel capture mode. If the prescalar is
disabled, Timer 2 counts with an input clock of PCLK/12. Timer 2 continues counting as
long as it is enabled.
Table 29 Timer 2 Modes
Mode Description
Auto-reload Up/Down Count Disabled
• Count up only
• Start counting from 16-bit reload value, overflow at FFFFH
• Reload event configurable for trigger by overflow condition only, or by
negative/positive edge at input pin T2EX as well
• Programmble reload value in register RC2
• Interrupt is generated with reload event
Up/Down Count Enabled
• Count up or down, direction determined by level at input pin T2EX
• No interrupt is generated
• Count up
– Start counting from 16-bit reload value, overflow at FFFFH
– Reload event triggered by overflow condition
– Programmble reload value in register RC2
• Count down
– Start counting from FFFFH, underflow at value defined in register
RC2
– Reload event triggered by underflow condition
– Reload value fixed at FFFFH
Channel
capture
• Count up only
• Start counting from 0000H, overflow at FFFFH
• Reload event triggered by overflow condition
• Reload value fixed at 0000H
• Capture event triggered by falling/rising edge at pin T2EX
• Captured timer value stored in register RC2
• Interrupt is generated with reload or capture event
,/
Infineon
XC866
Functional Description
Data Sheet 78 V1.2, 2007-10
3.17 Capture/Compare Unit 6
The Capture/Compare Unit 6 (CCU6) provides two independent timers (T12, T13), which
can be used for Pulse Width Modulation (PWM) generation, especially for AC-motor
control. The CCU6 also supports special control modes for block commutation and
multi-phase machines.
The timer T12 can function in capture and/or compare mode for its three channels. The
timer T13 can work in compare mode only.
The multi-channel control unit generates output patterns, which can be modulated by
T12 and/or T13. The modulation sources can be selected and combined for the signal
modulation.
Timer T12 Features:
• Three capture/compare channels, each channel can be used either as a capture or as
a compare channel
• Supports generation of a three-phase PWM (six outputs, individual signals for
highside and lowside switches)
• 16-bit resolution, maximum count frequency = peripheral clock frequency
• Dead-time control for each channel to avoid short-circuits in the power stage
• Concurrent update of the required T12/13 registers
• Generation of center-aligned and edge-aligned PWM
• Supports single-shot mode
• Supports many interrupt request sources
• Hysteresis-like control mode
Timer T13 Features:
• One independent compare channel with one output
• 16-bit resolution, maximum count frequency = peripheral clock frequency
• Can be synchronized to T12
• Interrupt generation at period-match and compare-match
• Supports single-shot mode
Additional Features:
• Implements block commutation for Brushless DC-drives
• Position detection via Hall-sensor pattern
• Automatic rotational speed measurement for block commutation
• Integrated error handling
• Fast emergency stop without CPU load via external signal (CTRAP)
• Control modes for multi-channel AC-drives
• Output levels can be selected and adapted to the power stage
0/
Infineon
XC866
Functional Description
Data Sheet 79 V1.2, 2007-10
The block diagram of the CCU6 module is shown in Figure 32.
Figure 32 CCU6 Block Diagram
channel 0
channel 1
channel 2
T12
dead-
time
control
input / output control
CC62
COUT62
CC61
COUT61
CC60
COUT60
COUT63
CTRAP
channel 3T13
CCPOS0
1
1
1
2221
start
compare
capture
3
multi-
channel
control
address
decoder
clock
control
interrupt
control
trap
control
compare
compar e
compar e
compar e
1
tr ap input
port control
CCPOS1
CCPOS2
output select
output select
3
Hall input
module kernel
CCU6_block_diagram
T13HR
T12HR
,/
Infineon
XC866
Functional Description
Data Sheet 80 V1.2, 2007-10
3.18 Analog-to-Digital Converter
The XC866 includes a high-performance 10-bit Analog-to-Digital Converter (ADC) with
eight multiplexed analog input channels. The ADC uses a successive approximation
technique to convert the analog voltage levels from up to eight different sources. The
analog input channels of the ADC are available at Port 2.
Features:
• Successive approximation
• 8-bit or 10-bit resolution
(TUE of ±1 LSB and ±2 LSB, respectively)
• Eight analog channels
• Four independent result registers
• Result data protection for slow CPU access
(wait-for-read mode)
• Single conversion mode
• Autoscan functionality
• Limit checking for conversion results
• Data reduction filter
(accumulation of up to 2 conversion results)
• Two independent conversion request sources with programmable priority
• Selectable conversion request trigger
• Flexible interrupt generation with configurable service nodes
• Programmable sample time
• Programmable clock divider
• Cancel/restart feature for running conversions
• Integrated sample and hold circuitry
• Compensation of offset errors
• Low power modes
Inflneon
XC866
Functional Description
Data Sheet 81 V1.2, 2007-10
3.18.1 ADC Clocking Scheme
A common module clock fADC generates the various clock signals used by the analog
and digital parts of the ADC module:
•f
ADCA is input clock for the analog part.
•f
ADCI is internal clock for the analog part (defines the time base for conversion length
and the sample time). This clock is generated internally in the analog part, based on
the input clock fADCA to generate a correct duty cycle for the analog components.
•f
ADCD is input clock for the digital part.
The internal clock for the analog part fADCI is limited to a maximum frequency of 10 MHz.
Therefore, the ADC clock prescaler must be programmed to a value that ensures fADCI
does not exceed 10 MHz. The prescaler ratio is selected by bit field CTC in register
GLOBCTR. A prescaling ratio of 32 can be selected when the maximum performance of
the ADC is not required.
Figure 33 ADC Clocking Scheme
analog
components
f
ADCI
f
ADC
= f
PCLK
MUX
arbi ter
regi sters
interrupts
analog part
digital part
f
ADCD
f
ADCA
32
÷
4
÷
3
÷
clock prescaler
CTC
≤
Condition: f
ADCI
10 MHz, where t
ADCI =
f
ADCI
1
2
÷
Inflneon
XC866
Functional Description
Data Sheet 82 V1.2, 2007-10
For module clock fADC = 26.7 MHz, the analog clock fADCI frequency can be selected as
shown in Table 30.
As fADCI cannot exceed 10 MHz, bit field CTC should not be set to 00B when fADC is
26.7 MHz. During slow-down mode where fADC may be reduced to 13.3 MHz, 6.7 MHz
etc., CTC can be set to 00B as long as the divided analog clock fADCI does not exceed
10 MHz. However, it is important to note that the conversion error could increase due to
loss of charges on the capacitors, if fADC becomes too low during slow-down mode.
3.18.2 ADC Conversion Sequence
The analog-to-digital conversion procedure consists of the following phases:
• Synchronization phase (tSYN)
• Sample phase (tS)
• Conversion phase
• Write result phase (tWR)
Figure 34 ADC Conversion Timing
Table 30 fADCI Frequency Selection
Module Clock fADC CTC Prescaling Ratio Analog Clock fADCI
26.7 MHz 00B÷ 2 13.3 MHz (N.A)
01B÷3 8.9MHz
10B÷4 6.7MHz
11B (default) ÷ 32 833.3 kHz
t
S
t
CONV
t
WR
SAMPLE Bit
BUSY Bit
Conversion PhaseSample Phase
Write Result Phase
conversion start
trigger
Source
interrupt
Result
interrupt
t
SYN
Channel
interrupt
f
ADCI
,/
Infineon
XC866
Functional Description
Data Sheet 83 V1.2, 2007-10
3.19 On-Chip Debug Support
The On-Chip Debug Support (OCDS) provides the basic functionality required for the
software development and debugging of XC800-based systems.
The OCDS design is based on these principles:
• use the built-in debug functionality of the XC800 Core
• add a minimum of hardware overhead
• provide support for most of the operations by a Monitor Program
• use standard interfaces to communicate with the Host (a Debugger)
Features:
• Set breakpoints on instruction address and within a specified address range
• Set breakpoints on internal RAM address
• Support unlimited software breakpoints in Flash/RAM code region
• Process external breaks
• Step through the program code
The OCDS functional blocks are shown in Figure 35. The Monitor Mode Control (MMC)
block at the center of OCDS system brings together control signals and supports the
overall functionality. The MMC communicates with the XC800 Core, primarily via the
Debug Interface, and also receives reset and clock signals. After processing memory
address and control signals from the core, the MMC provides proper access to the
dedicated extra-memories: a Monitor ROM (holding the code) and a Monitor RAM (for
work-data and Monitor-stack). The OCDS system is accessed through the JTAG1),
which is an interface dedicated exclusively for testing and debugging activities and is not
normally used in an application. The dedicated MBC pin is used for external
configuration and debugging control.
Note: All the debug functionality described here can normally be used only after XC866
has been started in OCDS mode.
1) The pins of the JTAG port can be assigned to either Port 0 (primary) or Ports 1 and 2 (secondary).
User must set the JTAG pins (TCK and TDI) as input during connection with the OCDS system.
XC866
Functional Description
Data Sheet 84 V1.2, 2007-10
Figure 35 OCDS Block Diagram
3.19.1 JTAG ID Register
This is a read-only register located inside the JTAG module, and is used to recognize the
device(s) connected to the JTAG interface. Its content is shifted out when
INSTRUCTION register contains the IDCODE command (opcode 04H), and the same is
also true immediately after reset.
The JTAG ID register contents for the XC866 devices are given in Table 31.
Table 31 JTAG ID Summary
Device Type Device Name JTAG ID
Flash XC866L-4FR 1010 0083H
XC866-4FR 100F 5083H
XC866L-2FR 1010 2083H
XC866-2FR 1010 1083H
XC866L-1FR 1013 8083H
XC866-1FR 1013 8083H
JTAG Module
Monitor &
Bootstrap loader
Control line
JTAG
Memory
Control
Unit
User
Program
Memory
XC800
PROG
& IRAM
Addresses
Debug
Interface
Reset Clock
TMS
TCK
TDI
TDO
TCK
TDI
TDO
Control
Memory
Control
Primary
Debug
Interface
System
Control
Unit
Boot/
Monitor
ROM
Monitor
RAM
User
Internal
RAM
Reset
Reset
Clock
PROG
Data
Monitor Mode Control
MBC
- parts of
OCDS
WDT
Suspend
OCDS_XC800-Block_Diagram-UM-v0.2
n/
Infineon
XC866
Functional Description
Data Sheet 85 V1.2, 2007-10
3.20 Identification Register
The XC866 identity register is located at Page 1 of address B3H.
ROM XC866L-4RR 1013 9083H
XC866-4RR 1013 9083H
XC866L-2RR 1013 9083H
XC866-2RR 1013 9083H
ID
Identity Register Reset Value: 0000 0010B
76543210
PRODID VERID
rr
Field Bits Type Description
VERID [2:0] r Version ID
010B
PRODID [7:3] r Product ID
00000B
Table 31 JTAG ID Summary
,/
Infineon
XC866
Electrical Parameters
Data Sheet 86 V1.2, 2007-10
4 Electrical Parameters
Chapter 4 provides the characteristics of the electrical parameters which are
implementation-specific for the XC866.
Note: The electrical parameters are valid for the XC866-4FR and XC866-2FR. The
electrical parameters for the ROM variants and XC866-1FR are preliminary,
differences from XC866-4FR and XC866-2FR are stated explicitly.
4.1 General Parameters
The general parameters are described here to aid the users in interpreting the
parameters mainly in Section 4.2 and Section 4.3.
4.1.1 Parameter Interpretation
The parameters listed in this section represent partly the characteristics of the XC866
and partly its requirements on the system. To aid interpreting the parameters easily
when evaluating them for a design, they are indicated by the abbreviations in the
“Symbol” column:
•CC
These parameters indicate Controller Characteristics, which are distinctive features of
the XC866 and must be regarded for a system design.
•SR
These parameters indicate System Requirements, which must be provided by the
microcontroller system in which the XC866 is designed in.
n/
Infineon
XC866
Electrical Parameters
Data Sheet 87 V1.2, 2007-10
4.1.2 Absolute Maximum Rating
Maximum ratings are the extreme limits to which the XC866 can be subjected to without
permanent damage.
Table 32 Absolute Maximum Rating Parameters
Note: Stresses above those listed under “Absolute Maximum Ratings” may cause
permanent damage to the device. This is a stress rating only and functional
operation of the device at these or any other conditions above those indicated in
the operational sections of this specification is not implied. Exposure to absolute
maximum rating conditions for extended periods may affect device reliability.
During absolute maximum rating overload conditions (VIN >V
DDP or VIN <V
SS)
the voltage on VDDP pin with respect to ground (VSS) must not exceed the values
defined by the absolute maximum ratings.
Parameter Symbol Limit Values Unit Notes
min. max.
Ambient temperature TA-40 125 °C under bias
Storage temperature TST -65 150 °C
Junction temperature TJ-40 150 °C under bias
Voltage on power supply pin with
respect to VSS
VDDP -0.5 6 V
Voltage on core supply pin with
respect to VSS
VDDC -0.5 3.25 V
Voltage on any pin with respect
to VSS
VIN -0.5 VDDP +
0.5 or
max. 6
V Whatever is
lower
Input current on any pin during
overload condition
IIN -10 10 mA
Absolute sum of all input currents
during overload condition
Σ|IIN|– 50 mA
Inflneon
nay”
XC866
Electrical Parameters
Data Sheet 88 V1.2, 2007-10
4.1.3 Operating Conditions
The following operating conditions must not be exceeded in order to ensure correct
operation of the XC866. All parameters mentioned in the following table refer to these
operating conditions, unless otherwise noted.
Table 33 Operating Condition Parameters
Parameter Symbol Limit Values Unit Notes/
Conditions
min. max.
Digital power supply voltage VDDP 4.5 5.5 V 5V Device
Digital power supply voltage VDDP 3.0 3.6 V 3.3V Device
Digital ground voltage VSS 0V
Digital core supply voltage VDDC 2.3 2.7 V
System Clock Frequency1)
1) fSYS is the PLL output clock. During normal operating mode, CPU clock is fSYS / 3. Please refer to Figure 25
for detailed description.
fSYS 74 86 MHz
Ambient temperature TA-40 85 °C SAF-XC866...
-40 125 °C SAK-XC866...
Inflneon
esis‘)
esis“
XC866
Electrical Parameters
Data Sheet 89 V1.2, 2007-10
4.2 DC Parameters
4.2.1 Input/Output Characteristics
Table 34 Input/Output Characteristics (Operating Conditions apply)
Parameter Symbol Limit Values Unit Test Conditions
Remarks
min. max.
VDDP = 5V Range
Output low voltage VOL CC – 1.0 V IOL =15mA
–0.4V
IOL =5mA
Output high voltage VOH CC VDDP -
1.0
–VIOH =-15mA
VDDP -
0.4
–VIOH =-5mA
Input low voltage on
port pins
(all except P0.0 & P0.1)
VILP SR – 0.3 ×
VDDP
V CMOS Mode
Input low voltage on
P0.0 & P0.1
VILP0 SR -0.2 0.3 ×
VDDP
V CMOS Mode
Input low voltage on
RESET pin
VILR SR – 0.3 ×
VDDP
V CMOS Mode
Input low voltage on
TMS pin
VILT SR – 0.3 ×
VDDP
V CMOS Mode
Input high voltage on
port pins
(all except P0.0 & P0.1)
VIHP SR 0.7 ×
VDDP
–VCMOS Mode
Input high voltage on
P0.0 & P0.1
VIHP0 SR 0.7 ×
VDDP
VDDP V CMOS Mode
Input high voltage on
RESET pin
VIHR SR 0.7 ×
VDDP
–VCMOS Mode
Input high voltage on
TMS pin
VIHT SR 0.75 ×
VDDP
–VCMOS Mode
Input Hysteresis1) on
Port pins
HYS CC 0.08 ×
VDDP
–VCMOS Mode
Input Hysteresis1) on
XTAL1
HYSXCC 0.07 ×
VDDC
–V
Inflneon
3D
4’
XC866
Electrical Parameters
Data Sheet 90 V1.2, 2007-10
Input low voltage at
XTAL1
VILX SR VSS -
0.5
0.3 ×
VDDC
V
Input high voltage at
XTAL1
VIHX SR 0.7 ×
VDDC
VDDC
+0.5
V
Pull-up current IPU SR – -10 µA VIH,min
-150 – µA VIL,max
Pull-down current IPD SR – 10 µA VIL,max
150 – µA VIH,min
Input leakage current2) IOZ1 CC -1 1 µA 0 < VIN < VDDP,
TA≤125°C , XC866-4FR
and XC866-2FR
-2.5 1 µA 0 < VIN < VDDP,
TA≤125°C, XC866-1FR
and ROM device
Input current at XTAL1 IILX CC -10 10 µA
Overload current on any
pin
IOV SR -5 5 mA
Absolute sum of
overload currents
Σ|IOV|
SR
–25mA
3)
Voltage on any pin
during VDDP power off
VPO SR – 0.3 V 4)
Maximum current per
pin (excluding VDDP and
VSS)
IM SR – 15 mA
Maximum current for all
pins (excluding VDDP
and VSS)
Σ|IM|
SR
–60mA
Maximum current into
VDDP
IMVDDP
SR
–80mA
Maximum current out of
VSS
IMVSS
SR
–80mA
Table 34 Input/Output Characteristics (Operating Conditions apply)
Parameter Symbol Limit Values Unit Test Conditions
Remarks
min. max.
Inflneon
esis“
esis“
XC866
Electrical Parameters
Data Sheet 91 V1.2, 2007-10
VDDP = 3.3V Range
Output low voltage VOL CC – 1.0 V IOL =8mA
–0.4V
IOL =2.5mA
Output high voltage VOH CC VDDP -
1.0
–VIOH =-8mA
VDDP -
0.4
–VIOH =-2.5mA
Input low voltage on
port pins
(all except P0.0 & P0.1)
VILP SR – 0.3 ×
VDDP
V CMOS Mode
Input low voltage on
P0.0 & P0.1
VILP0 SR -0.2 0.3 ×
VDDP
V CMOS Mode
Input low voltage on
RESET pin
VILR SR – 0.3 ×
VDDP
V CMOS Mode
Input low voltage on
TMS pin
VILT SR – 0.3 ×
VDDP
V CMOS Mode
Input high voltage on
port pins
(all except P0.0 & P0.1)
VIHP SR 0.7 ×
VDDP
–VCMOS Mode
Input high voltage on
P0.0 & P0.1
VIHP0 SR 0.7 ×
VDDP
VDDP V CMOS Mode
Input high voltage on
RESET pin
VIHR SR 0.7 ×
VDDP
–VCMOS Mode
Input high voltage on
TMS pin
VIHT SR 0.75 ×
VDDP
–VCMOS Mode
Input Hysteresis1) on
Port pins
HYS CC 0.03 ×
VDDP
–VCMOS Mode
Input Hysteresis1) on
XTAL1
HYSXCC 0.07 ×
VDDC
–V
Input low voltage at
XTAL1
VILX SR VSS -
0.5
0.3 ×
VDDC
V
Input high voltage at
XTAL1
VIHX SR 0.7 ×
VDDC
VDDC
+0.5
V
Table 34 Input/Output Characteristics (Operating Conditions apply)
Parameter Symbol Limit Values Unit Test Conditions
Remarks
min. max.
Inflneon
2)
3)
4)
An adm
RESET
XC866
Electrical Parameters
Data Sheet 92 V1.2, 2007-10
Pull-up current IPU SR – -5 µA VIH,min
-50 – µA VIL,max
Pull-down current IPD SR – 5 µA VIL,max
50 – µA VIH,min
Input leakage current2) IOZ1 CC -1 1 µA 0 < VIN < VDDP,
TA≤125°C , XC866-4FR
and XC866-2FR
-2.5 1 µA 0 < VIN < VDDP,
TA≤125°C, XC866-1FR
and ROM device
Input current at XTAL1 IILX CC - 10 10 µA
Overload current on any
pin
IOV SR -5 5 mA
Absolute sum of
overload currents
Σ|IOV|
SR
–25mA
3)
Voltage on any pin
during VDDP power off
VPO SR – 0.3 V 4)
Maximum current per
pin (excluding VDDP and
VSS)
IM SR – 15 mA
Maximum current for all
pins (excluding VDDP
and VSS)
Σ|IM|
SR
–60mA
Maximum current into
VDDP
IMVDDP
SR
–80mA
Maximum current out of
VSS
IMVSS
SR
–80mA
1) Not subjected to production test, verified by design/characterization. Hysteresis is implemented to avoid meta
stable states and switching due to internal ground bounce. It cannot be guaranteed that it suppresses switching
due to external system noise.
2) An additional error current (IINJ) will flow if an overload current flows through an adjacent pin. TMS pin and
RESET pin have internal pull devices and are not included in the input leakage current characteristic.
3) Not subjected to production test, verified by design/characterization.
Table 34 Input/Output Characteristics (Operating Conditions apply)
Parameter Symbol Limit Values Unit Test Conditions
Remarks
min. max.
,/
Infineon
XC866
Electrical Parameters
Data Sheet 93 V1.2, 2007-10
4) Not subjected to production test, verified by design/characterization. However, for applications with strict low
power-down current requirements, it is mandatory that no active voltage source is supplied at any GPIO pin
when VDDP is powered off.
Inflneon
3)
2)“
XC866
Electrical Parameters
Data Sheet 94 V1.2, 2007-10
4.2.2 Supply Threshold Characteristics
Figure 36 Supply Threshold Parameters
Table 35 Supply Threshold Parameters (Operating Conditions apply)
Parameters Symbol Limit Values Unit Remarks
min. typ. max.
VDDC prewarning voltage1)
1) Detection is disabled in power-down mode.
VDDCPW CC 2.2 2.3 2.4 V
VDDC brownout voltage in
active mode1)
VDDCBO CC 2.0 2.1 2.2 V XC866-4FR,
XC866-2FR
2.0 2.1 2.3 V XC866-1FR,
ROM device
RAM data retention voltage VDDCRDR CC 0.9 1.0 1.1 V
VDDC brownout voltage in
power-down mode2)
2) Detection is enabled in both active and power-down mode.
VDDCBOPD CC 1.3 1.5 1.7 V
VDDP prewarning voltage3)
3) Detection is enabled for external power supply of 5.0V.
Detection must be disabled for external power supply of 3.3V.
VDDPPW CC 3.4 4.0 4.6 V
Power-on reset voltage2)4)
4) The reset of EVR is extended by 300 µs typically after the VDDC reaches the power-on reset voltage.
VDDCPOR CC 1.3 1.5 1.7 V
VDDP
VDDC
V
DDPPW
V
DDCPOR
V
DDCPW
V
DDCBO
V
DDCBOPD
5.0V
2.5V
V
DDCRDR
Inflneon
1)
2’
nz’
nz’
nz’
nz’
2m
XC866
Electrical Parameters
Data Sheet 95 V1.2, 2007-10
4.2.3 ADC Characteristics
The values in the table below are given for an analog power supply between 4.5 V to
5.5 V. The ADC can be used with an analog power supply down to 3 V. But in this case,
the analog parameters may show a reduced performance. All ground pins (VSS) must be
externally connected to one single star point in the system. The voltage difference
between the ground pins must not exceed 200mV.
Table 36 ADC Characteristics (Operating Conditions apply; VDDP = 5V Range)
Parameter Symbol Limit Values Unit Test Conditions/
Remarks
min. typ . max.
Analog reference
voltage
VAREF
SR
VAGND
+ 1
VDDP VDDP
+ 0.05
V
Analog reference
ground
VAGND
SR
VSS
- 0.05
VSS VAREF
- 1
V
Analog input
voltage range
VAIN SR VAGND –VAREF V
ADC clocks fADC – 20 40 MHz module clock
fADCI – – 10 MHz internal analog clock
See Figure 33
Sample time tSCC (2 + INPCR0.STC) ×
tADCI
µs
Conversion time tCCC See Section 4.2.3.1 µs
Total unadjusted
error
TUE1)CC – – ±1 LSB 8-bit conversion.2)
––±2 LSB 10-bit conversion.
Differential
Nonlinearity
DNL CC – ±1 – LSB 10-bit conversion2)
Integral
Nonlinearity
INL CC – ±1 – LSB 10-bit conversion2)
Offset OFF CC – ±1 – LSB 10-bit conversion2)
Gain GAIN CC – ±1 – LSB 10-bit conversion2)
Switched
capacitance at the
reference voltage
input
CAREFSW
CC
–1020pF
2)3)
Inflneon
2W
2D
2D
XC866
Electrical Parameters
Data Sheet 96 V1.2, 2007-10
Switched
capacitance at the
analog voltage
inputs
CAINSW
CC
–57pF
2)4)
Input resistance of
the reference input
RAREFCC – 1 2 kΩ2)
Input resistance of
the selected analog
channel
RAIN CC – 1 1.5 kΩ2)
1) TUE is tested at VAREF =5.0V, VAGND =0V , VDDP =5.0V.
2) Not subject to production test, verified by design/characterization.
3) This represents an equivalent switched capacitance. This capacitance is not switched to the reference voltage
at once. Instead of this, smaller capacitances are successively switched to the reference voltage.
4) The sampling capacity of the conversion C-Network is pre-charged to VAREF/2 before connecting the input to
the C-Network. Because of the parasitic elements, the voltage measured at ANx is lower than VAREF/2.
Table 36 ADC Characteristics (Operating Conditions apply; VDDP = 5V Range)
Parameter Symbol Limit Values Unit Test Conditions/
Remarks
min. typ . max.
/
infineon
x 7 < 7="" \="" %="" r="" agndx="" ,="">XC866
Electrical Parameters
Data Sheet 97 V1.2, 2007-10
Figure 37 ADC Input Circuits
4.2.3.1 ADC Conversion Timing
Conversion time, tC=t
ADC ×( 1 + r ×(3 + n + STC) ) , where
r = CTC + 2 for CTC = 00B, 01B or 10B,
r = 32 for CTC = 11B,
CTC = Conversion Time Control (GLOBCTR.CTC),
STC = Sample Time Control (INPCR0.STC),
n = 8 or 10 (for 8-bit and 10-bit conversion respectively),
tADC =1/f
ADC
V
AGNDx
R
EXT
Analog Input Circuitry
V
AIN
C
EXT
ANx
C
AINSW
R
AIN, On
V
AGNDx
Reference Voltage Input Circuitry
C
AREFSW
R
AREF, On
V
AREFx
V
AREF
Inflneon
lypfl)
x?’
:n
nun
duck ta
RESET
RESET
ktoaHp
XC866
Electrical Parameters
Data Sheet 98 V1.2, 2007-10
4.2.4 Power Supply Current
Table 37 Power Supply Current Parameters (Operating Conditions apply;
VDDP = 5V range )
Parameter Symbol Limit Values Unit Test Condition
Remarks
typ.1)
1) The typical IDDP values are periodically measured at TA=+25°C and VDDP =5.0V.
max.2)
2) The maximum IDDP values are measured under worst case conditions (TA= + 125 °C and VDDP =5.5V).
VDDP = 5V Range
Active Mode IDDP 22.6 24.5 mA 3)
3) IDDP (active mode) is measured with: CPU clock and input clock to all peripherals running at 26.7 MHz(set by
on-chip oscillator of 10 MHz and NDIV in PLL_CON to 0010B), RESET =VDDP, no load on ports.
Idle Mode IDDP 17.2 19.7 mA XC866-4FR,
XC866-2FR 4)
4) IDDP (idle mode) is measured with: CPU clock disabled, watchdog timer disabled, input clock to all peripherals
enabled and running at 26.7 MHz, RESET =VDDP , no load on ports.
12.5 14 mA XC866-1FR,
ROM device4)
Active Mode with slow-down
enabled
IDDP 7.2 8.2 mA XC866-4FR,
XC866-2FR 5)
5) IDDP (active mode with slow-down mode) is measured with: CPU clock and input clock to all peripherals running
at 833 KHz by setting CLKREL in CMCON to 0101B, RESET =VDDP, no load on ports.
5.6 7.5 mA XC866-1FR,
ROM device5)
Idle Mode with slow-down
enabled
IDDP 7.1 8 mA XC866-4FR,
XC866-2FR 6)
6) IDDP (idle mode with slow-down mode) is measured with: CPU clock disabled, watchdog timer disabled, input
clock to all peripherals enabled and running at 833 KHz by setting CLKREL in CMCON to 0101B,
RESET =VDDP, no load on ports.
5.1 7.2 mA XC866-1FR,
ROM device6)
Inflneon
1)
.3
h RESET
XC866
Electrical Parameters
Data Sheet 99 V1.2, 2007-10
Table 38 Power Down Current (Operating Conditions apply; VDDP = 5V range )
Parameter Symbol Limit Values Unit Test Condition
Remarks
typ.1)
1) The typical IPDP values are measured at VDDP =5.0V.
max.2)
2) The maximum IPDP values are measured at VDDP =5.5V.
VDDP = 5V Range
Power-Down Mode3)
3) IPDP (power-down mode) has a maximum value of 200 µA at TA= + 125 °C.
IPDP 110µATA=+25°C.4)
4) IPDP (power-down mode) is measured with: RESET =VDDP, VAGND=VSS, RXD/INT0 = VDDP; rest of the ports
are programmed to be input with either internal pull devices enabled or driven externally to ensure no floating
inputs.
-30µATA=+85°C, XC866-
4FR, XC866-2FR 4)5)
5) Not subject to production test, verified by design/characterization.
-35µATA=+85°C, XC866-
1FR, ROM device4)5)
Inflneon
1 2
.yp‘ ) ‘ x, J
:n
k ‘0 5H 9
v RESET
CPU do
RESET
RESET
aw
duck to
RESET
XC866
Electrical Parameters
Data Sheet 100 V1.2, 2007-10
Table 39 Power Supply Current Parameters (Operating Conditions apply;
VDDP = 3.3V range)
Parameter Symbol Limit Values Unit Test Condition
Remarks
typ.1)
1) The typical IDDP values are periodically measured at TA=+25°C and VDDP =3.3V.
max.2)
2) The maximum IDDP values are measured under worst case conditions (TA= + 125 °C and VDDP =3.6V).
VDDP = 3.3V Range
Active Mode IDDP 21.5 23.3 mA 3)
3) IDDP (active mode) is measured with: CPU clock and input clock to all peripherals running at 26.7 MHz(set by
on-chip oscillator of 10 MHz and NDIV in PLL_CON to 0010B), RESET =VDDP, no load on ports.
Idle Mode IDDP 16.4 18.9 mA XC866-4FR,
XC866-2FR 4)
4) IDDP (idle mode) is measured with: CPU clock disabled, watchdog timer disabled, input clock to all peripherals
enabled and running at 26.7 MHz, RESET =VDDP, no load on ports.
11.2 13.5 mA XC866-1FR,
ROM device 4)
Active Mode with slow-down
enabled
IDDP 6.8 8 mA XC866-4FR,
XC866-2FR 5)
5) IDDP (active mode with slow-down mode) is measured with: CPU clock and input clock to all peripherals
running at 833 KHz by setting CLKREL in CMCON to 0101B, RESET =VDDP, no load on ports.
5.4 7.3 mA XC866-1FR,
ROM device 5)
Idle Mode with slow-down
enabled
IDDP 6.8 7.8 mA XC866-4FR,
XC866-2FR 6)
6) IDDP (idle mode with slow-down mode) is measured with: CPU clock disabled, watchdog timer disabled, input
clock to all peripherals enable and running at 833 KHz by setting CLKREL in CMCON to 0101B,,
RESET =VDDP, no load on ports.
4.9 6.9 mA XC866-1FR,
ROM device 6)
Inflneon
1)
2
RESET
XC866
Electrical Parameters
Data Sheet 101 V1.2, 2007-10
Table 40 Power Down Current (Operating Conditions apply; VDDP = 3.3V
range )
Parameter Symbol Limit Values Unit Test Condition
Remarks
typ.1)
1) The typical IPDP values are measured at VDDP =3.3V.
max.2)
2) The maximum IPDP values are measured at VDDP =3.6V.
VDDP = 3.3V Range
Power-Down Mode3)
3) IPDP (power-down mode) has a maximum value of 200 µA at TA= + 125 °C.
IPDP 110µATA=+25°C.4)
4) IPDP (power-down mode) is measured with: RESET =VDDP, VAGND=VSS, RXD/INT0= VDDP; rest of the ports
are programmed to be input with either internal pull devices enabled or driven externally to ensure no floating
inputs.
-30µATA=+85°C, XC866-
4FR, XC866-2FR4)5)
5) Not subject to production test, verified by design/characterization.
-35µATA=+85°C, XC866-
1FR, ROM device4)5)
0/
Infineon
XC866
Electrical Parameters
Data Sheet 102 V1.2, 2007-10
4.3 AC Parameters
4.3.1 Testing Waveforms
The testing waveforms for rise/fall time, output delay and output high impedance are
shown in Figure 38, Figure 39 and Figure 40.
Figure 38 Rise/Fall Time Parameters
Figure 39 Testing Waveform, Output Delay
Figure 40 Testing Waveform, Output High Impedance
10%
90%
10%
90%
V
SS
V
DDP
t
R
t
F
V
DDE
/ 2 Te st P o in ts V
DDE
/ 2
V
SS
V
DDP
V
Load
+ 0.1 V V
OH
- 0.1 V
Timing
Reference
Points
V
Load
- 0.1 V V
OL
- 0.1 V
Inflneon
XC866
Electrical Parameters
Data Sheet 103 V1.2, 2007-10
4.3.2 Output Rise/Fall Times
Figure 41 Rise/Fall Times Parameters
Table 41 Output Rise/Fall Times Parameters (Operating Conditions apply)
Parameter Symbol Limit
Values
Unit Test Conditions
min. max.
VDDP = 5V Range
Rise/fall times 1) 2)
1) Rise/Fall time measurements are taken with 10% - 90% of the pad supply.
2) Not all parameters are 100% tested, but are verified by design/characterization and test correlation.
tR, tF– 10 ns 20 pF. 3)
3) Additional rise/fall time valid for CL= 20pF - 100pF @ 0.125 ns/pF.
VDDP = 3.3V Range
Rise/fall times 1) 2) tR, tF– 10 ns 20 pF. 4)
4) Additional rise/fall time valid for CL= 20pF - 100pF @ 0.225 ns/pF.
t
R
10%
90%
10%
90%
t
F
V
SS
V
DDP
Inflneon
RESET
XC866
Electrical Parameters
Data Sheet 104 V1.2, 2007-10
4.3.3 Power-on Reset and PLL Timing
Table 42 Power-On Reset and PLL Timing (Operating Conditions apply)
Figure 42 Power-on Reset Timing
Parameter Symbol Limit Values Unit Test Conditions
min. typ. max.
Pad operating voltage VPAD CC 2.3 – – V
On-Chip Oscillator
start-up time
tOSCST
CC
––500ns
Flash initialization time tFINIT CC – 160 – µs
RESET hold time1)
1) RESET signal has to be active (low) until VDDC has reached 90% of its maximum value (typ. 2.5V).
tRST SR – 500 – µs VDDP rise time
(10% – 90%) ≤ 500µs
PLL lock-in in time tLOCK CC – – 200 µs
PLL accumulated jitter DP––0.7ns
2)
2) PLL lock at 80 MHz using a 4 MHz external oscillator. The PLL Divider settings are K = 2, N = 40 and P = 1.
VDDP
Pads
VDDC
V
PAD
OSC
t
OSCST
PLL
Reset Initialization Ready to ReadFlash State
PLL unlock PLL lock
1)
2) 3)
t
LOCK
t
FINIT
1)Pad state undefined 2)ENPS control 3)As Programmed
I)until EVR is stable II)until PLL is locked III) until Flash go
to Re ady-to-Read
IV) CPU reset is released; Boot
ROM software begin execution
RESET
t
RST
n/
Infineon
XC866
Electrical Parameters
Data Sheet 105 V1.2, 2007-10
4.3.4 On-Chip Oscillator Characteristics
Table 43 On-chip Oscillator Characteristics (Operating Conditions apply)
Parameter Symbol Limit Values Unit Test Conditions
min. typ. max.
Nominal frequency fNOM CC 9.75 10 10.25 MHz under nominal
conditions1) after
IFX-backend trimming
1) Nominal condition: VDDC =2.5V, TA=+25°C.
Long term frequency
deviation2)
2) Not all parameters are 100% tested, but are verified by design/characterization and test correlation.
∆fLT CC -5.0 – 5.0 % with respect to fNOM, over
lifetime and temperature (−
10°C to 125°C), for one
device after trimming
-6.0 – 0 % with respect to fNOM, over
lifetime and temperature (−
40°C to -10°C), for one
device after trimming
Short term frequency
deviation
∆fST CC -1.0 – 1.0 % with respect to fNOM, within
one LIN message (<10 ms
.... 100 ms)
0/
Infineon
XC866
Electrical Parameters
Data Sheet 106 V1.2, 2007-10
4.3.5 JTAG Timing
Table 44 TCK Clock Timing (Operating Conditions apply; CL= 50 pF)
Figure 43 TCK Clock Timing
Parameter Symbol Limits Unit
min max
TCK clock period tTCK SR 50 −ns
TCK high time t1 SR 20 −ns
TCK low time t2 SR 20 −ns
TCK clock rise time t3 SR −4 ns
TCK clock fall time t4 SR −4 ns
TCK
t
4
0.9 V
DDP
t
3
t
1
0.1 V
DDP
t
2
t
TCK
0.5 V
DDP
Inflneon
“KKK
XC866
Electrical Parameters
Data Sheet 107 V1.2, 2007-10
Table 45 JTAG Timing (Operating Conditions apply; CL=50 pF)
Figure 44 JTAG Timing
Parameter Symbol Limits Unit
min max
TMS setup to TCK t1 SR 8.0 −ns
TMS hold to TCK t2 SR 5.0 −ns
TDI setup to TCK t1 SR 11.0 −ns
TDI hold to TCK t2 SR 6.0 −ns
TDO valid output from TCK t3 CC −23 ns
TDO high impedance to valid output from TCK t4 CC −26 ns
TDO valid output to high impedance from TCK t5 CC −18 ns
TMS
TDI
TCK
TDO
t
1
t
2
t
1
t
2
t
4
t
3
t
5
0/
Infineon
XC866
Electrical Parameters
Data Sheet 108 V1.2, 2007-10
4.3.6 SSC Master Mode Timing
Table 46 SSC Master Mode Timing (Operating Conditions apply; CL= 50 pF)
Figure 45 SSC Master Mode Timing
Parameter Symbol Limit Values Unit
min. max.
SCLK clock period t0CC 2*TSSC 1)
1) TSSCmin =T
CPU =1/f
CPU. When fCPU = 26.7MHz, t0 = 74.9ns. TCPU is the CPU clock period.
–ns
MTSR delay from SCLK t1CC 0 8 ns
MRST setup to SCLK t2SR 22 – ns
MRST hold from SCLK t3SR 0 – ns
SSC_Tmg1
SCLK
1)
MTSR
1)
t
1
t
1
MRST
1)
t
3
Data
valid
t
2
t
1
1) This timing is based on the following setup: CON.PH = CON.PO = 0.
t
0
Inflneon
XC866
Package and Reliability
Data Sheet 109 V1.2, 2007-10
5 Package and Reliability
5.1 Package Parameters (PG-TSSOP-38)
Table 47 provides the thermal characteristics of the package.
Table 47 Thermal Characteristics of the Package
Parameter Symbol Limit Values Unit Notes
Min. Max.
Thermal resistance junction
case1)
1) The thermal resistances between the case and the ambient (RTCA) , the lead and the ambient (RTLA) are to
be combined with the thermal resistances between the junction and the case (RTJC), the junction and the lead
(RTJL) given above, in order to calculate the total thermal resistance between the junction and the ambient
(RTJA). The thermal resistances between the case and the ambient (RTCA), the lead and the ambient (RTLA)
depend on the external system (PCB, case) characteristics, and are under user responsibility.
The junction temperature can be calculated using the following equation: TJ=TA+R
TJA ×PD, where the RTJA
is the total thermal resistance between the junction and the ambient. This total junction ambient resistance
RTJA can be obtained from the upper four partial thermal resistances, by
a) simply adding only the two thermal resistances (junction lead and lead ambient), or
b) by taking all four resistances into account, depending on the precision needed.
RTJC CC – 15.7 K/W –
Thermal resistance junction
lead1)
RTJL CC – 39.2 K/W –
Inflneon
4
XC866
Package and Reliability
Data Sheet 110 V1.2, 2007-10
5.2 Package Outline
Figure 46 PG-TSSOP-38-4 Package Outline
n/
Infineon
XC866
Package and Reliability
Data Sheet 111 V1.2, 2007-10
5.3 Quality Declaration
Table 48 shows the characteristics of the quality parameters in the XC866.
Table 48 Quality Parameters
Parameter Symbol Limit Values Unit Notes
Min. Max.
ESD susceptibility
according to Human Body
Model (HBM)
VHBM – 2000 V Conforming to
EIA/JESD22-
A114-B
ESD susceptibility
according to Charged
Device Model (CDM) pins
VCDM – 500 V Conforming to
JESD22-C101-C

http://www.infineon.com
Published by Infineon Technologies AG
Products related to this Datasheet
IC MCU 8BIT 8KB FLASH 38TSSOP
IC MCU 8BIT 8KB FLASH 38TSSOP
IC MCU 8BIT 16KB FLASH 38TSSOP
IC MCU 8BIT 8KB FLASH 38TSSOP
IC MCU 8BIT 16KB FLASH 38TSSOP
IC MCU 8BIT 8KB FLASH 38TSSOP
IC MCU 8BIT 16KB FLASH 38TSSOP
IC MCU 8BIT 16KB FLASH 38TSSOP
IC MCU 8BIT 8KB FLASH 38TSSOP
IC MCU 8BIT 8KB FLASH 38TSSOP
IC MCU 8BIT 16KB FLASH 38TSSOP
IC MCU 8BIT 16KB FLASH 38TSSOP
IC MCU 8BIT 4KB FLASH 38TSSOP
IC MCU 8BIT 4KB FLASH 38TSSOP
IC MCU 8BIT 16KB FLASH 38TSSOP
IC MCU 8BIT 4KB FLASH 38TSSOP
IC MCU 8BIT 8KB FLASH 38TSSOP
IC MCU 8BIT 8KB FLASH 38TSSOP
IC MCU 8BIT 16KB FLASH 38TSSOP
IC MCU 8BIT 16KB FLASH 38TSSOP
IC MCU 8BIT 4KB FLASH 38TSSOP
IC MCU 8BIT 4KB FLASH 38TSSOP
IC MCU 8BIT 8KB FLASH 38TSSOP
IC MCU 8BIT 16KB FLASH 38TSSOP
IC MCU 8BIT 16KB FLASH 38TSSOP
IC MCU 8BIT 4KB FLASH 38TSSOP
IC MCU 8BIT 8KB FLASH 38TSSOP
IC MCU 8BIT 8KB FLASH 38TSSOP
IC MCU 8BIT 8KB FLASH 38TSSOP
IC MCU 8BIT 16KB FLASH 38TSSOP