ST(B,P)12NM50(FP,-1) Datasheet by STMicroelectronics
View All Related Products | Download PDF Datasheet
123
TO-220
TAB
12
3
TO-220FP
1
3
TAB
D PAK
2
NG1D2TS3
D(2, TAB)
G(1)
S(3)
Features
Order codes VDS RDS(on) max. ID
STB12NM50T4
500 V 350 mΩ 12 ASTP12NM50
STP12NM50FP
• 100% avalanche tested
• Low input capacitance and gate charge
• Low gate input resistance
Applications
• Switching applications
Description
These N-channel Power MOSFETs are developed using STMicroelectronics'
revolutionary MDmesh technology, which associates the multiple drain process with
the company's PowerMESH horizontal layout. These devices offer extremely low on-
resistance, high dv/dt and excellent avalanche characteristics. Utilizing ST's
proprietary strip technique, these Power MOSFETs boast an overall dynamic
performance which is superior to similar products on the market.
Product status link
STB12NM50T4
STP12NM50
STP12NM50FP
N-channel 500 V, 300 mΩ typ., 12 A MDmesh Power MOSFETs
in a D²PAK, TO-220 and TO-220FP packages
STB12NM50T4, STP12NM50, STP12NM50FP
Datasheet
DS1944 - Rev 12 - October 2020
For further information contact your local STMicroelectronics sales office.
www.st.com
1Electrical ratings
Table 1. Absolute maximum ratings
Symbol Parameter
Value
Unit
D²PAK, TO-220 TO-220FP
VGS Gate-source voltage ±30 V
ID
Drain current (continuous) at TC = 25 °C 12 12(1)
A
Drain current (continuous) at TC = 100 °C 7.5 7.5(1)
IDM(2) Drain current pulsed 48 48(1) A
PTOT Total power dissipation at TC = 25 °C 160 35 W
VISO
Insulation withstand voltage (RMS) from all three leads to
external heat sink (t = 1 s, TC = 25 °C) 2.5 kV
dv/dt(3) Peak diode recovery voltage slope 15 V/ns
TJOperating junction temperature range
-65 to 150
°C
Tstg Storage temperature range °C
1. Limited by maximum junction temperature.
2. Pulse width limited by safe operating area.
3. ISD ≤ 12 A, di/dt ≤ 400 A/μs, VDD = 80% V(BR)DSS.
Table 2. Thermal data
Symbol Parameter
Value
Unit
D²PAK TO-220 TO-220FP
Rthj-case Thermal resistance junction-case 2.78 3.57 °C/W
Rthj-a Thermal resistance junction-ambient 62.5 °C/W
Rthj-pcb(1) Thermal resistance junction-pcb 35 °C/W
1. When mounted on an 1-inch² FR-4, 2 Oz copper board.
Table 3. Avalanche characteristics
Symbol Parameter Value Unit
IAS
Avalanche current, repetitive or not repetitive
(pulse width limited by TJ max) 6 A
EAS
Single-pulse avalanche energy
(starting TJ = 25 °C, ID = IAS, VDD = 50 V) 400 mJ
STB12NM50T4, STP12NM50, STP12NM50FP
Electrical ratings
DS1944 - Rev 12 page 2/20
2Electrical characteristics
(TC = 25 °C unless otherwise specified)
Table 4. Static
Symbol Parameter Test conditions Min. Typ. Max. Unit
V(BR)DSS Drain-source breakdown voltage VGS = 0 V, ID = 250 μA 500 V
IDSS Zero gate voltage drain current
VGS = 0 V, VDS = 500 V 1
µA
VGS = 0 V, VDS = 500 V, TC = 125 °C (1) 10
IGSS Gate-body leakage current VDS = 0 V, VGS = ±30 V ±100 nA
VGS(th) Gate threshold voltage VDS = VGS, ID = 50 µA 3 4 5 V
RDS(on) Static drain-source on-resistance VGS = 10 V, ID = 6 A 300 350 mΩ
1. Defined by design, not subject to production test.
Table 5. Dynamic
Symbol Parameter Test conditions Min. Typ. Max. Unit
Ciss Input capacitance
VDS = 25 V, f = 1 MHz, VGS = 0 V
- 1000 - pF
Coss Output capacitance - 250 - pF
Crss Reverse transfer capacitance - 20 - pF
Coss eq.(1) Equivalent output capacitance VDS = 0 to 400 V, VGS = 0 V - 90 - pF
td(on) Turn-on Delay Time VDD = 250 V, ID = 6 A,
RG = 4.7 Ω, VGS = 10 V
(see Figure 13. Test circuit for resistive
load switching times and
Figure 18. Switching time waveform)
- 20 - ns
trRise Time - 10 - ns
QgTotal gate charge VDD = 400 V, ID = 12 A, VGS = 0 to 10 V
(see Figure 14. Test circuit for gate
charge behavior)
- 28 - nC
Qgs Gate-source charge - 8 - nC
Qgd Gate-drain charge - 16 - nC
RgGate input resistance f = 1 MHz, gate DC Bias = 0,
test signal level = 20 mV, open drain - 1.6 - Ω
1. Coss eq. is defined as a constant equivalent capacitance giving the same charging time as Coss when VDS increases from 0
to 80% VDSS.
STB12NM50T4, STP12NM50, STP12NM50FP
Electrical characteristics
DS1944 - Rev 12 page 3/20
Table 6. Source-drain diode
Symbol Parameter Test conditions Min. Typ. Max. Unit
ISD Source-drain current - 12 A
ISDM (1) Source-drain current (pulsed) - 48 A
VSD (2) Forward on voltage VGS = 0 V, ISD = 12 A - 1.5 V
trr Reverse recovery time ISD = 12 A, di/dt = 100 A/µs,
VDD = 100 V
(see Figure 15. Test circuit for inductive
load switching and diode recovery times)
- 270 ns
Qrr Reverse recovery charge - 2.23 µC
IRRM Reverse recovery current - 16.5 A
trr Reverse recovery time ISD = 12 A, di/dt = 100 A/µs,
VDD = 100 V, TJ = 150 °C
(see Figure 15. Test circuit for inductive
load switching and diode recovery times)
- 340 ns
Qrr Reverse recovery charge - 3 µC
IRRM Reverse recovery current - 18 A
1. Pulse width is limited by safe operating area.
2. Pulse test: pulse duration = 300 µs, duty cycle 1.5%.
STB12NM50T4, STP12NM50, STP12NM50FP
Electrical characteristics
DS1944 - Rev 12 page 4/20
m' o“ m‘m‘oz Vu,2.1 Electrical characteristics (curves)
Figure 1. Safe operating area for D²PAK and TO-220
HV27510
Figure 2. Thermal impedance for D²PAK and TO-220
Figure 3. Safe operating area for TO-220FP
HV27450
Figure 4. Thermal impedance for TO-220FP
10-1
10-2
10-3
K
tp(s)
10-4 10-3 10-2 10-1 10-0
Z
th
= K*R
thJ-c
δ =t
p
/ Ƭ
t
pƬ
δ =0.5
0.01
Single pulse
0.2
0.1
0.02
0.05
GC20521
Figure 5. Output characteristics
HV00002
Figure 6. Transfer characteristics
HV00003
STB12NM50T4, STP12NM50, STP12NM50FP
Electrical characteristics (curves)
DS1944 - Rev 12 page 5/20
RDs(on7
(mm)
500
600
400
200
o 5 m ‘5 20 MA)
C(PF)
2000
1500
tooo
SOD
—5u u 50 mm
40 WW)
1513 L (“(2)
Vcs(V)
Vns=4UDV
\n=12A
15
t2
‘ 5
20 25 Qg(r\C)
Vnsm)
(norm)
1.2
n, =250,uA
DB
0.5
0‘4
Vsu(V)
1 0
DB
:15
0'2
50
IDO ‘SOT (”c)
20 ‘suW
Figure 7. Static drain-source on-resistance
HV00004
Figure 8. Gate charge vs gate-source voltage
HV00005
Figure 9. Capacitance variations
GC85600
Figure 10. Normalized gate threshold voltage vs
temperature
GC74100
Figure 11. Normalized on resistance vs temperature
GC85610
Figure 12. Source-drain diode forward characteristics
GC85620
STB12NM50T4, STP12NM50, STP12NM50FP
Electrical characteristics (curves)
DS1944 - Rev 12 page 6/20

3Test circuits
Figure 13. Test circuit for resistive load switching times
AM01468v1
VD
RG
RL
D.U.T.
2200
μF VDD
3.3
μF
+
pulse width
VGS
Figure 14. Test circuit for gate charge behavior
AM01469v1
47 kΩ 1 kΩ
47 kΩ
2.7 kΩ
1 kΩ
12 V
IG= CONST 100 Ω
100 nF
D.U.T.
+
pulse width
VGS
2200
μF
VG
VDD
Figure 15. Test circuit for inductive load switching and
diode recovery times
AM01470v1
A
D
D.U.T.
SB
G
25 Ω
AA
BB
RG
G
D
S
100 µH
µF
3.3 1000
µF VDD
D.U.T.
+
_
+
fast
diode
Figure 16. Unclamped inductive load test circuit
AM01471v1
VD
ID
D.U.T.
L
VDD
+
pulse width
Vi
3.3
µF
2200
µF
Figure 17. Unclamped inductive waveform
AM01472v1
V(BR)DSS
VDD
VDD
VD
IDM
ID
Figure 18. Switching time waveform
AM01473v1
0
VGS 90%
VDS
90%
10%
90%
10%
10%
ton
td(on) tr
0
toff
td(off) tf
STB12NM50T4, STP12NM50, STP12NM50FP
Test circuits
DS1944 - Rev 12 page 7/20
J/L
L 1
j
H , _
v
L2 :
b
4,787+
\ +
J L
‘_A_.
[14»
c2» [24'
T ‘
=I \ E’
D]
D \
7E7 / ‘ ‘
L ' /. \ ‘
m 702
J1 ‘
THERMAL PAD
[22
C
SHUNG PLANE
COPLANAR/TY A 1
—.
\
R
\
GAUGE PLANE
V2
4Package information
In order to meet environmental requirements, ST offers these devices in different grades of ECOPACK packages,
depending on their level of environmental compliance. ECOPACK specifications, grade definitions and product
status are available at: www.st.com. ECOPACK is an ST trademark.
4.1 D²PAK (TO-263) type A package information
Figure 19. D²PAK (TO-263) type A package outline
0079457_26
STB12NM50T4, STP12NM50, STP12NM50FP
Package information
DS1944 - Rev 12 page 8/20

Table 7. D²PAK (TO-263) type A package mechanical data
Dim.
mm
Min. Typ. Max.
A4.40 4.60
A1 0.03 0.23
b 0.70 0.93
b2 1.14 1.70
c 0.45 0.60
c2 1.23 1.36
D 8.95 9.35
D1 7.50 7.75 8.00
D2 1.10 1.30 1.50
E 10.00 10.40
E1 8.30 8.50 8.70
E2 6.85 7.05 7.25
e 2.54
e1 4.88 5.28
H 15.00 15.85
J1 2.49 2.69
L 2.29 2.79
L1 1.27 1.40
L2 1.30 1.75
R 0.40
V2 0° 8°
STB12NM50T4, STP12NM50, STP12NM50FP
D²PAK (TO-263) type A package information
DS1944 - Rev 12 page 9/20
.7 72.204»
7.60
2.54 ‘
3.50
76.90
Figure 20. D²PAK (TO-263) recommended footprint (dimensions are in mm)
Footprint_26
STB12NM50T4, STP12NM50, STP12NM50FP
D²PAK (TO-263) type A package information
DS1944 - Rev 12 page 10/20

4.2 TO-220 type A package information
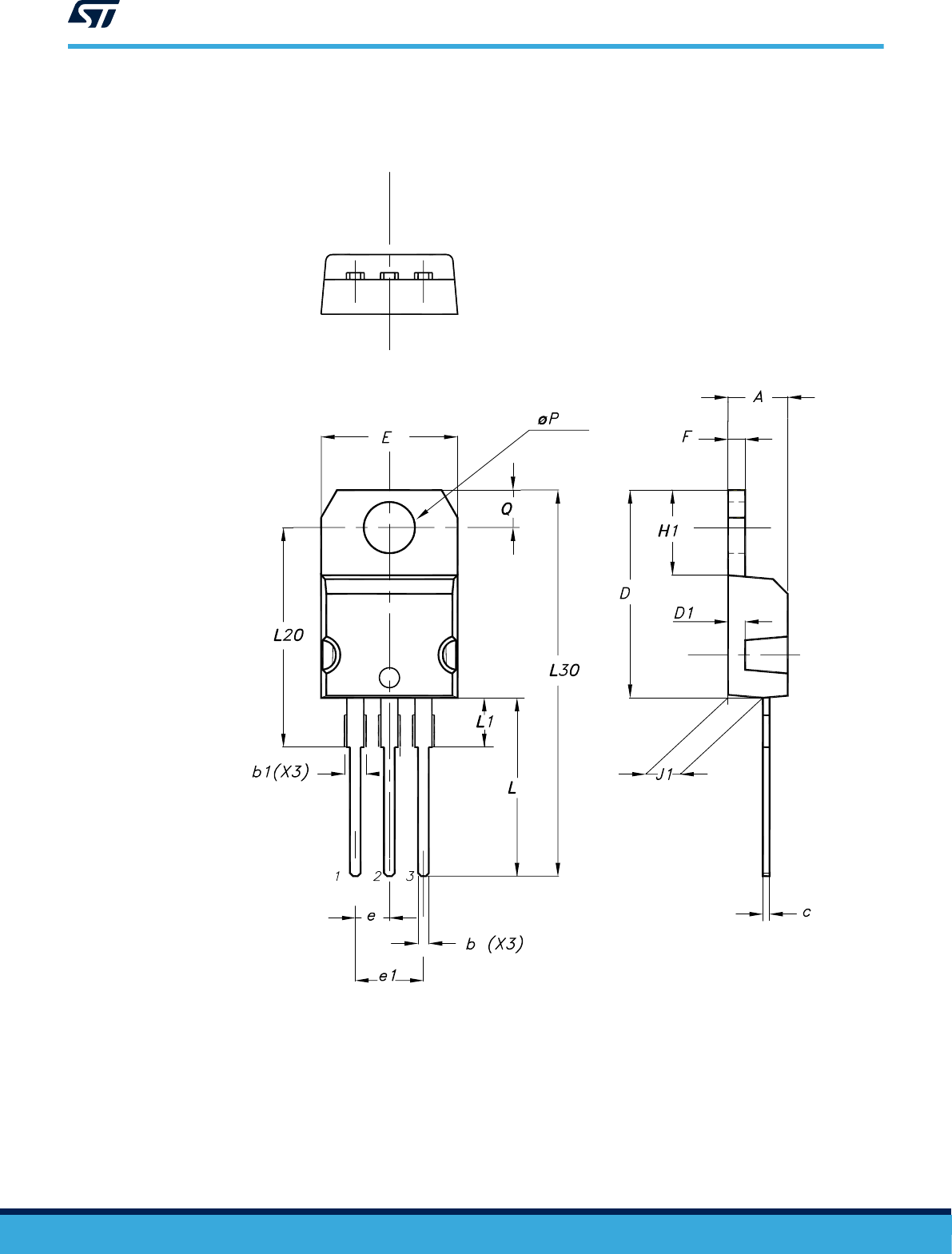
Figure 21. TO-220 type A package outline
0015988_typeA_Rev_23
STB12NM50T4, STP12NM50, STP12NM50FP
TO-220 type A package information
DS1944 - Rev 12 page 11/20
Table 8. TO-220 type A package mechanical data
Dim.
mm
Min. Typ. Max.
A4.40 4.60
b 0.61 0.88
b1 1.14 1.55
c 0.48 0.70
D 15.25 15.75
D1 1.27
E 10.00 10.40
e 2.40 2.70
e1 4.95 5.15
F 1.23 1.32
H1 6.20 6.60
J1 2.40 2.72
L 13.00 14.00
L1 3.50 3.93
L20 16.40
L30 28.90
øP 3.75 3.85
Q 2.65 2.95
Slug flatness 0.03 0.10
STB12NM50T4, STP12NM50, STP12NM50FP
TO-220 type A package information
DS1944 - Rev 12 page 12/20

4.3 TO-220FP package information
Figure 22. TO-220FP package outline
7012510_Rev_13_B
STB12NM50T4, STP12NM50, STP12NM50FP
TO-220FP package information
DS1944 - Rev 12 page 13/20
Table 9. TO-220FP package mechanical data
Dim.
mm
Min. Typ. Max.
A4.40 4.60
B 2.50 2.70
D 2.50 2.75
E 0.45 0.70
F 0.75 1.00
F1 1.15 1.70
F2 1.15 1.70
G 4.95 5.20
G1 2.40 2.70
H 10.00 10.40
L2 16.00
L3 28.60 30.60
L4 9.80 10.60
L5 2.90 3.60
L6 15.90 16.40
L7 9.00 9.30
Dia 3.00 3.20
STB12NM50T4, STP12NM50, STP12NM50FP
TO-220FP package information
DS1944 - Rev 12 page 14/20
Ia mm; (umulmwe
In‘erante on law +1702 mm
m D 32
OOO®®OOO®OO A
F
w
5' O G) G) )9 ® 3
Fm mad‘ine ref, only M, P‘ m
Indudmgdlafland
rad" (omenmz Mound an —>
Immmmmeed
Q § § 9 Q 9 9 9 9 9
l l l w
‘ ‘ A I
I I I I I
’ aenqu IadIus
usenlmmmofleed
AMOBBSZVI
4.4 D²PAK packing information
Figure 23. D²PAK tape outline
STB12NM50T4, STP12NM50, STP12NM50FP
D²PAK packing information
DS1944 - Rev 12 page 15/20
"filx 40mm m 7 7
‘ access
al 5b!
a
Fun radius;
,—_\_‘_l_/’ , ,
Figure 24. D²PAK reel outline
A
D
B
Full radius
Tape slot
in core for
tape start
2.5mm min.width
G measured
at hub
C
N
40mm min.
access hole
at slot location
T
AM06038v1
Table 10. D²PAK tape and reel mechanical data
Tape Reel
Dim.
mm
Dim.
mm
Min. Max. Min. Max.
A0 10.5 10.7 A330
B0 15.7 15.9 B 1.5
D 1.5 1.6 C 12.8 13.2
D1 1.59 1.61 D 20.2
E 1.65 1.85 G 24.4 26.4
F 11.4 11.6 N 100
K0 4.8 5.0 T 30.4
P0 3.9 4.1
P1 11.9 12.1 Base quantity 1000
P2 1.9 2.1 Bulk quantity 1000
R 50
T 0.25 0.35
W 23.7 24.3
STB12NM50T4, STP12NM50, STP12NM50FP
D²PAK packing information
DS1944 - Rev 12 page 16/20
5Ordering information
Table 11. Order codes
Order codes Marking Package Packing
STB12NM50T4 B12NM50 D²PAK Tape and reel
STP12NM50 P12NM50 TO-220 Tube
STP12NM50FP P12NM50FP TO-220FP Tube
STB12NM50T4, STP12NM50, STP12NM50FP
Ordering information
DS1944 - Rev 12 page 17/20
Revision history
Table 12. Document revision history
Date Revision Changes
14-Mar-2004 8 Preliminary version
15-Feb-2006 9 New voltage value on first page at tjmax.
05-Apr-2006 10 Inserted ecopack indication
27-Jul-2006 11 New template, no content change
22-Oct-2020 12
The part number STB12NM50-1 have been moved to a separate datasheet and the document
has been updated accordingly.
Updated cover page.
Updated Section 1 Electrical ratings and Section 2 Electrical characteristics.
Added Section Section 5 Ordering information.
Minor text changes.
STB12NM50T4, STP12NM50, STP12NM50FP
DS1944 - Rev 12 page 18/20

Contents
1Electrical ratings ..................................................................2
2Electrical characteristics...........................................................3
2.1 Electrical characteristics (curves) .................................................5
3Test circuits .......................................................................7
4Package information...............................................................8
4.1 D²PAK (TO-263) type A package information .......................................8
4.2 TO-220 type A package information ..............................................11
4.3 TO-220FP package information .................................................13
4.4 D²PAK packing information .....................................................15
5Ordering information .............................................................17
Revision history .......................................................................18
STB12NM50T4, STP12NM50, STP12NM50FP
Contents
DS1944 - Rev 12 page 19/20

IMPORTANT NOTICE – PLEASE READ CAREFULLY
STMicroelectronics NV and its subsidiaries (“ST”) reserve the right to make changes, corrections, enhancements, modifications, and improvements to ST
products and/or to this document at any time without notice. Purchasers should obtain the latest relevant information on ST products before placing orders. ST
products are sold pursuant to ST’s terms and conditions of sale in place at the time of order acknowledgement.
Purchasers are solely responsible for the choice, selection, and use of ST products and ST assumes no liability for application assistance or the design of
Purchasers’ products.
No license, express or implied, to any intellectual property right is granted by ST herein.
Resale of ST products with provisions different from the information set forth herein shall void any warranty granted by ST for such product.
ST and the ST logo are trademarks of ST. For additional information about ST trademarks, please refer to www.st.com/trademarks. All other product or service
names are the property of their respective owners.
Information in this document supersedes and replaces information previously supplied in any prior versions of this document.
© 2020 STMicroelectronics – All rights reserved
STB12NM50T4, STP12NM50, STP12NM50FP
DS1944 - Rev 12 page 20/20
Products related to this Datasheet
MOSFET N-CH 500V 12A TO220AB
MOSFET N-CH 500V 12A TO220FP
MOSFET N-CH 550V 12A D2PAK
MOSFET N-CH 550V 12A D2PAK
MOSFET N-CH 550V 12A D2PAK