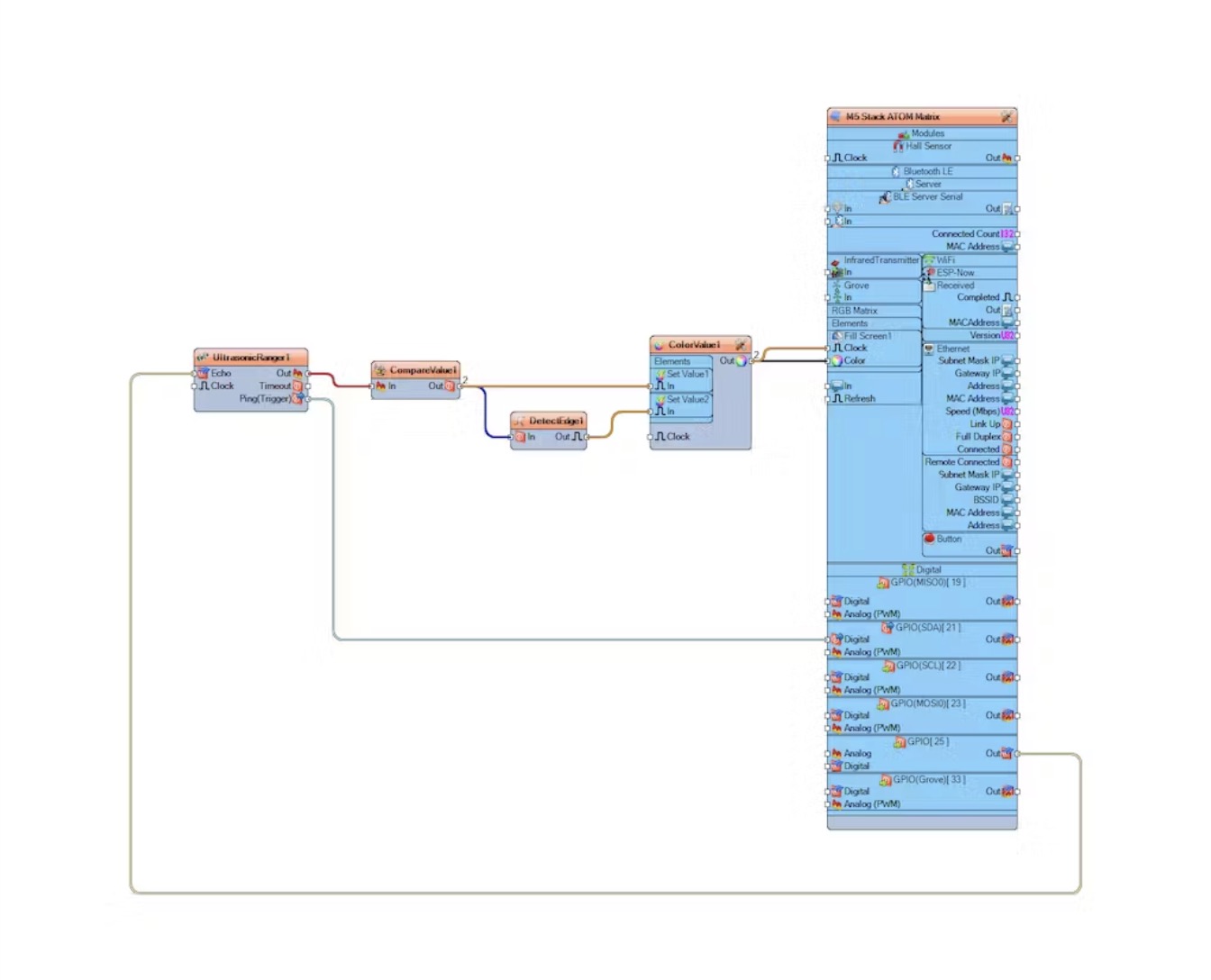
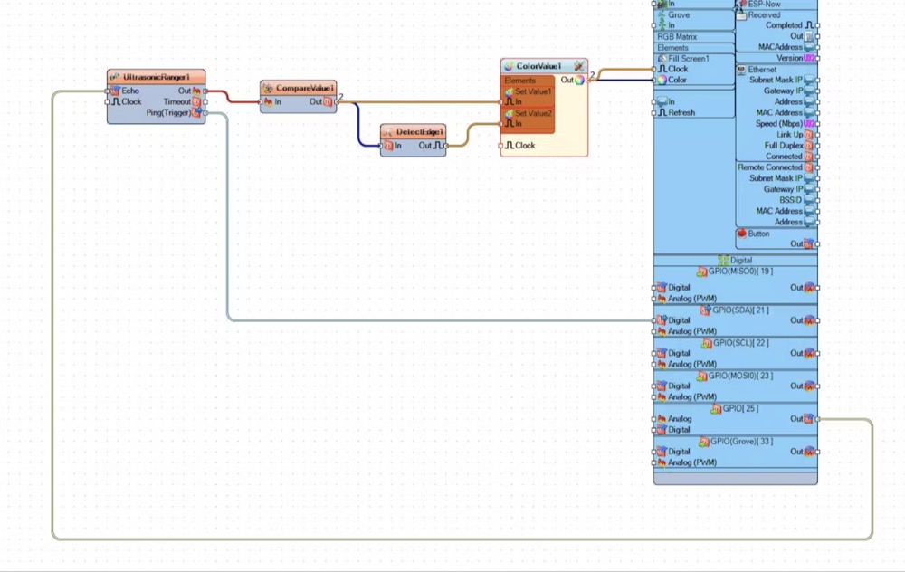
Ultrasonic Distance Sensor Using ATOM Matrix ESP32
2023-04-12 | By M5Stack
License: General Public License Wifi Arduino
* Thanks for the source code and project information provided by @ronfrtek
Things used in this project
Hardware components
M5Stack ATOM Matrix ESP32 Development Kit×1
SparkFun Ultrasonic Sensor - HC-SR04×1
Jumper wires (generic)×1
Software apps and online services
Story

